 |
Український клуб фанів FIAT / CLUB UCRAINO TIFOSO DELLA FIAT
|
 |
| Предыдущая тема :: Следующая тема |
| Автор |
Сообщение |
шумахер Италофан

Возраст: 50 Знак зодиака:  Зарегистрирован: 07.05.2011 Сообщения: 360 Откуда: кривой рог
Авто: пежо эксперт
|
Добавлено: Ср Янв 25, 2012 01:34 Заголовок сообщения: |
|
|
Полтавчанин
Та то его просто помыли перед продажей
|
|
| Вернуться к началу |
|
 |
АЛЕКСАНДР УСАТЫЙ Amico

Возраст: 53 Знак зодиака:  Зарегистрирован: 19.02.2009 Сообщения: 36 Откуда: КОВЕЛЬ ВОЛЫНСКАЯ ОБЛАСТЬ
Авто: FIAT SCUDO
|
Добавлено: Чт Янв 26, 2012 06:26 Заголовок сообщения: |
|
|
| stamat11 писал(а): | dawud007
Снимаем впускной патрубок с клапана EGR
отсоединяем трубку (с нержавейки)
Впускной коллектор прикручен четырмя болтами под шестигранник (находятся за крышкой клапанов), выкрутив вытягиваем коллектор вверх.
выкручиваем сам клапан EGR по часовой стрелке
Расширительный бачек не мешает!!!!! Но можно для удобства отвести в сторону, ну и если понадобится, само его крепление тоже можно снять!!! |
відповідь дуже точна. На основі власного досвіду добавлю:
болти кріплення зроблені під різні шестигранники( нижні можливо взагалі під "зірочку".Точно вже не памятаю.)
сажі у впускному колекторі дійсно дуже багато. Я знімав колектор коли мінів свічі накала.Промивав уайт спірітом. Тільки добре просушити потім.
При знятті обережно доставати , бо можна поламати вихідний патрубок паливного фільтра.( товариш, що допомагав мені зламав патрубок. Довелося клеїти.)
|
|
| Вернуться к началу |
|
 |
Полтавчанин Италофан

Возраст: 43 Знак зодиака:  Зарегистрирован: 14.12.2011 Сообщения: 341 Откуда: Полтава
Авто: Фиат Скудо 1.9ТД
|
Добавлено: Чт Янв 26, 2012 07:01 Заголовок сообщения: |
|
|
Я тоже поламал,купил новую крышку с резинкой(оригинал) 150грн.
_________________ Самая лучшая машина,это новая машина! |
|
| Вернуться к началу |
|
 |
АЛЕКСАНДР УСАТЫЙ Amico

Возраст: 53 Знак зодиака:  Зарегистрирован: 19.02.2009 Сообщения: 36 Откуда: КОВЕЛЬ ВОЛЫНСКАЯ ОБЛАСТЬ
Авто: FIAT SCUDO
|
Добавлено: Чт Янв 26, 2012 19:02 Заголовок сообщения: |
|
|
| Я склеїв. Вставив всередину тонку трубочку, посадив на клей, другий рік працює нормально.
|
|
| Вернуться к началу |
|
 |
rosdos Amico

Возраст: 48 Знак зодиака:  Зарегистрирован: 20.11.2011 Сообщения: 47 Откуда: НЕТІШИН
Авто: SCUDO 1.9 TD
|
Добавлено: Чт Янв 26, 2012 22:23 Заголовок сообщения: |
|
|
| у мене тді1.9,коли зняв резиновий патрубок на вп.колекторі теж бачив багато сажі чи копоті,появляється воно через клапан ЕРГ,чистити не буду то не критично,але клапан заглушив.
|
|
| Вернуться к началу |
|
 |
seregka Amico


Возраст: 36 Знак зодиака:  Зарегистрирован: 28.03.2011 Сообщения: 45 Откуда: Гомель
Авто: fiat scudo 1999 1.9TD
|
Добавлено: Вт Фев 28, 2012 19:49 Заголовок сообщения: |
|
|
| на земле конечно будлет чистый)) а если нет зашиты и проезхался в дождь или по грунтовой дороге после дождя поссмотрел бы я на ваши чистые моторы! Чистый мотор это когда нету подтеков масла, а пыль и т.д это не грязь )
|
|
| Вернуться к началу |
|
 |
шумахер Италофан

Возраст: 50 Знак зодиака:  Зарегистрирован: 07.05.2011 Сообщения: 360 Откуда: кривой рог
Авто: пежо эксперт
|
Добавлено: Вт Фев 28, 2012 23:07 Заголовок сообщения: |
|
|
| rosdos писал(а): | | у мене тді1.9,коли зняв резиновий патрубок на вп.колекторі теж бачив багато сажі чи копоті,появляється воно через клапан ЕРГ,чистити не буду то не критично,але клапан заглушив. |
Так в простом атмосферном дизеле этого клапана нет
|
|
| Вернуться к началу |
|
 |
aleksandr_perviy Италофан

Возраст: 37 Знак зодиака:  Зарегистрирован: 10.02.2013 Сообщения: 345 Откуда: Ковель
Авто: Peugeot Expert 1.9d d9b(XUD9) 1999р.в. vf3222db212222599 ТНВД bosch
|
Добавлено: Вс Дек 22, 2013 12:14 Заголовок сообщения: |
|
|
| stamat11 писал(а): | dawud007
Снимаем впускной патрубок с клапана EGR
отсоединяем трубку (с нержавейки)
Впускной коллектор прикручен четырмя болтами под шестигранник (находятся за крышкой клапанов), выкрутив вытягиваем коллектор вверх.
выкручиваем сам клапан EGR по часовой стрелке
Расширительный бачек не мешает!!!!! Но можно для удобства отвести в сторону, ну и если понадобится, само его крепление тоже можно снять!!! |
в мене тож 1.9 d але трохи не такий колектор,і фільтр паливний круглий в мене. я нащупав пальцями два верхніх болта кріплення як на фото,бо невидно їх взагалі, але вони там ніби в мене під звичайну головку 10...13.
і ви показали під защитою ще 2 болта. а як знімається цей захист?
|
|
| Вернуться к началу |
|
 |
celebra Италофан


Возраст: 45 Знак зодиака:  Зарегистрирован: 15.12.2011 Сообщения: 384 Откуда: чернівці
Авто: fiat scudo 1.9D-був, став 2,0 турбо бензин
|
Добавлено: Вс Дек 22, 2013 12:46 Заголовок сообщения: |
|
|
| так в тебе напевне мотор d9b і без клапана єгр, вони йшли з круглими паливними фільтрами
|
|
| Вернуться к началу |
|
 |
aleksandr_perviy Италофан

Возраст: 37 Знак зодиака:  Зарегистрирован: 10.02.2013 Сообщения: 345 Откуда: Ковель
Авто: Peugeot Expert 1.9d d9b(XUD9) 1999р.в. vf3222db212222599 ТНВД bosch
|
Добавлено: Вс Дек 22, 2013 14:18 Заголовок сообщения: |
|
|
сервіс бокс видав
EXPERT FOURGON TOLE COURT TYPE 800 1.9 D (XUD9) BVM 5
XUD9 і d9b це один і той же двигун?
як правильно розуміти клапан ЕГР? він же присутній тільки в турбо або 2.0.
|
|
| Вернуться к началу |
|
 |
aleksandr_perviy Италофан

Возраст: 37 Знак зодиака:  Зарегистрирован: 10.02.2013 Сообщения: 345 Откуда: Ковель
Авто: Peugeot Expert 1.9d d9b(XUD9) 1999р.в. vf3222db212222599 ТНВД bosch
|
Добавлено: Вс Дек 22, 2013 14:35 Заголовок сообщения: |
|
|
ось такий в мене колектор і пластик зверху
| Описание: |
|
| Размер: |
40.71 KB |
| Просмотрено: |
350 раз(а) |

|
|
|
| Вернуться к началу |
|
 |
Freedom Италоманьячище


Возраст: 41 Знак зодиака:  Зарегистрирован: 21.07.2012 Сообщения: 1613 Откуда: Тернопіль
Авто: Peugeot Expert 2.0 HDi 80кВт Long
|
Добавлено: Вс Дек 22, 2013 14:49 Заголовок сообщения: |
|
|
aleksandr_perviy
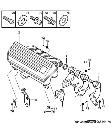
да це той мотор, а проблем щоб зняти тут нема все як на малюнку...
3 болти №76 відкрутити
|
|
| Вернуться к началу |
|
 |
aleksandr_perviy Италофан

Возраст: 37 Знак зодиака:  Зарегистрирован: 10.02.2013 Сообщения: 345 Откуда: Ковель
Авто: Peugeot Expert 1.9d d9b(XUD9) 1999р.в. vf3222db212222599 ТНВД bosch
|
Добавлено: Вс Дек 22, 2013 15:01 Заголовок сообщения: |
|
|
| і просто тянути пластик вверх?як з колектором він тримається?щоб нічого не зламати.
|
|
| Вернуться к началу |
|
 |
Freedom Италоманьячище


Возраст: 41 Знак зодиака:  Зарегистрирован: 21.07.2012 Сообщения: 1613 Откуда: Тернопіль
Авто: Peugeot Expert 2.0 HDi 80кВт Long
|
Добавлено: Вс Дек 22, 2013 15:14 Заголовок сообщения: |
|
|
aleksandr_perviy
з колектором він тримається на одному болті 76 і на резинових сальніках 4, як виглядає з мальнка щоб його витягнути треба прикласти зусиля і і акробатики, і готуйся до заміні сальнічків 4
|
|
| Вернуться к началу |
|
 |
aleksandr_perviy Италофан

Возраст: 37 Знак зодиака:  Зарегистрирован: 10.02.2013 Сообщения: 345 Откуда: Ковель
Авто: Peugeot Expert 1.9d d9b(XUD9) 1999р.в. vf3222db212222599 ТНВД bosch
|
Добавлено: Вс Дек 22, 2013 18:03 Заголовок сообщения: |
|
|
тут на малюнку показано одним, а я в себе нащупав 2. ясно.
всім дякую за підказки.
|
|
| Вернуться к началу |
|
 |
|
|
Вы не можете начинать темы Вы не можете отвечать на сообщения Вы не можете редактировать свои сообщения Вы не можете удалять свои сообщения Вы не можете голосовать в опросах Вы не можете присоединять файлы в этом форуме Вы можете скачивать файлы в этом форуме
|
Powered by phpBB © 2001, 2005 phpBB Group
|