Сайт Українського клуба фанів FIAT Український клуб фанів FIAT / CLUB UCRAINO TIFOSO DELLA FIAT

 
ФотогалереяФотогалерея   FAQFAQ   ПоискПоиск   ПользователиПользователи   ГруппыГруппы   РегистрацияРегистрация 
 ПрофильПрофиль   Войти и проверить личные сообщенияВойти и проверить личные сообщения   ВходВход 

Кому тут дікіх абізян?
На страницу Пред.  1, 2, 3, 4, 5  След.
 
Начать новую тему   Ответить на тему    Список форумов Український клуб фанів FIAT / CLUB UCRAINO TIFOSO DELLA FIAT -> FIAT-клуб Київ
Предыдущая тема :: Следующая тема  
Автор Сообщение
Хоттабыч
Италоманьячище


Италоманьячище

Возраст: 60
Знак зодиака: Водолей
Зарегистрирован: 25.04.2008
Сообщения: 12017
Откуда: Киев, Соломенка

Авто: Fiat Fiorino 1.3mjtd, ранее Tipo 1.6 MI

СообщениеДобавлено: Чт Сен 26, 2019 00:10    Заголовок сообщения: Ответить с цитатой

mtx
ну, те коды что ты написал, в E-Per не бьются Confused
ну... я предложил Embarassed

_________________
СТО Fiat: пн-птн с 9.30 до 18.00, суб с 9.30 до 15.00. Оригинальные запчасти.
0661694095, 0639989129 (viber) 9.00 - 18.00
http://fiat-club.org.ua/forum/viewtopic.php?t=38938&start=0
Вернуться к началу
Посмотреть профиль Отправить личное сообщение Отправить e-mail Посетить сайт автора
mtx
Италоманьяк


Италоманьяк

Возраст: 45
Знак зодиака: Стрелец
Зарегистрирован: 14.01.2008
Сообщения: 451
Откуда: Київ, Воскресенка

Авто: Fiat Palio SX 1.3 mpi 2003р. (178 A2.000)

СообщениеДобавлено: Пт Сен 27, 2019 00:39    Заголовок сообщения: Ответить с цитатой

Хоттабыч писал(а):
mtx
ну, те коды что ты написал, в E-Per не бьются Confused
ну... я предложил Embarassed


Понакупають собі дікіх абізян 😁😁😁

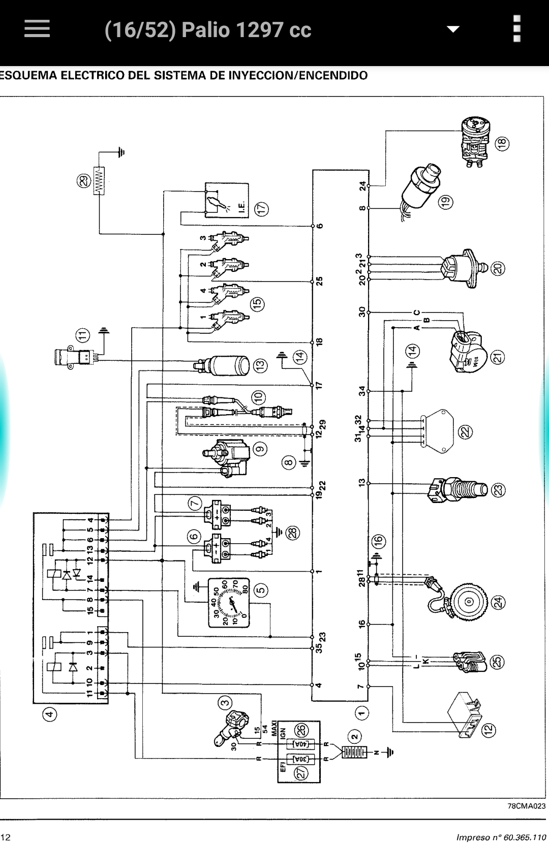
Я вже багато чого шукав, насправді з TroF, але двигун поки що міцний горішок. Я й ГУР хочу поставити, та хер його знає, куди там що ставить. Тому зараз як дєди на зіс-157 рулюю 😁
На драйві є чувак на схожому Палєо з літровим мотором, але там не все є, що я шукаю.
Ще є питання по проводці, бо хочу приборку з тахометром, але ще треба розкурювати чого мені від неї не вистачає, бо доку іспанською знайшов, але вона неповна
Я взагалі назбирав трохи документів, але немає треклятого каталогах саме від цієї модифікації. Що цікаво, на Lancia Y10 R89 стоїть мотор з дуже схожим впуском, але жодного фото не знайшов.
Зате є маркування ГБЦ з партномером



Screenshot_20190927-003833~2.png
 Описание:
 Размер:  397.08 KB
 Просмотрено:  258 раз(а)

Screenshot_20190927-003833~2.png



_________________
FECI AUOD POTUI, FACIANT MELIORA POTENTES
DA RED WUNZ RUN FASTA!
Вернуться к началу
Посмотреть профиль Отправить личное сообщение Посетить сайт автора
Александр Васильевич
Италоманьячище


Италоманьячище

Возраст: 39
Знак зодиака: Козерог
Зарегистрирован: 21.05.2007
Сообщения: 17343
Откуда: Одеса

Авто: Фіат Сієна 1.2

СообщениеДобавлено: Пт Сен 27, 2019 07:31    Заголовок сообщения: Ответить с цитатой

Досить оригінальна схема комутації форсунок- 3+1, це як???
_________________
Це не набиття постів, це просто моя думка.
Вернуться к началу
Посмотреть профиль Отправить личное сообщение
Denwer
Италоманьячище


Италоманьячище

Возраст: 47
Знак зодиака: Рак
Зарегистрирован: 30.11.2010
Сообщения: 6196
Откуда: Киев

Авто: Palio EX Fire 1.2 16V (80 hp)

СообщениеДобавлено: Пт Сен 27, 2019 13:49    Заголовок сообщения: Ответить с цитатой

mtx
Не варто туди ставити ГУР. Послухай поради...
Сам також ГУРом загорівся був.

Але по перше - це дуже не дешево, як що навіть брати вживані компоненти.
Це кермова колонка, рейка, насос, шкив колінвалу, шланги, бачок, ремені, та ще по дрібничках.
По друге, зібравши це все з різних вживаних вузлів, дуже висока вірогідність що щось від самого початку почне працювати не так. И після начеб-то віну (ура, в мене тепер гур) настане нескінченний гемор чого воно не так працює, а це вже фейл. Бо всі деталі вживані, і ресурс та стан їх ти не дізнаєшся, поки не складеш все до купи.
Ну і по третє, у Паліо і так легке кермо. І як що не ставитимеш гуму ширше за 175, то підсилювач тобі майже ніколи по серйозному не знадобиться. За те матимеш абсолютно прозору і чутливу керованість.
До речі, на багатьох тазиках-однокласниках взагалі штатна гума 14 шириною 165, наприклад на Гетцах чи на Фабіях часто бачив. На цьому авто з такою шириною підсилювач просто зайвий Wink НМСД
Вернуться к началу
Посмотреть профиль Отправить личное сообщение Отправить e-mail
Denwer
Италоманьячище


Италоманьячище

Возраст: 47
Знак зодиака: Рак
Зарегистрирован: 30.11.2010
Сообщения: 6196
Откуда: Киев

Авто: Palio EX Fire 1.2 16V (80 hp)

СообщениеДобавлено: Пт Сен 27, 2019 13:56    Заголовок сообщения: Ответить с цитатой

... забув додати, обов"язково юзати штатні колісні диски, або аналоги зі схожим вильотом. У Паліо досить рідкісний для Фіатів вильот - 44.
Підходять диски з Фіарино, раптом захочеш перейти з 13 на 14 радіус, як я.
Дискі з решти фіатівських моделей ставити не варто, бо вся вони мають ЕТ в районі 30-37, і тоді кермо в тебе дійсно стане важке та незручне.
І категорично не ставити литі диски розраховані для усяких жигулів, бо там взагалі ЕТ меньше 30.
Вернуться к началу
Посмотреть профиль Отправить личное сообщение Отправить e-mail
Хоттабыч
Италоманьячище


Италоманьячище

Возраст: 60
Знак зодиака: Водолей
Зарегистрирован: 25.04.2008
Сообщения: 12017
Откуда: Киев, Соломенка

Авто: Fiat Fiorino 1.3mjtd, ранее Tipo 1.6 MI

СообщениеДобавлено: Пт Сен 27, 2019 14:48    Заголовок сообщения: Ответить с цитатой

mtx
Макс (наконец-то догадался что енто ты) есть офигенные новые колесные диски оригинал фиат R14, штатные Дельта 2

_________________
СТО Fiat: пн-птн с 9.30 до 18.00, суб с 9.30 до 15.00. Оригинальные запчасти.
0661694095, 0639989129 (viber) 9.00 - 18.00
http://fiat-club.org.ua/forum/viewtopic.php?t=38938&start=0
Вернуться к началу
Посмотреть профиль Отправить личное сообщение Отправить e-mail Посетить сайт автора
Александр Васильевич
Италоманьячище


Италоманьячище

Возраст: 39
Знак зодиака: Козерог
Зарегистрирован: 21.05.2007
Сообщения: 17343
Откуда: Одеса

Авто: Фіат Сієна 1.2

СообщениеДобавлено: Пт Сен 27, 2019 15:16    Заголовок сообщения: Ответить с цитатой

Denwer писал(а):
... забув додати, обов"язково юзати штатні колісні диски, або аналоги зі схожим вильотом. У Паліо досить рідкісний для Фіатів вильот - 44.
Підходять диски з Фіарино, раптом захочеш перейти з 13 на 14 радіус, як я.
Дискі з решти фіатівських моделей ставити не варто, бо вся вони мають ЕТ в районі 30-37, і тоді кермо в тебе дійсно стане важке та незручне.
І категорично не ставити литі диски розраховані для усяких жигулів, бо там взагалі ЕТ меньше 30.


Та чого? Колись купив російські литі, там ЕТ 43 мм. А шо станеться, коли буде не 44 рівно, а 45 чи 43?

_________________
Це не набиття постів, це просто моя думка.
Вернуться к началу
Посмотреть профиль Отправить личное сообщение
Denwer
Италоманьячище


Италоманьячище

Возраст: 47
Знак зодиака: Рак
Зарегистрирован: 30.11.2010
Сообщения: 6196
Откуда: Киев

Авто: Palio EX Fire 1.2 16V (80 hp)

СообщениеДобавлено: Пт Сен 27, 2019 17:23    Заголовок сообщения: Ответить с цитатой

Александр Васильевич
Скільки бачив в продажу лити 4х98, усі мали ЕТ меньше 32 десь.

Від 43 нічого не станеться, ви ж розумієте )
45 - хз. Аби не затирали об елементи шасі та гальмівної системи. Але від 1 мм в мінус, плече обкатки навряд чи відчутно зміниться )
Вернуться к началу
Посмотреть профиль Отправить личное сообщение Отправить e-mail
Александр Васильевич
Италоманьячище


Италоманьячище

Возраст: 39
Знак зодиака: Козерог
Зарегистрирован: 21.05.2007
Сообщения: 17343
Откуда: Одеса

Авто: Фіат Сієна 1.2

СообщениеДобавлено: Пт Сен 27, 2019 18:50    Заголовок сообщения: Ответить с цитатой

Один міліметр ну ніяк не буде терти, там нема таких точно обмежених місць +/- 5 мм, їй богу, ні до чого там така точність.
_________________
Це не набиття постів, це просто моя думка.
Вернуться к началу
Посмотреть профиль Отправить личное сообщение
mtx
Италоманьяк


Италоманьяк

Возраст: 45
Знак зодиака: Стрелец
Зарегистрирован: 14.01.2008
Сообщения: 451
Откуда: Київ, Воскресенка

Авто: Fiat Palio SX 1.3 mpi 2003р. (178 A2.000)

СообщениеДобавлено: Сб Сен 28, 2019 10:00    Заголовок сообщения: Ответить с цитатой

Denwer писал(а):
mtx
Не варто туди ставити ГУР. Послухай поради...
Сам також ГУРом загорівся був.

Але по перше - це дуже не дешево, як що навіть брати вживані компоненти.
Це кермова колонка, рейка, насос, шкив колінвалу, шланги, бачок, ремені, та ще по дрібничках.
По друге, зібравши це все з різних вживаних вузлів, дуже висока вірогідність що щось від самого початку почне працювати не так. И після начеб-то віну (ура, в мене тепер гур) настане нескінченний гемор чого воно не так працює, а це вже фейл. Бо всі деталі вживані, і ресурс та стан їх ти не дізнаєшся, поки не складеш все до купи.
Ну і по третє, у Паліо і так легке кермо. І як що не ставитимеш гуму ширше за 175, то підсилювач тобі майже ніколи по серйозному не знадобиться. За те матимеш абсолютно прозору і чутливу керованість.
До речі, на багатьох тазиках-однокласниках взагалі штатна гума 14 шириною 165, наприклад на Гетцах чи на Фабіях часто бачив. На цьому авто з такою шириною підсилювач просто зайвий Wink НМСД


Дякую за пояснення.
Але в мене зимня вже R14 на сталюках фіатовських, зі штатних дисків залишилася тільки запаска з вузенькою шиною Pirelli R13. Диск схожий на уновський 🙂
Як сказав Фауст, Palio = UNO Stage2, так що від УНО теж має підходити. Литі зараз стоять 175 70 R13 якісь тазовські 🙄 судячи з книжки до машини, можу ставити 175 65 R14

_________________
FECI AUOD POTUI, FACIANT MELIORA POTENTES
DA RED WUNZ RUN FASTA!
Вернуться к началу
Посмотреть профиль Отправить личное сообщение Посетить сайт автора
mtx
Италоманьяк


Италоманьяк

Возраст: 45
Знак зодиака: Стрелец
Зарегистрирован: 14.01.2008
Сообщения: 451
Откуда: Київ, Воскресенка

Авто: Fiat Palio SX 1.3 mpi 2003р. (178 A2.000)

СообщениеДобавлено: Сб Сен 28, 2019 10:18    Заголовок сообщения: Ответить с цитатой

Хоттабыч писал(а):
mtx
Макс (наконец-то догадался что енто ты) есть офигенные новые колесные диски оригинал фиат R14, штатные Дельта 2

Я не Макс, а Вадим. На Мареї колись з Максом приїжджали до тебе.
Марею віддав братові, він собі донора пригнав до неї, а я собі прикупив діку абізяну 🙂

_________________
FECI AUOD POTUI, FACIANT MELIORA POTENTES
DA RED WUNZ RUN FASTA!
Вернуться к началу
Посмотреть профиль Отправить личное сообщение Посетить сайт автора
Хоттабыч
Италоманьячище


Италоманьячище

Возраст: 60
Знак зодиака: Водолей
Зарегистрирован: 25.04.2008
Сообщения: 12017
Откуда: Киев, Соломенка

Авто: Fiat Fiorino 1.3mjtd, ранее Tipo 1.6 MI

СообщениеДобавлено: Сб Сен 28, 2019 10:53    Заголовок сообщения: Ответить с цитатой

mtx писал(а):
Хоттабыч писал(а):
mtx
Макс (наконец-то догадался что енто ты) есть офигенные новые колесные диски оригинал фиат R14, штатные Дельта 2

Я не Макс, а Вадим. На Мареї колись з Максом приїжджали до тебе.
Марею віддав братові, він собі донора пригнав до неї, а я собі прикупив діку абізяну 🙂

Блин, старею... Конечно Вадим Embarassed

_________________
СТО Fiat: пн-птн с 9.30 до 18.00, суб с 9.30 до 15.00. Оригинальные запчасти.
0661694095, 0639989129 (viber) 9.00 - 18.00
http://fiat-club.org.ua/forum/viewtopic.php?t=38938&start=0
Вернуться к началу
Посмотреть профиль Отправить личное сообщение Отправить e-mail Посетить сайт автора
Александр Васильевич
Италоманьячище


Италоманьячище

Возраст: 39
Знак зодиака: Козерог
Зарегистрирован: 21.05.2007
Сообщения: 17343
Откуда: Одеса

Авто: Фіат Сієна 1.2

СообщениеДобавлено: Сб Сен 28, 2019 11:28    Заголовок сообщения: Ответить с цитатой

Не прикидывайся, просто пить меньше надо. Или больше, кто в курсе? но все равно НАДО Very Happy
_________________
Це не набиття постів, це просто моя думка.
Вернуться к началу
Посмотреть профиль Отправить личное сообщение
Denwer
Италоманьячище


Италоманьячище

Возраст: 47
Знак зодиака: Рак
Зарегистрирован: 30.11.2010
Сообщения: 6196
Откуда: Киев

Авто: Palio EX Fire 1.2 16V (80 hp)

СообщениеДобавлено: Сб Сен 28, 2019 12:15    Заголовок сообщения: Ответить с цитатой

mtx писал(а):


Дякую за пояснення.
Але в мене зимня вже R14 на сталюках фіатовських, зі штатних дисків залишилася тільки запаска з вузенькою шиною Pirelli R13. Диск схожий на уновський 🙂
Як сказав Фауст, Palio = UNO Stage2, так що від УНО теж має підходити. Литі зараз стоять 175 70 R13 якісь тазовські 🙄 судячи з книжки до машини, можу ставити 175 65 R14

Підходити то вони підійдуть. У мене перші мої 14-ти диски взагалі були від Кроми.
Але ж вильот 43-44, наскільки мені відомо, крім Паліо-Сієна-Албея має лише Фіорино.
А диски з меньшим ЕТ, за тих самих умов будуть сильно навантажувати тобі кермо, бо змінилося плече обкатки поза штатні норми.

У мене літо 185-60-14 на фіоринівських дисках. Так, кермо трохи важкувате на паркуванні, але така гума і заширока для Паліо, принаймні для використання у місті.
Зиму маю таку саму як і у тебе - 175-65-14. Вона як раз на тих старих кромовських дисках і стоїть, з ЕТ 37.
Але за рахунок того що гума Nexen Winguard Winspike має дуже вузьку пляму контакту, вужчу ніж більшість 175-ї гуми, то навіть на дисках з нештатним ЕТ у мене кермо зимою легше ніж літом. Навіть занадто легке, іноді хотілося б зворотнього зв"язку додати, особливо на засніженій дорозі.
Вернуться к началу
Посмотреть профиль Отправить личное сообщение Отправить e-mail
Александр Васильевич
Италоманьячище


Италоманьячище

Возраст: 39
Знак зодиака: Козерог
Зарегистрирован: 21.05.2007
Сообщения: 17343
Откуда: Одеса

Авто: Фіат Сієна 1.2

СообщениеДобавлено: Сб Сен 28, 2019 14:03    Заголовок сообщения: Ответить с цитатой

Думаю, застосування шин з нештатним для моделі профілем- замість ххх/70-14 брати ххх/60-14 створить більше проблем, ніж 2...5 мм вильоту.
_________________
Це не набиття постів, це просто моя думка.
Вернуться к началу
Посмотреть профиль Отправить личное сообщение
Показать сообщения:   
Начать новую тему   Ответить на тему    Список форумов Український клуб фанів FIAT / CLUB UCRAINO TIFOSO DELLA FIAT -> FIAT-клуб Київ Часовой пояс: GMT + 3
На страницу Пред.  1, 2, 3, 4, 5  След.
Страница 4 из 5

 
Перейти:  
Вы не можете начинать темы
Вы не можете отвечать на сообщения
Вы не можете редактировать свои сообщения
Вы не можете удалять свои сообщения
Вы не можете голосовать в опросах
Вы не можете присоединять файлы в этом форуме
Вы можете скачивать файлы в этом форуме






Powered by phpBB © 2001, 2005 phpBB Group
З питань розміщення реклами писати на цю адресу