Сайт Українського клуба фанів FIAT Український клуб фанів FIAT / CLUB UCRAINO TIFOSO DELLA FIAT

 
ФотогалереяФотогалерея   FAQFAQ   ПоискПоиск   ПользователиПользователи   ГруппыГруппы   РегистрацияРегистрация 
 ПрофильПрофиль   Войти и проверить личные сообщенияВойти и проверить личные сообщения   ВходВход 

а может сделаем своё зарядное устройство?
На страницу 1, 2, 3, 4, 5, 6, 7, 8  След.
 
Начать новую тему   Ответить на тему    Список форумов Український клуб фанів FIAT / CLUB UCRAINO TIFOSO DELLA FIAT -> Загальні теми
Предыдущая тема :: Следующая тема  
Автор Сообщение
Веталь
Италоманьячище


Италоманьячище

Возраст: 49
Знак зодиака: Рак
Зарегистрирован: 14.06.2008
Сообщения: 4983
Откуда: Днепр. обл.

Авто: croma

СообщениеДобавлено: Сб Янв 28, 2012 20:13    Заголовок сообщения: а может сделаем своё зарядное устройство? Ответить с цитатой

Есть предложение, сделать своё зарядное устройство, схема печатка и все инструкции для которого будут здесь, для любого желающего собрать для себя самому или попросить друзей по паяльному делу.

Задум темы такой - одни мозги хорошо, но форум мозгов будет вообще круто ))) А именно, любой из форумчан может изложить своё предложение, свою идею, о внедрении в будущий зарядник той иной функции. Если это реализуемо, то я со своей стороны это внедряю в разрабатываемую с нуля схему, мало помалу рождая завершенную итоговую схему зарядника, который я попутно в реале соберу и протестирую раздобыв для этого подопытный аккумулятор. Полагаю Васильевич и все кто товариществует с паяльником в стороне не останутся, что только в плюс. По идее, в результате такого содействия, должен родиться зарядник, учитывающий большое количество пожеланий разных идей умов и т.д. То есть, с минимальным набором компромиссов в каком бы то ни было случае гаражной жизни. Что на самом деле вырастет из этого роя х.з., но давайте попробуем, если есть желание.

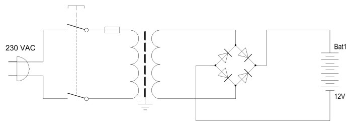
В низу фотка подопытного зарядника, который будет предан экспериментам, и схема классического выпрямителя, с которого все начинается, который мы будем постепенно обвешивать желаемым функционалом.

Ну и все. Дальше - включаем самые смелые фантазии, и излагаем здесь, не забывая что часто именно бред несет гениальность )))



Laoshidun_CB_15.jpg
 Описание:
 Размер:  89.71 KB
 Просмотрено:  179 раз(а)

Laoshidun_CB_15.jpg



222.JPG
 Описание:
 Размер:  16.86 KB
 Просмотрено:  172 раз(а)

222.JPG



_________________
Вернуться к началу
Посмотреть профиль Отправить личное сообщение
DEMOKPAT
Италоманьячище


Италоманьячище

Возраст: 53
Знак зодиака: Рак
Зарегистрирован: 06.05.2009
Сообщения: 2097
Откуда: Киев - Яготин

Авто: Бензин кончился

СообщениеДобавлено: Сб Янв 28, 2012 20:23    Заголовок сообщения: Ответить с цитатой

Гм.
Брал себе зарядку за 150 грн.
У зарядки 3 режима.
1: 4 ампера
2: 8 ампер
3: режим хранения АКБ

Зарядка импульсная.
Если аккум дохловат, напряжение подаётся всегда.
Когда аккум набирает чуть, идут импульсы.
Чем больше акум набирает, тем реже импульсы заряда.
Перезаряд исключён, при наборе ёмкости аккумулятором заряд отключается. Очередной импульс на заряд подаётся когда напряжение в аккуме падает.

На данной зарядке авто не заведёшь, но как зарядное устройство, устраивает во всех отношениях.
Мою сотку за ночь заряжает на 4 амперах.

Собственно вопрос:
Во сколько обойдётся твоя зарядка по деньгам?
Один корпус людский стоит денег не хило Wink
Да и вообще, нафига оно надо?
Разве, что для себя сварганить, так сказать своими руками Rolling Eyes
Полезный во всех отношенияй функционал я описал выше Smile
Вернуться к началу
Посмотреть профиль Отправить личное сообщение Отправить e-mail
Александр Васильевич
Италоманьячище


Италоманьячище

Возраст: 39
Знак зодиака: Козерог
Зарегистрирован: 21.05.2007
Сообщения: 17343
Откуда: Одеса

Авто: Фіат Сієна 1.2

СообщениеДобавлено: Сб Янв 28, 2012 20:49    Заголовок сообщения: Ответить с цитатой

В гараже стоит советский старый-добрый ВСА-5к.Ручечку покрутил,ток отрелигулировал,и гори оно огнем-лень что-то изобретать. Несколько раз делал из ИБП кампутеров,достаточно просто.Если не доводить АКБ до прединфарктного,то и простой зарядки вполне достаточно,особенно-перед морозами.В крайнем случае- простое ЗУ и пара циклов заряд/разряд.
Современные АКБ мало склонны к сульфатации,поэтому все эти асимметричные токи не считаю непременным атрибутом.

_________________
Це не набиття постів, це просто моя думка.
Вернуться к началу
Посмотреть профиль Отправить личное сообщение
Веталь
Италоманьячище


Италоманьячище

Возраст: 49
Знак зодиака: Рак
Зарегистрирован: 14.06.2008
Сообщения: 4983
Откуда: Днепр. обл.

Авто: croma

СообщениеДобавлено: Сб Янв 28, 2012 20:57    Заголовок сообщения: Ответить с цитатой

Александр Васильевич писал(а):
Если не доводить АКБ до прединфарктного,то и простой зарядки вполне достаточно,особенно-перед морозами.
та мне зарядка вообще за все годы обоих машин понадобилась лишь один раз, да и то когда случилось вот это http://fiat-club.org.ua/forum/viewtopic.php?t=33536
А не этот бы случай, вообще была бы ни разу не нужна. Но за окном погодка явно не курортная, от ящика скоро башка будет квадратной, вот и стукнула ей моча - давай шо нибудь сочудить )))

DEMOKPAT писал(а):
Гм.
Брал себе зарядку за 150 грн.
У зарядки 3 режима.
1: 4 ампера
2: 8 ампер
3: режим хранения АКБ

Для установки этих функций у неё на передней панели есть соответствующие кнопочки крутилочки?

DEMOKPAT писал(а):

Если аккум дохловат, напряжение подаётся всегда.
Когда аккум набирает чуть, идут импульсы.
Чем больше акум набирает, тем реже импульсы заряда.
Перезаряд исключён, при наборе ёмкости аккумулятором заряд отключается. Очередной импульс на заряд подаётся когда напряжение в аккуме падает.
Это инструкция пишет или ты сам проверял? DEMOKPAT если ты все это привел с либо инструкции либо со слов продавца, ставлю 99% что тебя облохотронили. Особенно я это понял когда ты уточнил что она импульсная )))
_________________


Последний раз редактировалось: Веталь (Сб Янв 28, 2012 21:05), всего редактировалось 1 раз
Вернуться к началу
Посмотреть профиль Отправить личное сообщение
Александр Васильевич
Италоманьячище


Италоманьячище

Возраст: 39
Знак зодиака: Козерог
Зарегистрирован: 21.05.2007
Сообщения: 17343
Откуда: Одеса

Авто: Фіат Сієна 1.2

СообщениеДобавлено: Сб Янв 28, 2012 21:00    Заголовок сообщения: Ответить с цитатой

Берете старый БП кампутёра,и делаете на скорую руку,из затрат-один амперметр с шунтом на 10 ампер, потенциометр пара проводов и кракодайлы..
ПыСы- еще можно сделать трансформаторный,классический,а регулировать ток по первичной обмотке с помощью 1182ПМ1 + симистор.


Последний раз редактировалось: Александр Васильевич (Сб Янв 28, 2012 21:08), всего редактировалось 1 раз
Вернуться к началу
Посмотреть профиль Отправить личное сообщение
Веталь
Италоманьячище


Италоманьячище

Возраст: 49
Знак зодиака: Рак
Зарегистрирован: 14.06.2008
Сообщения: 4983
Откуда: Днепр. обл.

Авто: croma

СообщениеДобавлено: Сб Янв 28, 2012 21:08    Заголовок сообщения: Ответить с цитатой

Александр Васильевич писал(а):
из затрат-один амперметр с шунтом на 10 ампер, потенциометр пара проводов и кракодайлы..
дык, а сам блок питания не затрата разве?
_________________
Вернуться к началу
Посмотреть профиль Отправить личное сообщение
Александр Васильевич
Италоманьячище


Италоманьячище

Возраст: 39
Знак зодиака: Козерог
Зарегистрирован: 21.05.2007
Сообщения: 17343
Откуда: Одеса

Авто: Фіат Сієна 1.2

СообщениеДобавлено: Сб Янв 28, 2012 21:10    Заголовок сообщения: Ответить с цитатой

Дык,вы что старый выбросили? Сколько сейчас стоит БП АТ/АТХ на TL494 по сравнении даже с вульгарным ЗУ?
_________________
Це не набиття постів, це просто моя думка.
Вернуться к началу
Посмотреть профиль Отправить личное сообщение
Vaschek
Италоманьячище


Италоманьячище

Возраст: 50
Знак зодиака: Дева
Зарегистрирован: 25.07.2008
Сообщения: 4501
Откуда: Киевские мы

Авто: VW Passat B3 / Peugeot 106

СообщениеДобавлено: Сб Янв 28, 2012 21:15    Заголовок сообщения: Ответить с цитатой


_________________
Морква на городi, У саду бджола.
Жаба на болотi Крила розвела.
Хоче полетiти, Тихо каже "Ква!"
Але в небо взмити Hе дає Москва.
Вернуться к началу
Посмотреть профиль Отправить личное сообщение Отправить e-mail
Веталь
Италоманьячище


Италоманьячище

Возраст: 49
Знак зодиака: Рак
Зарегистрирован: 14.06.2008
Сообщения: 4983
Откуда: Днепр. обл.

Авто: croma

СообщениеДобавлено: Вс Янв 29, 2012 12:17    Заголовок сообщения: Ответить с цитатой

Александр Васильевич писал(а):
Дык,вы что старый выбросили?
в моем случае выбрасывать нечего ))
Александр Васильевич писал(а):
Сколько сейчас стоит БП АТ/АТХ на TL494 по сравнении даже с вульгарным ЗУ?
та вот и х.з., не покупал ни разу ))
_________________
Вернуться к началу
Посмотреть профиль Отправить личное сообщение
CreAtoR
Италоманьячище


Италоманьячище

Возраст: 45
Знак зодиака: Весы
Зарегистрирован: 05.11.2010
Сообщения: 25291
Откуда: Одеса

Авто: Fiat Ritmo60L(138В3.048) Lancia Dedra(835A8.046)

СообщениеДобавлено: Вс Янв 29, 2012 12:28    Заголовок сообщения: Ответить с цитатой

бу БП АТХ на 250-300 Вт вообще ничего не стоит...может гривен 50? символически...
_________________
СТО [:ІЖАК] - діагностика, ремонт і кава ^-^
FIAT, Lancia, AR та не італійські авто.
т. О9З-О64-28-О6
т. О99-ОЧI-ЧЧ-Ч2
Вернуться к началу
Посмотреть профиль Отправить личное сообщение
Muzzy
Италоманьячище


Италоманьячище

Возраст: 49
Знак зодиака: Близнецы
Зарегистрирован: 30.09.2008
Сообщения: 2005
Откуда: Киев

Авто: Doblo 1.4i 06, Doblo 1.4i 08,Doblo 1.3d 06,Doblo 1.9 d 07

СообщениеДобавлено: Вс Янв 29, 2012 13:09    Заголовок сообщения: Ответить с цитатой

на соседем форуме строимдом как раз идет целая дискуссия про ЗУ))) там и ссылки на статьи и тд.
http://www.stroimdom.com.ua/forum/showthread.php?t=87389

_________________
Начальник автопарка)))
Вернуться к началу
Посмотреть профиль Отправить личное сообщение
Александр Васильевич
Италоманьячище


Италоманьячище

Возраст: 39
Знак зодиака: Козерог
Зарегистрирован: 21.05.2007
Сообщения: 17343
Откуда: Одеса

Авто: Фіат Сієна 1.2

СообщениеДобавлено: Вс Янв 29, 2012 13:31    Заголовок сообщения: Ответить с цитатой

Сколько не кричи РАХАТ-ЛУКУМ, а надо или делать или покупать готовое. Не считаю нужным доводить АКБ до полумертвого состояния,не считаю возможным тратить деньги на то,что можно сделать и так-покрутив ручку регулятора.
_________________
Це не набиття постів, це просто моя думка.
Вернуться к началу
Посмотреть профиль Отправить личное сообщение
Croma
Италоманьячище


Италоманьячище

Возраст: 67
Знак зодиака: Овен
Зарегистрирован: 30.11.2009
Сообщения: 6091
Откуда: Окупированный Харьков

Авто: Fiat Croma TURBO IE

СообщениеДобавлено: Вс Янв 29, 2012 13:39    Заголовок сообщения: Ответить с цитатой

Я рядом только что выложил, да повторю, что бы под руками было.
http://radiokot.ru/circuit/power/charger/23/
http://electro-tehnyk.narod.ru/docs/ATX.htm
Это то что понравилось.
Но проблема в том что все блоки одинаковые, все блоки разные.
И готовых рецептов не получаеться.
Каждый блок по смыслу делать надо.

Про цену БП.
Для меня вот ничего не стоит.
Насобирались естественным образом.
Думаю не одинок я в этом.
Летом, точно знаю, на базаре 250ватт АТХ за 15гр. купили.

В аварийных случаях можно диодом, лампочкой помощнее на 220
и осветительной сетью обойтись.
Вернуться к началу
Посмотреть профиль Отправить личное сообщение
Александр Васильевич
Италоманьячище


Италоманьячище

Возраст: 39
Знак зодиака: Козерог
Зарегистрирован: 21.05.2007
Сообщения: 17343
Откуда: Одеса

Авто: Фіат Сієна 1.2

СообщениеДобавлено: Вс Янв 29, 2012 13:48    Заголовок сообщения: Ответить с цитатой

Если говорить о базовом элементе- TL494/ хх7500, то все схемы в принципе одинаковы.Могут быть отдельные изыски схемотехнические,касаемые защиты и проч,но основной и интересный для ЗУ канал +12 вольт ну совсем ничем не отличается.
С ИМС 2003/2003 и 6105 посложнее.
А вот последний абзац поста я бы только вредным соседям советовал...

_________________
Це не набиття постів, це просто моя думка.
Вернуться к началу
Посмотреть профиль Отправить личное сообщение
Croma
Италоманьячище


Италоманьячище

Возраст: 67
Знак зодиака: Овен
Зарегистрирован: 30.11.2009
Сообщения: 6091
Откуда: Окупированный Харьков

Авто: Fiat Croma TURBO IE

СообщениеДобавлено: Пн Янв 30, 2012 05:03    Заголовок сообщения: Ответить с цитатой

Александр Васильевич писал(а):
Если говорить о базовом элементе- TL494/ хх7500, то все схемы в принципе одинаковы.Могут быть отдельные изыски схемотехнические,касаемые защиты и проч,но основной и интересный для ЗУ канал +12 вольт ну совсем ничем не отличается.
С ИМС 2003/2003 и 6105 посложнее.
А вот последний абзац поста я бы только вредным соседям советовал...


А чего тут такого. С диодом то.
Приспичит ехать и не такое применишь.
На войне, как на войне. Laughing

В архиве более, менее вразумительные варианты.



008.jpg
 Описание:
 Размер:  12.74 KB
 Просмотрено:  160 раз(а)

008.jpg



СХЕМА .rar
 Описание:

Скачать
 Имя файла:  СХЕМА .rar
 Размер:  46.35 KB
 Загружен:  200 раз(а)

Вернуться к началу
Посмотреть профиль Отправить личное сообщение
Показать сообщения:   
Начать новую тему   Ответить на тему    Список форумов Український клуб фанів FIAT / CLUB UCRAINO TIFOSO DELLA FIAT -> Загальні теми Часовой пояс: GMT + 3
На страницу 1, 2, 3, 4, 5, 6, 7, 8  След.
Страница 1 из 8

 
Перейти:  
Вы не можете начинать темы
Вы не можете отвечать на сообщения
Вы не можете редактировать свои сообщения
Вы не можете удалять свои сообщения
Вы не можете голосовать в опросах
Вы не можете присоединять файлы в этом форуме
Вы можете скачивать файлы в этом форуме






Powered by phpBB © 2001, 2005 phpBB Group
З питань розміщення реклами писати на цю адресу