 |
Український клуб фанів FIAT / CLUB UCRAINO TIFOSO DELLA FIAT
|
 |
| Предыдущая тема :: Следующая тема |
| Автор |
Сообщение |
Николай Николаевич Италофан


Возраст: 53 Знак зодиака:  Зарегистрирован: 30.12.2013 Сообщения: 177 Откуда: Кременчуг
Авто: Fiat Scudo 2.0 2008 2.0 Multijet 16V 120CV 88KW
|
Добавлено: Вт Дек 31, 2013 10:27 Заголовок сообщения: |
|
|
Ребята, машину только купил, а на дизелях вообще не ездил, так что будет много вопросов по разным темам.
По поводу свечей накала, у меня они вообще не включаются, ну во всяком случае индикация не горит. После поворота ключа зажигания через несколько секунд на дисплее загорается надпись "OIL OK" и звучит звуковой сигнал, вот тогда я и завожу. Может спираль срабатывает на прогрев при какойто заданной температуре окружающей среды? Какой температуре?
| Описание: |
| индикация спирали есть но не работает |
|
| Размер: |
36.49 KB |
| Просмотрено: |
222 раз(а) |

|
|
|
| Вернуться к началу |
|
 |
Evgenius Италоманьяк


Возраст: 41 Знак зодиака:  Зарегистрирован: 20.11.2011 Сообщения: 403 Откуда: Киев
Авто: Fiat Doblo Panorama 1,9 MultiJet 2008г.
|
Добавлено: Вт Дек 31, 2013 10:51 Заголовок сообщения: |
|
|
Это ненормальное поведение, спираль должна загораться сразу после поворота ключа зажигания, при низких температурах спираль горит дольше, так как требуется больше времени на прокаливание свечи
_________________ За высоким за забором гордый рыцарь в замке жил,
Он на всех вокруг с прибором без разбора положил |
|
| Вернуться к началу |
|
 |
Николай Николаевич Италофан


Возраст: 53 Знак зодиака:  Зарегистрирован: 30.12.2013 Сообщения: 177 Откуда: Кременчуг
Авто: Fiat Scudo 2.0 2008 2.0 Multijet 16V 120CV 88KW
|
Добавлено: Вт Дек 31, 2013 14:48 Заголовок сообщения: |
|
|
| Evgenius писал(а): | | Это ненормальное поведение, спираль должна загораться сразу после поворота ключа зажигания |
Да, интересное кино... а заводиться сейчас нормально, и в какую теперь сторону копать?
|
|
| Вернуться к началу |
|
 |
anatoliy_t Италолюбитель

Возраст: 59 Знак зодиака:  Зарегистрирован: 24.11.2012 Сообщения: 74 Откуда: Украина
Авто: FIAT Scudo Long 2.0 Multijet (120л.с.) 2007г.в.
|
Добавлено: Вт Дек 31, 2013 16:24 Заголовок сообщения: |
|
|
Да, интересное кино... а заводиться сейчас нормально, и в какую теперь сторону копать?[/quote]
Я так думаю, для начала проверить лампочку в приборной панели.
|
|
| Вернуться к началу |
|
 |
Freedom Италоманьячище


Возраст: 42 Знак зодиака:  Зарегистрирован: 21.07.2012 Сообщения: 1613 Откуда: Тернопіль
Авто: Peugeot Expert 2.0 HDi 80кВт Long
|
Добавлено: Вт Дек 31, 2013 17:01 Заголовок сообщения: |
|
|
Николай Николаевич
спіраль має горіти хоча б секунду,... а тепер розкажу музику яка може бути,..... коли купляв трафа було тепло і не звернув уваги на те що не горіла спіраль, катався довго, а ж поки не поговорив з людьми які мають аналогічні авто і виявилось що в мене вона має горіти хочаб 1-2 с. знявши щиток, виявилось що лампочку тупо вирвали, там світлодіод, .... поїхав на діагностику і вердикт, 4 свічки згоріли, не працює клапан ЕРГ, свічки поміняли, помилку ерг стерли но вона знов появилась, короче він накрився, а так як лампочка спіральки не тільки відповідає за свічи накала, а і за справність елктричної частини, то щоб при купівлі покупець тобто я не мав питанн чому світиться лампочка її тупо вирвали, ... ну тепер лампочка намісці, свічки працюють, а ерг в мене само пособі заглушилось, вот тільки лампочка світиться, но я привик, але з часом і ерг поміняю, машина без нього робить добре і розхід в межах параметрів
|
|
| Вернуться к началу |
|
 |
Николай Николаевич Италофан


Возраст: 53 Знак зодиака:  Зарегистрирован: 30.12.2013 Сообщения: 177 Откуда: Кременчуг
Авто: Fiat Scudo 2.0 2008 2.0 Multijet 16V 120CV 88KW
|
Добавлено: Вт Дек 31, 2013 17:59 Заголовок сообщения: |
|
|
| Freedom писал(а): | Николай Николаевич
знявши щиток, виявилось що лампочку тупо вирвали, там світлодіод, .... 4 свічки згоріли,
не працює клапан ЕРГ,
а ерг в мене само пособі заглушилось, вот тільки лампочка світиться |
Спасибо ребята!
Я так понимаю мой план такой:
1. найти как разбирается панель чтобы снять щиток и проверить лампочку.
2. Проверить работу свечей - вопрос как? -СТО.
3. Проверить работает ли ЕРГ (что это и зачем я тоже не знаю), думаю СТО.
4. Почему ЕРГ само по себе глушиться? не знаю.....
А может отбить голову продавцу который содрал много денег и сказал что машина в идеальном состоянии и этим решаться все первые четыре пункта.
Ребята, какие могут быть последствия если ездить с не рабочим ЕРГ (как это расшифровывается и зачем он нужен?)
И какие последствия заводить с нерабочими свечами?
(Сразу такое новогоднее настроение стало, надо хоть жене не показывать его, а то она мне голову отобьет).
|
|
| Вернуться к началу |
|
 |
Freedom Италоманьячище


Возраст: 42 Знак зодиака:  Зарегистрирован: 21.07.2012 Сообщения: 1613 Откуда: Тернопіль
Авто: Peugeot Expert 2.0 HDi 80кВт Long
|
Добавлено: Вт Дек 31, 2013 18:18 Заголовок сообщения: |
|
|
Николай Николаевич
не кіпишуй,.... це ж я писав як приклад про свого Трафіка, щоб ти міг сообразити, що може бути.... в тебе може бути все просто... згоріла лампочка, а може бути і складніше....
1, ти сам зробиш
2, можеш і сам но краще на сто (не факт що вони згоріли)
3, ЕРГ - клапан рецеркуляції вихлопних газі, (він для екології, ще кажуть для зниження температури в камері згоряння, а також, щоб ти мав більше проблем, більше годості в впускному колекторі, і так далі), на діагностиці провірять
4, це в мене він на трафіку сам по собі заглушився тобто не відкриваєть і не пускає частину газів в впускний колектор, просто не робоча електрична частина, на скудо все по іншому, так що не бери близько до серця
... а продавці завжди перебільшують, тим більше коли говорять, що ідеал, безсовісно вруть, ....
|
|
| Вернуться к началу |
|
 |
Николай Николаевич Италофан


Возраст: 53 Знак зодиака:  Зарегистрирован: 30.12.2013 Сообщения: 177 Откуда: Кременчуг
Авто: Fiat Scudo 2.0 2008 2.0 Multijet 16V 120CV 88KW
|
Добавлено: Вт Дек 31, 2013 19:32 Заголовок сообщения: |
|
|
| Freedom писал(а): |
3, ЕРГ - клапан рецеркуляції вихлопних газі, (він для екології, ще кажуть для зниження температури в камері згоряння, а також, щоб ти мав більше проблем, більше годості в впускному колекторі, і так далі), на діагностиці провірять. |
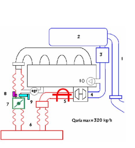
клапан EGR я так понимаю для открытия при более 2000т/об/мин двигателя, для подачи отработанных газов из турбины в впускной коллектор.
Исходя из этого, делаю вывод, что EGR работает, так как ощущаю явное ускорение после 2000 т/об/мин. Мои мысли правильны?
| Описание: |
|
| Размер: |
51.72 KB |
| Просмотрено: |
178 раз(а) |

|
| Описание: |
|
| Размер: |
42.14 KB |
| Просмотрено: |
173 раз(а) |

|
|
|
| Вернуться к началу |
|
 |
Freedom Италоманьячище


Возраст: 42 Знак зодиака:  Зарегистрирован: 21.07.2012 Сообщения: 1613 Откуда: Тернопіль
Авто: Peugeot Expert 2.0 HDi 80кВт Long
|
Добавлено: Вт Дек 31, 2013 20:31 Заголовок сообщения: |
|
|
не зовсім, на різних авто система ерг, працює по різному. і не тільки з 2000 обр, і прискориню ця система а ж ніяк не помагає
В системе рециркуляции отработавших газов с электронным управлением всем процессом управляет электронный блок управления двигателя, который на основании сигналов с датчика температуры двигателя, положения дроссельной заслонки, датчика давления во впускном коллекторе и т.д.(на разных системах используются сигналы с разных датчиков), управляет клапаном EGR, подбирая необходимое пропускное сечение клапана необходимое при данном режиме нагрузки.
|
|
| Вернуться к началу |
|
 |
Николай Николаевич Италофан


Возраст: 53 Знак зодиака:  Зарегистрирован: 30.12.2013 Сообщения: 177 Откуда: Кременчуг
Авто: Fiat Scudo 2.0 2008 2.0 Multijet 16V 120CV 88KW
|
Добавлено: Чт Янв 02, 2014 20:58 Заголовок сообщения: |
|
|
| Freedom писал(а): | Николай Николаевич
спіраль має горіти хоча б секунду,... поміняю, машина без нього робить добре і розхід в межах параметрів |
Думаю все в порядке, на холодную спираль загорается где-то на секунду, а на горячую (что и ввело меня в панику) спираль вообще не горит.
|
|
| Вернуться к началу |
|
 |
ariia1984 Италолюбитель


Возраст: 56 Знак зодиака:  Зарегистрирован: 13.05.2013 Сообщения: 70 Откуда: Чернигов
Авто: fiat scudo 2,0 jtd 2005г. 95л,с
|
Добавлено: Пт Янв 03, 2014 18:04 Заголовок сообщения: |
|
|
| тоже горит секунду, и заводится нормально.
|
|
| Вернуться к началу |
|
 |
jdev-house Гость
|
Добавлено: Пт Янв 03, 2014 20:17 Заголовок сообщения: |
|
|
В прошлом году, помню, было -28 градусов мороза.. Думал не заведётся.. Но я ошибался.. Завелась без проблем.. Помню, а ж настроение поднялось..
|
|
| Вернуться к началу |
|
 |
Николай Николаевич Италофан


Возраст: 53 Знак зодиака:  Зарегистрирован: 30.12.2013 Сообщения: 177 Откуда: Кременчуг
Авто: Fiat Scudo 2.0 2008 2.0 Multijet 16V 120CV 88KW
|
Добавлено: Пт Янв 03, 2014 21:14 Заголовок сообщения: |
|
|
| jdev-house писал(а): | В прошлом году, помню, было -28 градусов мороза.. ..  |
я не представляю как и сколько по времени в такой минус прогревать двигатель, чтоб хотя бы стекла отогреть (это будет первая моя зима на дизеле)
|
|
| Вернуться к началу |
|
 |
andriy-qj Италофан


Возраст: 45 Знак зодиака:  Зарегистрирован: 18.11.2011 Сообщения: 245 Откуда: Тернопіль
Авто: Fiat Scudo 2.0 jtd
|
Добавлено: Пт Янв 03, 2014 22:08 Заголовок сообщения: |
|
|
| На холостих при -28 прогріти не вийде ,10-15хв зачекате(щоб серце не боліло) ,масло розігнало і сцепленням побавитись прийдеться і помаленько без великих обертів можна їхати.При таких морозах дешевше кума покликати і посдіти вдома)).
|
|
| Вернуться к началу |
|
 |
|
|
Вы не можете начинать темы Вы не можете отвечать на сообщения Вы не можете редактировать свои сообщения Вы не можете удалять свои сообщения Вы не можете голосовать в опросах Вы не можете присоединять файлы в этом форуме Вы можете скачивать файлы в этом форуме
|
Powered by phpBB © 2001, 2005 phpBB Group
|