Сайт Українського клуба фанів FIAT Український клуб фанів FIAT / CLUB UCRAINO TIFOSO DELLA FIAT

 
ФотогалереяФотогалерея   FAQFAQ   ПоискПоиск   ПользователиПользователи   ГруппыГруппы   РегистрацияРегистрация 
 ПрофильПрофиль   Войти и проверить личные сообщенияВойти и проверить личные сообщения   ВходВход 

Замена сайленблоков рычага передней подвески.
На страницу Пред.  1, 2, 3, 4, 5, 6, 7  След.
 
Начать новую тему   Ответить на тему    Список форумов Український клуб фанів FIAT / CLUB UCRAINO TIFOSO DELLA FIAT -> FIAT Tipo, FIAT Tempra
Предыдущая тема :: Следующая тема  
Автор Сообщение
Aleksys82
Италофан


Италофан

Возраст: 44
Знак зодиака: Рыбы
Зарегистрирован: 23.06.2010
Сообщения: 206
Откуда: Russia, Bryansk

Авто: Tipo 1.4 cаrb '89

СообщениеДобавлено: Пн Окт 07, 2013 08:26    Заголовок сообщения: Ответить с цитатой

Aleks, она самая
Вернуться к началу
Посмотреть профиль Отправить личное сообщение
Qstas
Италоманьячище


Италоманьячище

Возраст: 40
Знак зодиака: Дева
Зарегистрирован: 22.03.2007
Сообщения: 8301
Откуда: Хануд

Авто: Fiat Tipo 1.7D. Scudo 1.9TD

СообщениеДобавлено: Пн Окт 07, 2013 16:57    Заголовок сообщения: Ответить с цитатой

Продолжение Very Happy


СВ1.JPG
 Описание:
 Размер:  335.93 KB
 Просмотрено:  339 раз(а)

СВ1.JPG



РЕ1.JPG
 Описание:
 Размер:  433.29 KB
 Просмотрено:  354 раз(а)

РЕ1.JPG



СВ2.JPG
 Описание:
 Размер:  483.09 KB
 Просмотрено:  331 раз(а)

СВ2.JPG



СВ3.JPG
 Описание:
 Размер:  417.52 KB
 Просмотрено:  327 раз(а)

СВ3.JPG



_________________
«Никогда не спорьте с идиотами. Вы опуститесь до их уровня, где они вас задавят своим опытом..»
Марк Твен
Вернуться к началу
Посмотреть профиль Отправить личное сообщение
DRAGON
Италоманьячище


Италоманьячище

Возраст: 36
Знак зодиака: Стрелец
Зарегистрирован: 11.03.2009
Сообщения: 3211
Откуда: Кривой Рог

Авто: ВАЗ 2115

СообщениеДобавлено: Пн Окт 07, 2013 17:33    Заголовок сообщения: Ответить с цитатой

Qstas

Не страшно что может отвалиться шток на котором будет сайлент?

_________________
Никогда не бойся делать то, что не умеешь. Помни, ковчег был построен любителем. Профессионалы построили “Титаник”.
Вернуться к началу
Посмотреть профиль Отправить личное сообщение Отправить e-mail
Qstas
Италоманьячище


Италоманьячище

Возраст: 40
Знак зодиака: Дева
Зарегистрирован: 22.03.2007
Сообщения: 8301
Откуда: Хануд

Авто: Fiat Tipo 1.7D. Scudo 1.9TD

СообщениеДобавлено: Пн Окт 07, 2013 19:06    Заголовок сообщения: Ответить с цитатой

Задействовано 2см. из 5-и


th.gif
 Описание:
 Размер:  60.18 KB
 Просмотрено:  358 раз(а)

th.gif



_________________
«Никогда не спорьте с идиотами. Вы опуститесь до их уровня, где они вас задавят своим опытом..»
Марк Твен
Вернуться к началу
Посмотреть профиль Отправить личное сообщение
Андрей К
Италоманьячище


Италоманьячище

Возраст: 53
Знак зодиака: Стрелец
Зарегистрирован: 19.06.2006
Сообщения: 6990
Откуда: Кривой Рог

Авто: Tempra 1.9TDs DGT & AR145TD (когда-то Uno D & "зубило")

СообщениеДобавлено: Пн Окт 07, 2013 19:08    Заголовок сообщения: Ответить с цитатой

DRAGON
Расслабься, не трепи себе нервы, пусть у топикастера голова болит. Обернет у него сайленты, да и все.

_________________
Вернуться к началу
Посмотреть профиль Отправить личное сообщение Отправить e-mail
DRAGON
Италоманьячище


Италоманьячище

Возраст: 36
Знак зодиака: Стрелец
Зарегистрирован: 11.03.2009
Сообщения: 3211
Откуда: Кривой Рог

Авто: ВАЗ 2115

СообщениеДобавлено: Пн Окт 07, 2013 19:18    Заголовок сообщения: Ответить с цитатой

Андрей К
Та просто интересны последствия.

_________________
Никогда не бойся делать то, что не умеешь. Помни, ковчег был построен любителем. Профессионалы построили “Титаник”.
Вернуться к началу
Посмотреть профиль Отправить личное сообщение Отправить e-mail
Qstas
Италоманьячище


Италоманьячище

Возраст: 40
Знак зодиака: Дева
Зарегистрирован: 22.03.2007
Сообщения: 8301
Откуда: Хануд

Авто: Fiat Tipo 1.7D. Scudo 1.9TD

СообщениеДобавлено: Пн Окт 07, 2013 19:45    Заголовок сообщения: Ответить с цитатой

"Последствия" постараюсь оглашать. (какими бы они небыли) Very Happy
_________________
«Никогда не спорьте с идиотами. Вы опуститесь до их уровня, где они вас задавят своим опытом..»
Марк Твен
Вернуться к началу
Посмотреть профиль Отправить личное сообщение
Croma
Италоманьячище


Италоманьячище

Возраст: 68
Знак зодиака: Овен
Зарегистрирован: 30.11.2009
Сообщения: 6091
Откуда: Окупированный Харьков

Авто: Fiat Croma TURBO IE

СообщениеДобавлено: Пн Окт 07, 2013 19:53    Заголовок сообщения: Ответить с цитатой

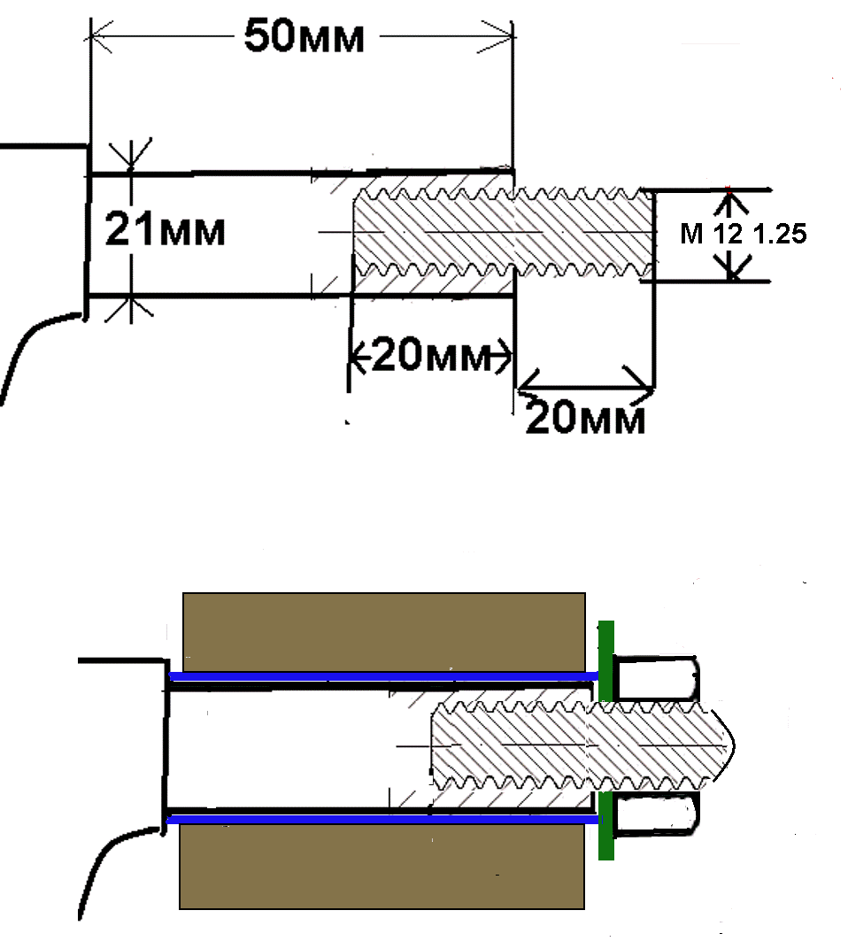
Так идею Qstas Ruville подкинул.
И значит такое массово применяеться.
И если бы Там кто убился то Ruville бы разорился. Laughing
Все вопросы и замечания сюда.
http://www.ruville.de/ru/

Методических ошибок в реализации не обнаруженно.
Шпилька - правильное решение.

Так что все будет в порядке.
Затяжка сайлента гайкой применяеться на Жигуле и так же задний
сайлент на Кроме. На Кроме там вообще гаечка М10х1.25

"наконец то итольянцы додумались какие надо делать рычаги!!"
А чего там думать.
Купили на беушке с Корсы и "уточнили" размеры. Laughing
http://opel-parts.com.ua/oldautoparts/richag_peredniy.part.74.category.10
Вернуться к началу
Посмотреть профиль Отправить личное сообщение
sheriff
Италоманьячище


Италоманьячище

Возраст: 49
Знак зодиака: Дева
Зарегистрирован: 17.01.2010
Сообщения: 2049
Откуда: Украина северодонецк

Авто: были фиаты теперь немец

СообщениеДобавлено: Пн Окт 07, 2013 20:02    Заголовок сообщения: Ответить с цитатой

Qstas,идея неплохая,дай Бог чтоб вышло но...идея твоя затянуть сайлент на нагруженой подвеске имееи право на жизнь да только не затянеш ты его таким способом...все равно он сместится так как не сидит жестко на рычаге,как минимум разобьет внутреннюю втулку и будет гепать на ямах,плюс сама резина оборвется так как сайлент жеской посадки не имеет,ну все это теория в любом случае ты молодец что пытаешся победить эту проблему,ждем результаты ходовых испытаний,действуй мы тебя поддерживаем морально Wink
Вернуться к началу
Посмотреть профиль Отправить личное сообщение
DRAGON
Италоманьячище


Италоманьячище

Возраст: 36
Знак зодиака: Стрелец
Зарегистрирован: 11.03.2009
Сообщения: 3211
Откуда: Кривой Рог

Авто: ВАЗ 2115

СообщениеДобавлено: Пн Окт 07, 2013 20:09    Заголовок сообщения: Ответить с цитатой

Блин. Я не знаю.
Объясните мне, какой смысл с этим заморачиваться?
Чем вам не нравятся рычаги в стандарте?

_________________
Никогда не бойся делать то, что не умеешь. Помни, ковчег был построен любителем. Профессионалы построили “Титаник”.
Вернуться к началу
Посмотреть профиль Отправить личное сообщение Отправить e-mail
Qstas
Италоманьячище


Италоманьячище

Возраст: 40
Знак зодиака: Дева
Зарегистрирован: 22.03.2007
Сообщения: 8301
Откуда: Хануд

Авто: Fiat Tipo 1.7D. Scudo 1.9TD

СообщениеДобавлено: Пн Окт 07, 2013 20:18    Заголовок сообщения: Ответить с цитатой

DRAGON
Цитата:
Объясните мне, какой смысл с этим заморачиваться?

Прочти внимательно тему. Very Happy
Croma
sheriff
Благодарю за поддержку. Drinks or Beer

Испытание в тисках пока радуют.
Гайка зажата с усилием 8 кг.
Втулка сидит мёртво рычаг "играет" на сайленте. примерно в нужном диапазоне.



Г1.JPG
 Описание:
 Размер:  491.79 KB
 Просмотрено:  360 раз(а)

Г1.JPG



_________________
«Никогда не спорьте с идиотами. Вы опуститесь до их уровня, где они вас задавят своим опытом..»
Марк Твен
Вернуться к началу
Посмотреть профиль Отправить личное сообщение
Aleksys82
Италофан


Италофан

Возраст: 44
Знак зодиака: Рыбы
Зарегистрирован: 23.06.2010
Сообщения: 206
Откуда: Russia, Bryansk

Авто: Tipo 1.4 cаrb '89

СообщениеДобавлено: Пн Окт 07, 2013 21:37    Заголовок сообщения: Ответить с цитатой

А я тоже думаю, что это глупость. И пример с задним сайлентом в тазах не в тему, ибо он другой конструкции и работает в другой плоскости
Вернуться к началу
Посмотреть профиль Отправить личное сообщение
A-Lex
Италоманьячище


Италоманьячище

Возраст: 42
Знак зодиака: Рыбы
Зарегистрирован: 16.05.2007
Сообщения: 4598
Откуда: Хмельницкий

Авто: Был Типа Фиат 2.0 i.e. 8v, теперь Jeep Grand Cherokee ZJ 4.0i l6 1994г.в.

СообщениеДобавлено: Пн Окт 07, 2013 21:54    Заголовок сообщения: Ответить с цитатой

Согласен с sheriff, что зажать сайлент так, чтоб его не проворачивало, оч. сложно Confused
Кстати, в полиуретановых сайлентах Powerflex нет жесткой посадки, но полиретан сам по себе более стойкий к износу чем резина.
http://www.powerflex.co.uk/road-series/product-details/Front+Lower+Wishbone+Front+Bush/89.html
Вернуться к началу
Посмотреть профиль Отправить личное сообщение
=aleks=
Италоманьячище


Италоманьячище

Возраст: 49
Знак зодиака: Лев
Зарегистрирован: 06.10.2009
Сообщения: 8633
Откуда: Харьков

Авто: была Tempra2.0 теперьTоyota carina-e 93 1.6

СообщениеДобавлено: Пн Окт 07, 2013 23:37    Заголовок сообщения: Ответить с цитатой

A-Lex писал(а):
Согласен с sheriff, что зажать сайлент так, чтоб его не проворачивало, оч. сложно Confused
Кстати, в полиуретановых сайлентах Powerflex нет жесткой посадки, но полиретан сам по себе более стойкий к износу чем резина.
http://www.powerflex.co.uk/road-series/product-details/Front+Lower+Wishbone+Front+Bush/89.html

страно!!но почему то у меня в тойоте зажимается!!!

_________________
Бортовик Темпра
Вернуться к началу
Посмотреть профиль Отправить личное сообщение
AndrewR
Италоманьячище


Италоманьячище

Возраст: 52
Знак зодиака: Водолей
Зарегистрирован: 18.03.2013
Сообщения: 1812
Откуда: Диканька

Авто: Tipo 1.6 '88 (149C2.046, GM Delco SPI, пропан-2)

СообщениеДобавлено: Пн Окт 07, 2013 23:48    Заголовок сообщения: Ответить с цитатой

Qstas писал(а):
Гайка зажата с усилием 8 кг.
На "Волге" подобная конструкция зажимается с усилием в 20 кг, а резины там - в четыре раза больше.
Вернуться к началу
Посмотреть профиль Отправить личное сообщение
Показать сообщения:   
Начать новую тему   Ответить на тему    Список форумов Український клуб фанів FIAT / CLUB UCRAINO TIFOSO DELLA FIAT -> FIAT Tipo, FIAT Tempra Часовой пояс: GMT + 3
На страницу Пред.  1, 2, 3, 4, 5, 6, 7  След.
Страница 2 из 7

 
Перейти:  
Вы не можете начинать темы
Вы не можете отвечать на сообщения
Вы не можете редактировать свои сообщения
Вы не можете удалять свои сообщения
Вы не можете голосовать в опросах
Вы не можете присоединять файлы в этом форуме
Вы можете скачивать файлы в этом форуме






Powered by phpBB © 2001, 2005 phpBB Group
З питань розміщення реклами писати на цю адресу