Сайт Українського клуба фанів FIAT Український клуб фанів FIAT / CLUB UCRAINO TIFOSO DELLA FIAT

 
ФотогалереяФотогалерея   FAQFAQ   ПоискПоиск   ПользователиПользователи   ГруппыГруппы   РегистрацияРегистрация 
 ПрофильПрофиль   Войти и проверить личные сообщенияВойти и проверить личные сообщения   ВходВход 

Разные вопросы по Scudo
На страницу Пред.  1, 2, 3 ... 102, 103, 104 ... 285, 286, 287  След.
 
Начать новую тему   Ответить на тему    Список форумов Український клуб фанів FIAT / CLUB UCRAINO TIFOSO DELLA FIAT -> Мінівени, мікроавтобуси (FIAT Scudo, FIAT Ducato, FIAT Ulysse)
Предыдущая тема :: Следующая тема  
Автор Сообщение
Freedom
Италоманьячище


Италоманьячище

Возраст: 42
Знак зодиака: Водолей
Зарегистрирован: 21.07.2012
Сообщения: 1613
Откуда: Тернопіль

Авто: Peugeot Expert 2.0 HDi 80кВт Long

СообщениеДобавлено: Вт Янв 29, 2013 12:36    Заголовок сообщения: Ответить с цитатой

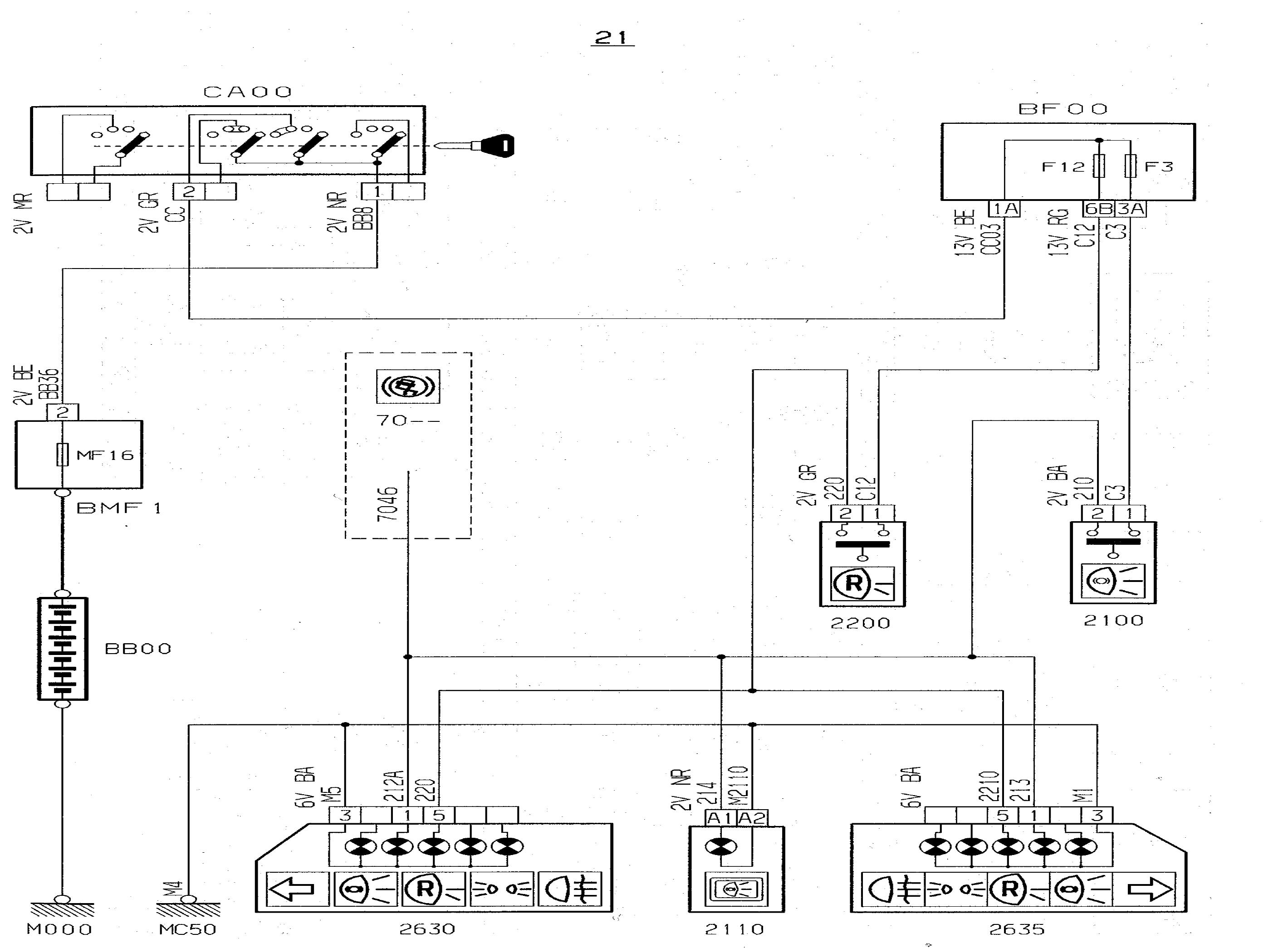
andri
з якої книжки дані
Вернуться к началу
Посмотреть профиль Отправить личное сообщение
andri
Amico


Amico

Возраст: 53
Знак зодиака: Козерог
Зарегистрирован: 29.01.2012
Сообщения: 28
Откуда: франковск

Авто: fiat scudo 1.9D DW8

СообщениеДобавлено: Вт Янв 29, 2013 13:20    Заголовок сообщения: Ответить с цитатой

Freedom писал(а):
andri
з якої книжки дані
Незнаю з якої. Найшов дані тут на форумі.
Вернуться к началу
Посмотреть профиль Отправить личное сообщение Посетить сайт автора AIM Address
Женя 1982
Amico


Amico

Возраст: 43
Знак зодиака: Лев
Зарегистрирован: 09.01.2013
Сообщения: 45
Откуда: Ратне

Авто: Фиат Скудо 2005

СообщениеДобавлено: Вт Янв 29, 2013 15:48    Заголовок сообщения: Ответить с цитатой

Я так і не зміг найти так звану "Жабу" на Фіат Скудо 2005 року. Підскажіть де вона чи можу її знайти і добратись з під капоту чи потрібно залазити під низ чи їхати на підйомник, все тому що у мене не горять фонарі заднього ходу при включанні задньої передачі. Хелп....
Вернуться к началу
Посмотреть профиль Отправить личное сообщение Отправить e-mail
alex-lv
Италоманьячище


Италоманьячище

Возраст: 30
Знак зодиака: Дева
Зарегистрирован: 14.09.2009
Сообщения: 1306
Откуда: Львів

Авто: продано

СообщениеДобавлено: Вт Янв 29, 2013 17:24    Заголовок сообщения: Ответить с цитатой

Женя 1982 писал(а):
Я так і не зміг найти так звану "Жабу"

Потрібно зняти корпус повітряного фільтра, під ним на коробці, підхофить фішка, два дроти 2200 .
Hi



st.JPG
 Описание:
 Размер:  66.67 KB
 Просмотрено:  231 раз(а)

st.JPG



stop.JPG
 Описание:
 Размер:  400.97 KB
 Просмотрено:  245 раз(а)

stop.JPG



_________________
0б77бб9119
Вернуться к началу
Посмотреть профиль Отправить личное сообщение
dmitriy_cn
Италофан


Италофан

Возраст: 43
Знак зодиака: Козерог
Зарегистрирован: 04.12.2012
Сообщения: 220
Откуда: УКРАЇНА, ЧЕРНІГІВ

Авто: Fiat Scudo maxi, 2.0JTD, 69kW (94 к.с.) 2003

СообщениеДобавлено: Ср Янв 30, 2013 10:56    Заголовок сообщения: Ответить с цитатой

Хочу заменить задний ряд сидений.
Сейчас установлены 3 сидения от какой-то старой Ауди привареные к металлической раме, но они очень туго входят, обдираютобшивку салона. Ширина сваренных сидений 147см. На что их можно заменить, чтоб не драли обшивку, легко вынимались и были удобными.
Вернуться к началу
Посмотреть профиль Отправить личное сообщение
polikv
Италофан


Италофан

Возраст: 44
Знак зодиака: Весы
Зарегистрирован: 15.11.2011
Сообщения: 111
Откуда: Бердичев

Авто: peugeot expert 2000 1,9D

СообщениеДобавлено: Ср Янв 30, 2013 11:52    Заголовок сообщения: Ответить с цитатой

В батька від Opel Zafira стоїть диван
Вернуться к началу
Посмотреть профиль Отправить личное сообщение
Leshenko1977@bk.ru
Италолюбитель


Италолюбитель

Возраст: 49
Знак зодиака: Водолей
Зарегистрирован: 12.10.2011
Сообщения: 84
Откуда: Крым

Авто: Fiat Scudo 1.9 т.д

СообщениеДобавлено: Ср Янв 30, 2013 15:18    Заголовок сообщения: Ответить с цитатой

у меня стоят родные,лучше не придумаеш.звони по разборкам,найдеш все.
Вернуться к началу
Посмотреть профиль Отправить личное сообщение Отправить e-mail
Sirko
Италолюбитель


Италолюбитель

Возраст: 41
Знак зодиака: Рак
Зарегистрирован: 13.07.2012
Сообщения: 87
Откуда: Ровно

Авто: Fiat Scudo 1.9d

СообщениеДобавлено: Ср Янв 30, 2013 15:53    Заголовок сообщения: Ответить с цитатой

Опишіть, будь ласка, коротко, що потрібно знімати, щоб замінити підлогу під водійським та пасажирським сидіннями на Скудо в старому кузові, може є якісь нюанси. Наперед дуууже вдячний! Drinks or Beer
Вернуться к началу
Посмотреть профиль Отправить личное сообщение
andriy-qj
Италофан


Италофан

Возраст: 46
Знак зодиака: Овен
Зарегистрирован: 18.11.2011
Сообщения: 245
Откуда: Тернопіль

Авто: Fiat Scudo 2.0 jtd

СообщениеДобавлено: Ср Янв 30, 2013 18:17    Заголовок сообщения: Ответить с цитатой

dmitriy_cn писал(а):
Хочу заменить задний ряд сидений.
Сейчас установлены 3 сидения от какой-то старой Ауди привареные к металлической раме, но они очень туго входят, обдираютобшивку салона. Ширина сваренных сидений 147см. На что их можно заменить, чтоб не драли обшивку, легко вынимались и были удобными.


Саме краще поставити на третій ряд диван від оригінального паса.
Вернуться к началу
Посмотреть профиль Отправить личное сообщение Отправить e-mail
sl-k
Италолюбитель


Италолюбитель

Возраст: 52
Знак зодиака: Стрелец
Зарегистрирован: 15.10.2012
Сообщения: 96
Откуда: Хмельницкая область

Авто: Peugeot Expert 2.0 HDI 69kw 2006 г.в.

СообщениеДобавлено: Ср Янв 30, 2013 19:45    Заголовок сообщения: Ответить с цитатой

В мене стоять три ось такі:




Трансформери, наклон спинки змінюється, відкидаються вперед, їздять на салазках взад-вперед, легким рухом руки повністю знімаються. З якої машини не скажу, з такими вже купив (хто знає - підскажіть, самому цікаво).
Вважаю такий варіант практичніше оригінального.
Вернуться к началу
Посмотреть профиль Отправить личное сообщение
SabitofF
Италомафиози


Италомафиози

Возраст: 38
Знак зодиака: Стрелец
Зарегистрирован: 27.06.2012
Сообщения: 545
Откуда: Винница

Авто: Citroen Jumpy 2005 г.в., 1.9TD, Bosch

СообщениеДобавлено: Ср Янв 30, 2013 21:21    Заголовок сообщения: Ответить с цитатой

нодскажите номерок скобы передних тормозных колодок. А то лопнула эта скоба и на ямах очень сильно колодки стучат
_________________
Коняга Виталик
+38 (066) 161-10-91
Вернуться к началу
Посмотреть профиль Отправить личное сообщение Посетить сайт автора
teofil
Италомафиози


Италомафиози

Возраст: 57
Знак зодиака: Овен
Зарегистрирован: 31.12.2011
Сообщения: 596
Откуда: Львів

Авто: Scudo SX 2.0JTD 8v 80kW 2006

СообщениеДобавлено: Чт Янв 31, 2013 00:10    Заголовок сообщения: Ответить с цитатой

SabitofF писал(а):
нодскажите номерок скобы передних тормозных колодок. А то лопнула эта скоба и на ямах очень сильно колодки стучат

Подивись на 2004-2006 роки: http://fiatonline.com.ua/home.html?page=shop.browse&category_id=437104

Просто гальма можуть бути кількох фірм...
На малюнках нижче коди для Жумпі.



366.GIF
 Описание:
 Размер:  247.81 KB
 Просмотрено:  362 раз(а)

366.GIF



365.GIF
 Описание:
 Размер:  203.98 KB
 Просмотрено:  260 раз(а)

365.GIF



364.GIF
 Описание:
 Размер:  217.17 KB
 Просмотрено:  216 раз(а)

364.GIF


Вернуться к началу
Посмотреть профиль Отправить личное сообщение
SabitofF
Италомафиози


Италомафиози

Возраст: 38
Знак зодиака: Стрелец
Зарегистрирован: 27.06.2012
Сообщения: 545
Откуда: Винница

Авто: Citroen Jumpy 2005 г.в., 1.9TD, Bosch

СообщениеДобавлено: Чт Янв 31, 2013 00:44    Заголовок сообщения: Ответить с цитатой

спасибо, но так и не смог найти((
_________________
Коняга Виталик
+38 (066) 161-10-91
Вернуться к началу
Посмотреть профиль Отправить личное сообщение Посетить сайт автора
T-pok
Италофан


Италофан

Возраст: 40
Знак зодиака: Рыбы
Зарегистрирован: 29.08.2011
Сообщения: 160
Откуда: Луцк

Авто: Peugeot Expert 1.9D(XUD9)Продан

СообщениеДобавлено: Чт Янв 31, 2013 03:46    Заголовок сообщения: Ответить с цитатой

Sirko писал(а):
Опишіть, будь ласка, коротко, що потрібно знімати, щоб замінити підлогу під водійським та пасажирським сидіннями на Скудо в старому кузові, може є якісь нюанси. Наперед дуууже вдячний! Drinks or Beer

Декоративні накладки,пічку-всього не памятаю -давно з товаришем знімали на оригінальному пасажирі(трохи намучились) Shock

_________________
Радуйся жизни,если получается
Вернуться к началу
Посмотреть профиль Отправить личное сообщение Посетить сайт автора AIM Address Yahoo Messenger MSN Messenger
Sirko
Италолюбитель


Италолюбитель

Возраст: 41
Знак зодиака: Рак
Зарегистрирован: 13.07.2012
Сообщения: 87
Откуда: Ровно

Авто: Fiat Scudo 1.9d

СообщениеДобавлено: Чт Янв 31, 2013 10:47    Заголовок сообщения: Ответить с цитатой

T-pok - дякую! Drinks or Beer
Вернуться к началу
Посмотреть профиль Отправить личное сообщение
Показать сообщения:   
Начать новую тему   Ответить на тему    Список форумов Український клуб фанів FIAT / CLUB UCRAINO TIFOSO DELLA FIAT -> Мінівени, мікроавтобуси (FIAT Scudo, FIAT Ducato, FIAT Ulysse) Часовой пояс: GMT + 3
На страницу Пред.  1, 2, 3 ... 102, 103, 104 ... 285, 286, 287  След.
Страница 103 из 287

 
Перейти:  
Вы не можете начинать темы
Вы не можете отвечать на сообщения
Вы не можете редактировать свои сообщения
Вы не можете удалять свои сообщения
Вы не можете голосовать в опросах
Вы не можете присоединять файлы в этом форуме
Вы можете скачивать файлы в этом форуме






Powered by phpBB © 2001, 2005 phpBB Group
З питань розміщення реклами писати на цю адресу