ОК! Бл...дь! Вчера заглушил, заводить через пять минут, а хера, всё таже песня, форса не срабатывает, насос не включается. Шо за твою мать............... _________________
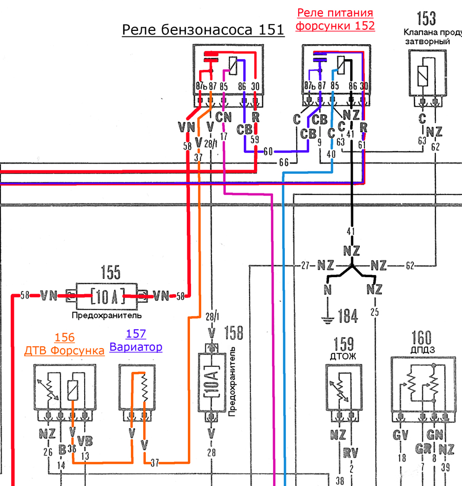
До ковырялся.Согласно схемы, на релюху бензонасоса, на 85-ю ногу (электромагнитную катушку, что смыкает контакты) минус приходит с компа и его, зараза, нет. Ни у кого нет никаких соображений? _________________
Ребята, подскажите, откуда начинать считать ноги на разъеме ЭБУ, провод со стороны руки. Чё-т я запамятовал. Прошу прощения за резкость, но, сдается, понятно.
_________________ Fiat Tipo 1.4 i.e. (160A1046) DGT 90 г.в. Продан. Разбит новой хозяйкой Восстановлен!!! Перепродан другой хозяйке. Убит... Мне так его жаль!
Слушай, а сопротивление на форсунку живое? _________________ Fiat Tipo 1.4 i.e. (160A1046) DGT 90 г.в. Продан. Разбит новой хозяйкой Восстановлен!!! Перепродан другой хозяйке. Убит... Мне так его жаль!
Так тут же ж как, согласно схеме, плюс на резистор, а потом и на форсу подается с релюхи бензонасоса, т.е., после того как сомкнутся контакты в релюхе БН, а контакты то в релюхе и не смыкаются, потому что на электромагнит не подается минус с компа. _________________
Нет, нижний. Terminal Side - со стороны блока, Wire Side - со стороны жгута
naskul777 писал(а):
...а контакты то в релюхе и не смыкаются, потому что на электромагнит не подается минус с компа.
Ну да, ступил чё-то _________________ Fiat Tipo 1.4 i.e. (160A1046) DGT 90 г.в. Продан. Разбит новой хозяйкой Восстановлен!!! Перепродан другой хозяйке. Убит... Мне так его жаль!
Да понял, я, понял Говорю ж - ступил. Работы сегодня много было... _________________ Fiat Tipo 1.4 i.e. (160A1046) DGT 90 г.в. Продан. Разбит новой хозяйкой Восстановлен!!! Перепродан другой хозяйке. Убит... Мне так его жаль!
Да это я сказал к тому, что спасибо тебе за схему.
ай, да нема за шо _________________ Fiat Tipo 1.4 i.e. (160A1046) DGT 90 г.в. Продан. Разбит новой хозяйкой Восстановлен!!! Перепродан другой хозяйке. Убит... Мне так его жаль!
Вы не можете начинать темы Вы не можете отвечать на сообщения Вы не можете редактировать свои сообщения Вы не можете удалять свои сообщения Вы не можете голосовать в опросах Вы не можете присоединять файлы в этом форуме Вы можете скачивать файлы в этом форуме