 |
Український клуб фанів FIAT / CLUB UCRAINO TIFOSO DELLA FIAT
|
 |
| Предыдущая тема :: Следующая тема |
| Автор |
Сообщение |
Bally Италофан

Возраст: 52 Знак зодиака:  Зарегистрирован: 20.09.2011 Сообщения: 191 Откуда: Человек планеты Земля
Авто: Fiat scudo(1997г.)1,9дизель,пассажирский!
|
|
| Вернуться к началу |
|
 |
alex-lv Италоманьячище


Возраст: 30 Знак зодиака:  Зарегистрирован: 14.09.2009 Сообщения: 1306 Откуда: Львів
Авто: продано
|
|
| Вернуться к началу |
|
 |
7595045 Италомафиози


Возраст: 49 Знак зодиака:  Зарегистрирован: 10.10.2011 Сообщения: 765 Откуда: Ровно
Авто: CITROEN JUMPI 1.6I CNG ,98 г.в/FIAT SCUDO 220L(2.0 16V) LPG 2003 г.в.
|
Добавлено: Вс Дек 04, 2011 04:08 Заголовок сообщения: |
|
|
у меня ситроен был с такой штуковиной....пригнали и сразу сняли...хороший кармашек для сигарет получился..
|
|
| Вернуться к началу |
|
 |
Андрей К Италоманьячище


Возраст: 53 Знак зодиака:  Зарегистрирован: 19.06.2006 Сообщения: 6990 Откуда: Кривой Рог
Авто: Tempra 1.9TDs DGT & AR145TD (когда-то Uno D & "зубило")
|
Добавлено: Вс Дек 04, 2011 10:11 Заголовок сообщения: |
|
|
Дык там и есть махонькая полочка если этой дури нет.
_________________
 |
|
| Вернуться к началу |
|
 |
Bally Италофан

Возраст: 52 Знак зодиака:  Зарегистрирован: 20.09.2011 Сообщения: 191 Откуда: Человек планеты Земля
Авто: Fiat scudo(1997г.)1,9дизель,пассажирский!
|
Добавлено: Вс Дек 04, 2011 12:03 Заголовок сообщения: |
|
|
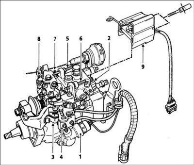
а какой из них на схеме? ЭТОТ?
А КАК ЕЁ РАЗОБРАТЬ?
КАК СНЯТЬ?
| Описание: |
|
| Размер: |
49.74 KB |
| Просмотрено: |
564 раз(а) |

|
_________________ Здавайтесь,нас Орда!
А,нас Рать) |
|
| Вернуться к началу |
|
 |
Bally Италофан

Возраст: 52 Знак зодиака:  Зарегистрирован: 20.09.2011 Сообщения: 191 Откуда: Человек планеты Земля
Авто: Fiat scudo(1997г.)1,9дизель,пассажирский!
|
Добавлено: Вс Дек 04, 2011 12:50 Заголовок сообщения: |
|
|
Спасибо за помощь всем!!!
Пока буду искать клапан..
Замены клапана будет достаточно?
Как разобрать эту хрень с кнопками и почистить контакты?
_________________ Здавайтесь,нас Орда!
А,нас Рать) |
|
| Вернуться к началу |
|
 |
alex-lv Италоманьячище


Возраст: 30 Знак зодиака:  Зарегистрирован: 14.09.2009 Сообщения: 1306 Откуда: Львів
Авто: продано
|
|
| Вернуться к началу |
|
 |
Bally Италофан

Возраст: 52 Знак зодиака:  Зарегистрирован: 20.09.2011 Сообщения: 191 Откуда: Человек планеты Земля
Авто: Fiat scudo(1997г.)1,9дизель,пассажирский!
|
Добавлено: Вс Дек 04, 2011 13:02 Заголовок сообщения: |
|
|
| 7595045 писал(а): | у меня ситроен был с такой штуковиной....пригнали и сразу сняли...хороший кармашек для сигарет получился..  |
как сняли? что отключали? как разобрали?
_________________ Здавайтесь,нас Орда!
А,нас Рать) |
|
| Вернуться к началу |
|
 |
Bally Италофан

Возраст: 52 Знак зодиака:  Зарегистрирован: 20.09.2011 Сообщения: 191 Откуда: Человек планеты Земля
Авто: Fiat scudo(1997г.)1,9дизель,пассажирский!
|
Добавлено: Вс Дек 04, 2011 13:04 Заголовок сообщения: |
|
|
| alex-lv писал(а): |
Насос хоть такой, или ЛУКАС ? Русский хоть и понимаю, ничего не разобрал, кроме КАК СНЯТЬ?
 |
сори)
насос Бош
а снять её как это Я про кнопочную фигню)
хочу разобрать протереть пока деталь не найду!
_________________ Здавайтесь,нас Орда!
А,нас Рать) |
|
| Вернуться к началу |
|
 |
Bally Италофан

Возраст: 52 Знак зодиака:  Зарегистрирован: 20.09.2011 Сообщения: 191 Откуда: Человек планеты Земля
Авто: Fiat scudo(1997г.)1,9дизель,пассажирский!
|
Добавлено: Вс Дек 04, 2011 15:50 Заголовок сообщения: |
|
|
как разобрать кнопочную хрень! пока тепло????
_________________ Здавайтесь,нас Орда!
А,нас Рать) |
|
| Вернуться к началу |
|
 |
7595045 Италомафиози


Возраст: 49 Знак зодиака:  Зарегистрирован: 10.10.2011 Сообщения: 765 Откуда: Ровно
Авто: CITROEN JUMPI 1.6I CNG ,98 г.в/FIAT SCUDO 220L(2.0 16V) LPG 2003 г.в.
|
Добавлено: Вс Дек 04, 2011 17:50 Заголовок сообщения: |
|
|
| снимали электрики....я не успел поучаствовать.......после них осталось пустое место...я ток на разборке купил кармашек.....
|
|
| Вернуться к началу |
|
 |
Bally Италофан

Возраст: 52 Знак зодиака:  Зарегистрирован: 20.09.2011 Сообщения: 191 Откуда: Человек планеты Земля
Авто: Fiat scudo(1997г.)1,9дизель,пассажирский!
|
Добавлено: Вс Дек 04, 2011 20:10 Заголовок сообщения: |
|
|
везука!
а у нас нет разборок по скудо!
после зимы к вам собираюсь по помойкам полазить))тюнингу набратся))
_________________ Здавайтесь,нас Орда!
А,нас Рать) |
|
| Вернуться к началу |
|
 |
sahavlad Италомафиози

Возраст: 66 Знак зодиака:  Зарегистрирован: 13.06.2011 Сообщения: 504 Откуда: ник обл
Авто: фиат скудо 2.0 jtd 03г.продал(жалею), купил Ситроен Джампер 05. WV T5 2005г.в. 1.9.
|
Добавлено: Вс Дек 04, 2011 20:20 Заголовок сообщения: |
|
|
ты уже один раз приезжал........
|
|
| Вернуться к началу |
|
 |
7595045 Италомафиози


Возраст: 49 Знак зодиака:  Зарегистрирован: 10.10.2011 Сообщения: 765 Откуда: Ровно
Авто: CITROEN JUMPI 1.6I CNG ,98 г.в/FIAT SCUDO 220L(2.0 16V) LPG 2003 г.в.
|
Добавлено: Вс Дек 04, 2011 20:50 Заголовок сообщения: |
|
|
ту тож как попадешь......если попадаешь в числе первых на свежий завоз-то что то урвешь хорошенького...уж ооочень много минивэнов в последнее время нарисовалось....
кстати готовая тема....окрывай разборку у себя...   :
|
|
| Вернуться к началу |
|
 |
Буба Италоманьячище


Возраст: 49 Знак зодиака:  Зарегистрирован: 05.07.2008 Сообщения: 2989 Откуда: Киев
Авто: Пежо 806 Эксперт.
|
Добавлено: Вс Дек 04, 2011 21:33 Заголовок сообщения: |
|
|
Я не заморачивался какой у меня бензонасос или еще какой трабл с этой штуковиной. Сделал следующее: Включил зажигание,ввел код,завел машину и втот момент когда машина работала,взял и НАХРЕН ВЫДРАЛ фишку от имобилайзера......... И вот уже два года не помню что такое постоянно тыкать по клавиатуре......... З.Ы. Можно канэшно поехать к электрыку и квалифицировано сей девайс отключить.Но помоему действия теже.......
_________________ Разборка вэнов Фиат Улис Скудо, Пежо 806 Эксперт Ситроэн Джампи Эвазион. 096 303 77 45 093 460 41 44 Александр. Ремонт КПП и АКПП. СТО. Ремот ходовой,двигателей. |
|
| Вернуться к началу |
|
 |
|
|
Вы не можете начинать темы Вы не можете отвечать на сообщения Вы не можете редактировать свои сообщения Вы не можете удалять свои сообщения Вы не можете голосовать в опросах Вы не можете присоединять файлы в этом форуме Вы можете скачивать файлы в этом форуме
|
Powered by phpBB © 2001, 2005 phpBB Group
|