Сайт Українського клуба фанів FIAT Український клуб фанів FIAT / CLUB UCRAINO TIFOSO DELLA FIAT

 
ФотогалереяФотогалерея   FAQFAQ   ПоискПоиск   ПользователиПользователи   ГруппыГруппы   РегистрацияРегистрация 
 ПрофильПрофиль   Войти и проверить личные сообщенияВойти и проверить личные сообщения   ВходВход 

замена головки блока
На страницу Пред.  1, 2
 
Начать новую тему   Ответить на тему    Список форумов Український клуб фанів FIAT / CLUB UCRAINO TIFOSO DELLA FIAT -> FIAT Tipo, FIAT Tempra
Предыдущая тема :: Следующая тема  
Автор Сообщение
sul58
Amico


Amico

Возраст: 44
Знак зодиака: Весы
Зарегистрирован: 29.08.2007
Сообщения: 13



СообщениеДобавлено: Ср Июн 18, 2008 23:04    Заголовок сообщения: Ответить с цитатой

какие должны быть зазоры на клапана
0.3 и 0,4
Вернуться к началу
Посмотреть профиль Отправить личное сообщение
ksv
Италоманьячище


Италоманьячище

Возраст: 47
Знак зодиака: Овен
Зарегистрирован: 21.09.2006
Сообщения: 3352
Откуда: Киев

Авто: Leaf 13 S+/Leaf 19 SV/Chrysler Pacifica 17 LX

СообщениеДобавлено: Чт Июн 19, 2008 08:51    Заголовок сообщения: Ответить с цитатой

1.8 2.0 двигатели
впуск 0.4 +-0,05
выпуск 0.5 +-0,05
Вернуться к началу
Посмотреть профиль Отправить личное сообщение
zardi215
Италофан


Италофан

Возраст: 46
Знак зодиака: Овен
Зарегистрирован: 13.04.2008
Сообщения: 134
Откуда: КРЕМЕНЧУГ, УКРАИНА

Авто: Peugeot 406 Coupe, ex -TIPO 2.0 16V

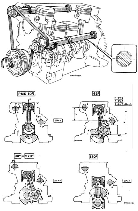
СообщениеДобавлено: Чт Июн 19, 2008 09:21    Заголовок сообщения: балансирные валы Ответить с цитатой

это ремни на 2.0 16кл, но балансиры думаю подобные


DSC01992.JPG
 Описание:
 Размер:  403.1 KB
 Просмотрено:  374 раз(а)

DSC01992.JPG



_________________
ДИМОН, www.zardi215.blogspot.com
Вернуться к началу
Посмотреть профиль Отправить личное сообщение
ksv
Италоманьячище


Италоманьячище

Возраст: 47
Знак зодиака: Овен
Зарегистрирован: 21.09.2006
Сообщения: 3352
Откуда: Киев

Авто: Leaf 13 S+/Leaf 19 SV/Chrysler Pacifica 17 LX

СообщениеДобавлено: Чт Июн 19, 2008 10:57    Заголовок сообщения: Ответить с цитатой

2.0 8v также (я по этой схеме ставил)

передний вал 7 - метка на кожухе ремней
задний вал 8 - метка на помпе
Вернуться к началу
Посмотреть профиль Отправить личное сообщение
zardi215
Италофан


Италофан

Возраст: 46
Знак зодиака: Овен
Зарегистрирован: 13.04.2008
Сообщения: 134
Откуда: КРЕМЕНЧУГ, УКРАИНА

Авто: Peugeot 406 Coupe, ex -TIPO 2.0 16V

СообщениеДобавлено: Пт Июн 20, 2008 11:42    Заголовок сообщения: ещё схемка Ответить с цитатой

ещё


ballans.jpg
 Описание:
 Размер:  72.56 KB
 Просмотрено:  288 раз(а)

ballans.jpg



_________________
ДИМОН, www.zardi215.blogspot.com
Вернуться к началу
Посмотреть профиль Отправить личное сообщение
Romko
Италоманьячище


Италоманьячище

Возраст: 45
Знак зодиака: Телец
Зарегистрирован: 25.07.2006
Сообщения: 3653
Откуда: Львів

Авто: Cherokee KL 3.2 4*4 Limited; Mito 135 TCT

СообщениеДобавлено: Пт Июн 20, 2008 12:04    Заголовок сообщения: Ответить с цитатой

zardi215 - ну как дела, ремень балансиров ставил? машинка бегает?
Вернуться к началу
Посмотреть профиль Отправить личное сообщение
zardi215
Италофан


Италофан

Возраст: 46
Знак зодиака: Овен
Зарегистрирован: 13.04.2008
Сообщения: 134
Откуда: КРЕМЕНЧУГ, УКРАИНА

Авто: Peugeot 406 Coupe, ex -TIPO 2.0 16V

СообщениеДобавлено: Вт Июн 24, 2008 21:13    Заголовок сообщения: Ответить с цитатой

уже бегает, ремень не ставил, открыл новую тему
_________________
ДИМОН, www.zardi215.blogspot.com
Вернуться к началу
Посмотреть профиль Отправить личное сообщение
Показать сообщения:   
Начать новую тему   Ответить на тему    Список форумов Український клуб фанів FIAT / CLUB UCRAINO TIFOSO DELLA FIAT -> FIAT Tipo, FIAT Tempra Часовой пояс: GMT + 3
На страницу Пред.  1, 2
Страница 2 из 2

 
Перейти:  
Вы не можете начинать темы
Вы не можете отвечать на сообщения
Вы не можете редактировать свои сообщения
Вы не можете удалять свои сообщения
Вы не можете голосовать в опросах
Вы не можете присоединять файлы в этом форуме
Вы можете скачивать файлы в этом форуме






Powered by phpBB © 2001, 2005 phpBB Group
З питань розміщення реклами писати на цю адресу