| 
			
		
                                |  | Український клуб фанів FIAT / CLUB UCRAINO TIFOSO DELLA FIAT 
 
 |  |  
 
	
		| Предыдущая тема :: Следующая тема |  
		| Автор | Сообщение |  
		| Канистра Италофан
 
 
 
  
 Возраст: 34
 Знак зодиака:
  Зарегистрирован: 13.11.2016
 Сообщения: 372
 Откуда: Одесса
 
 Авто: Ситроен Берлинго 1,9 DW8 Lucas 2001г.
 
 | 
			
				|  Добавлено: Вт Янв 19, 2021 21:09    Заголовок сообщения: 1.9 dw8 Lucas DPC - тахометр и температура капут. троит, дым |   |  
				| 
 |  
				| Всем доброго времени суток! 
 Ув. профи, помогите победить мой, новоприобретенный агрегат на dw8 (1,9) Lucas DPC 2001 года.
 
 Проблема:
 1. сильно дымит светлым дымом. воняет не сгоревшим топливом.
 2. не работает тахометр.
 3. стрелка температуры зашкаливает с включением зажигания.
 
 Опережение работает.
 Свечи в прядке.
 На разъем ДТОЖ идет питание. Поставил обманку на 6.4 кОм - результат тот же.
 Нашёл растёгнутый разъём на три контакта (на фото) уж очень похож на ДПКВ. но второй "половинки" (мамки) не нашёл. Куда приткнуть не знаю(((
 С чего начинать?
 Заранее благодарен!
 
 
 
 
	
		
	 
		| Описание: | 
			
				| вот этот разъём. куда его пристегнуть? |  |  
		| Размер: | 457.94 KB |  
		| Просмотрено: | 357 раз(а) |  
		| 
  
 
 |  
 |  |  
		| Вернуться к началу |  |  
		|  |  
		| CreAtoR Италоманьячище
 
  
 
  
 Возраст: 45
 Знак зодиака:
  Зарегистрирован: 05.11.2010
 Сообщения: 25281
 Откуда: Одеса
 
 Авто: Fiat Ritmo60L(138В3.048) Lancia Dedra(835A8.046)
 
 | 
			
				|  Добавлено: Чт Янв 21, 2021 01:04    Заголовок сообщения: |   |  
				| 
 |  
				| 1. Можуть бути розпилювачі тойво, можуть бути зазори клапанів нетойво. 2. Воно має брати дані з генератора, ну або з ДПКВ...
 3. Перевір аккум, для початку.
 _________________
 СТО [:ІЖАК]  - діагностика, ремонт і кава ^-^
 FIAT, Lancia, AR та не італійські авто.
 т. О9З-О64-28-О6
 т. О99-ОЧI-ЧЧ-Ч2
 |  |  
		| Вернуться к началу |  |  
		|  |  
		| Канистра Италофан
 
 
 
  
 Возраст: 34
 Знак зодиака:
  Зарегистрирован: 13.11.2016
 Сообщения: 372
 Откуда: Одесса
 
 Авто: Ситроен Берлинго 1,9 DW8 Lucas 2001г.
 
 | 
			
				|  Добавлено: Чт Янв 21, 2021 12:47    Заголовок сообщения: |   |  
				| 
 |  
				| Привет) Спасибо!
 Забыл написать ещё один момент - когда сутки стоит со снятой клемой, ТО заводится мгновенно, выхлоп как дыхание младенца (в гараже точно ощутимо!!!), НО через минуту начинает подтраивать и сразу дыметь!
 Тот разъём, что я выкинул на фото - больше чем уверен, что он с ДПКВ. Только проблема в том, что я НЕ МОГУ найти ответный разъём(((((( ГДЕ ЕГО ИСКАТЬ???
 
 Аккум я купил новый. Зарядка 14,1 В. на холостых.
 |  |  
		| Вернуться к началу |  |  
		|  |  
		| Александр Васильевич Италоманьячище
 
 
 
  
 Возраст: 38
 Знак зодиака:
  Зарегистрирован: 21.05.2007
 Сообщения: 17312
 Откуда: Одеса
 
 Авто: Фіат Сієна 1.2
 
 | 
			
				|  Добавлено: Чт Янв 21, 2021 13:04    Заголовок сообщения: |   |  
				| 
 |  
				| Оценя сумлеваюся, что без ДПКВ вы запустите мотор, это глобальная неисправность. Или речь о чем-то другом. _________________
 Це не набиття постів, це просто моя думка.
 |  |  
		| Вернуться к началу |  |  
		|  |  
		| Канистра Италофан
 
 
 
  
 Возраст: 34
 Знак зодиака:
  Зарегистрирован: 13.11.2016
 Сообщения: 372
 Откуда: Одесса
 
 Авто: Ситроен Берлинго 1,9 DW8 Lucas 2001г.
 
 | 
			
				|  Добавлено: Чт Янв 21, 2021 13:17    Заголовок сообщения: |   |  
				| 
 |  
				| Сам не в курсе((( но факт на лицо - разъёмов, кроме ДПКВ, такой формы нет. Хотя я могу ошибаться. 
 А почему ГЛОБАЛЬНО? Дизель. ТНВД работает в любом случае в своих жестко установленных пределах. А вот в динамических корректировках не сростается.
 ...я так думаю.
 |  |  
		| Вернуться к началу |  |  
		|  |  
		| Канистра Италофан
 
 
 
  
 Возраст: 34
 Знак зодиака:
  Зарегистрирован: 13.11.2016
 Сообщения: 372
 Откуда: Одесса
 
 Авто: Ситроен Берлинго 1,9 DW8 Lucas 2001г.
 
 | 
			
				|  Добавлено: Сб Янв 23, 2021 20:22    Заголовок сообщения: |   |  
				| 
 |  
				| Братцы....ни у кого нет автомобиля с таким двигателем??? |  |  
		| Вернуться к началу |  |  
		|  |  
		| Qstas Италоманьячище
 
  
 
  
 Возраст: 40
 Знак зодиака:
  Зарегистрирован: 22.03.2007
 Сообщения: 8247
 Откуда: Хануд
 
 Авто: Fiat Tipo 1.7D. Scudo 1.9TD
 
 | 
			
				|  Добавлено: Сб Янв 23, 2021 21:56    Заголовок сообщения: |   |  
				| 
 |  
				|  	  | Канистра писал(а): |  	  | Братцы....ни у кого нет автомобиля с таким двигателем??? | 
 Да ДВС таких и похожих пруд пруди
  а вот решающие Lucas  тут проблема. Мало специалистов (от слова очень)   Все ТНВД подобных типов уже прошлое.
 (если с метками всё в норме,момент впрыска выставлен правильно,воздушный тракт /фильтр чистый.)
 Убедиться что дым.
 Не от сгорания масла или антифриза.
 
 Проверка топливной  ТНВД+форсунки. НА СТЕНДЕ.
 
 А дальше по обстоятельствам.
 
 Удачи.
 _________________
 «Никогда не спорьте с идиотами. Вы опуститесь до их уровня, где они вас задавят своим опытом..»
 Марк Твен
 |  |  
		| Вернуться к началу |  |  
		|  |  
		| Канистра Италофан
 
 
 
  
 Возраст: 34
 Знак зодиака:
  Зарегистрирован: 13.11.2016
 Сообщения: 372
 Откуда: Одесса
 
 Авто: Ситроен Берлинго 1,9 DW8 Lucas 2001г.
 
 | 
			
				|  Добавлено: Вс Янв 24, 2021 13:40    Заголовок сообщения: |   |  
				| 
 |  
				| О всех проблемах Lucas я наслышан. Понимаю, что проблема может быть совсем не там где я ищу.
 НО... я не гуру в данном вопросе, но примитивными логическими заключениями считаю, что необходимо привести цепи в стоковое состояние, проверить их работоспособность, а уж потом делать выводы и углубляться в механическую часть поршневой группы, форсунок и ГБЦ...это не так дёшево и не так быстро.
 
 Дымит во первых МНОГО! Во вторых - не тосол (не белый, не воняет тосолом). Плюс ко всему я делал опыт - сливал тосол и заводил: пять минут - дымность та же!
 В третьих - масляную гарь спутать ни с чем не возможно))) ни по запаху, ни по цвету. И масло на месте.
 
 Метки! Это первое, что я проверил - там, с помощью трёх штифтов невозможно перепутать!!!
 
 Всё свелось к восстановлению изначального состояния электро части (как минимум проводки).
 
 А грешу на ДПКВ:
 1. свободный, болтающийся разъём по форме один-в-один ДПКВ.
 2. кабель с этим разъёмом выходит с района венца маховика.
 3. не работает тахометр.
 4. троение и дымность двигателя.
 ...хотя могу и ошибаться.
 
 Нужно найти ОТВЕТНУЮ часть на этот разъём!!! или хотя бы схему (может его чиканул предыдущий хоз).
 
 Спасибо.
 |  |  
		| Вернуться к началу |  |  
		|  |  
		| Александр Васильевич Италоманьячище
 
 
 
  
 Возраст: 38
 Знак зодиака:
  Зарегистрирован: 21.05.2007
 Сообщения: 17312
 Откуда: Одеса
 
 Авто: Фіат Сієна 1.2
 
 | 
			
				|  Добавлено: Вс Янв 24, 2021 14:15    Заголовок сообщения: |   |  
				| 
 |  
				| И как вам помочь в поиске, глядя на экран монитора? _________________
 Це не набиття постів, це просто моя думка.
 |  |  
		| Вернуться к началу |  |  
		|  |  
		| Qstas Италоманьячище
 
  
 
  
 Возраст: 40
 Знак зодиака:
  Зарегистрирован: 22.03.2007
 Сообщения: 8247
 Откуда: Хануд
 
 Авто: Fiat Tipo 1.7D. Scudo 1.9TD
 
 | 
			
				|  Добавлено: Вс Янв 24, 2021 14:16    Заголовок сообщения: |   |  
				| 
 |  
				|  	  | Цитата: |  	  | Метки! Это первое, что я проверил - там, с помощью трёх штифтов невозможно перепутать!!! | 
 ОЧЕНЬ СОВЕТУЮ.
 Ознакомтесь с установкой ремня ГРМ и регулировкой/установкой момента впрыска.
 ПРИМЕР
 
   
 Электро часть ТНВД
 Иммобилайзер.
 Глушылка.
 Опережения впрыска.
 ФСЁ.
 (к выше озвученным неисправностям отношение не имеют)
 _________________
 «Никогда не спорьте с идиотами. Вы опуститесь до их уровня, где они вас задавят своим опытом..»
 Марк Твен
 |  |  
		| Вернуться к началу |  |  
		|  |  
		| Канистра Италофан
 
 
 
  
 Возраст: 34
 Знак зодиака:
  Зарегистрирован: 13.11.2016
 Сообщения: 372
 Откуда: Одесса
 
 Авто: Ситроен Берлинго 1,9 DW8 Lucas 2001г.
 
 | 
			
				|  Добавлено: Вс Янв 24, 2021 16:54    Заголовок сообщения: |   |  
				| 
 |  
				|  	  | Александр Васильевич писал(а): |  	  | И как вам помочь в поиске, глядя на экран монитора? | 
 
 Помочь указать место где можно найти ответную часть разъёма ДПКВ. (та что имеется - я скинул на фото)
 Я из-за этой проблемы не могу двинуться дальше(((
 |  |  
		| Вернуться к началу |  |  
		|  |  
		| Канистра Италофан
 
 
 
  
 Возраст: 34
 Знак зодиака:
  Зарегистрирован: 13.11.2016
 Сообщения: 372
 Откуда: Одесса
 
 Авто: Ситроен Берлинго 1,9 DW8 Lucas 2001г.
 
 | 
			
				|  Добавлено: Вс Янв 24, 2021 17:04    Заголовок сообщения: |   |  
				| 
 |  
				|  	  | Qstas писал(а): |  	  |  	  | Цитата: |  	  | Метки! Это первое, что я проверил - там, с помощью трёх штифтов невозможно перепутать!!! | 
 ОЧЕНЬ СОВЕТУЮ.
 Ознакомтесь с установкой ремня ГРМ и регулировкой/установкой момента впрыска.
 
 | 
 
 Спасибо)
 Я же напиал - проверку провёл! Там ошибиться НЕВОЗМОЖНО!!!
 Берёшь три штифта (можно болты) выставляешь ВМТ, устанавливаешь один в совпавшие отверстия маховика и картера, а два другие в шестерни ГРМ и ТНВД. ФСЁ)
 
 За инструкцию спасибо! Завтра все таки гляну, даже для общего кругозора.
 
 А вот вопрос - как на счёт позднего момента впрыска???
 Если соляра не успевает в каком то горшке делать вспышку и летит разогретая в трубу? Будет такой эффект дымления?
 |  |  
		| Вернуться к началу |  |  
		|  |  
		| alex-lv Италоманьячище
 
  
 
  
 Возраст: 30
 Знак зодиака:
  Зарегистрирован: 14.09.2009
 Сообщения: 1306
 Откуда: Львів
 
 Авто: продано
 
 | 
			
				|  Добавлено: Вс Янв 24, 2021 17:48    Заголовок сообщения: |   |  
				| 
 |  
				|  	  | Канистра писал(а): |  	  | Помочь указать место где можно найти ответную часть разъёма ДПКВ. (та что имеется - я скинул на фото)
 Я из-за этой проблемы не могу двинуться дальше(((
 | 
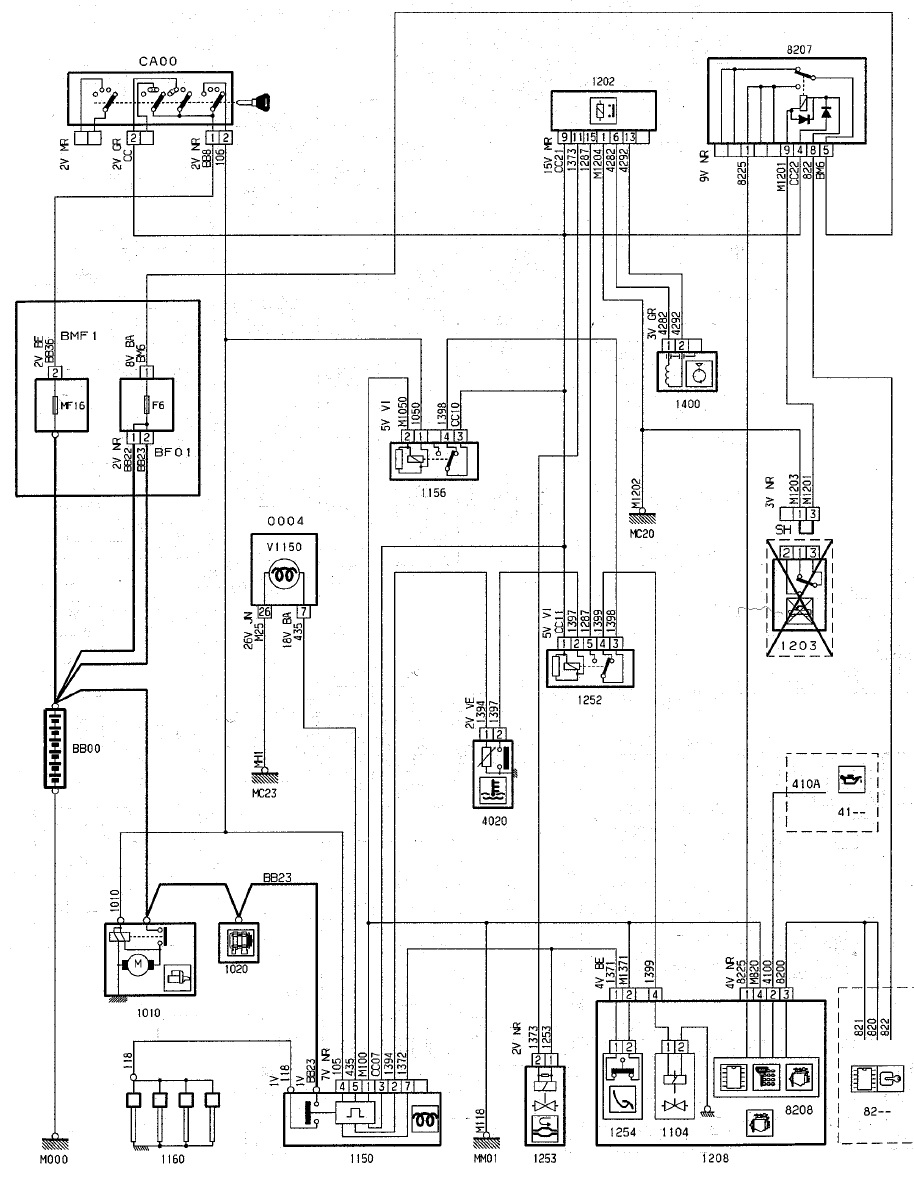
 Подивись на "мозгах" 1202 ножка №6 і №13 чи взагалі існують ті дроти, а далі по косі прослідкуй. вона коротка.
 
   ЄЛЕКТРОСХЕМИ
 
 
 
 
	
		
	 
		| Описание: |  |  
		| Размер: | 363.39 KB |  
		| Просмотрено: | 408 раз(а) |  
		| 
  
 
 |  
 
 
	
		
	 
		| Описание: |  |  
		| Размер: | 271.3 KB |  
		| Просмотрено: | 445 раз(а) |  
		| 
  
 
 |  
 _________________
 0б77бб9119
 |  |  
		| Вернуться к началу |  |  
		|  |  
		| Qstas Италоманьячище
 
  
 
  
 Возраст: 40
 Знак зодиака:
  Зарегистрирован: 22.03.2007
 Сообщения: 8247
 Откуда: Хануд
 
 Авто: Fiat Tipo 1.7D. Scudo 1.9TD
 
 | 
			
				|  Добавлено: Вс Янв 24, 2021 18:17    Заголовок сообщения: |   |  
				| 
 |  
				| Канистра Вы уверены что по ГРМ и ТНВД всё выставлено правильно.
 А я даже не видя авто на 100% уверен что НЕТ.
 (ремень минимум пол зуба  раньше или позже. и тд)
 
 (устраните неисправность отпишитесь)
 
 Удачи.
   _________________
 «Никогда не спорьте с идиотами. Вы опуститесь до их уровня, где они вас задавят своим опытом..»
 Марк Твен
 |  |  
		| Вернуться к началу |  |  
		|  |  
		| Канистра Италофан
 
 
 
  
 Возраст: 34
 Знак зодиака:
  Зарегистрирован: 13.11.2016
 Сообщения: 372
 Откуда: Одесса
 
 Авто: Ситроен Берлинго 1,9 DW8 Lucas 2001г.
 
 | 
			
				|  Добавлено: Пн Янв 25, 2021 00:13    Заголовок сообщения: |   |  
				| 
 |  
				| Подивись на "мозгах" 1202 ножка №6 і №13 чи взагалі існують ті дроти, а далі по косі прослідкуй. вона коротка.
 
   [/quote]
 
 Дуже дякую)
 На жаль в мене не таке авто. ЭБУ в iншому куту - за аккумом. В мене Берлiнго.
 Дрот дуже короткий вiд ДПКВ i виходе с заду двигуна.
 |  |  
		| Вернуться к началу |  |  
		|  |  
		|  |  
  
	| 
 
 | Вы не можете начинать темы Вы не можете отвечать на сообщения
 Вы не можете редактировать свои сообщения
 Вы не можете удалять свои сообщения
 Вы не можете голосовать в опросах
 Вы не можете присоединять файлы в этом форуме
 Вы можете скачивать файлы в этом форуме
 
 |  
 
 
 
 
 Powered by phpBB © 2001, 2005 phpBB Group
 |