Сайт Українського клуба фанів FIAT Український клуб фанів FIAT / CLUB UCRAINO TIFOSO DELLA FIAT

 
ФотогалереяФотогалерея   FAQFAQ   ПоискПоиск   ПользователиПользователи   ГруппыГруппы   РегистрацияРегистрация 
 ПрофильПрофиль   Войти и проверить личные сообщенияВойти и проверить личные сообщения   ВходВход 

Помогите новечку с предохранителями!!!!!!
На страницу Пред.  1, 2, 3, 4  След.
 
Начать новую тему   Ответить на тему    Список форумов Український клуб фанів FIAT / CLUB UCRAINO TIFOSO DELLA FIAT -> FIAT Tipo, FIAT Tempra
Предыдущая тема :: Следующая тема  
Автор Сообщение
CreAtoR
Италоманьячище


Италоманьячище

Возраст: 45
Знак зодиака: Весы
Зарегистрирован: 05.11.2010
Сообщения: 25283
Откуда: Одеса

Авто: Fiat Ritmo60L(138В3.048) Lancia Dedra(835A8.046)

СообщениеДобавлено: Пт Янв 26, 2018 15:43    Заголовок сообщения: Ответить с цитатой

юра84
Там один предохранитель. И он не является "предохранителем бензонасоса".
Этот предохранитель стоит в цепи самый первый: перед реле включения эбу и форсунок, которое включает реле эбн и кдпв, если таковой имеется.
И эта вся мама там есть в том случае, если впрыск инжевый.
Для разных моторов схемы электрички разные.
Считаю, что проблема с разъёмами на баке.
Я бы померил вольтаж и там.

_________________
СТО [:ІЖАК] - діагностика, ремонт і кава ^-^
FIAT, Lancia, AR та не італійські авто.
т. О9З-О64-28-О6
т. О99-ОЧI-ЧЧ-Ч2
Вернуться к началу
Посмотреть профиль Отправить личное сообщение
юра84
Италоманьячище


Италоманьячище

Возраст: 41
Знак зодиака: Рыбы
Зарегистрирован: 14.11.2009
Сообщения: 2370
Откуда: ДОНЕЦК-__-Мелитополь-_-Ровно

Авто: TIPO 1.4

СообщениеДобавлено: Пт Янв 26, 2018 16:32    Заголовок сообщения: Ответить с цитатой

CreAtoR
Я понимаю что машины, разные, схемы разные и.т.д но речь идет о типаре и там стоит по памяти два реле и два предохранителя, левое реле и предохранитель идет на бензик посмотри тут спецификацию а конкретно номер 131-132
http://fiat-club.org.ua/forum/download.php?id=18344

_________________

италовод любитель
Вернуться к началу
Посмотреть профиль Отправить личное сообщение
Sysel
Amico


Amico

Возраст: 35
Знак зодиака: Водолей
Зарегистрирован: 27.12.2017
Сообщения: 48
Откуда: Одесса

Авто: Fiat Tipo

СообщениеДобавлено: Пт Янв 26, 2018 17:23    Заголовок сообщения: Ответить с цитатой

вконце концов замёрз как с*ука,и выяснил что у меня здох бензонасос Sad Sad Sad Sad Sad
Вернуться к началу
Посмотреть профиль Отправить личное сообщение Отправить e-mail
CreAtoR
Италоманьячище


Италоманьячище

Возраст: 45
Знак зодиака: Весы
Зарегистрирован: 05.11.2010
Сообщения: 25283
Откуда: Одеса

Авто: Fiat Ritmo60L(138В3.048) Lancia Dedra(835A8.046)

СообщениеДобавлено: Пт Янв 26, 2018 17:46    Заголовок сообщения: Ответить с цитатой

юра84
ну так...реле - двое, пред - один.
всё, как я и сказал: один реле на моцк, второй реле - на эбн.
какого чёрта ты только споришь со мной? Laughing


_________________
СТО [:ІЖАК] - діагностика, ремонт і кава ^-^
FIAT, Lancia, AR та не італійські авто.
т. О9З-О64-28-О6
т. О99-ОЧI-ЧЧ-Ч2
Вернуться к началу
Посмотреть профиль Отправить личное сообщение
юра84
Италоманьячище


Италоманьячище

Возраст: 41
Знак зодиака: Рыбы
Зарегистрирован: 14.11.2009
Сообщения: 2370
Откуда: ДОНЕЦК-__-Мелитополь-_-Ровно

Авто: TIPO 1.4

СообщениеДобавлено: Пт Янв 26, 2018 20:32    Заголовок сообщения: Ответить с цитатой

CreAtoR
приятно поспорить с хорошим человеком Smile
я знаю, я верю что ты разбираешся в электросхемах посмотри 131 предохранитель. Схема не ахти но если найду цветную там лучше разрисовано закину
http://fiat-club.org.ua/forum/download.php?id=18376

П.С то есть в книгах черным по белому пишут не правильно назначение предохранителя? То они наверное не знали что перед написанием нужно тебе на рецензию мануал отправлять Wink без обид Very Happy

_________________

италовод любитель
Вернуться к началу
Посмотреть профиль Отправить личное сообщение
TroF_911
Италоманьячище


Италоманьячище

Возраст: 35
Знак зодиака: Рак
Зарегистрирован: 12.08.2007
Сообщения: 5104
Откуда: Київ (Святошино)

Авто: Fiat Tipo 1.6 m.i. DGT "92

СообщениеДобавлено: Пт Янв 26, 2018 20:47    Заголовок сообщения: Ответить с цитатой

юра84
Вопросы, откуда там вобще ЭБН?
Цитата:
Fiat Tipo 1.1

Самый "хиленький" мотор имел рабочий объем 1108 см3 и относился к фиатовскому семейству FIRE. Встречается довольно редко, в основном, был известен в Италии и Португалии, после 91 г. — только в Португалии. Система питания — карбюратор, с 93-го года — центральный впрыск. Также этот двигатель широко использовался на модели Uno.

Две версии:
160А3.000 — карбюраторный, 56 л.с.
156C.046 — с центральным впрыском топлива, 55 л.с.


Цитата:
СообщениеДобавлено: Чт Янв 25, 2018 21:24 Заголовок сообщения: Ответить с цитатой Пожаловаться модератору
Люди подскажите какой предохранитель отвечает за датчик топлива.лампачка горит а стрелка не двигаетца даже после того как залил четверть бака.(лампочка потухла,а стрелка все равно не двигаетца).это точно предохранитель.так как была такая проблема но тогда я тупо поменял все предохранители и все заработало. Машина фиат тмпо 1988 года 1.1.
Всем спасибо за ответы))

_________________
Ми всі однакові давно
Вам зрозуміти не дано
Що схід і захід за одно
Дайте пожити спокійно
Вернуться к началу
Посмотреть профиль Отправить личное сообщение Отправить e-mail
юра84
Италоманьячище


Италоманьячище

Возраст: 41
Знак зодиака: Рыбы
Зарегистрирован: 14.11.2009
Сообщения: 2370
Откуда: ДОНЕЦК-__-Мелитополь-_-Ровно

Авто: TIPO 1.4

СообщениеДобавлено: Пт Янв 26, 2018 21:15    Заголовок сообщения: Ответить с цитатой

TroF_911
а на типо были 1.1? мож просто двиг поменяли а все остальное оставили? но тут я не в курсе, хотя если ТС замерз и нашел что здох бензанасос то все таки есть, хотя... мож он имел ввиду здох механический Laughing
П.С вот у тебя типарь сколько предохранителей в подкапотном?

_________________

италовод любитель
Вернуться к началу
Посмотреть профиль Отправить личное сообщение
юра84
Италоманьячище


Италоманьячище

Возраст: 41
Знак зодиака: Рыбы
Зарегистрирован: 14.11.2009
Сообщения: 2370
Откуда: ДОНЕЦК-__-Мелитополь-_-Ровно

Авто: TIPO 1.4

СообщениеДобавлено: Пт Янв 26, 2018 21:25    Заголовок сообщения: Ответить с цитатой

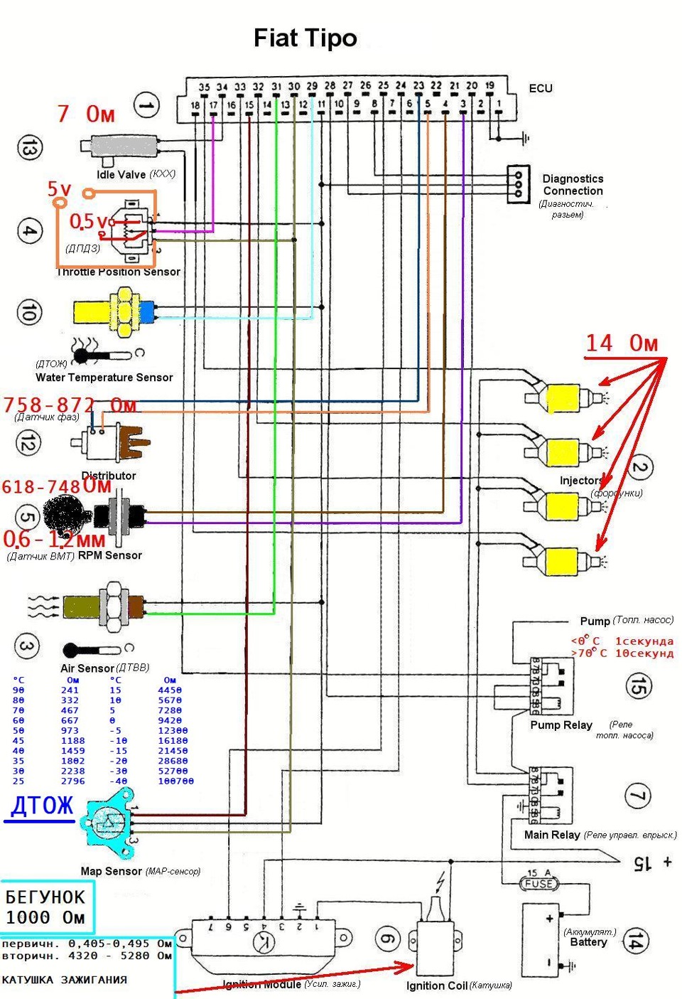
Нашел схему получше тут у нас на форуме была запрятана


111.jpg
 Описание:
 Размер:  382.09 KB
 Просмотрено:  513 раз(а)

111.jpg



_________________

италовод любитель
Вернуться к началу
Посмотреть профиль Отправить личное сообщение
CreAtoR
Италоманьячище


Италоманьячище

Возраст: 45
Знак зодиака: Весы
Зарегистрирован: 05.11.2010
Сообщения: 25283
Откуда: Одеса

Авто: Fiat Ritmo60L(138В3.048) Lancia Dedra(835A8.046)

СообщениеДобавлено: Пт Янв 26, 2018 21:49    Заголовок сообщения: Ответить с цитатой

юра84
это схема для слабаков.
реальные парни курят такие:






перевести? Laughing
обрати внимание, что это на МОЕЙ схеме предохранитель стоит ПЕРЕД реле на силовом проводе.
а вот на твоей - всё гораздо скучнее: предохранитель стоит ПОСЛЕ реле.
а что вотпрямщяс и на ходу я перепутал перед каким из двух реле стоит предохранитель - не велика проблема, на самом деле, неужели ты всё помнишь наизусть в мельчайших подробностях?
когда у меня был один Ритмо - я тоже мог в три ночи по телефону рассказывать что там и где как устроено.
а затем началось гайковёртство и пошла череда машин. и они все разные. постоянно. часто путаю мелкие детали.
но, по крайней мере, не задаю женских вопросов "откуда в Типо мотор 1.1?" и "откуда на 1.1 с моноинжектором ЭБН?"...
так что давай не будем тыкать в нос мелкими ошибками, они есть у каждого. ибо знать и помнить всего на свете невозможно Smile

_________________
СТО [:ІЖАК] - діагностика, ремонт і кава ^-^
FIAT, Lancia, AR та не італійські авто.
т. О9З-О64-28-О6
т. О99-ОЧI-ЧЧ-Ч2
Вернуться к началу
Посмотреть профиль Отправить личное сообщение
TroF_911
Италоманьячище


Италоманьячище

Возраст: 35
Знак зодиака: Рак
Зарегистрирован: 12.08.2007
Сообщения: 5104
Откуда: Київ (Святошино)

Авто: Fiat Tipo 1.6 m.i. DGT "92

СообщениеДобавлено: Пт Янв 26, 2018 23:06    Заголовок сообщения: Ответить с цитатой

юра84
Были 1.1, мне тскать спеки с фото и тех. Характеристиками?
На 1.4 и 1.6 моно, реле бензонасоса и соответственно БН, не будет оаботать если неисправна катушка, например или Диджиплекс или есть проблемы в их цепи. Поетому отсуствие подачи топлива - вполне может быть проблемой с зажиганием.

ТС советую, действительно проверить проводеу бака, если стоит ЭБН, проверять не мультиметром, а лампочкой. И от конечного узла ити дальше по цепи.

_________________
Ми всі однакові давно
Вам зрозуміти не дано
Що схід і захід за одно
Дайте пожити спокійно
Вернуться к началу
Посмотреть профиль Отправить личное сообщение Отправить e-mail
юра84
Италоманьячище


Италоманьячище

Возраст: 41
Знак зодиака: Рыбы
Зарегистрирован: 14.11.2009
Сообщения: 2370
Откуда: ДОНЕЦК-__-Мелитополь-_-Ровно

Авто: TIPO 1.4

СообщениеДобавлено: Пт Янв 26, 2018 23:07    Заголовок сообщения: Ответить с цитатой

Переведи и пойми что если его вытащить ЭБН не включится.
Схемы не мои поэтому мерятся чья правильней даже и не собираюсь.
Что касается электрики в большинстве да и то только по типарю.
я тебя где то обвинил что ты не помниш мелочей? просто написал что все таки какой то предохранитель отвечает за ЭБН. можеш замкнуть провода не бензике и посмотреть какой пред. сгорит.
Что касается моторов, то да я в этом не шарю поэтому даже ничего не пишу а только читаю и учусь, и очень хорошо что ты спец во всем и не задаеш женских вопросов. Wink

_________________

италовод любитель
Вернуться к началу
Посмотреть профиль Отправить личное сообщение
юра84
Италоманьячище


Италоманьячище

Возраст: 41
Знак зодиака: Рыбы
Зарегистрирован: 14.11.2009
Сообщения: 2370
Откуда: ДОНЕЦК-__-Мелитополь-_-Ровно

Авто: TIPO 1.4

СообщениеДобавлено: Пт Янв 26, 2018 23:08    Заголовок сообщения: Ответить с цитатой

TroF_911
я не спорю, я спрашиваю потому что не знаю, а ТС отписался выше что уже решил вопрос.

_________________

италовод любитель
Вернуться к началу
Посмотреть профиль Отправить личное сообщение
gardersdorf
Amico


Amico

Возраст: 49
Знак зодиака: Стрелец
Зарегистрирован: 29.08.2024
Сообщения: 2
Откуда: Ужгород

Авто: Tipo 1.4 2022г

СообщениеДобавлено: Чт Авг 29, 2024 10:06    Заголовок сообщения: Ответить с цитатой

Усим привіт!
1. Чи має хтось розшифровку за що відповідають реле і запобіжники у підкапотному блоці запобіжників?

2. У мене горить сигнал несправності системи подачі палива, але машина заводиться і їде у повному штатному режимі. У чому може бути причина?
Вернуться к началу
Посмотреть профиль Отправить личное сообщение
Александр Васильевич
Италоманьячище


Италоманьячище

Возраст: 38
Знак зодиака: Козерог
Зарегистрирован: 21.05.2007
Сообщения: 17314
Откуда: Одеса

Авто: Фіат Сієна 1.2

СообщениеДобавлено: Чт Авг 29, 2024 12:57    Заголовок сообщения: Ответить с цитатой

1- а хіба в мануалі нема ні слова?
2- боюсь, таке треба шукати сканером...

_________________
Це не набиття постів, це просто моя думка.
Вернуться к началу
Посмотреть профиль Отправить личное сообщение
gardersdorf
Amico


Amico

Возраст: 49
Знак зодиака: Стрелец
Зарегистрирован: 29.08.2024
Сообщения: 2
Откуда: Ужгород

Авто: Tipo 1.4 2022г

СообщениеДобавлено: Чт Авг 29, 2024 16:06    Заголовок сообщения: Ответить с цитатой

Александр Васильевич писал(а):
1- а хіба в мануалі нема ні слова?
2- боюсь, таке треба шукати сканером...


У мануалі ні слова. Догадайся сам, називається.
Вернуться к началу
Посмотреть профиль Отправить личное сообщение
Показать сообщения:   
Начать новую тему   Ответить на тему    Список форумов Український клуб фанів FIAT / CLUB UCRAINO TIFOSO DELLA FIAT -> FIAT Tipo, FIAT Tempra Часовой пояс: GMT + 3
На страницу Пред.  1, 2, 3, 4  След.
Страница 3 из 4

 
Перейти:  
Вы не можете начинать темы
Вы не можете отвечать на сообщения
Вы не можете редактировать свои сообщения
Вы не можете удалять свои сообщения
Вы не можете голосовать в опросах
Вы не можете присоединять файлы в этом форуме
Вы можете скачивать файлы в этом форуме






Powered by phpBB © 2001, 2005 phpBB Group
З питань розміщення реклами писати на цю адресу