Сайт Українського клуба фанів FIAT Український клуб фанів FIAT / CLUB UCRAINO TIFOSO DELLA FIAT

 
ФотогалереяФотогалерея   FAQFAQ   ПоискПоиск   ПользователиПользователи   ГруппыГруппы   РегистрацияРегистрация 
 ПрофильПрофиль   Войти и проверить личные сообщенияВойти и проверить личные сообщения   ВходВход 

вопрос знатокам
На страницу Пред.  1, 2, 3 ... 7, 8, 9 ... 20, 21, 22  След.
 
Начать новую тему   Ответить на тему    Список форумов Український клуб фанів FIAT / CLUB UCRAINO TIFOSO DELLA FIAT -> Браття наші менші (FIAT Uno, FIAT Panda, Fiat Seicento, Fiat Cinquecento)
Предыдущая тема :: Следующая тема  
Автор Сообщение
Marat Shams
Рулевой филиала


Рулевой филиала

Возраст: 53
Знак зодиака: Телец
Зарегистрирован: 04.10.2007
Сообщения: 8237
Откуда: Lugansk

Авто: Fiat Uno 55s 1,1l '85, Uno Turbo 1.3l i.e(105hp) '85 Lancia Thema 2.0T '90

СообщениеДобавлено: Пт Фев 07, 2014 09:45    Заголовок сообщения: Ответить с цитатой

Заморочек никаких. Просто аккуратно вверх. Если конечно резинкам йок не пришел. Тогда сложнее. Главное пеньки не сломать. Главный менять собрался ?
_________________
Вернуться к началу
Посмотреть профиль Отправить личное сообщение
kapkan 60s
Италофан


Италофан

Возраст: 43
Знак зодиака: Телец
Зарегистрирован: 19.04.2013
Сообщения: 337
Откуда: Россия,город Ульяновск

Авто: fiat uno 60s 1.1fire(160.A3 000 карб) nissan micra 1.0 16v

СообщениеДобавлено: Пт Фев 07, 2014 16:31    Заголовок сообщения: Ответить с цитатой

Marat Shams
да,течет уже давненько,но сейчас чересчур......уже приехал новый торм.цилиндр LPR.....завтра пойду устанавливать.

_________________
нас очень трудно сбить с пути, нам по х...ю куда идти......
Вернуться к началу
Посмотреть профиль Отправить личное сообщение
Marat Shams
Рулевой филиала


Рулевой филиала

Возраст: 53
Знак зодиака: Телец
Зарегистрирован: 04.10.2007
Сообщения: 8237
Откуда: Lugansk

Авто: Fiat Uno 55s 1,1l '85, Uno Turbo 1.3l i.e(105hp) '85 Lancia Thema 2.0T '90

СообщениеДобавлено: Пт Фев 07, 2014 17:29    Заголовок сообщения: Ответить с цитатой

Не переймайся, все будет норм. Главное тяни строго вверх. И мониторь на отсутствие нехороших звуков. Laughing
_________________
Вернуться к началу
Посмотреть профиль Отправить личное сообщение
kapkan 60s
Италофан


Италофан

Возраст: 43
Знак зодиака: Телец
Зарегистрирован: 19.04.2013
Сообщения: 337
Откуда: Россия,город Ульяновск

Авто: fiat uno 60s 1.1fire(160.A3 000 карб) nissan micra 1.0 16v

СообщениеДобавлено: Пт Фев 07, 2014 18:02    Заголовок сообщения: Ответить с цитатой

Marat Shams
Very Happy понял......

_________________
нас очень трудно сбить с пути, нам по х...ю куда идти......
Вернуться к началу
Посмотреть профиль Отправить личное сообщение
Oleksa
Италолюбитель


Италолюбитель

Возраст: 50
Знак зодиака: Близнецы
Зарегистрирован: 25.04.2013
Сообщения: 71
Откуда: Кременчуг

Авто: Fiat Uno 75i.e. 1987 г.в.

СообщениеДобавлено: Пт Фев 07, 2014 20:52    Заголовок сообщения: Ответить с цитатой

Да никаких там секретов нет.Уверенно,но аккуратно тянешь за него.Вынимается сначала одна его трубка из резиновой манжеты,потом другая.
Вернуться к началу
Посмотреть профиль Отправить личное сообщение
Marat Shams
Рулевой филиала


Рулевой филиала

Возраст: 53
Знак зодиака: Телец
Зарегистрирован: 04.10.2007
Сообщения: 8237
Откуда: Lugansk

Авто: Fiat Uno 55s 1,1l '85, Uno Turbo 1.3l i.e(105hp) '85 Lancia Thema 2.0T '90

СообщениеДобавлено: Пт Фев 07, 2014 21:05    Заголовок сообщения: Ответить с цитатой

Oleksa

При условии их эластичности. Rolling Eyes И не "вставленности" инородных образований.

_________________
Вернуться к началу
Посмотреть профиль Отправить личное сообщение
dimon4ik13
Amico


Amico

Возраст: 33
Знак зодиака: Овен
Зарегистрирован: 03.10.2013
Сообщения: 48
Откуда: Днепропетровск

Авто: Fiat Uno 75 1986 г.в.

СообщениеДобавлено: Пт Фев 28, 2014 21:35    Заголовок сообщения: Ответить с цитатой

Здравствуйте форумчане.Давненько у меня не было проблем.Но сегодня таки приключилась. Сразу скажу о двух моментах:
1.я не спец пока в автомобильных вопросах,так по мелочам, но в остальном живу по принципу " не умею - не лезу".
2.Знаю что коробку нужно ремонтировать,но пока увы нет таковой возможности (финансы как всегда поют песни...)

Так вот собственно к самой проблеме.У меня как обычно при попытке поехать назад включилась вторая передача и я полез благополучно возвращать все на место. Лючек который сверху коробки (в котором механизм переключения передач, При разборке там есть шайба(осталась от предыдущего хозяина(она была как упор для пружины) диаметром такая же как диаметр детали с лапкой которая выполняет переключение(делал это 1000 раз и в морозы все было ок)Но как всегда сработала самая стабильная вещь в нашей жизни "закон подлости"Ну и как не трудно догадаться в этот раз, именно когда денег нет совсем она ушла в КПП.
Да машину пришлось тянуть.Не заводил не переключал,просто оттянул где-то 1км. Понимаю,что не хорошо,но как есть.Никаких звуков,хрустов в процессе не заметил.

Вопрос в следующем: знаю, что поддон в коробках обычно с магнитом.Какова вероятность,что шайба ушла в низ в поддон.Или она наверняка где-то зависла?Не хотелось бы,чтобы она беды натворила и так уже в уставшей коробке.

Как всегда, заранее благодарен за любые ответы и советы.

Всем удачи на дорогах.
Вернуться к началу
Посмотреть профиль Отправить личное сообщение
kapkan 60s
Италофан


Италофан

Возраст: 43
Знак зодиака: Телец
Зарегистрирован: 19.04.2013
Сообщения: 337
Откуда: Россия,город Ульяновск

Авто: fiat uno 60s 1.1fire(160.A3 000 карб) nissan micra 1.0 16v

СообщениеДобавлено: Сб Мар 01, 2014 15:06    Заголовок сообщения: Ответить с цитатой

dimon4ik13 знаешь,коробку я не разбирал но снимать снимал,поддона как такового я там не заметил, всего лишь пробка сливная с магнитом........попробуй слить масло....
_________________
нас очень трудно сбить с пути, нам по х...ю куда идти......
Вернуться к началу
Посмотреть профиль Отправить личное сообщение
Кролевчанин
Италоманьячище


Италоманьячище

Возраст: 52
Знак зодиака: Дева
Зарегистрирован: 04.12.2012
Сообщения: 4550
Откуда: Кролевец

Авто: FIAT UNO 60 Disel 1.7 1987 г.в., был FIAT UNO 75i.e. 1988 г.в.

СообщениеДобавлено: Сб Мар 01, 2014 15:22    Заголовок сообщения: Ответить с цитатой

dimon4ik13
откуда в КПП поддон? Shocked
kapkan 60s
В коробке помимо пробки с магнитом, есть ещё "магнитная резинка". Не знаю, как правильно её назвать, но это чёрненькая резиновая магнитная пластинка для которой выделено специальное место в КПП. Wink

_________________
FIAT - первое,что написано на болиде Ferrari F1
Вернуться к началу
Посмотреть профиль Отправить личное сообщение
юрчик UA
Италоманьячище


Италоманьячище

Возраст: 55
Знак зодиака: Весы
Зарегистрирован: 19.10.2007
Сообщения: 4918
Откуда: Харьков-Торонто

Авто: Фиат Уно 1,4,Ducato,Smart Fortwo,Honda CRV 2,4

СообщениеДобавлено: Сб Мар 01, 2014 15:24    Заголовок сообщения: Ответить с цитатой

Если SELECTA по поддон есть.Там автомат стоит
_________________
Бензин должен иметь цвет!

Ноль шесть три 577 36 39
Вернуться к началу
Посмотреть профиль Отправить личное сообщение
dimon4ik13
Amico


Amico

Возраст: 33
Знак зодиака: Овен
Зарегистрирован: 03.10.2013
Сообщения: 48
Откуда: Днепропетровск

Авто: Fiat Uno 75 1986 г.в.

СообщениеДобавлено: Сб Мар 01, 2014 18:04    Заголовок сообщения: Ответить с цитатой

Кролевчанин писал(а):
dimon4ik13
откуда в КПП поддон? Shocked

Не так выразился... Confused
А где именно расположена эта "магнитная резинка" подскажите?
Просто нужно понимать могла ли шайба уйти все-таки либо в район сливной пробки,либо в район магнитной резинки.
Вернуться к началу
Посмотреть профиль Отправить личное сообщение
Кролевчанин
Италоманьячище


Италоманьячище

Возраст: 52
Знак зодиака: Дева
Зарегистрирован: 04.12.2012
Сообщения: 4550
Откуда: Кролевец

Авто: FIAT UNO 60 Disel 1.7 1987 г.в., был FIAT UNO 75i.e. 1988 г.в.

СообщениеДобавлено: Сб Мар 01, 2014 21:40    Заголовок сообщения: Ответить с цитатой

dimon4ik13
Ты знаешь, "магнетизма" этой резинки может не хватить для удержания шайбы. Особенно, когда холодное масло. Она расчитана накапливать на себя мелкую стружку. А ставится она (по крайней мере на КПП с нижним переключением) в одну половинку картера КПП и прижимается другим. Чтобы её вытащить, коробку нужно колоть по-любому.
Теперь по твоему вопросу. В идеале, конечно коробочку следует перебрать. Это тебе любой скажет. Последствия нахождения между шестернями инородного тела непредсказуемы.
А сейчас скажу одну вещь, которую механик говорить не имеет права, но тем не менее. Если шайбочка твоя из мягкого металла, да или просто, очень тоненькая, то перемелют её твои шестерёночки калёные и не подавятся. Но я тебе этого не говорил, а ты на это здорово не надейся, а то вдруг что случится, будешь говорить, что я тебе такое посоветовал Sad

_________________
FIAT - первое,что написано на болиде Ferrari F1
Вернуться к началу
Посмотреть профиль Отправить личное сообщение
Кролевчанин
Италоманьячище


Италоманьячище

Возраст: 52
Знак зодиака: Дева
Зарегистрирован: 04.12.2012
Сообщения: 4550
Откуда: Кролевец

Авто: FIAT UNO 60 Disel 1.7 1987 г.в., был FIAT UNO 75i.e. 1988 г.в.

СообщениеДобавлено: Сб Мар 01, 2014 21:50    Заголовок сообщения: Ответить с цитатой

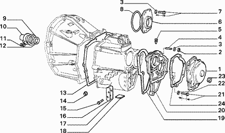
штучка под номером 18 - и есть магнит Wink


naread.jpg
 Описание:
 Размер:  80.62 KB
 Просмотрено:  140 раз(а)

naread.jpg



_________________
FIAT - первое,что написано на болиде Ferrari F1
Вернуться к началу
Посмотреть профиль Отправить личное сообщение
dimon4ik13
Amico


Amico

Возраст: 33
Знак зодиака: Овен
Зарегистрирован: 03.10.2013
Сообщения: 48
Откуда: Днепропетровск

Авто: Fiat Uno 75 1986 г.в.

СообщениеДобавлено: Сб Мар 01, 2014 23:30    Заголовок сообщения: Ответить с цитатой

Кролевчанин,огромное Вам спасибо за помощь. Рисковать наверное не стану и все-таки буду разбирать коробку.Все равно есть куча вопросов по ней.Просто как всегда все очень вовремя...
Может кто подскажет кого-то понимающего в этом деле.(Днепропетровск).Ну и конечно же соотношение цена\качество....
Вернуться к началу
Посмотреть профиль Отправить личное сообщение
Кролевчанин
Италоманьячище


Италоманьячище

Возраст: 52
Знак зодиака: Дева
Зарегистрирован: 04.12.2012
Сообщения: 4550
Откуда: Кролевец

Авто: FIAT UNO 60 Disel 1.7 1987 г.в., был FIAT UNO 75i.e. 1988 г.в.

СообщениеДобавлено: Вс Мар 02, 2014 09:04    Заголовок сообщения: Ответить с цитатой

dimon4ik13
Это не ко мне. Чем смог - помог. Кстати, правильное решение - спокойней ездить будешь! Smile

_________________
FIAT - первое,что написано на болиде Ferrari F1
Вернуться к началу
Посмотреть профиль Отправить личное сообщение
Показать сообщения:   
Начать новую тему   Ответить на тему    Список форумов Український клуб фанів FIAT / CLUB UCRAINO TIFOSO DELLA FIAT -> Браття наші менші (FIAT Uno, FIAT Panda, Fiat Seicento, Fiat Cinquecento) Часовой пояс: GMT + 3
На страницу Пред.  1, 2, 3 ... 7, 8, 9 ... 20, 21, 22  След.
Страница 8 из 22

 
Перейти:  
Вы не можете начинать темы
Вы не можете отвечать на сообщения
Вы не можете редактировать свои сообщения
Вы не можете удалять свои сообщения
Вы не можете голосовать в опросах
Вы не можете присоединять файлы в этом форуме
Вы можете скачивать файлы в этом форуме






Powered by phpBB © 2001, 2005 phpBB Group
З питань розміщення реклами писати на цю адресу