 |
Український клуб фанів FIAT / CLUB UCRAINO TIFOSO DELLA FIAT
|
 |
| Предыдущая тема :: Следующая тема |
| Автор |
Сообщение |
^@^ Италолюбитель

Возраст: 57 Знак зодиака:  Зарегистрирован: 13.11.2008 Сообщения: 51 Откуда: ------------
Авто: Fiat Marea 1.6
|
Добавлено: Вс Сен 02, 2012 18:11 Заголовок сообщения: Дальний свет |
|
|
| Доброго времени суток. Случилась проблемка с дальним светом. Ближний и габаритные работают как положено . Когда переключаю рычаг на дальний - полная темнота. Если рычаг притянуть к себе как для моргания , то дальний свет горит . В чём может быть проблема ?
|
|
| Вернуться к началу |
|
 |
tyzz Amico

Возраст: 48 Знак зодиака:  Зарегистрирован: 13.05.2011 Сообщения: 30 Откуда: рб
Авто: marea 1.6 103
|
Добавлено: Вс Сен 02, 2012 22:38 Заголовок сообщения: |
|
|
| В стрекозе
|
|
| Вернуться к началу |
|
 |
^@^ Италолюбитель

Возраст: 57 Знак зодиака:  Зарегистрирован: 13.11.2008 Сообщения: 51 Откуда: ------------
Авто: Fiat Marea 1.6
|
Добавлено: Пн Сен 03, 2012 04:18 Заголовок сообщения: |
|
|
| tyzz , спасибо за ответ . Самому сделать реально ? Что обычно происходит , контакты отходят или... ?
|
|
| Вернуться к началу |
|
 |
kozhan1977 Amico

Возраст: 48 Знак зодиака:  Зарегистрирован: 20.08.2012 Сообщения: 15 Откуда: Киев
Авто: фиат браво
|
Добавлено: Пн Сен 03, 2012 09:58 Заголовок сообщения: |
|
|
| При таких симптомах проблема в самом переключателе если есть время и нерви то можна сделать самому я когдато сам делал Проблема в самих контактах они там могут подгореть т.д. Только нужно бить очень осторожним при разборе переключателя там есть всякие пружинки которие могуть разлететься в разние сторони.
|
|
| Вернуться к началу |
|
 |
jenya Amico


Возраст: 41 Знак зодиака:  Зарегистрирован: 18.02.2010 Сообщения: 17 Откуда: Киев
Авто: Fiat Brava 1.6 SX
|
Добавлено: Пн Сен 03, 2012 11:29 Заголовок сообщения: |
|
|
Нашел когда-то на забугорном сайте пару инструкций как снять и разобрать подрулевой, может как-то поможет или заинтересует.
| Описание: |
|
 Скачать |
| Имя файла: |
stalkrepair.pdf |
| Размер: |
320.57 KB |
| Загружен: |
846 раз(а) |
| Описание: |
|
 Скачать |
| Имя файла: |
Stalkunitremoval.pdf |
| Размер: |
243.57 KB |
| Загружен: |
718 раз(а) |
|
|
| Вернуться к началу |
|
 |
Romko Италоманьячище


Возраст: 44 Знак зодиака:  Зарегистрирован: 25.07.2006 Сообщения: 3653 Откуда: Львів
Авто: Cherokee KL 3.2 4*4 Limited; Mito 135 TCT
|
Добавлено: Пн Сен 03, 2012 14:45 Заголовок сообщения: |
|
|
ребята, релюхи надо ставить на ближний и дальний свет, а то заводская схема это писец - все комутации вешаются на подрулевой
_________________ Слава Україні!! |
|
| Вернуться к началу |
|
 |
jenya Amico


Возраст: 41 Знак зодиака:  Зарегистрирован: 18.02.2010 Сообщения: 17 Откуда: Киев
Авто: Fiat Brava 1.6 SX
|
Добавлено: Пн Сен 03, 2012 15:15 Заголовок сообщения: |
|
|
| Romko писал(а): | ребята, релюхи надо ставить на ближний и дальний свет, а то заводская схема это писец - все комутации вешаются на подрулевой  |
а можешь поделится опытом по этому вопросу (если ставил)?
|
|
| Вернуться к началу |
|
 |
^@^ Италолюбитель

Возраст: 57 Знак зодиака:  Зарегистрирован: 13.11.2008 Сообщения: 51 Откуда: ------------
Авто: Fiat Marea 1.6
|
Добавлено: Ср Сен 05, 2012 06:19 Заголовок сообщения: |
|
|
Большое спасибо всем за ответы и за инструкцию по разборке. Пока с ближним езжу.
Появится время попробую сам разобрать . Может удастся исправить.
Romko, разве на дальний свет не стоит реле ?
|
|
| Вернуться к началу |
|
 |
Romko Италоманьячище


Возраст: 44 Знак зодиака:  Зарегистрирован: 25.07.2006 Сообщения: 3653 Откуда: Львів
Авто: Cherokee KL 3.2 4*4 Limited; Mito 135 TCT
|
Добавлено: Ср Сен 05, 2012 10:04 Заголовок сообщения: |
|
|
| Цитата: | | Romko, разве на дальний свет не стоит реле ? |
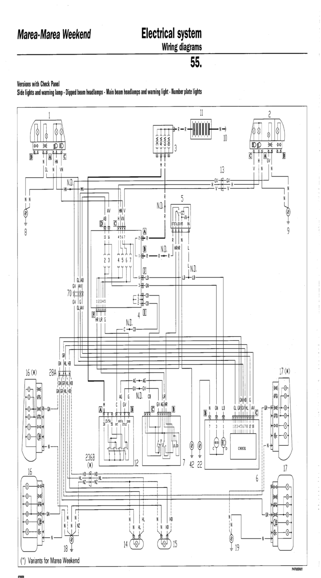
нет там тупая схема, вот она...[/b]
| Описание: |
|
| Размер: |
407.56 KB |
| Просмотрено: |
2393 раз(а) |

|
_________________ Слава Україні!! |
|
| Вернуться к началу |
|
 |
Romko Италоманьячище


Возраст: 44 Знак зодиака:  Зарегистрирован: 25.07.2006 Сообщения: 3653 Откуда: Львів
Авто: Cherokee KL 3.2 4*4 Limited; Mito 135 TCT
|
Добавлено: Ср Сен 05, 2012 10:24 Заголовок сообщения: |
|
|
вот что придумали Марио:
при включении ближнего света контакт F переключателя 7 занимает крайнее правое положение, при этом загорается ближний свет... - без каких либо разгрузочных реле в цепи ("+" подается через замкнутый контак 87а и 30 реле ближнего света 5, как оно разумно называется в книге ) ...
при включении дальнего света - контакт Е подрулевого переключателя 7 занимает свое крайнее правое положение, запитывая цепь дальнего света, опять же без каких либо реле)), но этим он фактически разрывает цепь ближнего света, - но не беда в таком режиме появляется "+" на обмотке 85-86, реле 5 и оно переключает ближний свет на постоянный "+" от блока предохранителей R...
все это хорошо, но с годами контакты Е подрулевого нехило подгорают, так как держат все комутации фактически на себе, ну и кто то любит лампы помощнее всунуть)) и в результате получаем как и топик стартера - при включении дальнего в момент разрыва цепи, не срабатывает реле 5, не запитывается дальний свет - фактически пропадает все , работает только контак D - моргание дальним светом....
такой режим часто не нравится блокам разжига ксенона - у меня например пропадал ближний при включении дальнего...
у себя - реле 5 выкинул нах, поставил 2 жиговских дополнительных реле на 30А в цепь дальнего и ближнего света около щитка предохранителей (в цепь HR,LR) "+" на которые берется от питания щитка, "+" управления на дальний свет оставил от подрулевого, на ближний свет установил отдельную кнопку "+" на которую берется от щитка предохранителей при включении зажигания - так решил проблемы с ксеноном...
у кого еще все работает советую реле 5 не трогать, а врезать 2 дополнительных реле для розгрузки цепей HR,LR...
...фух, надеюсь подробно расписал
_________________ Слава Україні!! |
|
| Вернуться к началу |
|
 |
Роман Хромко@ Amico

Возраст: 41 Знак зодиака:  Зарегистрирован: 14.03.2012 Сообщения: 24 Откуда: Снежное, Донецкая обл.
Авто: Fiat Brava 1.6 16V
|
Добавлено: Пт Сен 07, 2012 18:16 Заголовок сообщения: |
|
|
| Было при включении дальнего,тух ближний.Снял блок предохранителей,а там сзади на кассете расплавился контакт.зачистил,поправил и все стало ОК.Уже два года никаких проблем.
|
|
| Вернуться к началу |
|
 |
|
|
Вы не можете начинать темы Вы не можете отвечать на сообщения Вы не можете редактировать свои сообщения Вы не можете удалять свои сообщения Вы не можете голосовать в опросах Вы не можете присоединять файлы в этом форуме Вы можете скачивать файлы в этом форуме
|
Powered by phpBB © 2001, 2005 phpBB Group
|