Сайт Українського клуба фанів FIAT Український клуб фанів FIAT / CLUB UCRAINO TIFOSO DELLA FIAT

 
ФотогалереяФотогалерея   FAQFAQ   ПоискПоиск   ПользователиПользователи   ГруппыГруппы   РегистрацияРегистрация 
 ПрофильПрофиль   Войти и проверить личные сообщенияВойти и проверить личные сообщения   ВходВход 

Пропала цепь возбуждения генератора. Fiat Linea 1,4 t-jet
На страницу 1, 2  След.
 
Начать новую тему   Ответить на тему    Список форумов Український клуб фанів FIAT / CLUB UCRAINO TIFOSO DELLA FIAT -> FIAT Brava, FIAT Bravo, FIAT Marea, FIAT Linea
Предыдущая тема :: Следующая тема  
Автор Сообщение
Scorpion17
Amico


Amico

Возраст: 47
Знак зодиака: Скорпион
Зарегистрирован: 30.12.2019
Сообщения: 7
Откуда: Кременчуг

Авто: Fiat Linea 1,4 t-jet

СообщениеДобавлено: Пн Дек 30, 2019 19:35    Заголовок сообщения: Пропала цепь возбуждения генератора. Fiat Linea 1,4 t-jet Ответить с цитатой

Доброго времени суток.
Возникла такая проблема. Пропала зарядка АКБ. Светится на дисплее значек аккумулятора. Все это появилось после замены подшипников на генераторе в тот же день. По началу было все хорошо, но в один момент после простоя машины на дисплее БК появился значек АКБ. Причина была не ясна. Наблюдал два дня - после ночной стоянки при запуске двигателя все было нормально, но через время после очередного запуска двигателя появлялся значек аккумулятора. При этом напряжение в сети было 13,1-13,5 В. В прикуриватель подключено зарядное с вольтметром. Сегодня Проверили цепь возбуждения генератора прозвонкой. С генератором вроде бы все ок. Но возбуждение при старте не выполняется, т.е. где то пропала цепь питания возбуждения как я понимаю.!? На сто проверял специалист и утверждает что генератор в полном порядке. На панеле приборов не светится светодиод АКБ и как я понимаю это тоже может быть причиной!? Если прикурить генератор, то все работает, но опять же напряжение показывает 13,5-13,7 В, а должно быть 14,2 -14,4 В.
Подскажите кто сталкивался с такой проблемой!?
Вернуться к началу
Посмотреть профиль Отправить личное сообщение
CreAtoR
Италоманьячище


Италоманьячище

Возраст: 45
Знак зодиака: Весы
Зарегистрирован: 05.11.2010
Сообщения: 25302
Откуда: Одеса

Авто: Fiat Ritmo60L(138В3.048); Lancia Dedra(835A8.046); AR GT (932A1.000)

СообщениеДобавлено: Пн Дек 30, 2019 19:46    Заголовок сообщения: Ответить с цитатой

1. якщо не світиться світлий діод на панелі, то як можна говорити про ланцюг збудження? Або дріт порвали і лампа не світить через відсутність контакту, або лампа нагнулася і воно сі не збуджує через відсутність напруги на клемі генератора. Товово всьо тра перевірити, а потім щось говорити.
2. "опнять же напряжєніє показиваєт" - де саме показує? між якою і якою точкою заміряно? це теж важливо. Як скисла маса, то і напруги нормальної на клемах батарейки теж не побачиш.

_________________
СТО [:ІЖАК] - діагностика, ремонт і кава ^-^
FIAT, Lancia, AR та не італійські авто.
т. О9З-О64-28-О6
т. О99-ОЧI-ЧЧ-Ч2
Вернуться к началу
Посмотреть профиль Отправить личное сообщение
Александр Васильевич
Италоманьячище


Италоманьячище

Возраст: 39
Знак зодиака: Козерог
Зарегистрирован: 21.05.2007
Сообщения: 17352
Откуда: Одеса

Авто: Фіат Сієна 1.2

СообщениеДобавлено: Пн Дек 30, 2019 19:55    Заголовок сообщения: Ответить с цитатой

Схема практически одна на всех: +АКБ/ ЗЗ/ предохранитель/ панель/ резистор+СД/ провод/ клемма генератора +Д.
При включенном ЗЗ снять наконечник провода возбуждения с клеммы Д+ генератора и посадить на массу, СД должен светить. Если светит- цепь исправна, копать в РН и генераторе.
Вообще, при оборотах ротора генератора более 2000...2500 он сам должен возбуждаться и обеспечивать свои 14 вольт, при меньших- через эту цепь.

_________________
Це не набиття постів, це просто моя думка.
Вернуться к началу
Посмотреть профиль Отправить личное сообщение
Scorpion17
Amico


Amico

Возраст: 47
Знак зодиака: Скорпион
Зарегистрирован: 30.12.2019
Сообщения: 7
Откуда: Кременчуг

Авто: Fiat Linea 1,4 t-jet

СообщениеДобавлено: Вт Дек 31, 2019 10:31    Заголовок сообщения: Ответить с цитатой

Александр Васильевич писал(а):
Схема практически одна на всех: +АКБ/ ЗЗ/ предохранитель/ панель/ резистор+СД/ провод/ клемма генератора +Д.
При включенном ЗЗ снять наконечник провода возбуждения с клеммы Д+ генератора и посадить на массу, СД должен светить. Если светит- цепь исправна, копать в РН и генераторе.
Вообще, при оборотах ротора генератора более 2000...2500 он сам должен возбуждаться и обеспечивать свои 14 вольт, при меньших- через эту цепь.
Вернуться к началу
Посмотреть профиль Отправить личное сообщение
Scorpion17
Amico


Amico

Возраст: 47
Знак зодиака: Скорпион
Зарегистрирован: 30.12.2019
Сообщения: 7
Откуда: Кременчуг

Авто: Fiat Linea 1,4 t-jet

СообщениеДобавлено: Вт Дек 31, 2019 10:32    Заголовок сообщения: Ответить с цитатой

Подобные манипуляции проделали. Индикация не работает. Возбуждение запустили принудительно. Проверили все предохранители по цепи питания и возбуждения-все целые.
Вернуться к началу
Посмотреть профиль Отправить личное сообщение
Александр Васильевич
Италоманьячище


Италоманьячище

Возраст: 39
Знак зодиака: Козерог
Зарегистрирован: 21.05.2007
Сообщения: 17352
Откуда: Одеса

Авто: Фіат Сієна 1.2

СообщениеДобавлено: Вт Дек 31, 2019 10:37    Заголовок сообщения: Ответить с цитатой

Снимайте приборку, если точно, на все 146% уверены в остальном. А откуда там ВСЕ предохранители, если их всего аж один?
С принуд. возбуждением напряжение на АКБ в норме? НЕ показания БК и проч, а именно на клеммах.

_________________
Це не набиття постів, це просто моя думка.
Вернуться к началу
Посмотреть профиль Отправить личное сообщение
Scorpion17
Amico


Amico

Возраст: 47
Знак зодиака: Скорпион
Зарегистрирован: 30.12.2019
Сообщения: 7
Откуда: Кременчуг

Авто: Fiat Linea 1,4 t-jet

СообщениеДобавлено: Вт Дек 31, 2019 10:43    Заголовок сообщения: Ответить с цитатой

При принудительном запуске возбуждения генератора зарядка идёт. Меряли мультиком на клеммах АКБ, правда 13.5 В.
_________________
https://www.drive2.ru/r/fiat/linea/577889/
Вернуться к началу
Посмотреть профиль Отправить личное сообщение
Romko
Италоманьячище


Италоманьячище

Возраст: 45
Знак зодиака: Телец
Зарегистрирован: 25.07.2006
Сообщения: 3653
Откуда: Львів

Авто: Cherokee KL 3.2 4*4 Limited; Mito 135 TCT

СообщениеДобавлено: Вт Дек 31, 2019 11:04    Заголовок сообщения: Ответить с цитатой

на Лінеї t-jet зарядка не індикується лампочкою акумулятора ....- фізично діод є на приборці, але він не запалюється - така система, при відсутності зарядки комп індикує це великим значком акумулятора і надписом на бортовому компі...- можна навіть не знімати приьборку і не страдати фігньою Laughing ...
П.С. на лінеї генератори одноразові- вистрчає на 70-100 тис (тріскається корпус і все)- заморочуватись з заміною підшипників- хз... тріскало 2 генератора один на 75 тис інший на лянчі на 150 - підшипники ьули в ідеалі...- старий генич викинув - поставив новий і забув на пару років

_________________
Слава Україні!!
Вернуться к началу
Посмотреть профиль Отправить личное сообщение
Александр Васильевич
Италоманьячище


Италоманьячище

Возраст: 39
Знак зодиака: Козерог
Зарегистрирован: 21.05.2007
Сообщения: 17352
Откуда: Одеса

Авто: Фіат Сієна 1.2

СообщениеДобавлено: Вт Дек 31, 2019 11:19    Заголовок сообщения: Ответить с цитатой

А чого ви вирішили, шо схема контролю з іконкою в вигляді АКБ не є аналогічною тій, де це намальовано інакше? Там шо, принципово нова схема збудження генератора? Хотів би побачити...
В усякому разі, 13.5 і для літа мало, тому треба брати матюки в руки, та знімати генератор.

_________________
Це не набиття постів, це просто моя думка.
Вернуться к началу
Посмотреть профиль Отправить личное сообщение
Romko
Италоманьячище


Италоманьячище

Возраст: 45
Знак зодиака: Телец
Зарегистрирован: 25.07.2006
Сообщения: 3653
Откуда: Львів

Авто: Cherokee KL 3.2 4*4 Limited; Mito 135 TCT

СообщениеДобавлено: Вт Дек 31, 2019 14:24    Заголовок сообщения: Ответить с цитатой

Александр Васильевич
я це написав для того щоб людина раптом зараз не знімала і не ковиряла приборку на предмет "якого то хрена не світиться лампа зарядки коли включення запалення" Smile - комунікація між бодіком і приборкою сугубо по кан-шині...
схема збудження - думаю стандартна - там ще нічого нового не придумали...
треба шукати косякк в генераторі

_________________
Слава Україні!!
Вернуться к началу
Посмотреть профиль Отправить личное сообщение
Scorpion17
Amico


Amico

Возраст: 47
Знак зодиака: Скорпион
Зарегистрирован: 30.12.2019
Сообщения: 7
Откуда: Кременчуг

Авто: Fiat Linea 1,4 t-jet

СообщениеДобавлено: Вт Дек 31, 2019 15:43    Заголовок сообщения: Ответить с цитатой

Romko я пока ещё не собирался разбирать панель приборов! )) Более склоняюсь к той версии что надо ковырять сам генератор и возможно регулятор напряжения. Но всё-таки хочу сказать ещё раз, что цепь запитки обмотки возбуждения при старте не работает. Возможно все в совокупности.
У меня просто нет гаража что бы этим заняться. Иногда использую эстакаду автодрома для некоторых работ под машиной. Может есть схема электрическая питания обмотки возбуждения? Буду вдячний!!! Wink

_________________
https://www.drive2.ru/r/fiat/linea/577889/
Вернуться к началу
Посмотреть профиль Отправить личное сообщение
Александр Васильевич
Италоманьячище


Италоманьячище

Возраст: 39
Знак зодиака: Козерог
Зарегистрирован: 21.05.2007
Сообщения: 17352
Откуда: Одеса

Авто: Фіат Сієна 1.2

СообщениеДобавлено: Вт Дек 31, 2019 15:52    Заголовок сообщения: Ответить с цитатой

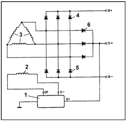
есть


index.26.gif
 Описание:
 Размер:  35.25 KB
 Просмотрено:  468 раз(а)

index.26.gif



_________________
Це не набиття постів, це просто моя думка.
Вернуться к началу
Посмотреть профиль Отправить личное сообщение
Александр Васильевич
Италоманьячище


Италоманьячище

Возраст: 39
Знак зодиака: Козерог
Зарегистрирован: 21.05.2007
Сообщения: 17352
Откуда: Одеса

Авто: Фіат Сієна 1.2

СообщениеДобавлено: Вт Дек 31, 2019 16:00    Заголовок сообщения: Ответить с цитатой

только не вся- лампы нет, она в приборке, от нее на Д+ идет провод.
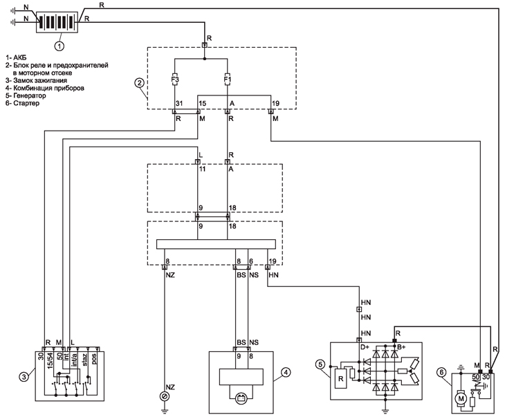
Краще отак:



pic1.jpg
 Описание:
 Размер:  85.84 KB
 Просмотрено:  871 раз(а)

pic1.jpg



_________________
Це не набиття постів, це просто моя думка.
Вернуться к началу
Посмотреть профиль Отправить личное сообщение
Scorpion17
Amico


Amico

Возраст: 47
Знак зодиака: Скорпион
Зарегистрирован: 30.12.2019
Сообщения: 7
Откуда: Кременчуг

Авто: Fiat Linea 1,4 t-jet

СообщениеДобавлено: Чт Янв 02, 2020 16:18    Заголовок сообщения: Ответить с цитатой

Всех с Новым годом!
Вчера пробовал на эстакаде выследить провод HN, но из-за невозможности доступа к генератору даже не смог разглядеть это провод на генераторе!
Он уходит в блок с предохранителями?
На Рисунке пунктиром показан похоже клеммник, на который уходит этот провод, а потом на блок предохранителей!??

_________________
https://www.drive2.ru/r/fiat/linea/577889/
Вернуться к началу
Посмотреть профиль Отправить личное сообщение
Scorpion17
Amico


Amico

Возраст: 47
Знак зодиака: Скорпион
Зарегистрирован: 30.12.2019
Сообщения: 7
Откуда: Кременчуг

Авто: Fiat Linea 1,4 t-jet

СообщениеДобавлено: Пт Янв 03, 2020 18:54    Заголовок сообщения: Ответить с цитатой

Проблема решена. Причиной оказалось выход из строя регулятора напряжения. Купили новый и поставили. Фото вставить не получается. [/img]
_________________
https://www.drive2.ru/r/fiat/linea/577889/
Вернуться к началу
Посмотреть профиль Отправить личное сообщение
Показать сообщения:   
Начать новую тему   Ответить на тему    Список форумов Український клуб фанів FIAT / CLUB UCRAINO TIFOSO DELLA FIAT -> FIAT Brava, FIAT Bravo, FIAT Marea, FIAT Linea Часовой пояс: GMT + 3
На страницу 1, 2  След.
Страница 1 из 2

 
Перейти:  
Вы не можете начинать темы
Вы не можете отвечать на сообщения
Вы не можете редактировать свои сообщения
Вы не можете удалять свои сообщения
Вы не можете голосовать в опросах
Вы не можете присоединять файлы в этом форуме
Вы можете скачивать файлы в этом форуме






Powered by phpBB © 2001, 2005 phpBB Group
З питань розміщення реклами писати на цю адресу