 |
Український клуб фанів FIAT / CLUB UCRAINO TIFOSO DELLA FIAT
|
 |
| Предыдущая тема :: Следующая тема |
| Автор |
Сообщение |
etoy Италофан


Возраст: 40 Знак зодиака:  Зарегистрирован: 21.07.2008 Сообщения: 129 Откуда: Харьков 604м/р
Авто: FIAT regata 85--- Opel Vectra
|
Добавлено: Чт Апр 07, 2011 18:14 Заголовок сообщения: шестерня спидометра |
|
|
пришел конец шестерне спидометра износилась.. где такую шестерню можно купить?? подозреваю что и с других фиатов может подойти..
или может отреставрировать можно?? что врятьли.. может сталкивался кто??
| Описание: |
|
| Размер: |
20.3 KB |
| Просмотрено: |
10950 раз(а) |

|
|
|
| Вернуться к началу |
|
 |
Unchik Италоманьячище


Возраст: 44 Знак зодиака:  Зарегистрирован: 30.12.2009 Сообщения: 4893 Откуда: Молодогвардейск
Авто: Samand
|
Добавлено: Чт Апр 07, 2011 19:04 Заголовок сообщения: |
|
|
С другого Фиата (Ритмо,Регата,Уно,Панда,) лишь бы кол-во зубчиков такое же было.
_________________ Diesel Smoke, Dangerous Curves
Дизель без турбины-это кот без яиц) |
|
| Вернуться к началу |
|
 |
akadem1 Италоманьячище

Возраст: 54 Знак зодиака:  Зарегистрирован: 16.04.2007 Сообщения: 2433 Откуда: киев
Авто: ,fiat bravo trofeo 1242 16v 2000г,FIAT GRANDE PUNTO 2006 1.4 гбо,Fiat croma2 1,8 16v ГБО,фиат крома 2.0i.e 834b146--1986г--продана
|
Добавлено: Чт Апр 07, 2011 21:11 Заголовок сообщения: |
|
|
| в 2010=м покупал в Киеве на Березке.0442470840.Вроде там и доставка была.
|
|
| Вернуться к началу |
|
 |
akadem1 Италоманьячище

Возраст: 54 Знак зодиака:  Зарегистрирован: 16.04.2007 Сообщения: 2433 Откуда: киев
Авто: ,fiat bravo trofeo 1242 16v 2000г,FIAT GRANDE PUNTO 2006 1.4 гбо,Fiat croma2 1,8 16v ГБО,фиат крома 2.0i.e 834b146--1986г--продана
|
Добавлено: Чт Апр 07, 2011 21:13 Заголовок сообщения: |
|
|
| и еще,будешь ставить-не урони вниз,в коробку.
|
|
| Вернуться к началу |
|
 |
audio-terrorist Италоманьячище


Возраст: 44 Знак зодиака:  Зарегистрирован: 21.01.2009 Сообщения: 3477 Откуда: Россия - Москва
Авто: Lancia Thema 16V Turbo + Chevrolet Astro VAN 4.3 AWD
|
Добавлено: Чт Апр 07, 2011 22:24 Заголовок сообщения: |
|
|
| akadem1 писал(а): | | и еще,будешь ставить-не урони вниз,в коробку. |
легко сказать )
_________________ Езжу как все, на автобусе
Купил и езжу ) |
|
| Вернуться к началу |
|
 |
Croma Италоманьячище


Возраст: 67 Знак зодиака:  Зарегистрирован: 30.11.2009 Сообщения: 6091 Откуда: Окупированный Харьков
Авто: Fiat Croma TURBO IE
|
Добавлено: Вт Апр 12, 2011 15:04 Заголовок сообщения: |
|
|
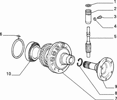
Вроде на фото зубья целые.
Полезно осмотреть корпус шестерни.
Наверняка изношен.
Поз №2.
Я себе точил. Деталь простая.
| Описание: |
|
| Размер: |
21.4 KB |
| Просмотрено: |
1549 раз(а) |

|
|
|
| Вернуться к началу |
|
 |
etoy Италофан


Возраст: 40 Знак зодиака:  Зарегистрирован: 21.07.2008 Сообщения: 129 Откуда: Харьков 604м/р
Авто: FIAT regata 85--- Opel Vectra
|
Добавлено: Ср Апр 13, 2011 19:13 Заголовок сообщения: |
|
|
Шестерня эта геморой один!!! Поехал на биолигическую купил тут же на месте поставил. . Начал трогаться стрелка чуть дернулась и тут раздался шелчек, давольно таки сильный.. Выхожу откручиваю трос а там чудеса шестерни нет)))) Кавырял смотрел нет ее.. Иду покупаю вторую, думал поспешил как то криво вставил... Приехал в гараж не спеша ставлю вторую, проверил не болтаетьса стоит ровно хорошо...Сел проехал метра 3 не работает. Все тихо посторонних звуков не было.. Откручиваю трос а там опять чудеса шестерни нет, светил в дырку ту смотрел нет и следов!!!))) И тут же в дагонку перестали включаться 1я и 2я передача.. Начал потихоньку коробку снимать.. И времени нет как назло.. Через пару дней думаю разберу...
Вот вопрос видел на базаре продают что то типа бортового компьютера и обороты показывает температуру скорость и.т.д.. Все понятно вот не ясно одно откуда он берет показание скорости.. Можно ли мне поставить такую штуку чтоб показывала скорость и километраж.
|
|
| Вернуться к началу |
|
 |
ВЛАДИМИР Т Италомафиози

Возраст: 62 Знак зодиака:  Зарегистрирован: 24.10.2009 Сообщения: 632 Откуда: КИЕВ
Авто: Фиат Добло 1.9 MultiJet 2008 г.
|
Добавлено: Ср Апр 13, 2011 19:43 Заголовок сообщения: |
|
|
etoy
Работать будет в таком приборе все кроме спидометра. Импульсы для спидометра снимаются именно с этого узла, правда в измененном виде. Вместо стандартного привода ставится импульсный датчик, еще нада знать количество импульсов которыйон выдает. Как вариант поставь навигатор.
_________________ владимир т |
|
| Вернуться к началу |
|
 |
Unchik Италоманьячище


Возраст: 44 Знак зодиака:  Зарегистрирован: 30.12.2009 Сообщения: 4893 Откуда: Молодогвардейск
Авто: Samand
|
Добавлено: Ср Апр 13, 2011 21:26 Заголовок сообщения: |
|
|
etoy
Как вариант: проверь не заклинил ли магнит в самом спидометре,у тестя так 2 привода и трос на спидометре крякнули.Симптомы теже: стрелка дернулась,щелчек и все.После замены спидометра все ОК.
_________________ Diesel Smoke, Dangerous Curves
Дизель без турбины-это кот без яиц) |
|
| Вернуться к началу |
|
 |
etoy Италофан


Возраст: 40 Знак зодиака:  Зарегистрирован: 21.07.2008 Сообщения: 129 Откуда: Харьков 604м/р
Авто: FIAT regata 85--- Opel Vectra
|
Добавлено: Ср Апр 13, 2011 21:50 Заголовок сообщения: |
|
|
| не с прибором все нормально тросик легко крутиться и стрелка двигаеться
|
|
| Вернуться к началу |
|
 |
maddogks Италолюбитель


Возраст: 40 Знак зодиака:  Зарегистрирован: 13.02.2011 Сообщения: 58 Откуда: Одесса
Авто: Fiat uno 1.3D
|
Добавлено: Ср Май 25, 2011 21:30 Заголовок сообщения: |
|
|
| а там вроде болтик один есть, из -за которого шестерня упасть не может?
|
|
| Вернуться к началу |
|
 |
Croma Италоманьячище


Возраст: 67 Знак зодиака:  Зарегистрирован: 30.11.2009 Сообщения: 6091 Откуда: Окупированный Харьков
Авто: Fiat Croma TURBO IE
|
Добавлено: Чт Май 26, 2011 01:24 Заголовок сообщения: |
|
|
| maddogks писал(а): | | а там вроде болтик один есть, из -за которого шестерня упасть не может? |
Болтик не для этого.
Шестерня внизу опираеться на картер, а вверху на Поз №2.
При замене можно прощупать приводную шестерню
на предмет наличия и выработки зубьев.
Импульсы для спидометра можно и с привода снять.
Не всегда ведь авто буксует.
Остаеться решить арифметическую задачу.
Количество зубчиков расчитать.
.
|
|
| Вернуться к началу |
|
 |
audio-terrorist Италоманьячище


Возраст: 44 Знак зодиака:  Зарегистрирован: 21.01.2009 Сообщения: 3477 Откуда: Россия - Москва
Авто: Lancia Thema 16V Turbo + Chevrolet Astro VAN 4.3 AWD
|
Добавлено: Чт Май 26, 2011 07:56 Заголовок сообщения: |
|
|
сам датчик выдает вроде 6 импульсов за оборот своего вала
т.е. нужно знать передаточное между этой шестерней и главной
таким образом получится количество импульсов за оборот колеса
после чего у токаря/фрезеровщика выполнить венец для напрессовки на шрус и датчег холла к нему
ну и приборку надо будет рестайл которая уже без троса
_________________ Езжу как все, на автобусе
Купил и езжу ) |
|
| Вернуться к началу |
|
 |
Александр Васильевич Италоманьячище

Возраст: 39 Знак зодиака:  Зарегистрирован: 21.05.2007 Сообщения: 17342 Откуда: Одеса
Авто: Фіат Сієна 1.2
|
Добавлено: Чт Май 26, 2011 09:08 Заголовок сообщения: |
|
|
Есть 4-6-10 импульсный датчики.Но лепить то его все равно надо к этому узлу! Крома прав- точится или новый корпус,или втулка,я так делал и не раз. Овал там образуется.
А насчет привода от п/оси - слишком там место грязное,чтоб что-то лепить. ДХ хорошо работает,когда он похож на вазовско -таврический: скоба, в зазоре которой перемещается шторка,прерывающая магнитный поток. Как от среды такое защитить?
Проще корпус привода привести в порядок.
_________________ Це не набиття постів, це просто моя думка. |
|
| Вернуться к началу |
|
 |
Croma Италоманьячище


Возраст: 67 Знак зодиака:  Зарегистрирован: 30.11.2009 Сообщения: 6091 Откуда: Окупированный Харьков
Авто: Fiat Croma TURBO IE
|
Добавлено: Пт Май 27, 2011 17:32 Заголовок сообщения: |
|
|
Место то грязное, но не грязнее шкива ДВС.
Еэдим же. Так что решаемо.
Вот еще.
Пытался на беушке купить другую шестеренку.
Родного образца под рукой не было.
На все вопросы враги громко заверяли что от Кромы
и мне обязательно подойдет.
Дома сравнил.Черта з два. Но была очень похожа. Валяеться теперь.
Может поэтому и лопает Фиат шестеренки у etoy.
Вот откуда и идеи обойтись вообще без неё.
Мышки уже давно оптические.
Жду когда и датчики скорости такие будут.
Совершенно бесконтактные. Смотреть на дорогу, а не на валы.
И приборная скорость станет наконец то станет соответсвовать фактической.
|
|
| Вернуться к началу |
|
 |
|
|
Вы не можете начинать темы Вы не можете отвечать на сообщения Вы не можете редактировать свои сообщения Вы не можете удалять свои сообщения Вы не можете голосовать в опросах Вы не можете присоединять файлы в этом форуме Вы можете скачивать файлы в этом форуме
|
Powered by phpBB © 2001, 2005 phpBB Group
|