 |
Український клуб фанів FIAT / CLUB UCRAINO TIFOSO DELLA FIAT
|
 |
| Предыдущая тема :: Следующая тема |
| Автор |
Сообщение |
Владимир Сергеевич Италолюбитель

Возраст: 36 Знак зодиака:  Зарегистрирован: 16.11.2009 Сообщения: 65 Откуда: Воронеж
Авто: Fiat Regata 100 S/1986/1.6
|
Добавлено: Вс Мар 07, 2010 23:47 Заголовок сообщения: Стеклоподъёмники |
|
|
А пробывал ли кто ставить с русскова автопрома типа с Вазов электростеклоподъёмники?? если пробывали то от каова ваза? трудности с установкой какие могут возникнуть????
_________________
 |
|
| Вернуться к началу |
|
 |
Do_Sancho Италоманьячище


Возраст: 36 Знак зодиака:  Зарегистрирован: 08.06.2009 Сообщения: 2185 Откуда: Одесса
Авто: Dedra Integrale AR 155 Q4
|
Добавлено: Пн Мар 08, 2010 12:06 Заголовок сообщения: |
|
|
Ув.Владимир Сергеевич,ничего не мудрите,у нас стоит реечный стеклоподьёмник,довольно таки не плохой...что с вашим случилось то?
_________________ ***In SNAIL we Trust***
Fiat Regata 105 TC Full MPI>Dedra Integrale GT28RS 380 hp 1.6 bar ; AR 155 Q4 ; Alfa romeo 166 3.0 V6 sporttronic ; Subaru Forester S-edition 260 h.p. |
|
| Вернуться к началу |
|
 |
jack74 Италоманьячище


Возраст: 51 Знак зодиака:  Зарегистрирован: 11.08.2006 Сообщения: 1656 Откуда: Україна, м. Луцьк
Авто: Была Регата 1988 гв, 1,9DS
|
Добавлено: Пн Мар 08, 2010 14:26 Заголовок сообщения: |
|
|
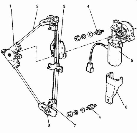
| Do_Sancho писал(а): | | ...у нас стоит реечный стеклоподьёмник... | неправильно. У Регат "трос" (плотно навитая пружина, как резьба) внутри направляющей трубки, а та уже просто прикреплена к мёртвозакреплённой планке (типа рейке), но это не значит, что механизм реечный. А вот у ВАЗ 04/05/07 действительно реечный, там зубчатая рейка.
Но конечно, желательно отремонтировать по возможности родной, а уж если не получится (сгнила трубка например) и негде достать б/у - придётся колхозить...
| Описание: |
| Эллектростеклоподъёмник ВАЗ 2104,2105,2107 |
|
| Размер: |
19.72 KB |
| Просмотрено: |
317 раз(а) |

|
_________________ "Правильно заданый вопрос - половина ответа!..." |
|
| Вернуться к началу |
|
 |
Dimmos Италомафиози

Возраст: 52 Знак зодиака:  Зарегистрирован: 10.08.2007 Сообщения: 1044 Откуда: Кострома
Авто: Регата 75, Марея 1.6
|
Добавлено: Пн Мар 08, 2010 16:06 Заголовок сообщения: |
|
|
jack74,ну это вопрос спорный, что там стоит. У Регат принцип реечного механизма, просто рейка гибкая, в виде спирали, а никак не трос (трос сплетение продольных проволок или их групп)
Никогда не забуду, как ремонтировал самарский тросовый стеклоподъёмник, сколько эта штука весит по сравнению с регатовским и как говняно сделана.
|
|
| Вернуться к началу |
|
 |
jack74 Италоманьячище


Возраст: 51 Знак зодиака:  Зарегистрирован: 11.08.2006 Сообщения: 1656 Откуда: Україна, м. Луцьк
Авто: Была Регата 1988 гв, 1,9DS
|
Добавлено: Пн Мар 08, 2010 18:30 Заголовок сообщения: |
|
|
| Dimmos писал(а): | | jack74,ну это вопрос спорный, что там стоит. У Регат принцип реечного механизма, просто рейка гибкая, в виде спирали, а никак не трос (трос сплетение продольных проволок или их групп)... |
ты трос спидометра разбирал когда-нибудь? , там не только "сплетение продольных проволок"
я тоже сначала думал, как бы ЭТО назвать, но потом глянул - в книге написано "трос"
или ты хочешь сказать, что на рейку оно больше смахивает?
гибкий винт и червячная передача
_________________ "Правильно заданый вопрос - половина ответа!..."
Последний раз редактировалось: jack74 (Вт Мар 09, 2010 00:40), всего редактировалось 2 раз(а) |
|
| Вернуться к началу |
|
 |
Do_Sancho Италоманьячище


Возраст: 36 Знак зодиака:  Зарегистрирован: 08.06.2009 Сообщения: 2185 Откуда: Одесса
Авто: Dedra Integrale AR 155 Q4
|
|
| Вернуться к началу |
|
 |
Do_Sancho Италоманьячище


Возраст: 36 Знак зодиака:  Зарегистрирован: 08.06.2009 Сообщения: 2185 Откуда: Одесса
Авто: Dedra Integrale AR 155 Q4
|
Добавлено: Пн Мар 08, 2010 23:18 Заголовок сообщения: |
|
|
| jack74 писал(а): | | Dimmos писал(а): | | jack74,ну это вопрос спорный, что там стоит. У Регат принцип реечного механизма, просто рейка гибкая, в виде спирали, а никак не трос (трос сплетение продольных проволок или их групп)... | я тоже сначала думал, как бы ЭТО назвать, но потом глянул - в книге написано "трос"
или ты хочешь сказать, что на рейку оно больше смахивает?
гибкий винт и червячная передача |
на БМВ с 90-х годов,3 серии подобный стеклоподьёмник,который называется реечный...или я чего-то не знаю.
_________________ ***In SNAIL we Trust***
Fiat Regata 105 TC Full MPI>Dedra Integrale GT28RS 380 hp 1.6 bar ; AR 155 Q4 ; Alfa romeo 166 3.0 V6 sporttronic ; Subaru Forester S-edition 260 h.p. |
|
| Вернуться к началу |
|
 |
Do_Sancho Италоманьячище


Возраст: 36 Знак зодиака:  Зарегистрирован: 08.06.2009 Сообщения: 2185 Откуда: Одесса
Авто: Dedra Integrale AR 155 Q4
|
Добавлено: Пн Мар 08, 2010 23:33 Заголовок сообщения: |
|
|
| jack74 писал(а): | | Do_Sancho писал(а): | | ...у нас стоит реечный стеклоподьёмник... | неправильно. У Регат "трос" (плотно навитая пружина, как резьба) внутри направляющей трубки, а та уже просто прикреплена к мёртвозакреплённой планке (типа рейке), но это не значит, что механизм реечный. А вот у ВАЗ 04/05/07 действительно реечный, там зубчатая рейка.
Но конечно, желательно отремонтировать по возможности родной, а уж если не получится (сгнила трубка например) и негде достать б/у - придётся колхозить... |
Кстати,вот это что на вашем фото, называется шарнирно-связанные рычаги...
_________________ ***In SNAIL we Trust***
Fiat Regata 105 TC Full MPI>Dedra Integrale GT28RS 380 hp 1.6 bar ; AR 155 Q4 ; Alfa romeo 166 3.0 V6 sporttronic ; Subaru Forester S-edition 260 h.p. |
|
| Вернуться к началу |
|
 |
jack74 Италоманьячище


Возраст: 51 Знак зодиака:  Зарегистрирован: 11.08.2006 Сообщения: 1656 Откуда: Україна, м. Луцьк
Авто: Была Регата 1988 гв, 1,9DS
|
Добавлено: Вт Мар 09, 2010 00:06 Заголовок сообщения: |
|
|
| Do_Sancho писал(а): | Кстати,вот это что на вашем фото, называется шарнирно-связанные рычаги...  | Слушай, не морочи людям голову. Почитай сначала внимательно литературу. Задай хотя бы в поисковике свои "шарнирно-связанные рычаги" и увидишь, что это. А эта картинка, которую ты выше выложил, не от Регаты, а от "Десятки". У Кромы, например, тоже такие бывают, а бывают и такие, как у Регаты.
Я сейчас не могу выложить фотку Регатовских, завтра.
Кстати, Владимир Сергеевич, а вопрос то был о передних эллектростеклоподьёмниках, я правильно понимаю? а то мы тут спорим, спорим...
_________________ "Правильно заданый вопрос - половина ответа!..." |
|
| Вернуться к началу |
|
 |
Viper_umf Италомафиози


Возраст: 38 Знак зодиака:  Зарегистрирован: 01.05.2009 Сообщения: 1137 Откуда: Lviv
Авто: кетайпаркет
|
Добавлено: Вт Мар 09, 2010 10:08 Заголовок сообщения: |
|
|
_________________ Fiat Regata weekend -> Lancia Dedra -> кетайпаркет |
|
| Вернуться к началу |
|
 |
iDle Италомафиози


Возраст: 37 Знак зодиака:  Зарегистрирован: 19.11.2009 Сообщения: 617 Откуда: Харьков, Николаев, Одесса
Авто: Fiat Ducato 1991 г.в., 2.5D, 8144.67(продал)
|
Добавлено: Вт Мар 09, 2010 10:25 Заголовок сообщения: |
|
|
| Viper_umf писал(а): |  |
у меня такие же на дукато 91 г.в.
но стекло само не держится - где то сломан стопор - есть какие соображения?
и какие эсп можно поставить?
|
|
| Вернуться к началу |
|
 |
Книголюб Италоманьячище


Возраст: 41 Знак зодиака:  Зарегистрирован: 21.04.2009 Сообщения: 5778 Откуда: г.Кременчук/Горішні Плавні
Авто: Fiat Crоma 2.0.i.e 1988 г.в.
|
Добавлено: Вт Мар 09, 2010 13:49 Заголовок сообщения: |
|
|
jack74
Скажу за Крому: в ней стеклоподъемник с навитой спиралью (типа пружины). А в двигателе стоит гайка которая толкает пружину. Бывает в той гайке еще есть шарики как в подшипнике. Мы с братом такой рабочий разобрали а теперь не может сложить назад ибо потеряли несколько шариков.
_________________ YOUTUBE про Croma та Linea |
|
| Вернуться к началу |
|
 |
jack74 Италоманьячище


Возраст: 51 Знак зодиака:  Зарегистрирован: 11.08.2006 Сообщения: 1656 Откуда: Україна, м. Луцьк
Авто: Была Регата 1988 гв, 1,9DS
|
Добавлено: Вт Мар 09, 2010 15:29 Заголовок сообщения: |
|
|
| Книголюб писал(а): | | Скажу за Крому: в ней стеклоподъемник с навитой спиралью (типа пружины). А в двигателе стоит гайка которая толкает пружину. Бывает в той гайке еще есть шарики как в подшипнике... | точно такой же и у Регат.
| Книголюб писал(а): | | ...Мы с братом такой рабочий разобрали а теперь не может сложить назад ибо потеряли несколько шариков. |
сочуствую, в первый раз была та же история
_________________ "Правильно заданый вопрос - половина ответа!..." |
|
| Вернуться к началу |
|
 |
jack74 Италоманьячище


Возраст: 51 Знак зодиака:  Зарегистрирован: 11.08.2006 Сообщения: 1656 Откуда: Україна, м. Луцьк
Авто: Была Регата 1988 гв, 1,9DS
|
|
| Вернуться к началу |
|
 |
Do_Sancho Италоманьячище


Возраст: 36 Знак зодиака:  Зарегистрирован: 08.06.2009 Сообщения: 2185 Откуда: Одесса
Авто: Dedra Integrale AR 155 Q4
|
Добавлено: Вт Мар 09, 2010 17:42 Заголовок сообщения: |
|
|
[quote="jack74"] | Do_Sancho писал(а): | Кстати,вот это что на вашем фото, называется шарнирно-связанные рычаги...  | Слушай, не морочи людям голову. Почитай сначала внимательно литературу. Задай хотя бы в поисковике свои "шарнирно-связанные рычаги" и увидишь, что это. А эта картинка, которую ты выше выложил, не от Регаты, а от "Десятки". У Кромы, например, тоже такие бывают, а бывают и такие, как у Регаты.
Я сейчас не могу выложить фотку Регатовских, завтра.
Именно с интернета я и читал,могу вам даже ссылки дать...Второе,от куда вы взяли что я выложил фото регатовских стеклоподьёмников?я выложил фото Вазовских(для особо внимательных подскажу что на топе фотографии есть надпись vaz 2110,так что регата там не при чём) в ответ на то,что они не реечные,и что там есть трос...
_________________ ***In SNAIL we Trust***
Fiat Regata 105 TC Full MPI>Dedra Integrale GT28RS 380 hp 1.6 bar ; AR 155 Q4 ; Alfa romeo 166 3.0 V6 sporttronic ; Subaru Forester S-edition 260 h.p.
Последний раз редактировалось: Do_Sancho (Вт Мар 09, 2010 17:49), всего редактировалось 1 раз |
|
| Вернуться к началу |
|
 |
|
|
Вы не можете начинать темы Вы не можете отвечать на сообщения Вы не можете редактировать свои сообщения Вы не можете удалять свои сообщения Вы не можете голосовать в опросах Вы не можете присоединять файлы в этом форуме Вы можете скачивать файлы в этом форуме
|
Powered by phpBB © 2001, 2005 phpBB Group
|