Сайт Українського клуба фанів FIAT Український клуб фанів FIAT / CLUB UCRAINO TIFOSO DELLA FIAT

 
ФотогалереяФотогалерея   FAQFAQ   ПоискПоиск   ПользователиПользователи   ГруппыГруппы   РегистрацияРегистрация 
 ПрофильПрофиль   Войти и проверить личные сообщенияВойти и проверить личные сообщения   ВходВход 

Электрика Регата
На страницу 1, 2, 3  След.
 
Начать новую тему   Ответить на тему    Список форумов Український клуб фанів FIAT / CLUB UCRAINO TIFOSO DELLA FIAT -> FIAT Ritmo, FIAT Regata, FIAT Croma, FIAT Croma Nuova
Предыдущая тема :: Следующая тема  
Автор Сообщение
Lazkoff
Италофан


Италофан

Возраст: 40
Знак зодиака: Рак
Зарегистрирован: 28.10.2011
Сообщения: 135
Откуда: Украина, Мелитополь

Авто: Fiat Regata 65 1.9D была, ИЖ-412, АЗЛК-21412

СообщениеДобавлено: Вт Ноя 20, 2012 17:36    Заголовок сообщения: Электрика Регата Ответить с цитатой

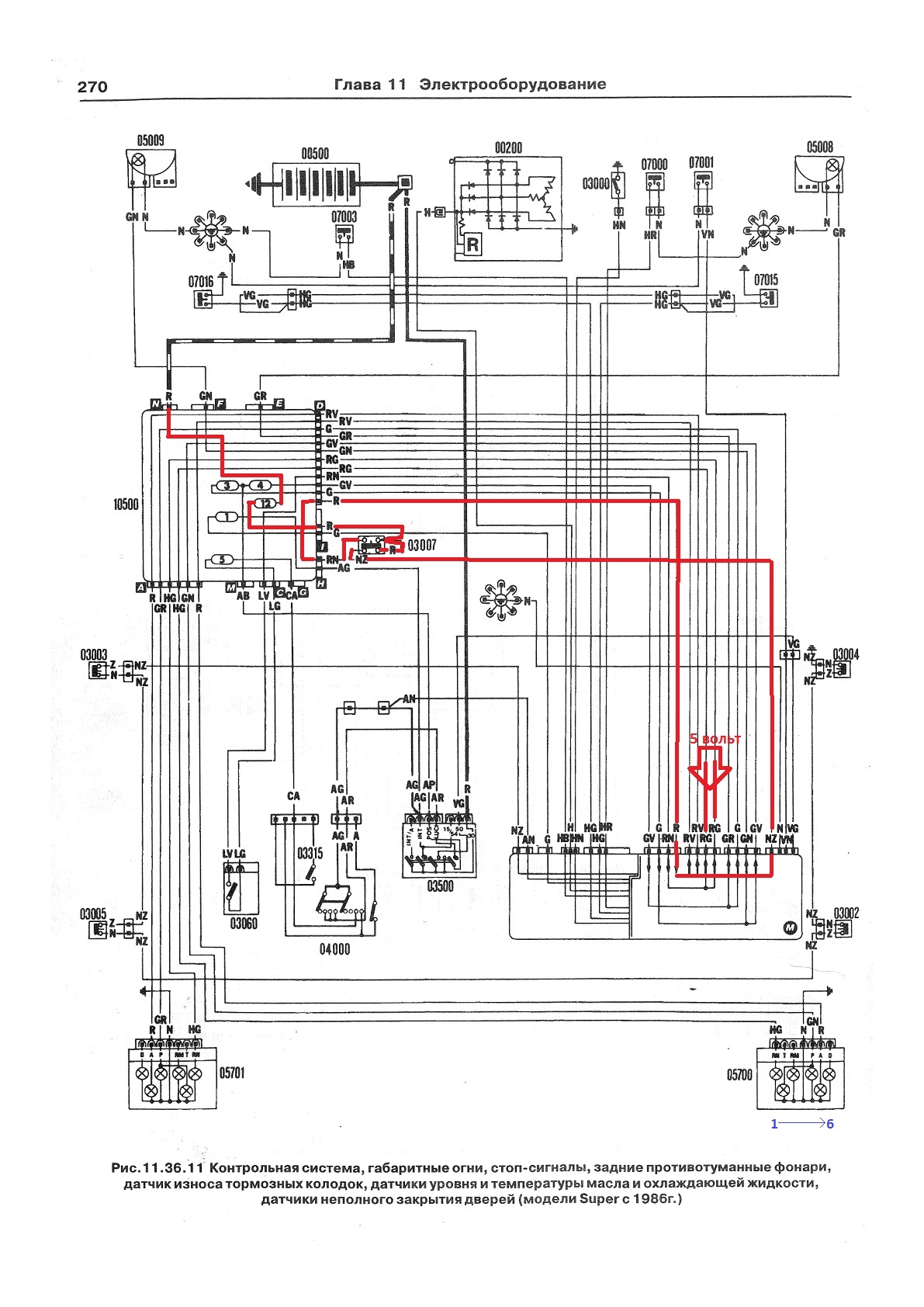
Здравствуйте, Уважаемые одноклубники! В данный момент с нуля прокладываю проводку в своей Регате 65 1.9D, изначально знаний было не много, опыта тем более, но потихоньку почти со всем разобрался. Остались некоторые вопросы, на которые ответы надеюсь получить здесь. Буду очень благодарен за любую помощь!

1. Проблема с подключением стоп-сигналов. На выходе из блока предохранителей при нажатии на педаль тормоза тестер почему-то показывает всего 5 v, а при включении зажигания независимо от состояния нажатия педали постоянно идет 12 v.
Решил разобраться: лягушка имеет 4 контакта: 2 постоянных +, один подаёт 12v при на нажатии педали - идёт в блок предохранителей, и 4-й напрямую в приборную панель постоянно 12v. Я проследил по схеме путь тока с того провода, что идёт в блок, он в результате также попадает в приборку, где выдаёт 12v при нажатии педали, а вот из приборки уже выходит 5v при нажатой педали и 12 при включении зажигания. Подскажите, какой принцип работы стопов через приборку? Это проблема в самой панели? И почему при включении зажигания появляются постоянные 12v?
Вернуться к началу
Посмотреть профиль Отправить личное сообщение
Lazkoff
Италофан


Италофан

Возраст: 40
Знак зодиака: Рак
Зарегистрирован: 28.10.2011
Сообщения: 135
Откуда: Украина, Мелитополь

Авто: Fiat Regata 65 1.9D была, ИЖ-412, АЗЛК-21412

СообщениеДобавлено: Вт Ноя 20, 2012 18:02    Заголовок сообщения: Ответить с цитатой

Вот для наглядности прилагаю схему.


Stops.jpg
 Описание:
 Размер:  461.44 KB
 Просмотрено:  1162 раз(а)

Stops.jpg


Вернуться к началу
Посмотреть профиль Отправить личное сообщение
Lazkoff
Италофан


Италофан

Возраст: 40
Знак зодиака: Рак
Зарегистрирован: 28.10.2011
Сообщения: 135
Откуда: Украина, Мелитополь

Авто: Fiat Regata 65 1.9D была, ИЖ-412, АЗЛК-21412

СообщениеДобавлено: Ср Ноя 21, 2012 11:07    Заголовок сообщения: Ответить с цитатой

А ещё, может кто-нибудь знает, что подключается к разъёму на задней стенке блока предохранителей, который выделен на фото?


WWW.SANEKUA.RU_FIAT_Ritmo_Strada,_Regata_236.jpg
 Описание:
 Размер:  103.48 KB
 Просмотрено:  801 раз(а)

WWW.SANEKUA.RU_FIAT_Ritmo_Strada,_Regata_236.jpg


Вернуться к началу
Посмотреть профиль Отправить личное сообщение
CreAtoR
Италоманьячище


Италоманьячище

Возраст: 45
Знак зодиака: Весы
Зарегистрирован: 05.11.2010
Сообщения: 25294
Откуда: Одеса

Авто: Fiat Ritmo60L(138В3.048) Lancia Dedra(835A8.046)

СообщениеДобавлено: Ср Ноя 21, 2012 11:38    Заголовок сообщения: Ответить с цитатой

ничо не понял по схеме...мне кажетцо, что красным нарисован замкнутый контур, то есть он замыкается при нажатии педали. но каким образом тоой контур связан со стопами - нипайму.

а 5 вольт, судя по схеме, просто приходят с замка через реле/ключ 03060.

_________________
СТО [:ІЖАК] - діагностика, ремонт і кава ^-^
FIAT, Lancia, AR та не італійські авто.
т. О9З-О64-28-О6
т. О99-ОЧI-ЧЧ-Ч2
Вернуться к началу
Посмотреть профиль Отправить личное сообщение
Lazkoff
Италофан


Италофан

Возраст: 40
Знак зодиака: Рак
Зарегистрирован: 28.10.2011
Сообщения: 135
Откуда: Украина, Мелитополь

Авто: Fiat Regata 65 1.9D была, ИЖ-412, АЗЛК-21412

СообщениеДобавлено: Ср Ноя 21, 2012 15:39    Заголовок сообщения: Ответить с цитатой

CreAtoR писал(а):
ничо не понял по схеме...мне кажетцо, что красным нарисован замкнутый контур, то есть он замыкается при нажатии педали. но каким образом тоой контур связан со стопами - нипайму.

а 5 вольт, судя по схеме, просто приходят с замка через реле/ключ 03060.


03060 это выключатель задних противотуманок. а стопы получается замыкаются в приборной панели, там датчик стоит какой-то что-ли. там где стрелка должен идти ток непосредственно на фонари, а там всего 5вольт выдаёт при нажатой педали, стопаки не горят соответственно.
Вернуться к началу
Посмотреть профиль Отправить личное сообщение
minakoff
Италоманьячище


Италоманьячище

Возраст: 54
Знак зодиака: Весы
Зарегистрирован: 20.10.2009
Сообщения: 2708
Откуда: Запорожье

Авто: Fiat Grande Punto

СообщениеДобавлено: Ср Ноя 21, 2012 15:44    Заголовок сообщения: Ответить с цитатой

может проще у нас купить всю проводку в сборе и не мучиться. тем более цена в полне доступна
_________________
http://autorazborka.in.ua/
+380505327712
+380683776237
Вернуться к началу
Посмотреть профиль Отправить личное сообщение Отправить e-mail Посетить сайт автора
Lazkoff
Италофан


Италофан

Возраст: 40
Знак зодиака: Рак
Зарегистрирован: 28.10.2011
Сообщения: 135
Откуда: Украина, Мелитополь

Авто: Fiat Regata 65 1.9D была, ИЖ-412, АЗЛК-21412

СообщениеДобавлено: Ср Ноя 21, 2012 16:23    Заголовок сообщения: Ответить с цитатой

minakoff писал(а):
может проще у нас купить всю проводку в сборе и не мучиться. тем более цена в полне доступна


Ну проводку даже в сборе все равно по схеме прокладывать нужно, а тут проблема по ходу в самой приборке. Наколхозить то можно, просто я хотел всё сделать правильно. Спасибо за предложение, если что буду обращаться Smile
Вернуться к началу
Посмотреть профиль Отправить личное сообщение
CreAtoR
Италоманьячище


Италоманьячище

Возраст: 45
Знак зодиака: Весы
Зарегистрирован: 05.11.2010
Сообщения: 25294
Откуда: Одеса

Авто: Fiat Ritmo60L(138В3.048) Lancia Dedra(835A8.046)

СообщениеДобавлено: Ср Ноя 21, 2012 17:48    Заголовок сообщения: Ответить с цитатой

требуемые лампы в какой позиции на картинке?

потому как если 03060 - замыкатель задних ПТФ, то он и должен включать ПТФ, а не стопы...



Stops.jpg
 Описание:
 Размер:  462.49 KB
 Просмотрено:  746 раз(а)

Stops.jpg



_________________
СТО [:ІЖАК] - діагностика, ремонт і кава ^-^
FIAT, Lancia, AR та не італійські авто.
т. О9З-О64-28-О6
т. О99-ОЧI-ЧЧ-Ч2
Вернуться к началу
Посмотреть профиль Отправить личное сообщение
Lazkoff
Италофан


Италофан

Возраст: 40
Знак зодиака: Рак
Зарегистрирован: 28.10.2011
Сообщения: 135
Откуда: Украина, Мелитополь

Авто: Fiat Regata 65 1.9D была, ИЖ-412, АЗЛК-21412

СообщениеДобавлено: Ср Ноя 21, 2012 18:17    Заголовок сообщения: Ответить с цитатой

CreAtoR

Сейчас попробую более адекватно схему оформить... Very Happy
Вернуться к началу
Посмотреть профиль Отправить личное сообщение
Lazkoff
Италофан


Италофан

Возраст: 40
Знак зодиака: Рак
Зарегистрирован: 28.10.2011
Сообщения: 135
Откуда: Украина, Мелитополь

Авто: Fiat Regata 65 1.9D была, ИЖ-412, АЗЛК-21412

СообщениеДобавлено: Ср Ноя 21, 2012 18:28    Заголовок сообщения: Ответить с цитатой

Блин, я протупил, выделил не те провода на схеме, правильные левее - RV 2 штуки. RG действительно на туманки идут.
Вернуться к началу
Посмотреть профиль Отправить личное сообщение
Lazkoff
Италофан


Италофан

Возраст: 40
Знак зодиака: Рак
Зарегистрирован: 28.10.2011
Сообщения: 135
Откуда: Украина, Мелитополь

Авто: Fiat Regata 65 1.9D была, ИЖ-412, АЗЛК-21412

СообщениеДобавлено: Ср Ноя 21, 2012 18:57    Заголовок сообщения: Ответить с цитатой

Вот, так я думаю понятнее.


Scheme.jpg
 Описание:
 Размер:  483.28 KB
 Просмотрено:  2009 раз(а)

Scheme.jpg



Legend.jpg
 Описание:
 Размер:  234.57 KB
 Просмотрено:  862 раз(а)

Legend.jpg



Colors.jpg
 Описание:
 Размер:  46.4 KB
 Просмотрено:  541 раз(а)

Colors.jpg


Вернуться к началу
Посмотреть профиль Отправить личное сообщение
CreAtoR
Италоманьячище


Италоманьячище

Возраст: 45
Знак зодиака: Весы
Зарегистрирован: 05.11.2010
Сообщения: 25294
Откуда: Одеса

Авто: Fiat Ritmo60L(138В3.048) Lancia Dedra(835A8.046)

СообщениеДобавлено: Ср Ноя 21, 2012 19:56    Заголовок сообщения: Ответить с цитатой

завтра на работе распечатаю, и карандашом по бумаге постараюсь, а то на узком экране ноута только колесо вверх-вниз мотаю и нифига не понятно Laughing
_________________
СТО [:ІЖАК] - діагностика, ремонт і кава ^-^
FIAT, Lancia, AR та не італійські авто.
т. О9З-О64-28-О6
т. О99-ОЧI-ЧЧ-Ч2
Вернуться к началу
Посмотреть профиль Отправить личное сообщение
Lazkoff
Италофан


Италофан

Возраст: 40
Знак зодиака: Рак
Зарегистрирован: 28.10.2011
Сообщения: 135
Откуда: Украина, Мелитополь

Авто: Fiat Regata 65 1.9D была, ИЖ-412, АЗЛК-21412

СообщениеДобавлено: Сб Ноя 24, 2012 12:23    Заголовок сообщения: Ответить с цитатой

Причина не работающих стопов, а также одного контура габаритов была в так называемом бортовом компе, плата которого подгорела неизвестно сколько лет назад. Сначала думал поискать такую же целую, но потом всё таки решил переделать свет как в версии без БК, и не колхоз вроде, и надежнее, чем будет работать через 25-летнюю микросхему Very Happy


CIMG0009.jpg
 Описание:
 Размер:  459.82 KB
 Просмотрено:  692 раз(а)

CIMG0009.jpg


Вернуться к началу
Посмотреть профиль Отправить личное сообщение
Lazkoff
Италофан


Италофан

Возраст: 40
Знак зодиака: Рак
Зарегистрирован: 28.10.2011
Сообщения: 135
Откуда: Украина, Мелитополь

Авто: Fiat Regata 65 1.9D была, ИЖ-412, АЗЛК-21412

СообщениеДобавлено: Сб Ноя 24, 2012 12:28    Заголовок сообщения: Ответить с цитатой

Lazkoff писал(а):
А ещё, может кто-нибудь знает, что подключается к разъёму на задней стенке блока предохранителей, который выделен на фото?


http://fiat-club.org.ua/forum/download.php?id=50357

Подскажите, плиз, что сюда подключается? Может дополнительная масса?
Вернуться к началу
Посмотреть профиль Отправить личное сообщение
ja.kap
Италофан


Италофан

Возраст: 48
Знак зодиака: Водолей
Зарегистрирован: 15.02.2010
Сообщения: 169
Откуда: Житомир

Авто: РегатаDS 1.9 дизель 86 года

СообщениеДобавлено: Пт Дек 07, 2012 10:45    Заголовок сообщения: Ответить с цитатой

Может, кто встречался с таким. Горит тусклым постоянно свет в салоне. Как это прекратить?
Вернуться к началу
Посмотреть профиль Отправить личное сообщение
Показать сообщения:   
Начать новую тему   Ответить на тему    Список форумов Український клуб фанів FIAT / CLUB UCRAINO TIFOSO DELLA FIAT -> FIAT Ritmo, FIAT Regata, FIAT Croma, FIAT Croma Nuova Часовой пояс: GMT + 3
На страницу 1, 2, 3  След.
Страница 1 из 3

 
Перейти:  
Вы не можете начинать темы
Вы не можете отвечать на сообщения
Вы не можете редактировать свои сообщения
Вы не можете удалять свои сообщения
Вы не можете голосовать в опросах
Вы не можете присоединять файлы в этом форуме
Вы можете скачивать файлы в этом форуме






Powered by phpBB © 2001, 2005 phpBB Group
З питань розміщення реклами писати на цю адресу