Сайт Українського клуба фанів FIAT Український клуб фанів FIAT / CLUB UCRAINO TIFOSO DELLA FIAT

 
ФотогалереяФотогалерея   FAQFAQ   ПоискПоиск   ПользователиПользователи   ГруппыГруппы   РегистрацияРегистрация 
 ПрофильПрофиль   Войти и проверить личные сообщенияВойти и проверить личные сообщения   ВходВход 

Установка сигнализации на Добло своими руками
На страницу 1, 2  След.
 
Начать новую тему   Ответить на тему    Список форумов Український клуб фанів FIAT / CLUB UCRAINO TIFOSO DELLA FIAT -> FIAT Doblo
Предыдущая тема :: Следующая тема  
Автор Сообщение
Heet
Италоманьячище


Италоманьячище

Возраст: 45
Знак зодиака: Овен
Зарегистрирован: 16.01.2013
Сообщения: 3295
Откуда: Полтава

Авто: Fiat Doblo 1,3 MJTD 16V 75CV 55KW

СообщениеДобавлено: Ср Мар 05, 2014 09:34    Заголовок сообщения: Установка сигнализации на Добло своими руками Ответить с цитатой

Перерыв тонны инфы и отсеяв кучу шлака, вроде разобрался. Хочу создать тему, чтоб она точно была, со всей инфой в одном месте.

Итак. Сначала было найдено это:



Но в разъемах не было указанных проводов, поэтому начал искать дальше. Нашел мануал по подключению Шерхана - очень толково сделано, с фоточками, пригодилось бы раньше.
Тута:
http://www.google.com.ua/url?sa=t&rct=j&q=&esrc=s&source=web&cd=1&cad=rja&ved=0CCsQFjAA&url=http%3A%2F%2Fsupport.mega-f.ru%2Ffiles%2Fmap%2F3031021605F01FFFF2.pdf&ei=18QWU9aYH83TsgapwYD4DQ&usg=AFQjCNE91sfuxmNrAsgKO0ZNtfihGL73lw&sig2=wUwPyte7f4TpMvbgtvrl8A

Единственный вопрос, который пока есть - КАКОЙ нужен диод в разрыв концевика задней двери? (маркировка, ТТХ) И где у диода анод, а где катод? Very Happy Помню что жопа с пластинкой - вроде катод )) Но на современных там черт ногу сломит, помогайте Smile



t___________194.jpg
 Описание:
 Размер:  49.74 KB
 Просмотрено:  1411 раз(а)

t___________194.jpg


Вернуться к началу
Посмотреть профиль Отправить личное сообщение
Heet
Италоманьячище


Италоманьячище

Возраст: 45
Знак зодиака: Овен
Зарегистрирован: 16.01.2013
Сообщения: 3295
Откуда: Полтава

Авто: Fiat Doblo 1,3 MJTD 16V 75CV 55KW

СообщениеДобавлено: Ср Мар 05, 2014 09:41    Заголовок сообщения: Ответить с цитатой

Из всего, что может быть полезным для прочтения:

http://club-fiat.org.ua/forum/38-2748-2
http://autosiga.ru/elektroprovodka/fiat/577-ustanovka-avtosignalizatsii-na-fiat-doblo-tochki-podklyucheniya-raspolozhenie-i-tsveta-provodov
http://fiat-club.org.ua/forum/viewtopic.php?t=19072
http://fiat-club.org.ua/forum/viewtopic.php?t=20595&postdays=0&postorder=asc&start=15 (в теме про Скудо/Дукато Very Happy )
Вернуться к началу
Посмотреть профиль Отправить личное сообщение
phosaly
Италоманьячище


Италоманьячище

Возраст: 54
Знак зодиака: Близнецы
Зарегистрирован: 27.05.2013
Сообщения: 1673
Откуда: Ровно

Авто: Fiat doblo 1.9Multijet 77kw 2007 Panaroma

СообщениеДобавлено: Ср Мар 05, 2014 09:46    Заголовок сообщения: Ответить с цитатой

Единственный вопрос, который пока есть - КАКОЙ нужен диод в разрыв концевика задней двери ?
каждая сигнализация своя схема но на примере у старлейна
http://fiat-club.org.ua/forum/download.php?id=72193
диоды 1N4007
Вернуться к началу
Посмотреть профиль Отправить личное сообщение
Heet
Италоманьячище


Италоманьячище

Возраст: 45
Знак зодиака: Овен
Зарегистрирован: 16.01.2013
Сообщения: 3295
Откуда: Полтава

Авто: Fiat Doblo 1,3 MJTD 16V 75CV 55KW

СообщениеДобавлено: Ср Мар 05, 2014 09:51    Заголовок сообщения: Ответить с цитатой

phosaly плюс тебе в карму, мил человек Very Happy
Вернуться к началу
Посмотреть профиль Отправить личное сообщение
Heet
Италоманьячище


Италоманьячище

Возраст: 45
Знак зодиака: Овен
Зарегистрирован: 16.01.2013
Сообщения: 3295
Откуда: Полтава

Авто: Fiat Doblo 1,3 MJTD 16V 75CV 55KW

СообщениеДобавлено: Чт Мар 06, 2014 15:54    Заголовок сообщения: Ответить с цитатой

А никто не имеет случайно рисунка с распиновкой фишек в салонном блоке предохранителей?
Вернуться к началу
Посмотреть профиль Отправить личное сообщение
diavard
Италоманьяк


Италоманьяк

Возраст: 45
Знак зодиака: Дева
Зарегистрирован: 04.05.2010
Сообщения: 424
Откуда: Одесса

Авто: Fiat Doblo Panorama 1.4 8V 2008г ориг пасс, мотор 350 A1.000

СообщениеДобавлено: Чт Мар 06, 2014 20:06    Заголовок сообщения: Ответить с цитатой

Heet писал(а):
А никто не имеет случайно рисунка с распиновкой фишек в салонном блоке предохранителей?

Elearn имеет. Very Happy Правда на английском. Какой именно разъем интересует?
Вернуться к началу
Посмотреть профиль Отправить личное сообщение
sulzer
Италомафиози


Италомафиози

Возраст: 64
Знак зодиака: Водолей
Зарегистрирован: 25.01.2012
Сообщения: 872
Откуда: Городок Львівськ.

Авто: Doblo1.9 JTD 2003 р.в.

СообщениеДобавлено: Ср Мар 26, 2014 18:43    Заголовок сообщения: Ответить с цитатой

Извиняйте шо не в тему: уа вдруг у кого есть схема подключения сигнализации Steel Mate model 888HO ? Купил давненько,потом потерял,точнее-размокло в хлам бумага...В интеренте не могу найти...
_________________
Найстрашніші комахи-таракани в голові!
Вернуться к началу
Посмотреть профиль Отправить личное сообщение
sbiba78
Италофан


Италофан

Возраст: 47
Знак зодиака: Стрелец
Зарегистрирован: 07.03.2010
Сообщения: 104
Откуда: Україна

Авто: В пошуку

СообщениеДобавлено: Вс Дек 07, 2014 19:22    Заголовок сообщения: Ответить с цитатой

Усім привіт
порадьте як підключити сигнализацию до аварійки щоб мигало спереду і заду.
Було підключено до габаритів Doblo1.9 07р
Вернуться к началу
Посмотреть профиль Отправить личное сообщение
andriylv
Италофан


Италофан

Возраст: 49
Знак зодиака: Козерог
Зарегистрирован: 03.04.2013
Сообщения: 216
Откуда: Україна, Львів

Авто: Fiat Doblo 1,6 16V natural power

СообщениеДобавлено: Вс Дек 07, 2014 19:47    Заголовок сообщения: Ответить с цитатой

http://autosiga.ru/elektroprovodka/fiat/577-ustanovka-avtosignalizatsii-na-fiat-doblo-tochki-podklyucheniya-raspolozhenie-i-tsveta-provodov
Вернуться к началу
Посмотреть профиль Отправить личное сообщение
sbiba78
Италофан


Италофан

Возраст: 47
Знак зодиака: Стрелец
Зарегистрирован: 07.03.2010
Сообщения: 104
Откуда: Україна

Авто: В пошуку

СообщениеДобавлено: Вс Дек 07, 2014 19:54    Заголовок сообщения: Ответить с цитатой

таку схему я маю підключав по ні мигають тільки передні повороти а задні ні
Вернуться к началу
Посмотреть профиль Отправить личное сообщение
andriylv
Италофан


Италофан

Возраст: 49
Знак зодиака: Козерог
Зарегистрирован: 03.04.2013
Сообщения: 216
Откуда: Україна, Львів

Авто: Fiat Doblo 1,6 16V natural power

СообщениеДобавлено: Вс Дек 07, 2014 21:06    Заголовок сообщения: Ответить с цитатой

sbiba78 писал(а):
таку схему я маю підключав по ні мигають тільки передні повороти а задні ні

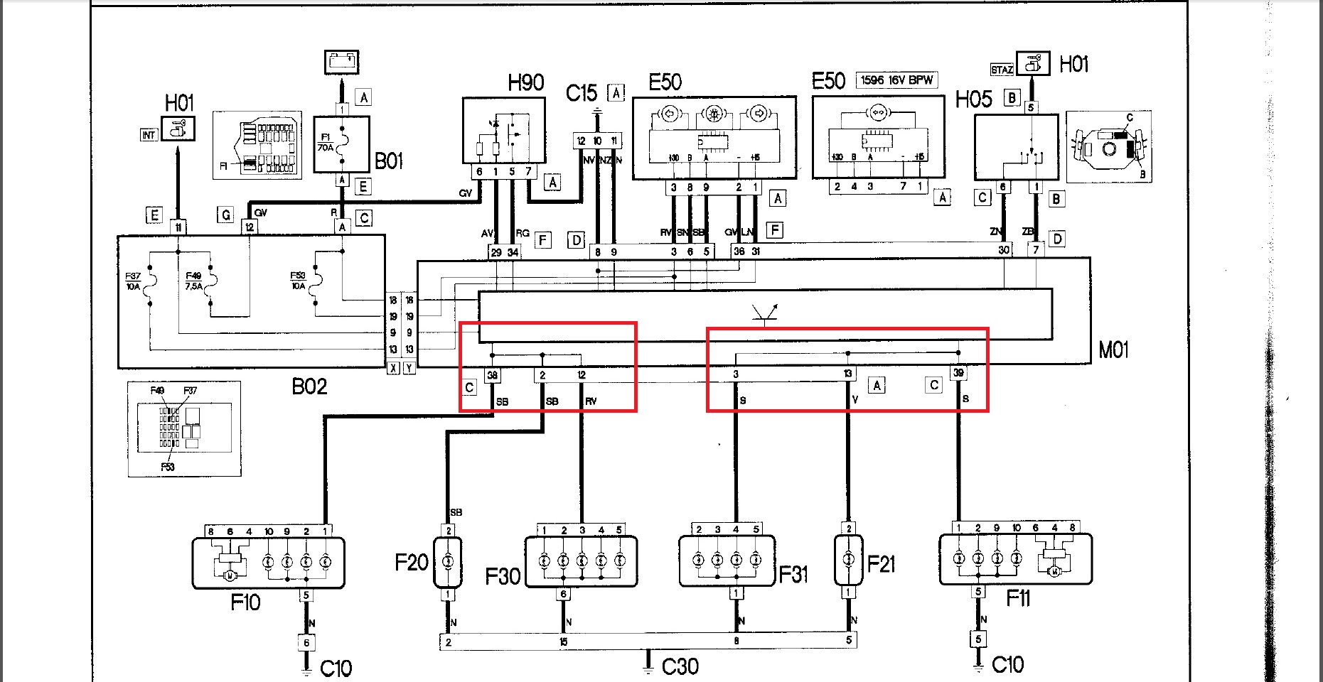
Значить шукай проблему, чому працює перід а зад ні... По схемі такого бути не може!!!



2014-12-07_200316.jpg
 Описание:
 Размер:  324.57 KB
 Просмотрено:  1660 раз(а)

2014-12-07_200316.jpg



2014-12-07_195935.jpg
 Описание:
 Размер:  72.66 KB
 Просмотрено:  939 раз(а)

2014-12-07_195935.jpg


Вернуться к началу
Посмотреть профиль Отправить личное сообщение
sbiba78
Италофан


Италофан

Возраст: 47
Знак зодиака: Стрелец
Зарегистрирован: 07.03.2010
Сообщения: 104
Откуда: Україна

Авто: В пошуку

СообщениеДобавлено: Вс Дек 07, 2014 21:19    Заголовок сообщения: Ответить с цитатой

оk. завтра пошукаю наразі дякую.
Вернуться к началу
Посмотреть профиль Отправить личное сообщение
vitaliy_lv
Италофан


Италофан

Возраст: 46
Знак зодиака: Дева
Зарегистрирован: 09.03.2014
Сообщения: 114
Откуда: Львов

Авто: Alfa Romeo 156 2.0 JTS, Alfa Romeo 159 2.0 JTDm, Fiat 500 1.3 Multijet

СообщениеДобавлено: Вс Дек 07, 2014 21:56    Заголовок сообщения: Ответить с цитатой

На каждую лампочку поворота надо ставить диодную развязку от сигналки иначе будет бить ошибку на бортовом или не будут мигать все лампочки поворотов. На Добло бортовой отслеживает каждую лампочку.
Вернуться к началу
Посмотреть профиль Отправить личное сообщение
andriylv
Италофан


Италофан

Возраст: 49
Знак зодиака: Козерог
Зарегистрирован: 03.04.2013
Сообщения: 216
Откуда: Україна, Львів

Авто: Fiat Doblo 1,6 16V natural power

СообщениеДобавлено: Вс Дек 07, 2014 22:46    Заголовок сообщения: Ответить с цитатой

vitaliy_lv писал(а):
На каждую лампочку поворота надо ставить диодную развязку от сигналки иначе будет бить ошибку на бортовом или не будут мигать все лампочки поворотов. На Добло бортовой отслеживает каждую лампочку.

Не треба на кожну лампочку діод. Я для того схему виложив, і позначив червоним, на якій чітко видно що лампочки паралельно по лівій стороні, і по правій.
Вернуться к началу
Посмотреть профиль Отправить личное сообщение
vitaliy_lv
Италофан


Италофан

Возраст: 46
Знак зодиака: Дева
Зарегистрирован: 09.03.2014
Сообщения: 114
Откуда: Львов

Авто: Alfa Romeo 156 2.0 JTS, Alfa Romeo 159 2.0 JTDm, Fiat 500 1.3 Multijet

СообщениеДобавлено: Пн Дек 08, 2014 09:07    Заголовок сообщения: Ответить с цитатой

Ну-ну.
Вернуться к началу
Посмотреть профиль Отправить личное сообщение
Показать сообщения:   
Начать новую тему   Ответить на тему    Список форумов Український клуб фанів FIAT / CLUB UCRAINO TIFOSO DELLA FIAT -> FIAT Doblo Часовой пояс: GMT + 3
На страницу 1, 2  След.
Страница 1 из 2

 
Перейти:  
Вы не можете начинать темы
Вы не можете отвечать на сообщения
Вы не можете редактировать свои сообщения
Вы не можете удалять свои сообщения
Вы не можете голосовать в опросах
Вы не можете присоединять файлы в этом форуме
Вы можете скачивать файлы в этом форуме






Powered by phpBB © 2001, 2005 phpBB Group
З питань розміщення реклами писати на цю адресу