Сайт Українського клуба фанів FIAT Український клуб фанів FIAT / CLUB UCRAINO TIFOSO DELLA FIAT

 
ФотогалереяФотогалерея   FAQFAQ   ПоискПоиск   ПользователиПользователи   ГруппыГруппы   РегистрацияРегистрация 
 ПрофильПрофиль   Войти и проверить личные сообщенияВойти и проверить личные сообщения   ВходВход 

изучение спроса
На страницу 1, 2  След.
 
Начать новую тему   Ответить на тему    Список форумов Український клуб фанів FIAT / CLUB UCRAINO TIFOSO DELLA FIAT -> Загальні теми
Предыдущая тема :: Следующая тема  

Оно вам надо?
Да
10%
 10%  [ 3 ]
Нет
25%
 25%  [ 7 ]
Да но дороговато для меня
10%
 10%  [ 3 ]
У мну нет климата
53%
 53%  [ 15 ]
Всего голосов : 28

Автор Сообщение
t309
Италоманьячище


Италоманьячище

Возраст: 42
Знак зодиака: Телец
Зарегистрирован: 10.01.2009
Сообщения: 1335
Откуда: Львов

Авто: dedra

СообщениеДобавлено: Вт Авг 11, 2009 14:47    Заголовок сообщения: изучение спроса Ответить с цитатой

решая всем извесную проблему поломки шестерни в приводе управляющем заслонкой подачи воздуха (салон/улица) я дошол до создания електронного блочка сделанного на контроллере ПСОК которий просто включаєтся в разрив розєма соединяющего блок управления климатом с приводом заслонки и контролирует процес ее закривания и откривания отталкиваясь от потребляємого тока привода, главная проблема в том что напряжение на привод подается гдето на 10 секунд дольше чем необходимо для смени положения, когда заслонка оказивается в одном из крайних положений редуктор в приводе создает довольно большой момент достаточний чтоб сламать шестеренку, етот блочек интелектуально управляєт всем процесом включая и запоминание текущего положения, дело в том что когда ви включаете зажигание блок климата каждий раз подает напряжение чтоб поставить заслонку в одно из крайних положений хотя как правил оона уже там находится и ето создает бешеную нагрузку на елементи редуктора.

Установка девайса очень проста, в идеале просто разомкнул разєм и втикнул в разрив блочек, максимум ето разрезал 2 провода зачистил и прикрутил к блочку.
Короче для себя я проблему решил, и подумал что могу помоч другим поставив ето дело на конвеер так сказать, цена девайса 25у.е
теперь вопрос, оно вам надо или нет???
Вернуться к началу
Посмотреть профиль Отправить личное сообщение
T-Rex
Италоманьячище


Италоманьячище

Возраст: 44
Знак зодиака: Близнецы
Зарегистрирован: 18.06.2008
Сообщения: 7243
Откуда: Киев

Авто: Красная Ёлка

СообщениеДобавлено: Вт Авг 11, 2009 16:50    Заголовок сообщения: Ответить с цитатой

Думаю стоящая весчь - у мну редуктор уже щёлкает сломанными шестернями, хотя с улицы воздух подаёт в полной мере.
По цене... мне кажется дороговастенько... Smile

_________________
Вернуться к началу
Посмотреть профиль Отправить личное сообщение
Книголюб
Италоманьячище


Италоманьячище

Возраст: 41
Знак зодиака: Телец
Зарегистрирован: 21.04.2009
Сообщения: 5776
Откуда: г.Кременчук/Горішні Плавні

Авто: Fiat Crоma 2.0.i.e 1988 г.в.

СообщениеДобавлено: Вт Авг 11, 2009 19:01    Заголовок сообщения: Ответить с цитатой

нажаль у меня нет климата

и что же туда можно впихнуть на 25 у.е. ??

_________________
YOUTUBE про Croma та Linea
Вернуться к началу
Посмотреть профиль Отправить личное сообщение AIM Address Yahoo Messenger MSN Messenger
Vaschek
Италоманьячище


Италоманьячище

Возраст: 50
Знак зодиака: Дева
Зарегистрирован: 25.07.2008
Сообщения: 4501
Откуда: Киевские мы

Авто: VW Passat B3 / Peugeot 106

СообщениеДобавлено: Ср Авг 12, 2009 11:03    Заголовок сообщения: Re: изучение спроса Ответить с цитатой

t309 писал(а):
решая всем извесную проблему поломки шестерни в приводе управляющем заслонкой подачи воздуха (салон/улица) я дошол до создания електронного блочка сделанного на контроллере ПСОК которий просто включаєтся в разрив розєма соединяющего блок управления климатом с приводом заслонки и контролирует процес ее закривания и откривания отталкиваясь от потребляємого тока привода, главная проблема в том что напряжение на привод подается гдето на 10 секунд дольше чем необходимо для смени положения, когда заслонка оказивается в одном из крайних положений редуктор в приводе создает довольно большой момент достаточний чтоб сламать шестеренку, етот блочек интелектуально управляєт всем процесом включая и запоминание текущего положения, дело в том что когда ви включаете зажигание блок климата каждий раз подает напряжение чтоб поставить заслонку в одно из крайних положений хотя как правил оона уже там находится и ето создает бешеную нагрузку на елементи редуктора.

Установка девайса очень проста, в идеале просто разомкнул разєм и втикнул в разрив блочек, максимум ето разрезал 2 провода зачистил и прикрутил к блочку.
Короче для себя я проблему решил, и подумал что могу помоч другим поставив ето дело на конвеер так сказать, цена девайса 25у.е
теперь вопрос, оно вам надо или нет???


Чуть глаза не сломал...., а где знаки препинания и т.д.

_________________
Морква на городi, У саду бджола.
Жаба на болотi Крила розвела.
Хоче полетiти, Тихо каже "Ква!"
Але в небо взмити Hе дає Москва.
Вернуться к началу
Посмотреть профиль Отправить личное сообщение Отправить e-mail
DEMOKPAT
Италоманьячище


Италоманьячище

Возраст: 53
Знак зодиака: Рак
Зарегистрирован: 06.05.2009
Сообщения: 2097
Откуда: Киев - Яготин

Авто: Бензин кончился

СообщениеДобавлено: Чт Авг 13, 2009 00:20    Заголовок сообщения: Ответить с цитатой

ХЗ
Я климат вывел на ручное включение.
Нужен - включил тумблерок, работает. Не нужен, выключил.
Теперь от зажигания не зависит и не бесится, когда стартёр крутишь.
Как по мне, этого вполне достаточно.
И как правило, когда включаю климат вручную, сразу жму необходимую кнопку, посему заслонка вероятно не уходит на старт)
Переделал на ручное, не из соображений что заслока гуляет, об этом я совсем не думал Smile
Меня просто кумарило, что при повороте ключа всегда включается климат, приходилось выключать и плюс когда стартёр крутишь - бесится всеми светодиодами. Нах он нать?
ЗЫ ни чего не имею против вышеописаного девайса.
Вернуться к началу
Посмотреть профиль Отправить личное сообщение Отправить e-mail
T-Rex
Италоманьячище


Италоманьячище

Возраст: 44
Знак зодиака: Близнецы
Зарегистрирован: 18.06.2008
Сообщения: 7243
Откуда: Киев

Авто: Красная Ёлка

СообщениеДобавлено: Чт Авг 13, 2009 10:15    Заголовок сообщения: Ответить с цитатой

DEMOKPAT писал(а):
ХЗ
Я климат вывел на ручное включение.
Нужен - включил тумблерок, работает. Не нужен, выключил.
А с этого места поподробнее, где именно цепь разорвал? Smile
_________________
Вернуться к началу
Посмотреть профиль Отправить личное сообщение
DEMOKPAT
Италоманьячище


Италоманьячище

Возраст: 53
Знак зодиака: Рак
Зарегистрирован: 06.05.2009
Сообщения: 2097
Откуда: Киев - Яготин

Авто: Бензин кончился

СообщениеДобавлено: Чт Авг 13, 2009 14:46    Заголовок сообщения: Ответить с цитатой

14 нога на колодке климата, красный провод.
Если смотреть на колодку со стороны разъёмов, (не проводов)то верхний ряд, крайняя справа.
Со стороны проводов, соответственно крайняя слева.
Но разъёмы подписаны. 14
Схему не выкладываю, влом фоткать.
Да и на пальцах даже понятнее Laughing
Вернуться к началу
Посмотреть профиль Отправить личное сообщение Отправить e-mail
akadem1
Италоманьячище


Италоманьячище

Возраст: 54
Знак зодиака: Весы
Зарегистрирован: 16.04.2007
Сообщения: 2433
Откуда: киев

Авто: ,fiat bravo trofeo 1242 16v 2000г,FIAT GRANDE PUNTO 2006 1.4 гбо,Fiat croma2 1,8 16v ГБО,фиат крома 2.0i.e 834b146--1986г--продана

СообщениеДобавлено: Пн Авг 17, 2009 21:00    Заголовок сообщения: Ответить с цитатой

тю,а не проще до вытаскивания ключа просто выключить климат(кнопка оф).У меня вообще с этим проблем нет.Даже если климат включен сохраняются последние установки.
Вернуться к началу
Посмотреть профиль Отправить личное сообщение
finenko
Италоманьячище


Италоманьячище

Возраст: 50
Знак зодиака: Телец
Зарегистрирован: 16.10.2006
Сообщения: 2271
Откуда: Днепр

Авто: был UNO 1,4ies, Tempra 1,6ie, теперь Stilo 1,6

СообщениеДобавлено: Пн Авг 17, 2009 21:29    Заголовок сообщения: Ответить с цитатой

Проще воткнуть в цепь термореле, думаю гривен 20 максимум это обойдётся.
Вернуться к началу
Посмотреть профиль Отправить личное сообщение
t309
Италоманьячище


Италоманьячище

Возраст: 42
Знак зодиака: Телец
Зарегистрирован: 10.01.2009
Сообщения: 1335
Откуда: Львов

Авто: dedra

СообщениеДобавлено: Вт Авг 18, 2009 03:43    Заголовок сообщения: Ответить с цитатой

ну чтож пока вижу спрос почти нулевой, ждемс еще мнений!
термореле, попробуй а потом раскажеш, не в обиду, просто много чего пробовал типа попроще все до одного места!!!

_________________
฿:1C6gircuFWS6oE6ivUiHrxvafbjJQ3MbS5
Ніяких хабарів, відкатів, порушень законів та ПДР!
Yootube https://goo.gl/TcJrkr
Продам https://goo.gl/vxIwZB
Вернуться к началу
Посмотреть профиль Отправить личное сообщение
finenko
Италоманьячище


Италоманьячище

Возраст: 50
Знак зодиака: Телец
Зарегистрирован: 16.10.2006
Сообщения: 2271
Откуда: Днепр

Авто: был UNO 1,4ies, Tempra 1,6ie, теперь Stilo 1,6

СообщениеДобавлено: Вт Авг 18, 2009 21:37    Заголовок сообщения: Ответить с цитатой

Дык а какие обиды? просто на штатных стеклоподъёмниках работает, и не один десяток лет, тока там падение на резисторе меряется, а для этого простой компаратор и релюха нужны.
Вернуться к началу
Посмотреть профиль Отправить личное сообщение
t309
Италоманьячище


Италоманьячище

Возраст: 42
Знак зодиака: Телец
Зарегистрирован: 10.01.2009
Сообщения: 1335
Откуда: Львов

Авто: dedra

СообщениеДобавлено: Ср Авг 19, 2009 03:01    Заголовок сообщения: Ответить с цитатой

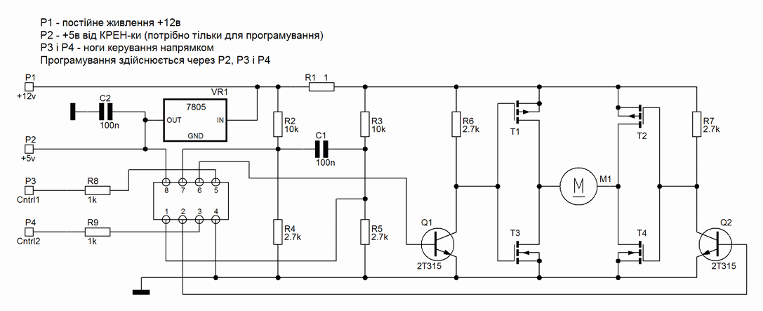
про дворники ксожелению ниче не знаю но вот про компаратор і релюху Very Happy
накинь и виложи схемку, интересно бут посмотреть Very Happy



car.gif
 Описание:
вот моя схемка
 Размер:  34 KB
 Просмотрено:  295 раз(а)

car.gif


Вернуться к началу
Посмотреть профиль Отправить личное сообщение
finenko
Италоманьячище


Италоманьячище

Возраст: 50
Знак зодиака: Телец
Зарегистрирован: 16.10.2006
Сообщения: 2271
Откуда: Днепр

Авто: был UNO 1,4ies, Tempra 1,6ie, теперь Stilo 1,6

СообщениеДобавлено: Ср Авг 19, 2009 20:33    Заголовок сообщения: Ответить с цитатой

А чё накидывать, возьми за базу хотяб схемку РЧВ кассетного мафона, дальше сам додумывай. А рисовать схемку к сожалению не есть цель в жизни на ближайшее время, работы и проблем и без этого хватает.
Вернуться к началу
Посмотреть профиль Отправить личное сообщение
DEMOKPAT
Италоманьячище


Италоманьячище

Возраст: 53
Знак зодиака: Рак
Зарегистрирован: 06.05.2009
Сообщения: 2097
Откуда: Киев - Яготин

Авто: Бензин кончился

СообщениеДобавлено: Ср Авг 19, 2009 22:12    Заголовок сообщения: Ответить с цитатой

akadem1 писал(а):
тю,а не проще до вытаскивания ключа просто выключить климат(кнопка оф).У меня вообще с этим проблем нет.Даже если климат включен сохраняются последние установки.


У меня климат в памяти ни чего не держит.
При включении зажигания, включался всегда.
Посему и поставил в разрыв, тумблерок врезал в торпедо, оч прилично выглядит)
И кстати оч удобно.
Вернуться к началу
Посмотреть профиль Отправить личное сообщение Отправить e-mail
t309
Италоманьячище


Италоманьячище

Возраст: 42
Знак зодиака: Телец
Зарегистрирован: 10.01.2009
Сообщения: 1335
Откуда: Львов

Авто: dedra

СообщениеДобавлено: Пн Июл 16, 2012 01:08    Заголовок сообщения: Ответить с цитатой

уже как 3 года прошло а я таки зделал етот девайс прошивку 2 дня напролет оттачивал і поставил на машинку теперь все пашет как надо, довольний как слон
_________________
฿:1C6gircuFWS6oE6ivUiHrxvafbjJQ3MbS5
Ніяких хабарів, відкатів, порушень законів та ПДР!
Yootube https://goo.gl/TcJrkr
Продам https://goo.gl/vxIwZB
Вернуться к началу
Посмотреть профиль Отправить личное сообщение
Показать сообщения:   
Начать новую тему   Ответить на тему    Список форумов Український клуб фанів FIAT / CLUB UCRAINO TIFOSO DELLA FIAT -> Загальні теми Часовой пояс: GMT + 3
На страницу 1, 2  След.
Страница 1 из 2

 
Перейти:  
Вы не можете начинать темы
Вы не можете отвечать на сообщения
Вы не можете редактировать свои сообщения
Вы не можете удалять свои сообщения
Вы не можете голосовать в опросах
Вы не можете присоединять файлы в этом форуме
Вы можете скачивать файлы в этом форуме






Powered by phpBB © 2001, 2005 phpBB Group
З питань розміщення реклами писати на цю адресу