Сайт Українського клуба фанів FIAT Український клуб фанів FIAT / CLUB UCRAINO TIFOSO DELLA FIAT

 
ФотогалереяФотогалерея   FAQFAQ   ПоискПоиск   ПользователиПользователи   ГруппыГруппы   РегистрацияРегистрация 
 ПрофильПрофиль   Войти и проверить личные сообщенияВойти и проверить личные сообщения   ВходВход 

прошивка зажигания tipo 1.4
На страницу 1, 2, 3  След.
 
Начать новую тему   Ответить на тему    Список форумов Український клуб фанів FIAT / CLUB UCRAINO TIFOSO DELLA FIAT -> FIAT Tipo, FIAT Tempra
Предыдущая тема :: Следующая тема  
Автор Сообщение
biniteck
Италоманьяк


Италоманьяк

Возраст: 42
Знак зодиака: Скорпион
Зарегистрирован: 26.05.2011
Сообщения: 430
Откуда: Харьков

Авто: Fiat Tipo 1.4; 94г.; 160A1.046; SPI Jetronic A2.2;

СообщениеДобавлено: Сб Июл 30, 2011 18:25    Заголовок сообщения: прошивка зажигания tipo 1.4 Ответить с цитатой

у меня в типо по идее предусмотрен моноинжектор, но до меня был заменён на карбюратор солекс. если я правильно понял -зажигание в машине не регулируется-контролируется мозгами...мастер (карбюраторщик) сказал мне, что при проверке стробоскопом видна очень медленная реакция на перегазовки. т.е. она есть, но она не карбюраторная, а инжекторная-намного медленнее, чем должна быть для карбюратора. и высказал мнение, что эта реакция глушится мозгами. получается что карбюратор поставили, а прошить под него мозги забыли....кто-нибудь подскажет как прошить зажигание или можно-ли это сделать вообще?
Вернуться к началу
Посмотреть профиль Отправить личное сообщение Отправить e-mail
=aleks=
Италоманьячище


Италоманьячище

Возраст: 49
Знак зодиака: Лев
Зарегистрирован: 06.10.2009
Сообщения: 8633
Откуда: Харьков

Авто: была Tempra2.0 теперьTоyota carina-e 93 1.6

СообщениеДобавлено: Сб Июл 30, 2011 18:28    Заголовок сообщения: Ответить с цитатой

biniteck
шото я не черта не понял!!
машина не может быть на половину карбо инжекторная.
у тебя что нету трамблёра!!

_________________
Бортовик Темпра
Вернуться к началу
Посмотреть профиль Отправить личное сообщение
Алексей
Италомафиози


Италомафиози

Возраст: 38
Знак зодиака: Телец
Зарегистрирован: 03.10.2009
Сообщения: 1064
Откуда: Россия, Вязьма

Авто: fiat tipo 1.4SPI=> Mitsubishi Lancer 9

СообщениеДобавлено: Сб Июл 30, 2011 21:45    Заголовок сообщения: Ответить с цитатой

даже если это правда, а в это смутно верится, я бы не стал заморачиваться по такой ерунде
Вернуться к началу
Посмотреть профиль Отправить личное сообщение
biniteck
Италоманьяк


Италоманьяк

Возраст: 42
Знак зодиака: Скорпион
Зарегистрирован: 26.05.2011
Сообщения: 430
Откуда: Харьков

Авто: Fiat Tipo 1.4; 94г.; 160A1.046; SPI Jetronic A2.2;

СообщениеДобавлено: Вс Июл 31, 2011 12:05    Заголовок сообщения: Ответить с цитатой

=aleks=
трамблёром то, что у меня назвать нельзя-это скорее какой-то распределитель выс напряж. на вид как трамблёр, но внутри пустой)) т.е. не совсем пустой, там всё-таки есть какие-то пластиковые тарелочки...но он не регулирует ничего, просто стоит и всё...как не круте его- зажигание не изменяется...
Вернуться к началу
Посмотреть профиль Отправить личное сообщение Отправить e-mail
Croma
Италоманьячище


Италоманьячище

Возраст: 68
Знак зодиака: Овен
Зарегистрирован: 30.11.2009
Сообщения: 6091
Откуда: Окупированный Харьков

Авто: Fiat Croma TURBO IE

СообщениеДобавлено: Вс Июл 31, 2011 12:33    Заголовок сообщения: Ответить с цитатой

=aleks= писал(а):
biniteck
шото я не черта не понял!!
машина не может быть на половину карбо инжекторная.
у тебя что нету трамблёра!!

А вот и может.
На КРОМЕ это совершенно разные системы.

"а прошить под него мозги забыли"
С этим маленькая проблема.
В 1994г флешек еще не применяли.
Прошивка или по маске изготавливалась или память
с ультафиолетовым стиранием.
И понятие сменить прошивку в авто тоже не существовало.

Кому в такую чего зашить?
Вернуться к началу
Посмотреть профиль Отправить личное сообщение
=aleks=
Италоманьячище


Италоманьячище

Возраст: 49
Знак зодиака: Лев
Зарегистрирован: 06.10.2009
Сообщения: 8633
Откуда: Харьков

Авто: была Tempra2.0 теперьTоyota carina-e 93 1.6

СообщениеДобавлено: Вс Июл 31, 2011 13:36    Заголовок сообщения: Ответить с цитатой

biniteck
ну тогда бог помащ ремнем ГРМ поигратся!!

_________________
Бортовик Темпра
Вернуться к началу
Посмотреть профиль Отправить личное сообщение
Croma
Италоманьячище


Италоманьячище

Возраст: 68
Знак зодиака: Овен
Зарегистрирован: 30.11.2009
Сообщения: 6091
Откуда: Окупированный Харьков

Авто: Fiat Croma TURBO IE

СообщениеДобавлено: Вс Июл 31, 2011 14:57    Заголовок сообщения: Ответить с цитатой

"медленная реакция на перегазовки"
Вообщем то все нормально.
Скорость набора оборотов на холостых велика вот он и отстает.
В движении проблем не будет.
Ну и ремень ГРМ на скорость работы старенького компа уж точно влиять не будет.
Да. Вот еще.
В моноинжекторе впрыск и зажигание это один блок.
Впрыск отламали. И несчастный комп ищет инфу с датчиков,
занят самодиагностикой и в последнюю очередь, от безыскодности выдает искру.
Вернуться к началу
Посмотреть профиль Отправить личное сообщение
Хрюкин
Италоманьячище


Италоманьячище

Возраст: 56
Знак зодиака: Телец
Зарегистрирован: 21.03.2009
Сообщения: 2975
Откуда: Россия, Нижний Новгород, Автозавод

Авто: SATURN VUE 2.2

СообщениеДобавлено: Вс Июл 31, 2011 20:06    Заголовок сообщения: Ответить с цитатой

Croma писал(а):
В моноинжекторе впрыск и зажигание это один блок.

В моноинжекторе ДВА блока. Диджиплекс- зажигалка, Бош(или какой-либо другой)- впрыск.
Вернуться к началу
Посмотреть профиль Отправить личное сообщение
Croma
Италоманьячище


Италоманьячище

Возраст: 68
Знак зодиака: Овен
Зарегистрирован: 30.11.2009
Сообщения: 6091
Откуда: Окупированный Харьков

Авто: Fiat Croma TURBO IE

СообщениеДобавлено: Пн Авг 01, 2011 01:44    Заголовок сообщения: Ответить с цитатой

Хрюкин писал(а):
Croma писал(а):
В моноинжекторе впрыск и зажигание это один блок.

В моноинжекторе ДВА блока. Диджиплекс- зажигалка, Бош(или какой-либо другой)- впрыск.

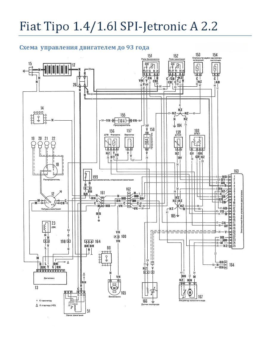
Я видел толковую книжку, что ты выложил.
Но фото очень неудобны. Нельзя ли то же самое? только сканером?
"Секреты" сканирования.
Сканер ставиться повыше(книги из домашней библиотеки)
Сканируемая раскрываеться на 90 градусов.
Кладеться на сканер и прижиметься картонкой. Да, и утюжок сверху.
В цвете 300дпи. Немножко хлопотно, но не только мне одному надо.
Вернуться к началу
Посмотреть профиль Отправить личное сообщение
Хрюкин
Италоманьячище


Италоманьячище

Возраст: 56
Знак зодиака: Телец
Зарегистрирован: 21.03.2009
Сообщения: 2975
Откуда: Россия, Нижний Новгород, Автозавод

Авто: SATURN VUE 2.2

СообщениеДобавлено: Пн Авг 01, 2011 12:57    Заголовок сообщения: Ответить с цитатой

Croma
http://fiat-club.org.ua/forum/download.php?id=28406

http://www.fiat-tipo.ru/forum22 Здесь надо зайти на "форум" и найти топливные системы.
Вернуться к началу
Посмотреть профиль Отправить личное сообщение
Nick
Италоманьячище


Италоманьячище

Возраст: 45
Знак зодиака: Стрелец
Зарегистрирован: 20.01.2006
Сообщения: 1503
Откуда: Kiev-Belaya Cerkov

Авто: Alfa 166, Alfa 164, Fiat Croma, Lancia Thema

СообщениеДобавлено: Пн Авг 01, 2011 13:54    Заголовок сообщения: Ответить с цитатой

Croma писал(а):

В 1994г флешек еще не применяли.
Прошивка или по маске изготавливалась или память
с ультафиолетовым стиранием.
И понятие сменить прошивку в авто тоже не существовало.



крайне не согласен. лично шил память в такие компы. программаторы прилично берут память с уф. к тому же есть флеш - аналоги. с тёртой прошивкой столкнулся на своей первой кроме. Там очень не дурный вебер стоит он и впрыск он и зажигание. бош да, туповат, ему интервалы впрыска выдаёт марели, а вот с сами вебером – магнети марелли намного проще. у меня тогда уф стоял на 64 кб, поставил 512 флеш и расширил прошивку увеличив диапазон и плавность.
в данной ситуации зажигание под карбюратор выглядит абсурдно. можно симулировать датчики. но поему в этом нет необходимости, так как их работа думаю корректна и их никто не отключал, за исключением дросселя. Зажигание выставляется под фазы впрыска мотора, которые в большей части зависят от валов, отсюда выходит что нужна корректировка не зажигания а длительности открытия клапанов и фазы продувки, ибо она у карба и впрыска разная.
а комп может делать задержку зажигания в этой машине, если я правильно помню, то тока из-за обеднения или обогащения смеси, которая естественно из-за разных фаз открытия-закрытия клапанов для карба и впрыска разная, то есть лямбда зонд на эмуляцию, плюс дачик ДПЗД либо эмулировать, либо вернуть на место, иначе некорректно ускорение, плюс корректировка датчика воздуха.
Вернуться к началу
Посмотреть профиль Отправить личное сообщение Отправить e-mail
Croma
Италоманьячище


Италоманьячище

Возраст: 68
Знак зодиака: Овен
Зарегистрирован: 30.11.2009
Сообщения: 6091
Откуда: Окупированный Харьков

Авто: Fiat Croma TURBO IE

СообщениеДобавлено: Вт Авг 02, 2011 04:21    Заголовок сообщения: Ответить с цитатой

Хрюкин
Да я книжку в сборе хочу.
Про все узлы и агрегаты.
Искал такую же в нете где скачать.
УВЫ. Только купить.
Так сильно, что бы купить, еще не допекло.

Nick
Я вот содрал с
Bosch 0 261 200 261 VW
Интересно найти базу куда выложить?
Вернуться к началу
Посмотреть профиль Отправить личное сообщение
Хрюкин
Италоманьячище


Италоманьячище

Возраст: 56
Знак зодиака: Телец
Зарегистрирован: 21.03.2009
Сообщения: 2975
Откуда: Россия, Нижний Новгород, Автозавод

Авто: SATURN VUE 2.2

СообщениеДобавлено: Вт Авг 02, 2011 13:01    Заголовок сообщения: Ответить с цитатой

Croma
Нашёл о чём мечтать. Книжка убогая, только схемы заслуживают внимания. Я свою Темпру восстановил в большей степени благодаря помощи форумчан.
Вернуться к началу
Посмотреть профиль Отправить личное сообщение
Jey-Ti
Италомафиози


Италомафиози

Возраст: 39
Знак зодиака: Дева
Зарегистрирован: 13.01.2009
Сообщения: 546
Откуда: Костополь

Авто: Fiat Tipo 1.4

СообщениеДобавлено: Вс Авг 21, 2011 13:15    Заголовок сообщения: Ответить с цитатой

ето точно такая же фигня как у меня была, только у меня правда родимый карб был, а его сменили на солекс, но мозги дижиплекс. А трамблер у тебя нормальный, просто опережение само регулируется через вакуум, так что крути не крути трамблер - результата ноль. Единственное что посоветую, ето вернуть назад моник, так как наверное вся проводка у тя осталась. Но Если хорошо и правильно настроить солекс то можно и так ездить, у меня был расход по трасе 6.5 по городе 8
Вернуться к началу
Посмотреть профиль Отправить личное сообщение
biniteck
Италоманьяк


Италоманьяк

Возраст: 42
Знак зодиака: Скорпион
Зарегистрирован: 26.05.2011
Сообщения: 430
Откуда: Харьков

Авто: Fiat Tipo 1.4; 94г.; 160A1.046; SPI Jetronic A2.2;

СообщениеДобавлено: Чт Сен 01, 2011 13:34    Заголовок сообщения: Ответить с цитатой

http://www.alfalubitel.com/sistema-zazhiganiya-digiplex-2/avtomobilnie-sistemi/sistema-zazhiganiya-digiplex-2.html

интересную статейку нашел...в итоге посмотрел на вакуумную трубку-она вся порепанная, получается, что не исключен подсос воздуха и этот map сенсор, который в дигплексе может не правильно корректировать зажигание. ещё не пробовал, но поидее можно попробовать посмотреть опережение с подключенным сенсором и без-сразу будут видно.
но вопрос в другом: если результат этого эксперимента будет нулевым, то как проверить сам сенсор? получается весь блок на замену?

Цитата:
...нужна корректировка не зажигания а длительности открытия клапанов и фазы продувки...

если возможно, то вкратце поясните каким образом это возможно сделать?
Вернуться к началу
Посмотреть профиль Отправить личное сообщение Отправить e-mail
Показать сообщения:   
Начать новую тему   Ответить на тему    Список форумов Український клуб фанів FIAT / CLUB UCRAINO TIFOSO DELLA FIAT -> FIAT Tipo, FIAT Tempra Часовой пояс: GMT + 3
На страницу 1, 2, 3  След.
Страница 1 из 3

 
Перейти:  
Вы не можете начинать темы
Вы не можете отвечать на сообщения
Вы не можете редактировать свои сообщения
Вы не можете удалять свои сообщения
Вы не можете голосовать в опросах
Вы не можете присоединять файлы в этом форуме
Вы можете скачивать файлы в этом форуме






Powered by phpBB © 2001, 2005 phpBB Group
З питань розміщення реклами писати на цю адресу