 |
Український клуб фанів FIAT / CLUB UCRAINO TIFOSO DELLA FIAT
|
 |
| Предыдущая тема :: Следующая тема |
| Автор |
Сообщение |
AND48 Италомафиози


Возраст: 39 Знак зодиака:  Зарегистрирован: 04.01.2008 Сообщения: 762 Откуда: Івано-Франківськ
Авто: Uno-45 (999 Fire) Doblo Nuovo (1.3MJT) & Comanche ONTARIO Comp FS
|
Добавлено: Чт Дек 03, 2009 10:50 Заголовок сообщения: електростиклоподемники на типо |
|
|
Вопрос 1: Совпадет ли крепление со старыми стеклоподемниками (были механические)???
Вопрос 2: Можно ли напрямую питание подключать от акумулятора?
|
|
| Вернуться к началу |
|
 |
Master Почетный кидала

Возраст: 38 Знак зодиака:  Зарегистрирован: 12.10.2006 Сообщения: 7747 Откуда: Киев
Авто: VW Transporter T5 2.5TDI 2007гв,Fiat Tempra 1.9TDs DGT+clima 96г.в(бешеный трактор)
|
Добавлено: Чт Дек 03, 2009 10:59 Заголовок сообщения: |
|
|
Совпадает по точкам крепления идеально а вот напрямую нельзя,кнопки поготят
_________________ Безумие-это наш запасной Выход!!!©Street NRG
VW Transporter T5 2.5TDI 2007гв(174л.с)(большoй Икарус)
Fiat Tempra 1.6 ie=>Fiat Tempra 1.9TDs DGT+clima,96г.в(TURBO трактор)
067 763 30 38 |
|
| Вернуться к началу |
|
 |
AND48 Италомафиози


Возраст: 39 Знак зодиака:  Зарегистрирован: 04.01.2008 Сообщения: 762 Откуда: Івано-Франківськ
Авто: Uno-45 (999 Fire) Doblo Nuovo (1.3MJT) & Comanche ONTARIO Comp FS
|
Добавлено: Чт Дек 03, 2009 11:05 Заголовок сообщения: |
|
|
Master - нужно через реле и предохранитель?
Может у кого то есть схема подключения их - а то у меня половину проводки нет - и не ясно какой контакт куда тянуть.
_________________ ЗАПЧАСТИ НА DOBLO SCUDO DUCATO FIORINO ...
В мене був Fiat Tipo 1.6 DOHC (149.С2.046)!!! |
|
| Вернуться к началу |
|
 |
Andrey Andrey Италоманьяк


Возраст: 41 Знак зодиака:  Зарегистрирован: 17.12.2008 Сообщения: 415 Откуда: Киев, Вышгород
Авто: БЫЛ /F/I/A/T/ Tipo 1.4 cat.i.e. 69 h.p ---> Hyundai Accent RB 1.4 2012 - 107 h.p.
|
Добавлено: Чт Дек 03, 2009 11:36 Заголовок сообщения: |
|
|
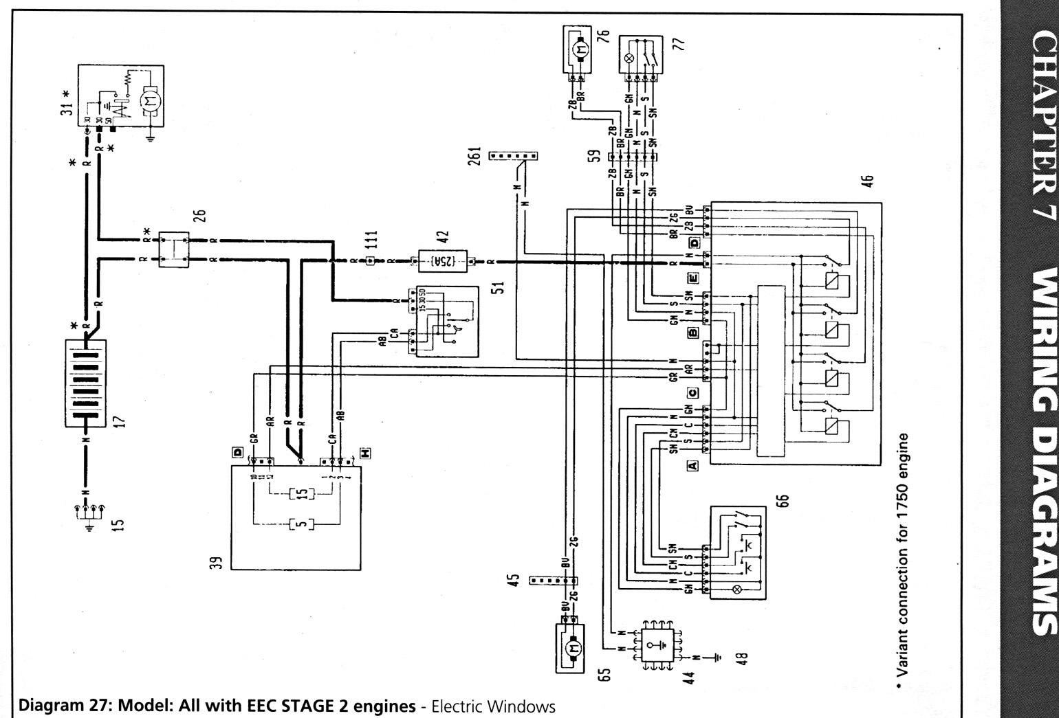
Вот електросхема. Но проводку тебе лучше купить оригинальную...
Кстати, самому интересно, Есть ли в блоке предохранителей такое подключение (посмотрите кто может сам блок, поидее должен быть рисунок окна на какихто предохранителях)????????
| Описание: |
|
| Размер: |
172.59 KB |
| Просмотрено: |
2069 раз(а) |

|
|
|
| Вернуться к началу |
|
 |
Glebi4 Италоманьячище


Возраст: 37 Знак зодиака:  Зарегистрирован: 02.10.2008 Сообщения: 1330 Откуда: Украина, Киев Оболонь
Авто: Был Fiat TIPO 2.0 Granturismo немного ракетил на 2104) Citroёn C4 new
|
Добавлено: Чт Дек 03, 2009 11:46 Заголовок сообщения: |
|
|
О, вопросик, где перемычку поставить чтоб работали без вкл. зажигания?
Очень давно хочу сделать.
_________________ GRANTURISMO POWERED by HOTTABICH.
Sempre sangue italiano automobilistico |
|
| Вернуться к началу |
|
 |
IGR Италофан


Возраст: 61 Знак зодиака:  Зарегистрирован: 10.01.2009 Сообщения: 155 Откуда: Белгород
Авто: FIAT TEMPRA 1,6ie 1992, TIPO 1750 MPI 16V SPORT 5P
|
|
| Вернуться к началу |
|
 |
Andrey Andrey Италоманьяк


Возраст: 41 Знак зодиака:  Зарегистрирован: 17.12.2008 Сообщения: 415 Откуда: Киев, Вышгород
Авто: БЫЛ /F/I/A/T/ Tipo 1.4 cat.i.e. 69 h.p ---> Hyundai Accent RB 1.4 2012 - 107 h.p.
|
|
| Вернуться к началу |
|
 |
ksv Италоманьячище


Возраст: 46 Знак зодиака:  Зарегистрирован: 21.09.2006 Сообщения: 3352 Откуда: Киев
Авто: Leaf 13 S+/Leaf 19 SV/Chrysler Pacifica 17 LX
|
Добавлено: Чт Дек 03, 2009 12:05 Заголовок сообщения: |
|
|
| Glebi4 писал(а): | О, вопросик, где перемычку поставить чтоб работали без вкл. зажигания?
Очень давно хочу сделать. |
GR замкнуть с R.
Но не советую, стекла работают на карабине сопротивлений (кнопка переключает). Из-за плохого контакта, влаги,... - стекла могут сами открыться. (инженеры в фиат в голову не только едят)
|
|
| Вернуться к началу |
|
 |
Andrey Andrey Италоманьяк


Возраст: 41 Знак зодиака:  Зарегистрирован: 17.12.2008 Сообщения: 415 Откуда: Киев, Вышгород
Авто: БЫЛ /F/I/A/T/ Tipo 1.4 cat.i.e. 69 h.p ---> Hyundai Accent RB 1.4 2012 - 107 h.p.
|
Добавлено: Чт Дек 03, 2009 12:07 Заголовок сообщения: |
|
|
Из темы, которая подымалась:
| Цитата: | Описываю.
У меня самая пустая комплектация Типы. Мне это не нравится и я ее по мере возможности дорабатываю... Можно и так сказать.
Заменил себе "бороду", соответственно и то что между передними сидухами тож поменялось.
Дошла очередь до стеклоподьемников, так как надоело открывать пасс стекло с водит. места (довольно неудобно)--многда приходилось.
Что у меня было:
-плоские карты дверей (салон "шотланская клетка" кажется так)
-ручные привода в дверях
-электросхемы подключения электрорадости
-3000 р свободных денег
-неделя свободного времени
-энтузиазм
Далее:
на 3000 рэ было куплено из донорского авто:
-родные электромотрчики с приводами в сборе
-новые карты на двери с ручками с кнопками
часть кос проводки идущие в дверях вместе с резинками кот. ставятся между дверью и кузовом...
-кое-какой крепеж, но какой -- увидите сами его в магазах навалом.
Далее пришлось найти:
-тот самый пресловутый БЛОК УПРАВЛЕНИЯ СТЕКЛОПОДЪЕМНИКАМИ
-искал но не нашел часть кос идущие от правой двери к блоку управления (не расстраивался так как сделал сам--проводов хватало...
Действия такие:
-удобнее опустить стекло вниз
-снимаются карты дверей. лучше аккуратно и запоминая где что было.
(очень долго боролся с ручкой стеклоподьема )
-под картой будет как я разумею изоляционная пленка черного цвета снимать осторожно дабы не порвать (сидит на мазках какой-то смолы)
-далее откручиваем от двери щит и придерживая его откручиваем механизм стекла от щита и переднюю напраляющую
-убираем щит, между щитом и стеклом будет вторая изоляционная пленка -- ее наличие обязательно(иначе будет как здесьhttp://www.fiatclub.ru/FAQ/Tipo/TWindow.htm)
-снимаем стекло с крепления к механизму подъема -- посередине стекла отверстие - к нему и крепится...
-подпираем стекло снизу чтобы не поломать заднюю направляющую.
берем электро привод и крепим к нему стекло
-устанавливаем вторую изоляционную пленку
-прикручиваем щит и переднюю направляющую стекла. на щите уже есть отверстия для электромеханизма -- они НЕ совпадают с отверстиями для ручного привода.
-проводим проводку к моторчику и кнопкам и выводим ее через спец. окошки в двери и кузове внутрь авто
-привинчиваем щит к двери
-проверяем работоспособность. (я подключал к аккумулятору поочередно + и - на разные клеммы моторчика, должно нормально все работать -- если нет: либо где-то перекос, некорректная сборка или проблема девайса)
-если поднимает-опускает нормально, прикладываем карту и проверяем места ее креплений -- мжет чего-нить не хватать -- добавляем.
-прилепляем на место первую изолирующую пленку и крепим карту не забывая про ручку с кнопками.
повторяем операцию со второй дверью...
дальше я сделал косу от правой двери к коробке соединений над ногами водителя, установил блок управления стеклоподъемниками (благо ниче придумывать не надо, он на кронштейне прикручивается к шпильке на раме коробки соединений)
(коробка соединений=панель предохранителей)
все подключил согласно схемы, кроме одного провода из разъема С на блоке упр. стеклами. (это "масса" с кнопки на пороге водит. двери, зачем это я так и не понял)
по ходу установки появлялись вского рода неприятные мелочи, которые описывать смысла не вижу.
желаю удачи.
если интересно могу отчитаться после внедрения стеклоподъемников в задние двери (пока в проекте) |
Последний раз редактировалось: Andrey Andrey (Чт Дек 03, 2009 12:22), всего редактировалось 1 раз |
|
| Вернуться к началу |
|
 |
Andrew FT Италофан

Возраст: 41 Знак зодиака:  Зарегистрирован: 23.07.2008 Сообщения: 132 Откуда: Україна, Рівне
Авто: FIAT Tempra
|
Добавлено: Чт Дек 03, 2009 12:21 Заголовок сообщения: |
|
|
Andrey Andrey
Молодець!
робота виконана нешуточна...
я виявився більш ледачим...
_________________ TEMPRA 2.0L Green ABARTH
Skoda Fabia II Silver
Passat B8 Comfort Line Black 110 kWt
Passat B8 Highline Silver 140 kWt |
|
| Вернуться к началу |
|
 |
Andrey Andrey Италоманьяк


Возраст: 41 Знак зодиака:  Зарегистрирован: 17.12.2008 Сообщения: 415 Откуда: Киев, Вышгород
Авто: БЫЛ /F/I/A/T/ Tipo 1.4 cat.i.e. 69 h.p ---> Hyundai Accent RB 1.4 2012 - 107 h.p.
|
Добавлено: Чт Дек 03, 2009 12:26 Заголовок сообщения: |
|
|
| Andrew FT писал(а): | Andrey Andrey
Молодець!
робота виконана нешуточна...
я виявився більш ледачим...  |
Да стараюсь внедрить это все, остались дождаться твоих пару деталей .... без них никак
|
|
| Вернуться к началу |
|
 |
Андрей К Италоманьячище


Возраст: 53 Знак зодиака:  Зарегистрирован: 19.06.2006 Сообщения: 6990 Откуда: Кривой Рог
Авто: Tempra 1.9TDs DGT & AR145TD (когда-то Uno D & "зубило")
|
Добавлено: Чт Дек 03, 2009 12:37 Заголовок сообщения: |
|
|
Glebi4
У меня изначально было на блоке управления стеклоподъемниками двойное питани, причем через разные предохранители. Заменил полностью на Шерифовский блок, питание постоянное, но понятное дело через предохранитель. Подключен к сигналке.
AND48
Блок управления у меня есть родной, даже наверное вместе с разъемами (но не уверен, могли выбросить, т.к. срезали и ставили разъем шерифа).
При установке неродного блока приходится менять систему подключения кнопок и тянуть еще один провод, т.к. полярность управления другая.
Проводка если снимут полностью родную, будет тебе в помощь (просто меньше возни с проводами). А нет, то и ладно, ничего военного там нет, собирай все по схеме и будет работать. Питание можешь вообще взять из цепи прикуривателя, или прямо со входа на панель предохранителей (только через предохранитель), хотя в стандарте на Типо/Темпра в блоке есть цепочка питания через предохранитель.
_________________
 |
|
| Вернуться к началу |
|
 |
AND48 Италомафиози


Возраст: 39 Знак зодиака:  Зарегистрирован: 04.01.2008 Сообщения: 762 Откуда: Івано-Франківськ
Авто: Uno-45 (999 Fire) Doblo Nuovo (1.3MJT) & Comanche ONTARIO Comp FS
|
Добавлено: Чт Дек 03, 2009 12:58 Заголовок сообщения: |
|
|
Всем спасибо за помощь!!!
Andrey Andrey - можеш еще скинуть перечень елементов к схеме - а то не могу узнать некоторие блоки
У меня есть только кнопки и моторчики.
_________________ ЗАПЧАСТИ НА DOBLO SCUDO DUCATO FIORINO ...
В мене був Fiat Tipo 1.6 DOHC (149.С2.046)!!! |
|
| Вернуться к началу |
|
 |
AND48 Италомафиози


Возраст: 39 Знак зодиака:  Зарегистрирован: 04.01.2008 Сообщения: 762 Откуда: Івано-Франківськ
Авто: Uno-45 (999 Fire) Doblo Nuovo (1.3MJT) & Comanche ONTARIO Comp FS
|
Добавлено: Чт Дек 03, 2009 13:05 Заголовок сообщения: |
|
|
А если без блока управления просто через реле м запобежник подать питание и масу на кнопки???
За что отвечает етот блок?
Андрей К - если не смогу скласть без блока - то я б забрал твой блок за определенное количество денег.
|
|
| Вернуться к началу |
|
 |
Andrey Andrey Италоманьяк


Возраст: 41 Знак зодиака:  Зарегистрирован: 17.12.2008 Сообщения: 415 Откуда: Киев, Вышгород
Авто: БЫЛ /F/I/A/T/ Tipo 1.4 cat.i.e. 69 h.p ---> Hyundai Accent RB 1.4 2012 - 107 h.p.
|
Добавлено: Чт Дек 03, 2009 13:17 Заголовок сообщения: |
|
|
| AND48 писал(а): | Всем спасибо за помощь!!!
Andrey Andrey - можеш еще скинуть перечень елементов к схеме - а то не могу узнать некоторие блоки
У меня есть только кнопки и моторчики. |
Я пока только подхожу к стадии подключения. По части електросхемы мне будет помогать знающий в этом деле знакомый, поэтому расшифровать достоверно електросхему сам не могу. Sorry.
Но тебе помимо кнопок и самого електростеклача (моторчик + механизм) нужен блок управления стеклачами и проводка оригинальная чтобы подключить без проблем ко всем разъемам.
|
|
| Вернуться к началу |
|
 |
|
|
Вы не можете начинать темы Вы не можете отвечать на сообщения Вы не можете редактировать свои сообщения Вы не можете удалять свои сообщения Вы не можете голосовать в опросах Вы не можете присоединять файлы в этом форуме Вы можете скачивать файлы в этом форуме
|
Powered by phpBB © 2001, 2005 phpBB Group
|