Сайт Українського клуба фанів FIAT Український клуб фанів FIAT / CLUB UCRAINO TIFOSO DELLA FIAT

 
ФотогалереяФотогалерея   FAQFAQ   ПоискПоиск   ПользователиПользователи   ГруппыГруппы   РегистрацияРегистрация 
 ПрофильПрофиль   Войти и проверить личные сообщенияВойти и проверить личные сообщения   ВходВход 

КУРИЛКА - различные вопросы по Fiat Doblo
На страницу Пред.  1, 2, 3 ... 243, 244, 245 ... 691, 692, 693  След.
 
Начать новую тему   Ответить на тему    Список форумов Український клуб фанів FIAT / CLUB UCRAINO TIFOSO DELLA FIAT -> FIAT Doblo
Предыдущая тема :: Следующая тема  
Автор Сообщение
uksss
Amico


Amico

Возраст: 42
Знак зодиака: Близнецы
Зарегистрирован: 13.12.2014
Сообщения: 20
Откуда: Ровно

Авто: Bipper;Kangoo

СообщениеДобавлено: Пн Дек 15, 2014 23:59    Заголовок сообщения: Ответить с цитатой

sasha260621 писал(а):
Люди добрые!
При повороте руля до упора в лево что-то толи хрустит толи стукает.

Если хрустит при вращении рулём на месте-скорее всего опорный подшипник.
Если при вывернутом до упора руле,трогаетесь с места и хруст-скорее всего ШРУС ("кулак").
У Вас какой вариант?

_________________
Shod-razval.info.Информационно-технический терминал
Вернуться к началу
Посмотреть профиль Отправить личное сообщение
l-d-d
Италофан


Италофан

Возраст: 46
Знак зодиака: Телец
Зарегистрирован: 26.03.2013
Сообщения: 298
Откуда: Тернопіль

Авто: Фіат Добло 1.9 88кВт 2009р.

СообщениеДобавлено: Вт Дек 16, 2014 10:44    Заголовок сообщения: Ответить с цитатой

evgend писал(а):
pasha_S7 писал(а):
потрібна порада.
видає на дисплей airbag failure see handbook
перевірив запобіжник, дивився з’єднання під сидінням на бокові подушки.
читав що ще може бути зв’язано з ременями.
загалом підскажіть що я ще можу сам подивитися/зробити чи їхати на комп’ютер?
наперед дякую

У меня меня тоже так, езжу и не жужжу Wink Скорее всего (у меня) где-то контакт пропал. На плохих дорогах от выскакивал, то пропадал. Потом загорелся постоянно.

У меня также было летом-осенью, почти каждый день. Фишку снимал-одевал - не помогало. Теперь прошло. Ничего не светится. ELM молчит по этому поводу.

_________________
У-В-А-Г-А
Продам зі свого авто:
- ресори ориг. б\в у задовільному стані 750 грн. пара.
- передні пружини б\в в чудовому стані 750 грн. пара.
Деталі в приват!
Вернуться к началу
Посмотреть профиль Отправить личное сообщение Отправить e-mail Посетить сайт автора
sulzer
Италомафиози


Италомафиози

Возраст: 64
Знак зодиака: Водолей
Зарегистрирован: 25.01.2012
Сообщения: 872
Откуда: Городок Львівськ.

Авто: Doblo1.9 JTD 2003 р.в.

СообщениеДобавлено: Вт Дек 16, 2014 12:19    Заголовок сообщения: Ответить с цитатой

borel1990Просто в різних варіантах КПП-або є проміжний вал,або нема-на моєму ЖТД і у Мітяя-є пром.вал і заміна ШРУСа аналогічна право-ліво.Міняв на СТО разом з майстрами у нас на селі.Між іншим-зря,бо шумів тріснутий гальмівний диск-давно було,ще не мав досвіду ...
_________________
Найстрашніші комахи-таракани в голові!
Вернуться к началу
Посмотреть профиль Отправить личное сообщение
sasha260621
Италомафиози


Италомафиози

Возраст: 40
Знак зодиака: Лев
Зарегистрирован: 18.09.2012
Сообщения: 960
Откуда: Ровно

Авто: Fiat Doblo 1,9 JTD 2005г.в.

СообщениеДобавлено: Вт Дек 16, 2014 13:44    Заголовок сообщения: Ответить с цитатой

uksss писал(а):
sasha260621 писал(а):
Люди добрые!
При повороте руля до упора в лево что-то толи хрустит толи стукает.

Если хрустит при вращении рулём на месте-скорее всего опорный подшипник.
Если при вывернутом до упора руле,трогаетесь с места и хруст-скорее всего ШРУС ("кулак").
У Вас какой вариант?

Да у меня не хрустит ничего вообще!
Загоню мастеру автомобиль, будет смотреть что к чему, а я потом отпишусь.

_________________
0680509333, 0958366227
Вернуться к началу
Посмотреть профиль Отправить личное сообщение Отправить e-mail
sasha260621
Италомафиози


Италомафиози

Возраст: 40
Знак зодиака: Лев
Зарегистрирован: 18.09.2012
Сообщения: 960
Откуда: Ровно

Авто: Fiat Doblo 1,9 JTD 2005г.в.

СообщениеДобавлено: Чт Дек 18, 2014 19:26    Заголовок сообщения: Ответить с цитатой

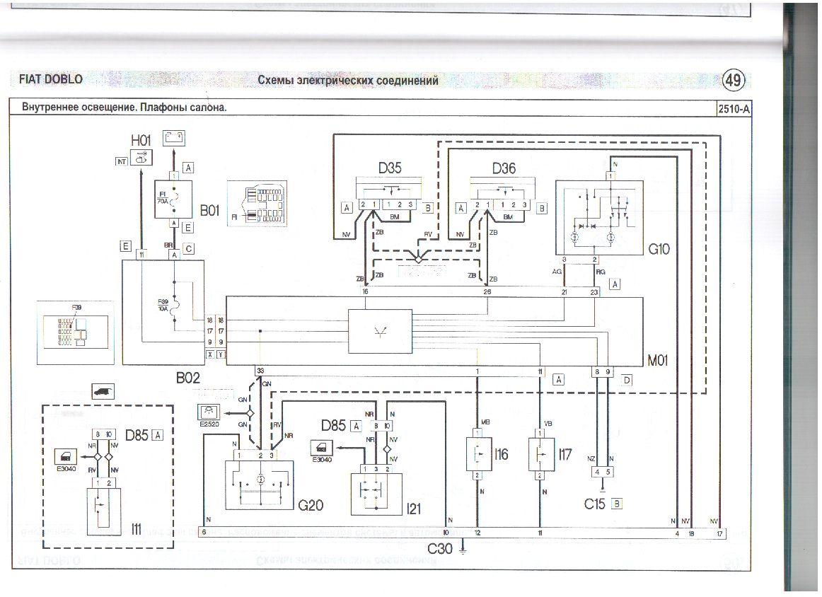
Помогите найти тему по Освещению салона. Уже замахался искать!!!
_________________
0680509333, 0958366227
Вернуться к началу
Посмотреть профиль Отправить личное сообщение Отправить e-mail
borel1990
Италоманьячище


Италоманьячище

Возраст: 58
Знак зодиака: Близнецы
Зарегистрирован: 13.01.2013
Сообщения: 4497
Откуда: Вільногірськ, Дніпропетр.обл.

Авто: Fiat Doblo 1.9D 2001, Fiat Fiorino 1.3mjtd 2009

СообщениеДобавлено: Чт Дек 18, 2014 20:31    Заголовок сообщения: Ответить с цитатой

sasha260621
А что, конкретно, надо? Там схем всего - ничего.



0001.jpg
 Описание:
 Размер:  248.92 KB
 Просмотрено:  233 раз(а)

0001.jpg



0002.jpg
 Описание:
 Размер:  338.84 KB
 Просмотрено:  202 раз(а)

0002.jpg



0003.jpg
 Описание:
 Размер:  195.15 KB
 Просмотрено:  205 раз(а)

0003.jpg



0004.jpg
 Описание:
 Размер:  321.26 KB
 Просмотрено:  209 раз(а)

0004.jpg



_________________
Where's the revolution? Come on, people! You're letting me down!
бортовик - http://fiat-club.org.ua/forum/viewtopic.php?t=55031
Вернуться к началу
Посмотреть профиль Отправить личное сообщение Отправить e-mail AIM Address Yahoo Messenger MSN Messenger
sasha260621
Италомафиози


Италомафиози

Возраст: 40
Знак зодиака: Лев
Зарегистрирован: 18.09.2012
Сообщения: 960
Откуда: Ровно

Авто: Fiat Doblo 1,9 JTD 2005г.в.

СообщениеДобавлено: Чт Дек 18, 2014 21:24    Заголовок сообщения: Ответить с цитатой

Да вот заказал себе квадраную пластину светлодиодов, а теперь хочу сделать обманку чтобы не светило в пол-накала.
_________________
0680509333, 0958366227
Вернуться к началу
Посмотреть профиль Отправить личное сообщение Отправить e-mail
borel1990
Италоманьячище


Италоманьячище

Возраст: 58
Знак зодиака: Близнецы
Зарегистрирован: 13.01.2013
Сообщения: 4497
Откуда: Вільногірськ, Дніпропетр.обл.

Авто: Fiat Doblo 1.9D 2001, Fiat Fiorino 1.3mjtd 2009

СообщениеДобавлено: Чт Дек 18, 2014 22:18    Заголовок сообщения: Ответить с цитатой

sasha260621
Вместо штатных лампочек я установил светодиодные в таких же габаритах. Освещенность увеличилась примерно вдвое. Считаю, что большего и не надо. Это авто, а не салон света. А для нештатных ситуаций держу в авто переносной светодиодный фонарь, коих сейчас выбор превеликий.

_________________
Where's the revolution? Come on, people! You're letting me down!
бортовик - http://fiat-club.org.ua/forum/viewtopic.php?t=55031
Вернуться к началу
Посмотреть профиль Отправить личное сообщение Отправить e-mail AIM Address Yahoo Messenger MSN Messenger
AndrewSP
Италофан


Италофан

Возраст: 43
Знак зодиака: Телец
Зарегистрирован: 21.01.2014
Сообщения: 143
Откуда: Кременчуг

Авто: Nuovo Doblo 1.3

СообщениеДобавлено: Пт Дек 19, 2014 11:55    Заголовок сообщения: Ответить с цитатой

Задобали задние двери.
Как только мороз, не закрываются / не открываются.
Механизм который внизу двери смазал, эффекта 0.
Скорее всего замерзает где то возле ручки, внутри двери.

Вопрос: примерзает тросик или какой то механизм?
И посоветуйте что туда налить / набрызгать.
Вернуться к началу
Посмотреть профиль Отправить личное сообщение
Di-MA
Италоманьячище


Италоманьячище

Возраст: 54
Знак зодиака: Весы
Зарегистрирован: 10.12.2010
Сообщения: 5228
Откуда: Киев+(Васильков Обухов)

Авто: Fiat Doblo 1.9JTD

СообщениеДобавлено: Пт Дек 19, 2014 11:59    Заголовок сообщения: Ответить с цитатой

AndrewSP писал(а):
Задобали задние двери.
Как только мороз, не закрываются / не открываются.
Механизм который внизу двери смазал, эффекта 0.
Скорее всего замерзает где то возле ручки, внутри двери.

Вопрос: примерзает тросик или какой то механизм?
И посоветуйте что туда налить / набрызгать.

За НОВО не скажу,а в предыдущих моделях вечная "праба",из-за попадания влаги(воды)на механизм двигающего штока он закисает со всеми вытекающими,тема подымалась не однократно.Разобрав карту все становится понятно.
Вернуться к началу
Посмотреть профиль Отправить личное сообщение
Veard
Италофан


Италофан

Возраст: 50
Знак зодиака: Стрелец
Зарегистрирован: 19.11.2012
Сообщения: 122
Откуда: Юкрана

Авто: Dуblo

СообщениеДобавлено: Пт Дек 19, 2014 12:01    Заголовок сообщения: Ответить с цитатой

В моей врезан другой замок на штатный - забил.
_________________
Авто: Doblo Cargo 1.3 (55 kwt,75 л.с)
Вернуться к началу
Посмотреть профиль Отправить личное сообщение
yuranartov
Италофан


Италофан

Возраст: 41
Знак зодиака: Водолей
Зарегистрирован: 05.01.2013
Сообщения: 244
Откуда: Ивано-Франковск

Авто: Доблік 1,3 MJT

СообщениеДобавлено: Пт Дек 19, 2014 13:00    Заголовок сообщения: Ответить с цитатой

AndrewSP писал(а):
Задобали задние двери.
Как только мороз, не закрываются / не открываются.
Механизм который внизу двери смазал, эффекта 0.
Скорее всего замерзает где то возле ручки, внутри двери.

Вопрос: примерзает тросик или какой то механизм?
И посоветуйте что туда налить / набрызгать.
Така сама ситуація,вже замахався відкривати з середини.Треба знімати замок.
Вернуться к началу
Посмотреть профиль Отправить личное сообщение Отправить e-mail
AndrewSP
Италофан


Италофан

Возраст: 43
Знак зодиака: Телец
Зарегистрирован: 21.01.2014
Сообщения: 143
Откуда: Кременчуг

Авто: Nuovo Doblo 1.3

СообщениеДобавлено: Пт Дек 19, 2014 14:33    Заголовок сообщения: Ответить с цитатой

Хоть и не хотелось зимой этим заниматься, но на выходных буду разбирать. Главное карты не поломать.

Вскрытие покажет.
Вернуться к началу
Посмотреть профиль Отправить личное сообщение
Evgenius
Италоманьяк


Италоманьяк

Возраст: 41
Знак зодиака: Телец
Зарегистрирован: 20.11.2011
Сообщения: 403
Откуда: Киев

Авто: Fiat Doblo Panorama 1,9 MultiJet 2008г.

СообщениеДобавлено: Пт Дек 19, 2014 18:19    Заголовок сообщения: Ответить с цитатой

AndrewSP писал(а):
Задобали задние двери.
Как только мороз, не закрываются / не открываются.
Механизм который внизу двери смазал, эффекта 0.
Скорее всего замерзает где то возле ручки, внутри двери.

Вопрос: примерзает тросик или какой то механизм?
И посоветуйте что туда налить / набрызгать.



Я прошлой зимой прикладывал к ручке задней двери тряпку, смоченную в горячей воде, помогло, замок разморозился, дверь открылась, как временное решение могу рекомендовать

_________________
За высоким за забором гордый рыцарь в замке жил,
Он на всех вокруг с прибором без разбора положил
Вернуться к началу
Посмотреть профиль Отправить личное сообщение
sasha260621
Италомафиози


Италомафиози

Возраст: 40
Знак зодиака: Лев
Зарегистрирован: 18.09.2012
Сообщения: 960
Откуда: Ровно

Авто: Fiat Doblo 1,9 JTD 2005г.в.

СообщениеДобавлено: Пт Дек 19, 2014 19:17    Заголовок сообщения: Ответить с цитатой

AndrewSP писал(а):
Задобали задние двери.
Как только мороз, не закрываются / не открываются.
Механизм который внизу двери смазал, эффекта 0.
Скорее всего замерзает где то возле ручки, внутри двери.

Вопрос: примерзает тросик или какой то механизм?
И посоветуйте что туда налить / набрызгать.

У меня старое Добло, как купил была такая-же проблема.
Итог:
Розобрал заднюю карту. Промыл всё там ВД-40, а в конце смазал всё моторным маслом. 2 года ничего не беспокоит!!!

_________________
0680509333, 0958366227
Вернуться к началу
Посмотреть профиль Отправить личное сообщение Отправить e-mail
Показать сообщения:   
Начать новую тему   Ответить на тему    Список форумов Український клуб фанів FIAT / CLUB UCRAINO TIFOSO DELLA FIAT -> FIAT Doblo Часовой пояс: GMT + 3
На страницу Пред.  1, 2, 3 ... 243, 244, 245 ... 691, 692, 693  След.
Страница 244 из 693

 
Перейти:  
Вы не можете начинать темы
Вы не можете отвечать на сообщения
Вы не можете редактировать свои сообщения
Вы не можете удалять свои сообщения
Вы не можете голосовать в опросах
Вы не можете присоединять файлы в этом форуме
Вы можете скачивать файлы в этом форуме






Powered by phpBB © 2001, 2005 phpBB Group
З питань розміщення реклами писати на цю адресу