Сайт Українського клуба фанів FIAT Український клуб фанів FIAT / CLUB UCRAINO TIFOSO DELLA FIAT

 
ФотогалереяФотогалерея   FAQFAQ   ПоискПоиск   ПользователиПользователи   ГруппыГруппы   РегистрацияРегистрация 
 ПрофильПрофиль   Войти и проверить личные сообщенияВойти и проверить личные сообщения   ВходВход 

электрические схемы
На страницу Пред.  1, 2, 3
 
Начать новую тему   Ответить на тему    Список форумов Український клуб фанів FIAT / CLUB UCRAINO TIFOSO DELLA FIAT -> FIAT Tipo, FIAT Tempra
Предыдущая тема :: Следующая тема  
Автор Сообщение
B@p@d@
Amico


Amico

Возраст: 42
Знак зодиака: Козерог
Зарегистрирован: 20.11.2012
Сообщения: 3
Откуда: Черновцы

Авто: Fiat Tempra 1.9 TD

СообщениеДобавлено: Ср Июн 11, 2014 20:25    Заголовок сообщения: Ответить с цитатой

lkn2007 писал(а):
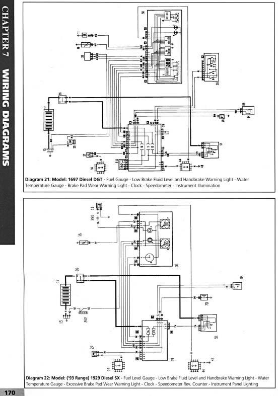
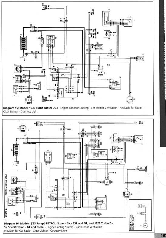
на дизель дайте схему


И ещё вот:



10.JPG
 Описание:
 Размер:  60.41 KB
 Просмотрено:  845 раз(а)

10.JPG



9.JPG
 Описание:
 Размер:  73.99 KB
 Просмотрено:  866 раз(а)

9.JPG



8.JPG
 Описание:
 Размер:  62.45 KB
 Просмотрено:  881 раз(а)

8.JPG



7.JPG
 Описание:
 Размер:  62.59 KB
 Просмотрено:  703 раз(а)

7.JPG



6.JPG
 Описание:
 Размер:  76.36 KB
 Просмотрено:  849 раз(а)

6.JPG


Вернуться к началу
Посмотреть профиль Отправить личное сообщение
9alek
Италофан


Италофан

Возраст: 47
Знак зодиака: Козерог
Зарегистрирован: 26.06.2011
Сообщения: 108
Откуда: Харьков

Авто: Lancia Dedra Integrale

СообщениеДобавлено: Ср Янв 28, 2015 23:05    Заголовок сообщения: Ответить с цитатой

подскажите, где взять эту книгу с переводом?
Вернуться к началу
Посмотреть профиль Отправить личное сообщение
Показать сообщения:   
Начать новую тему   Ответить на тему    Список форумов Український клуб фанів FIAT / CLUB UCRAINO TIFOSO DELLA FIAT -> FIAT Tipo, FIAT Tempra Часовой пояс: GMT + 3
На страницу Пред.  1, 2, 3
Страница 3 из 3

 
Перейти:  
Вы не можете начинать темы
Вы не можете отвечать на сообщения
Вы не можете редактировать свои сообщения
Вы не можете удалять свои сообщения
Вы не можете голосовать в опросах
Вы не можете присоединять файлы в этом форуме
Вы можете скачивать файлы в этом форуме






Powered by phpBB © 2001, 2005 phpBB Group
З питань розміщення реклами писати на цю адресу