 |
Український клуб фанів FIAT / CLUB UCRAINO TIFOSO DELLA FIAT
|
 |
| Предыдущая тема :: Следующая тема |
| Автор |
Сообщение |
egorka.cherepok Италолюбитель

Возраст: 44 Знак зодиака:  Зарегистрирован: 15.01.2014 Сообщения: 76 Откуда: Полтавская обл. г.Глобино
Авто: FIAT DOBLO 1.3 multiget
|
Добавлено: Ср Фев 19, 2014 16:17 Заголовок сообщения: |
|
|
| приемно спілкуватися з людиною яка хоть тріхи розуміеться в сігах.
|
|
| Вернуться к началу |
|
 |
phosaly Италоманьячище


Возраст: 54 Знак зодиака:  Зарегистрирован: 27.05.2013 Сообщения: 1673 Откуда: Ровно
Авто: Fiat doblo 1.9Multijet 77kw 2007 Panaroma
|
Добавлено: Чт Фев 20, 2014 18:09 Заголовок сообщения: |
|
|
| Сегодня был у установщика - выставил функция задержки постановки на охрану через 30 секунд - и все ровно срабатывает ложная тревога - если выключил свет плафона в салоне.
|
|
| Вернуться к началу |
|
 |
egorka.cherepok Италолюбитель

Возраст: 44 Знак зодиака:  Зарегистрирован: 15.01.2014 Сообщения: 76 Откуда: Полтавская обл. г.Глобино
Авто: FIAT DOBLO 1.3 multiget
|
Добавлено: Чт Фев 20, 2014 19:11 Заголовок сообщения: |
|
|
якщо не розуміеш наберай розповім як і що 0664372157 ігор.
|
|
| Вернуться к началу |
|
 |
phosaly Италоманьячище


Возраст: 54 Знак зодиака:  Зарегистрирован: 27.05.2013 Сообщения: 1673 Откуда: Ровно
Авто: Fiat doblo 1.9Multijet 77kw 2007 Panaroma
|
Добавлено: Чт Фев 20, 2014 20:38 Заголовок сообщения: |
|
|
Игорь у вас двух двери по бокам ?
_________________ ~Послуг дублікат чіп для фиат добло від 860грн |
|
| Вернуться к началу |
|
 |
egorka.cherepok Италолюбитель

Возраст: 44 Знак зодиака:  Зарегистрирован: 15.01.2014 Сообщения: 76 Откуда: Полтавская обл. г.Глобино
Авто: FIAT DOBLO 1.3 multiget
|
Добавлено: Чт Фев 20, 2014 21:35 Заголовок сообщения: |
|
|
одна але я вважаю це немае значення чи 2 по бокам чи 1 з заду .повторюю бажаете вирішити проблему телефонуйте .
|
|
| Вернуться к началу |
|
 |
phosaly Италоманьячище


Возраст: 54 Знак зодиака:  Зарегистрирован: 27.05.2013 Сообщения: 1673 Откуда: Ровно
Авто: Fiat doblo 1.9Multijet 77kw 2007 Panaroma
|
Добавлено: Чт Фев 20, 2014 21:38 Заголовок сообщения: |
|
|
я не установщик .... напишите тут решение
и будут пользу для других тожже
заранее спасибо
_________________ ~Послуг дублікат чіп для фиат добло від 860грн |
|
| Вернуться к началу |
|
 |
egorka.cherepok Италолюбитель

Возраст: 44 Знак зодиака:  Зарегистрирован: 15.01.2014 Сообщения: 76 Откуда: Полтавская обл. г.Глобино
Авто: FIAT DOBLO 1.3 multiget
|
Добавлено: Чт Фев 20, 2014 22:39 Заголовок сообщения: |
|
|
я не писатель и на пальцах не могу а поговорить что да как у меня проще получается и для других и для вас если есть желаные .ПО ДРУГОМУ НЕ ПОЛУЧЕТСЯ И НЕ ПЫТАЙТЕСЬ.
|
|
| Вернуться к началу |
|
 |
phosaly Италоманьячище


Возраст: 54 Знак зодиака:  Зарегистрирован: 27.05.2013 Сообщения: 1673 Откуда: Ровно
Авто: Fiat doblo 1.9Multijet 77kw 2007 Panaroma
|
Добавлено: Чт Фев 20, 2014 23:35 Заголовок сообщения: |
|
|
| egorka.cherepok писал(а): | я не писатель и на пальцах не могу а поговорить что да как у меня проще получается и для других и для вас если есть желаные .ПО ДРУГОМУ НЕ ПОЛУЧЕТСЯ И НЕ ПЫТАЙТЕСЬ.  |
| Описание: |
|
| Размер: |
66.49 KB |
| Просмотрено: |
3817 раз(а) |

|
| Описание: |
|
| Размер: |
46.92 KB |
| Просмотрено: |
321 раз(а) |

|
| Описание: |
|
| Размер: |
92.3 KB |
| Просмотрено: |
395 раз(а) |

|
|
|
| Вернуться к началу |
|
 |
andriylv Италофан


Возраст: 49 Знак зодиака:  Зарегистрирован: 03.04.2013 Сообщения: 216 Откуда: Україна, Львів
Авто: Fiat Doblo 1,6 16V natural power
|
Добавлено: Пт Фев 21, 2014 04:37 Заголовок сообщения: |
|
|
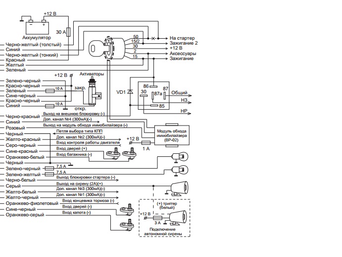
Покажи на схемі, як, куди підключав (кінцевики).
| Описание: |
|
| Размер: |
284.28 KB |
| Просмотрено: |
348 раз(а) |

|
|
|
| Вернуться к началу |
|
 |
phosaly Италоманьячище


Возраст: 54 Знак зодиака:  Зарегистрирован: 27.05.2013 Сообщения: 1673 Откуда: Ровно
Авто: Fiat doblo 1.9Multijet 77kw 2007 Panaroma
|
|
| Вернуться к началу |
|
 |
a_rubs Италомафиози


Возраст: 46 Знак зодиака:  Зарегистрирован: 04.07.2011 Сообщения: 880 Откуда: Львов
Авто: Citroen C4 1.6АТ 2008,Citroen C6 3.0АТ 2007, MB A160 AT 2001
|
Добавлено: Вт Фев 25, 2014 17:33 Заголовок сообщения: |
|
|
Спробую трохи допомогти: після спрацювання сигналізації діод,який показує роботу сигналізації, світиться з вказанням того,що спрацювало (зона яка викликала спрацювання сигналізації).Див.Інструкцію.Це може бути: датчик удару,кінцевик дверей,капоту,багажника,чи запалення.
Після визначення зони - потрібно перейти до її перевірки (де підмикає).
_________________ Раніше були: Fiat Ducato 2.5D,Fiat Uno 1.5i,Fiat Tipo 1.7D,Fiat Palio EX 1.2 16v,Fiat Doblo 1.9JTD
І багато чого іншого... |
|
| Вернуться к началу |
|
 |
phosaly Италоманьячище


Возраст: 54 Знак зодиака:  Зарегистрирован: 27.05.2013 Сообщения: 1673 Откуда: Ровно
Авто: Fiat doblo 1.9Multijet 77kw 2007 Panaroma
|
Добавлено: Ср Мар 05, 2014 09:43 Заголовок сообщения: Re: Сигнализация каждый 15 минут срабатывает тревога |
|
|
ВСЕ РЕШЕНО -спасибо всем.
|
|
| Вернуться к началу |
|
 |
andriylv Италофан


Возраст: 49 Знак зодиака:  Зарегистрирован: 03.04.2013 Сообщения: 216 Откуда: Україна, Львів
Авто: Fiat Doblo 1,6 16V natural power
|
Добавлено: Ср Мар 05, 2014 16:03 Заголовок сообщения: Re: Сигнализация каждый 15 минут срабатывает тревога |
|
|
| phosaly писал(а): |
ВСЕ РЕШЕНО -спасибо всем. |
Как?
|
|
| Вернуться к началу |
|
 |
pay Италофан


Возраст: 53 Знак зодиака:  Зарегистрирован: 20.10.2009 Сообщения: 326 Откуда: Киев
Авто: Fiat Dodlo Combi 1.3 MJet
|
Добавлено: Пн Мар 17, 2014 14:38 Заголовок сообщения: |
|
|
| В самом деле, КАК? Отпишитесь плиз.
|
|
| Вернуться к началу |
|
 |
alex9123* Италофан

Возраст: 46 Знак зодиака:  Зарегистрирован: 29.11.2010 Сообщения: 119 Откуда: Erhfbyf
Авто: Fiat Doblo10+12
|
Добавлено: Пн Мар 17, 2014 14:41 Заголовок сообщения: |
|
|
| мда дремучий случай! уже столько всего разжевано на просторах инета
|
|
| Вернуться к началу |
|
 |
|
|
Вы не можете начинать темы Вы не можете отвечать на сообщения Вы не можете редактировать свои сообщения Вы не можете удалять свои сообщения Вы не можете голосовать в опросах Вы не можете присоединять файлы в этом форуме Вы можете скачивать файлы в этом форуме
|
Powered by phpBB © 2001, 2005 phpBB Group
|