 |
Український клуб фанів FIAT / CLUB UCRAINO TIFOSO DELLA FIAT
|
 |
| Предыдущая тема :: Следующая тема |
| Автор |
Сообщение |
Marat Shams Рулевой филиала


Возраст: 54 Знак зодиака:  Зарегистрирован: 04.10.2007 Сообщения: 8243 Откуда: Lugansk
Авто: Fiat Uno 55s 1,1l '85, Uno Turbo 1.3l i.e(105hp) '85 Lancia Thema 2.0T '90
|
Добавлено: Пт Фев 07, 2014 09:45 Заголовок сообщения: |
|
|
Заморочек никаких. Просто аккуратно вверх. Если конечно резинкам йок не пришел. Тогда сложнее. Главное пеньки не сломать. Главный менять собрался ?
_________________
 |
|
| Вернуться к началу |
|
 |
kapkan 60s Италофан


Возраст: 44 Знак зодиака:  Зарегистрирован: 19.04.2013 Сообщения: 337 Откуда: Россия,город Ульяновск
Авто: fiat uno 60s 1.1fire(160.A3 000 карб) nissan micra 1.0 16v
|
Добавлено: Пт Фев 07, 2014 16:31 Заголовок сообщения: |
|
|
Marat Shams
да,течет уже давненько,но сейчас чересчур......уже приехал новый торм.цилиндр LPR.....завтра пойду устанавливать.
_________________ нас очень трудно сбить с пути, нам по х...ю куда идти...... |
|
| Вернуться к началу |
|
 |
Marat Shams Рулевой филиала


Возраст: 54 Знак зодиака:  Зарегистрирован: 04.10.2007 Сообщения: 8243 Откуда: Lugansk
Авто: Fiat Uno 55s 1,1l '85, Uno Turbo 1.3l i.e(105hp) '85 Lancia Thema 2.0T '90
|
Добавлено: Пт Фев 07, 2014 17:29 Заголовок сообщения: |
|
|
Не переймайся, все будет норм. Главное тяни строго вверх. И мониторь на отсутствие нехороших звуков.
_________________
 |
|
| Вернуться к началу |
|
 |
kapkan 60s Италофан


Возраст: 44 Знак зодиака:  Зарегистрирован: 19.04.2013 Сообщения: 337 Откуда: Россия,город Ульяновск
Авто: fiat uno 60s 1.1fire(160.A3 000 карб) nissan micra 1.0 16v
|
Добавлено: Пт Фев 07, 2014 18:02 Заголовок сообщения: |
|
|
Marat Shams
понял......
_________________ нас очень трудно сбить с пути, нам по х...ю куда идти...... |
|
| Вернуться к началу |
|
 |
Oleksa Италолюбитель


Возраст: 50 Знак зодиака:  Зарегистрирован: 25.04.2013 Сообщения: 71 Откуда: Кременчуг
Авто: Fiat Uno 75i.e. 1987 г.в.
|
Добавлено: Пт Фев 07, 2014 20:52 Заголовок сообщения: |
|
|
| Да никаких там секретов нет.Уверенно,но аккуратно тянешь за него.Вынимается сначала одна его трубка из резиновой манжеты,потом другая.
|
|
| Вернуться к началу |
|
 |
Marat Shams Рулевой филиала


Возраст: 54 Знак зодиака:  Зарегистрирован: 04.10.2007 Сообщения: 8243 Откуда: Lugansk
Авто: Fiat Uno 55s 1,1l '85, Uno Turbo 1.3l i.e(105hp) '85 Lancia Thema 2.0T '90
|
Добавлено: Пт Фев 07, 2014 21:05 Заголовок сообщения: |
|
|
Oleksa
При условии их эластичности. И не "вставленности" инородных образований.
_________________
 |
|
| Вернуться к началу |
|
 |
dimon4ik13 Amico

Возраст: 34 Знак зодиака:  Зарегистрирован: 03.10.2013 Сообщения: 48 Откуда: Днепропетровск
Авто: Fiat Uno 75 1986 г.в.
|
Добавлено: Пт Фев 28, 2014 21:35 Заголовок сообщения: |
|
|
Здравствуйте форумчане.Давненько у меня не было проблем.Но сегодня таки приключилась. Сразу скажу о двух моментах:
1.я не спец пока в автомобильных вопросах,так по мелочам, но в остальном живу по принципу " не умею - не лезу".
2.Знаю что коробку нужно ремонтировать,но пока увы нет таковой возможности (финансы как всегда поют песни...)
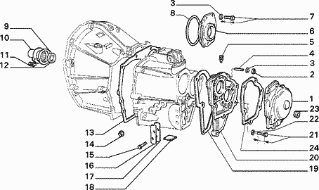
Так вот собственно к самой проблеме.У меня как обычно при попытке поехать назад включилась вторая передача и я полез благополучно возвращать все на место. Лючек который сверху коробки (в котором механизм переключения передач, При разборке там есть шайба(осталась от предыдущего хозяина(она была как упор для пружины) диаметром такая же как диаметр детали с лапкой которая выполняет переключение(делал это 1000 раз и в морозы все было ок)Но как всегда сработала самая стабильная вещь в нашей жизни "закон подлости"Ну и как не трудно догадаться в этот раз, именно когда денег нет совсем она ушла в КПП.
Да машину пришлось тянуть.Не заводил не переключал,просто оттянул где-то 1км. Понимаю,что не хорошо,но как есть.Никаких звуков,хрустов в процессе не заметил.
Вопрос в следующем: знаю, что поддон в коробках обычно с магнитом.Какова вероятность,что шайба ушла в низ в поддон.Или она наверняка где-то зависла?Не хотелось бы,чтобы она беды натворила и так уже в уставшей коробке.
Как всегда, заранее благодарен за любые ответы и советы.
Всем удачи на дорогах.
|
|
| Вернуться к началу |
|
 |
kapkan 60s Италофан


Возраст: 44 Знак зодиака:  Зарегистрирован: 19.04.2013 Сообщения: 337 Откуда: Россия,город Ульяновск
Авто: fiat uno 60s 1.1fire(160.A3 000 карб) nissan micra 1.0 16v
|
Добавлено: Сб Мар 01, 2014 15:06 Заголовок сообщения: |
|
|
dimon4ik13 знаешь,коробку я не разбирал но снимать снимал,поддона как такового я там не заметил, всего лишь пробка сливная с магнитом........попробуй слить масло....
_________________ нас очень трудно сбить с пути, нам по х...ю куда идти...... |
|
| Вернуться к началу |
|
 |
Кролевчанин Италоманьячище


Возраст: 52 Знак зодиака:  Зарегистрирован: 04.12.2012 Сообщения: 4550 Откуда: Кролевец
Авто: FIAT UNO 60 Disel 1.7 1987 г.в., был FIAT UNO 75i.e. 1988 г.в.
|
Добавлено: Сб Мар 01, 2014 15:22 Заголовок сообщения: |
|
|
dimon4ik13
откуда в КПП поддон?
kapkan 60s
В коробке помимо пробки с магнитом, есть ещё "магнитная резинка". Не знаю, как правильно её назвать, но это чёрненькая резиновая магнитная пластинка для которой выделено специальное место в КПП.
_________________ FIAT - первое,что написано на болиде Ferrari F1 |
|
| Вернуться к началу |
|
 |
юрчик UA Италоманьячище


Возраст: 55 Знак зодиака:  Зарегистрирован: 19.10.2007 Сообщения: 4918 Откуда: Харьков-Торонто
Авто: Фиат Уно 1,4,Ducato,Smart Fortwo,Honda CRV 2,4
|
Добавлено: Сб Мар 01, 2014 15:24 Заголовок сообщения: |
|
|
Если SELECTA по поддон есть.Там автомат стоит
_________________ Бензин должен иметь цвет!
Ноль шесть три 577 36 39 |
|
| Вернуться к началу |
|
 |
dimon4ik13 Amico

Возраст: 34 Знак зодиака:  Зарегистрирован: 03.10.2013 Сообщения: 48 Откуда: Днепропетровск
Авто: Fiat Uno 75 1986 г.в.
|
Добавлено: Сб Мар 01, 2014 18:04 Заголовок сообщения: |
|
|
| Кролевчанин писал(а): | dimon4ik13
откуда в КПП поддон?
|
Не так выразился...
А где именно расположена эта "магнитная резинка" подскажите?
Просто нужно понимать могла ли шайба уйти все-таки либо в район сливной пробки,либо в район магнитной резинки.
|
|
| Вернуться к началу |
|
 |
Кролевчанин Италоманьячище


Возраст: 52 Знак зодиака:  Зарегистрирован: 04.12.2012 Сообщения: 4550 Откуда: Кролевец
Авто: FIAT UNO 60 Disel 1.7 1987 г.в., был FIAT UNO 75i.e. 1988 г.в.
|
Добавлено: Сб Мар 01, 2014 21:40 Заголовок сообщения: |
|
|
dimon4ik13
Ты знаешь, "магнетизма" этой резинки может не хватить для удержания шайбы. Особенно, когда холодное масло. Она расчитана накапливать на себя мелкую стружку. А ставится она (по крайней мере на КПП с нижним переключением) в одну половинку картера КПП и прижимается другим. Чтобы её вытащить, коробку нужно колоть по-любому.
Теперь по твоему вопросу. В идеале, конечно коробочку следует перебрать. Это тебе любой скажет. Последствия нахождения между шестернями инородного тела непредсказуемы.
А сейчас скажу одну вещь, которую механик говорить не имеет права, но тем не менее. Если шайбочка твоя из мягкого металла, да или просто, очень тоненькая, то перемелют её твои шестерёночки калёные и не подавятся. Но я тебе этого не говорил, а ты на это здорово не надейся, а то вдруг что случится, будешь говорить, что я тебе такое посоветовал
_________________ FIAT - первое,что написано на болиде Ferrari F1 |
|
| Вернуться к началу |
|
 |
Кролевчанин Италоманьячище


Возраст: 52 Знак зодиака:  Зарегистрирован: 04.12.2012 Сообщения: 4550 Откуда: Кролевец
Авто: FIAT UNO 60 Disel 1.7 1987 г.в., был FIAT UNO 75i.e. 1988 г.в.
|
|
| Вернуться к началу |
|
 |
dimon4ik13 Amico

Возраст: 34 Знак зодиака:  Зарегистрирован: 03.10.2013 Сообщения: 48 Откуда: Днепропетровск
Авто: Fiat Uno 75 1986 г.в.
|
Добавлено: Сб Мар 01, 2014 23:30 Заголовок сообщения: |
|
|
Кролевчанин,огромное Вам спасибо за помощь. Рисковать наверное не стану и все-таки буду разбирать коробку.Все равно есть куча вопросов по ней.Просто как всегда все очень вовремя...
Может кто подскажет кого-то понимающего в этом деле.(Днепропетровск).Ну и конечно же соотношение цена\качество....
|
|
| Вернуться к началу |
|
 |
Кролевчанин Италоманьячище


Возраст: 52 Знак зодиака:  Зарегистрирован: 04.12.2012 Сообщения: 4550 Откуда: Кролевец
Авто: FIAT UNO 60 Disel 1.7 1987 г.в., был FIAT UNO 75i.e. 1988 г.в.
|
Добавлено: Вс Мар 02, 2014 09:04 Заголовок сообщения: |
|
|
dimon4ik13
Это не ко мне. Чем смог - помог. Кстати, правильное решение - спокойней ездить будешь!
_________________ FIAT - первое,что написано на болиде Ferrari F1 |
|
| Вернуться к началу |
|
 |
|
|
Вы не можете начинать темы Вы не можете отвечать на сообщения Вы не можете редактировать свои сообщения Вы не можете удалять свои сообщения Вы не можете голосовать в опросах Вы не можете присоединять файлы в этом форуме Вы можете скачивать файлы в этом форуме
|
Powered by phpBB © 2001, 2005 phpBB Group
|