 |
Український клуб фанів FIAT / CLUB UCRAINO TIFOSO DELLA FIAT
|
 |
| Предыдущая тема :: Следующая тема |
| Автор |
Сообщение |
sotovl Amico

Возраст: 51 Знак зодиака:  Зарегистрирован: 01.02.2011 Сообщения: 9 Откуда: Киев
Авто: Пежо Експерт
|
Добавлено: Сб Дек 28, 2013 11:56 Заголовок сообщения: Реле дворников Скудо 08 |
|
|
Подскажите, где находится реле 0005 ?
| Описание: |
|
| Размер: |
121.95 KB |
| Просмотрено: |
781 раз(а) |

|
|
|
| Вернуться к началу |
|
 |
zheneva Италофан


Возраст: 48 Знак зодиака:  Зарегистрирован: 28.02.2011 Сообщения: 119 Откуда: Рівне
Авто: Peugeot Expert 2.0 HDI 2005р.
|
Добавлено: Сб Дек 28, 2013 19:25 Заголовок сообщения: Re: Реле дворников Скудо 08 |
|
|
| sotovl писал(а): | | Подскажите, где находится реле 0005 ? |
Це не реле, це підрульовий перемикач.
|
|
| Вернуться к началу |
|
 |
sotovl Amico

Возраст: 51 Знак зодиака:  Зарегистрирован: 01.02.2011 Сообщения: 9 Откуда: Киев
Авто: Пежо Експерт
|
Добавлено: Вс Дек 29, 2013 18:28 Заголовок сообщения: |
|
|
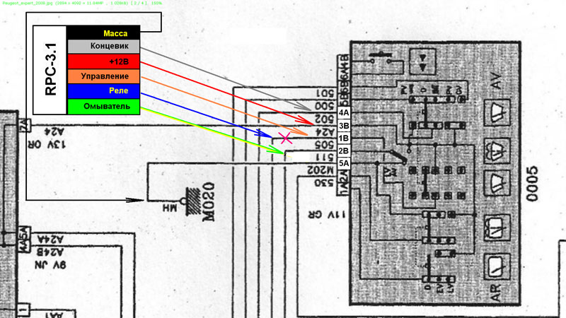
| когда я снял нижнюю крышку под рулем, то увидел там три разъема: первый на 2 провода - airbag, второй и третий по 4 провода, в каждом плюс и масса. Вопрос - куда мне подключить регулятор частоты дворников (на схеме RPC 3.1) ?
|
|
| Вернуться к началу |
|
 |
Vladimir TV Италомафиози


Возраст: 52 Знак зодиака:  Зарегистрирован: 25.07.2011 Сообщения: 1071 Откуда: Украина
Авто: Peugeot Expert, 2004 (2,0 HDI), RHX
|
Добавлено: Вс Дек 29, 2013 20:22 Заголовок сообщения: |
|
|
Попробую тебе помочь. Я думаю, что надо подсоединить к разъему серого цвета (на схеме 6VGR)
CVOO - модуль управления на рулевой колонке (СОМ 2000)
ЭТО КАК ВАРИАНТ!!! Все надо перепроверить!
| Описание: |
|
| Размер: |
82.83 KB |
| Просмотрено: |
581 раз(а) |

|
| Описание: |
|
| Размер: |
142.2 KB |
| Просмотрено: |
852 раз(а) |

|
| Описание: |
|
| Размер: |
140.89 KB |
| Просмотрено: |
577 раз(а) |

|
|
|
| Вернуться к началу |
|
 |
|
|
Вы не можете начинать темы Вы не можете отвечать на сообщения Вы не можете редактировать свои сообщения Вы не можете удалять свои сообщения Вы не можете голосовать в опросах Вы не можете присоединять файлы в этом форуме Вы можете скачивать файлы в этом форуме
|
Powered by phpBB © 2001, 2005 phpBB Group
|