Сайт Українського клуба фанів FIAT Український клуб фанів FIAT / CLUB UCRAINO TIFOSO DELLA FIAT

 
ФотогалереяФотогалерея   FAQFAQ   ПоискПоиск   ПользователиПользователи   ГруппыГруппы   РегистрацияРегистрация 
 ПрофильПрофиль   Войти и проверить личные сообщенияВойти и проверить личные сообщения   ВходВход 

Электрика Регата
На страницу Пред.  1, 2, 3
 
Начать новую тему   Ответить на тему    Список форумов Український клуб фанів FIAT / CLUB UCRAINO TIFOSO DELLA FIAT -> FIAT Ritmo, FIAT Regata, FIAT Croma, FIAT Croma Nuova
Предыдущая тема :: Следующая тема  
Автор Сообщение
ja.kap
Италофан


Италофан

Возраст: 48
Знак зодиака: Водолей
Зарегистрирован: 15.02.2010
Сообщения: 169
Откуда: Житомир

Авто: РегатаDS 1.9 дизель 86 года

СообщениеДобавлено: Ср Ноя 13, 2013 16:02    Заголовок сообщения: Ответить с цитатой

Я думал может Lazkoff мне ответит. Он описал проблему, к-я схожа с моей(не горят стопы и один контур габаритов). У него всё упёрлось в перегоревшую плату в борт-компютере. Есть фотка на предыдущей странице. Я хочу узнать на моей регате тоже есть такая плата? и где эта плата находится, чтоб её заменить?
Вернуться к началу
Посмотреть профиль Отправить личное сообщение
no2sm
Италомафиози


Италомафиози

Возраст: 37
Знак зодиака: Весы
Зарегистрирован: 17.02.2013
Сообщения: 890
Откуда: Хмельницкий

Авто: Ракель

СообщениеДобавлено: Ср Ноя 13, 2013 17:26    Заголовок сообщения: Ответить с цитатой

фото приборки
Вернуться к началу
Посмотреть профиль Отправить личное сообщение
ja.kap
Италофан


Италофан

Возраст: 48
Знак зодиака: Водолей
Зарегистрирован: 15.02.2010
Сообщения: 169
Откуда: Житомир

Авто: РегатаDS 1.9 дизель 86 года

СообщениеДобавлено: Чт Ноя 14, 2013 12:56    Заголовок сообщения: Ответить с цитатой

no2sm писал(а):
фото приборки



t_20081002204024_196.jpg
 Описание:
 Размер:  9.81 KB
 Просмотрено:  241 раз(а)

t_20081002204024_196.jpg


Вернуться к началу
Посмотреть профиль Отправить личное сообщение
ja.kap
Италофан


Италофан

Возраст: 48
Знак зодиака: Водолей
Зарегистрирован: 15.02.2010
Сообщения: 169
Откуда: Житомир

Авто: РегатаDS 1.9 дизель 86 года

СообщениеДобавлено: Чт Ноя 14, 2013 12:57    Заголовок сообщения: Ответить с цитатой

крайний левый показывает давление масла
Вернуться к началу
Посмотреть профиль Отправить личное сообщение
Dimmos
Италомафиози


Италомафиози

Возраст: 52
Знак зодиака: Водолей
Зарегистрирован: 10.08.2007
Сообщения: 1044
Откуда: Кострома

Авто: Регата 75, Марея 1.6

СообщениеДобавлено: Чт Ноя 14, 2013 14:24    Заголовок сообщения: Ответить с цитатой

ja.kap писал(а):
крайний левый показывает давление масла

- фотка гавно, но на моей например вверху крайний левый показывает, что лампочка где-то требует замены, давление мала -следующий за ним
а вот внизу второй - уровень масла, датчик на щупе и обычно сломан
Вернуться к началу
Посмотреть профиль Отправить личное сообщение Отправить e-mail
ja.kap
Италофан


Италофан

Возраст: 48
Знак зодиака: Водолей
Зарегистрирован: 15.02.2010
Сообщения: 169
Откуда: Житомир

Авто: РегатаDS 1.9 дизель 86 года

СообщениеДобавлено: Чт Ноя 14, 2013 14:46    Заголовок сообщения: Ответить с цитатой

я имел ввиду прибор(у некоторых там тахометр), а не светодиод. А фотка какую в инете нашёл.
Вернуться к началу
Посмотреть профиль Отправить личное сообщение
Dimmos
Италомафиози


Италомафиози

Возраст: 52
Знак зодиака: Водолей
Зарегистрирован: 10.08.2007
Сообщения: 1044
Откуда: Кострома

Авто: Регата 75, Марея 1.6

СообщениеДобавлено: Чт Ноя 14, 2013 18:30    Заголовок сообщения: Ответить с цитатой

ja.kap писал(а):
я имел ввиду прибор(у некоторых там тахометр), а не светодиод. А фотка какую в инете нашёл.
-ничего не понял, если честно))
Так в чем суть вопроса, скажи еще раз? Где плата, которая нужна тебе? Она за светодиодами, самая первая(т.е ближе всех к мотору), там мощные резисторы, вероятно какой-то сгорел или что чаще бывает - часть дорожки, контачащая с коннектором от проводки автомобиля и сам просевший от перегрева и потерявший упругость контакт коннектора
Вернуться к началу
Посмотреть профиль Отправить личное сообщение Отправить e-mail
Lazkoff
Италофан


Италофан

Возраст: 40
Знак зодиака: Рак
Зарегистрирован: 28.10.2011
Сообщения: 135
Откуда: Украина, Мелитополь

Авто: Fiat Regata 65 1.9D была, ИЖ-412, АЗЛК-21412

СообщениеДобавлено: Пн Ноя 18, 2013 16:47    Заголовок сообщения: Ответить с цитатой

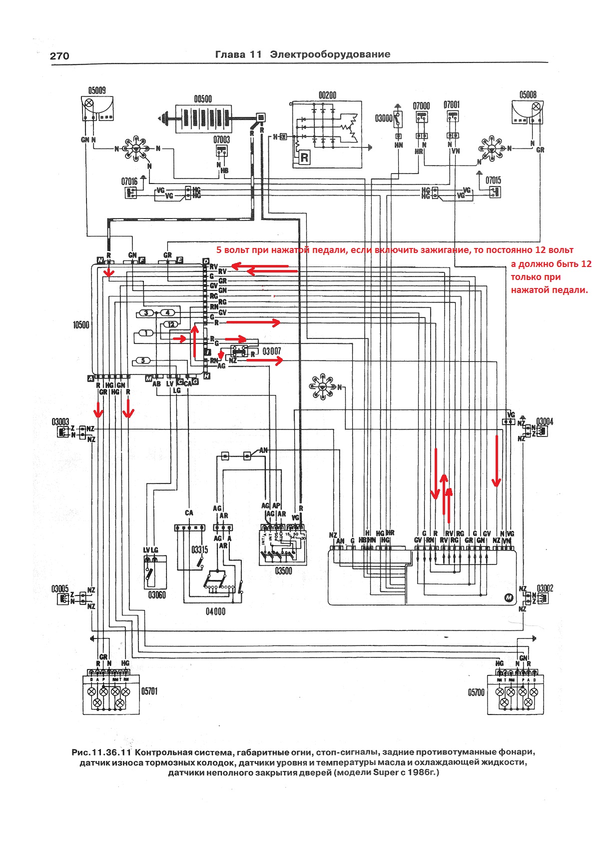
Честно говоря, уже подзабыл схему, в машине уже год не копался, но попробую помочь. Стопы и габариты волне могут не работать из-за приборки, точнее из-за устройства контроля исправности ламп. Судя по фото выше, оно у Вас есть. Но лучше сначала тестером замерить наличие напряжения на проводах, идущих к фонарям, при нажатии педали тормоза. Если напряжения нет, то тогда придётся углубиться в схему. Принцип работы данного устройства таков: из блока предохранителей идёт колодка проводов, далее она раздваивается и подключается в устройство контроля исправности ламп, а из него 2 колодки возвращаются назад в блок предохранителей, и через него уже ток идёт далее к фонарям. Неисправность может быть в блоке предохранителей или же в данном устройстве. Я попробую начертить схему движения тока чуть позже.
Вернуться к началу
Посмотреть профиль Отправить личное сообщение
Lazkoff
Италофан


Италофан

Возраст: 40
Знак зодиака: Рак
Зарегистрирован: 28.10.2011
Сообщения: 135
Откуда: Украина, Мелитополь

Авто: Fiat Regata 65 1.9D была, ИЖ-412, АЗЛК-21412

СообщениеДобавлено: Пн Ноя 18, 2013 17:19    Заголовок сообщения: Ответить с цитатой

А, ну вот же схема, я ранее рисовал, проверить наличие тока по всему направлению стрелок.
http://fiat-club.org.ua/forum/download.php?id=50365

Картинка задней стороны блока тоже есть на 1-й странице, требуемые провода находятся в колодке D

Если накрылось устройство контроля ламп, можно найти такое же на разборке, а можно просто сделать перемычку в обход устройства.
Вернуться к началу
Посмотреть профиль Отправить личное сообщение
Показать сообщения:   
Начать новую тему   Ответить на тему    Список форумов Український клуб фанів FIAT / CLUB UCRAINO TIFOSO DELLA FIAT -> FIAT Ritmo, FIAT Regata, FIAT Croma, FIAT Croma Nuova Часовой пояс: GMT + 3
На страницу Пред.  1, 2, 3
Страница 3 из 3

 
Перейти:  
Вы не можете начинать темы
Вы не можете отвечать на сообщения
Вы не можете редактировать свои сообщения
Вы не можете удалять свои сообщения
Вы не можете голосовать в опросах
Вы не можете присоединять файлы в этом форуме
Вы можете скачивать файлы в этом форуме






Powered by phpBB © 2001, 2005 phpBB Group
З питань розміщення реклами писати на цю адресу