Сайт Українського клуба фанів FIAT Український клуб фанів FIAT / CLUB UCRAINO TIFOSO DELLA FIAT

 
ФотогалереяФотогалерея   FAQFAQ   ПоискПоиск   ПользователиПользователи   ГруппыГруппы   РегистрацияРегистрация 
 ПрофильПрофиль   Войти и проверить личные сообщенияВойти и проверить личные сообщения   ВходВход 

Ищу трубку на крому.

 
Начать новую тему   Ответить на тему    Список форумов Український клуб фанів FIAT / CLUB UCRAINO TIFOSO DELLA FIAT -> Шукаю запчастини
Предыдущая тема :: Следующая тема  
Автор Сообщение
Алексей Фео.
Amico


Amico

Возраст: 48
Знак зодиака: Телец
Зарегистрирован: 11.06.2012
Сообщения: 49
Откуда: Феодосия,Крым,Украина

Авто: Fiat Croma 2i.e.1989г.в.

СообщениеДобавлено: Вт Сен 03, 2013 17:35    Заголовок сообщения: Ищу трубку на крому. Ответить с цитатой

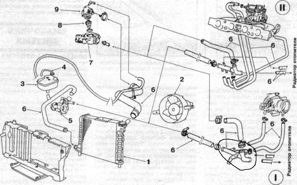
Нужна металлическая трубка к которой подсоединяются патрубки радиатора и подогрев дроссельной заслонки.


Fiat_Croma_85_.jpg
 Описание:
 Размер:  494 KB
 Просмотрено:  336 раз(а)

Fiat_Croma_85_.jpg


Вернуться к началу
Посмотреть профиль Отправить личное сообщение
Stefan
Италоманьячище


Италоманьячище

Возраст: 66
Знак зодиака: Стрелец
Зарегистрирован: 22.04.2012
Сообщения: 2586
Откуда: Белая Церковь

Авто: Fiat Croma

СообщениеДобавлено: Вт Сен 03, 2013 20:20    Заголовок сообщения: Ответить с цитатой

есть звоните т 067-7270047
Вернуться к началу
Посмотреть профиль Отправить личное сообщение
Показать сообщения:   
Начать новую тему   Ответить на тему    Список форумов Український клуб фанів FIAT / CLUB UCRAINO TIFOSO DELLA FIAT -> Шукаю запчастини Часовой пояс: GMT + 3
Страница 1 из 1

 
Перейти:  
Вы не можете начинать темы
Вы не можете отвечать на сообщения
Вы не можете редактировать свои сообщения
Вы не можете удалять свои сообщения
Вы не можете голосовать в опросах
Вы не можете присоединять файлы в этом форуме
Вы можете скачивать файлы в этом форуме






Powered by phpBB © 2001, 2005 phpBB Group
З питань розміщення реклами писати на цю адресу