Сайт Українського клуба фанів FIAT Український клуб фанів FIAT / CLUB UCRAINO TIFOSO DELLA FIAT

 
ФотогалереяФотогалерея   FAQFAQ   ПоискПоиск   ПользователиПользователи   ГруппыГруппы   РегистрацияРегистрация 
 ПрофильПрофиль   Войти и проверить личные сообщенияВойти и проверить личные сообщения   ВходВход 

Підтікання масла

 
Начать новую тему   Ответить на тему    Список форумов Український клуб фанів FIAT / CLUB UCRAINO TIFOSO DELLA FIAT -> Мінівени, мікроавтобуси (FIAT Scudo, FIAT Ducato, FIAT Ulysse)
Предыдущая тема :: Следующая тема  
Автор Сообщение
allsvy
Италофан


Италофан

Возраст: 49
Знак зодиака: Скорпион
Зарегистрирован: 11.07.2010
Сообщения: 136
Откуда: Черновцы

Авто: Fiat Scudo 1,9TD 1999

СообщениеДобавлено: Пт Апр 12, 2013 01:00    Заголовок сообщения: Підтікання масла Ответить с цитатой

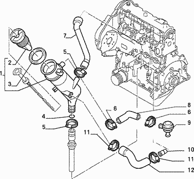
Підтікає масло внизу маляної лійки попри сальник (поз. №4). Весь піддон в маслі. Хто як лікував цю проблему?


naread.png
 Описание:
 Размер:  13.93 KB
 Просмотрено:  184 раз(а)

naread.png



_________________
Вернуться к началу
Посмотреть профиль Отправить личное сообщение
trashutin
Италофан


Италофан

Возраст: 44
Знак зодиака: Рак
Зарегистрирован: 29.07.2012
Сообщения: 107
Откуда: крым нижнегорск

Авто: ситроен джампи 1,9td

СообщениеДобавлено: Пт Апр 12, 2013 07:32    Заголовок сообщения: Ответить с цитатой

менял лейку, около 450 грн если не ошибаюсь
Вернуться к началу
Посмотреть профиль Отправить личное сообщение
Ситр
Италофан


Италофан

Возраст: 56
Знак зодиака: Козерог
Зарегистрирован: 07.12.2012
Сообщения: 231
Откуда: Запорожье

Авто: Крома

СообщениеДобавлено: Пт Апр 12, 2013 09:19    Заголовок сообщения: Ответить с цитатой

Посмотри внимательно. Бывает слинит один из патрубков лейки.
Если, что есть хорошая лейка.
Вернуться к началу
Посмотреть профиль Отправить личное сообщение
allsvy
Италофан


Италофан

Возраст: 49
Знак зодиака: Скорпион
Зарегистрирован: 11.07.2010
Сообщения: 136
Откуда: Черновцы

Авто: Fiat Scudo 1,9TD 1999

СообщениеДобавлено: Пт Апр 12, 2013 12:39    Заголовок сообщения: Ответить с цитатой

Я як раз міняв лійку, так як у попередній була тріщина в корпусі і зламані усі вусики внизу. Лійка трималася на куску патрубка, затягнутого хомутами. Сальник теж поміняв. Кажуть, що це проблема багатьох Скудиків.
_________________
Вернуться к началу
Посмотреть профиль Отправить личное сообщение
celebra
Италофан


Италофан

Возраст: 45
Знак зодиака: Телец
Зарегистрирован: 15.12.2011
Сообщения: 384
Откуда: чернівці

Авто: fiat scudo 1.9D-був, став 2,0 турбо бензин

СообщениеДобавлено: Пт Апр 12, 2013 16:45    Заголовок сообщения: Ответить с цитатой

поміняв сальнік і хомут, текти перестало
Вернуться к началу
Посмотреть профиль Отправить личное сообщение
Серж1975
Италофан


Италофан

Возраст: 50
Знак зодиака: Стрелец
Зарегистрирован: 14.01.2013
Сообщения: 367
Откуда: Рiвненська область

Авто: Скудо 1.9D 2005р...

СообщениеДобавлено: Чт Апр 25, 2013 21:48    Заголовок сообщения: Ответить с цитатой

пiдтiкае з пiд кришки мотора та що зразу пiд колектором.там прокладка чи герметик.якщо прокладка то номер може хто дасть 1869 дизель простий.сопливить зпiд зливной пробки так як будто зорвана рiзьба.може хто дасть дiаметр пробки шаг рiзьби хочу виточить.дякую.
Вернуться к началу
Посмотреть профиль Отправить личное сообщение
Freedom
Италоманьячище


Италоманьячище

Возраст: 41
Знак зодиака: Водолей
Зарегистрирован: 21.07.2012
Сообщения: 1613
Откуда: Тернопіль

Авто: Peugeot Expert 2.0 HDi 80кВт Long

СообщениеДобавлено: Пт Апр 26, 2013 14:52    Заголовок сообщения: Ответить с цитатой

Серж1975
в мене пижик був з 1,9 д так там тоже потіло з під клапаної кришки, но їх там дві алюмінєва і пластікова, під пластіковою прокладка. а під алюмінієвою герметик, і я залив новим герметиком но через деякий час знову пустило, так що якщо легенько слизить не стоїть того робити, хіба явно тече
Вернуться к началу
Посмотреть профиль Отправить личное сообщение
Серж1975
Италофан


Италофан

Возраст: 50
Знак зодиака: Стрелец
Зарегистрирован: 14.01.2013
Сообщения: 367
Откуда: Рiвненська область

Авто: Скудо 1.9D 2005р...

СообщениеДобавлено: Пт Апр 26, 2013 21:21    Заголовок сообщения: Ответить с цитатой

вже знизу поддона видно.раньше небуло.
Вернуться к началу
Посмотреть профиль Отправить личное сообщение
Показать сообщения:   
Начать новую тему   Ответить на тему    Список форумов Український клуб фанів FIAT / CLUB UCRAINO TIFOSO DELLA FIAT -> Мінівени, мікроавтобуси (FIAT Scudo, FIAT Ducato, FIAT Ulysse) Часовой пояс: GMT + 3
Страница 1 из 1

 
Перейти:  
Вы не можете начинать темы
Вы не можете отвечать на сообщения
Вы не можете редактировать свои сообщения
Вы не можете удалять свои сообщения
Вы не можете голосовать в опросах
Вы не можете присоединять файлы в этом форуме
Вы можете скачивать файлы в этом форуме






Powered by phpBB © 2001, 2005 phpBB Group
З питань розміщення реклами писати на цю адресу