 |
Український клуб фанів FIAT / CLUB UCRAINO TIFOSO DELLA FIAT
|
 |
| Предыдущая тема :: Следующая тема |
| Автор |
Сообщение |
seregka Amico


Возраст: 36 Знак зодиака:  Зарегистрирован: 28.03.2011 Сообщения: 45 Откуда: Гомель
Авто: fiat scudo 1999 1.9TD
|
Добавлено: Пн Мар 28, 2011 16:15 Заголовок сообщения: Скудоводы нужна табличка предохранителей |
|
|
| Народ может у кого то есть книжка или знает где поссмотреть какой предохранитель за что отвечает. скудо 1999г 1,9 TD спасибо заранее!!
|
|
| Вернуться к началу |
|
 |
_Mega_Volt_ Amico

Возраст: 47 Знак зодиака:  Зарегистрирован: 14.02.2011 Сообщения: 26 Откуда: Закарпатье, Хуст
Авто: Fiat Scudo 1.9 td
|
Добавлено: Пн Мар 28, 2011 20:52 Заголовок сообщения: |
|
|
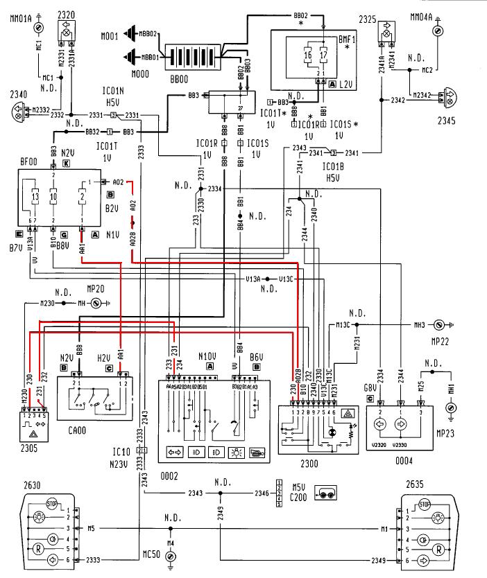
Знайшов в себе шось таке, але чи воно відповідає дійсності, не знаю. Не звірявся.
| Описание: |
|
| Размер: |
167 KB |
| Просмотрено: |
2986 раз(а) |

|
|
|
| Вернуться к началу |
|
 |
seregka Amico


Возраст: 36 Знак зодиака:  Зарегистрирован: 28.03.2011 Сообщения: 45 Откуда: Гомель
Авто: fiat scudo 1999 1.9TD
|
Добавлено: Пн Мар 28, 2011 22:48 Заголовок сообщения: |
|
|
| Спасибо хоть и на немецком но ниче страшного!
|
|
| Вернуться к началу |
|
 |
bizj Италолюбитель

Возраст: 55 Знак зодиака:  Зарегистрирован: 05.09.2009 Сообщения: 79 Откуда: энергодар
Авто: fiat scudo 1.9d
|
Добавлено: Пн Мар 28, 2011 23:09 Заголовок сообщения: |
|
|
у меня 1.9д/99г ,соответствует(проверил) '
|
|
| Вернуться к началу |
|
 |
seregka Amico


Возраст: 36 Знак зодиака:  Зарегистрирован: 28.03.2011 Сообщения: 45 Откуда: Гомель
Авто: fiat scudo 1999 1.9TD
|
Добавлено: Вт Мар 29, 2011 23:01 Заголовок сообщения: |
|
|
Спс. Тема ЗАКРЫТА!
|
|
| Вернуться к началу |
|
 |
seregka Amico


Возраст: 36 Знак зодиака:  Зарегистрирован: 28.03.2011 Сообщения: 45 Откуда: Гомель
Авто: fiat scudo 1999 1.9TD
|
Добавлено: Вт Мар 29, 2011 23:03 Заголовок сообщения: |
|
|
| А Врт книжка может у кого есть в электронном виде? Скачал универсальную улисс-скудо эксперт-806 , но хочется чисто СКУДО!
|
|
| Вернуться к началу |
|
 |
_Mega_Volt_ Amico

Возраст: 47 Знак зодиака:  Зарегистрирован: 14.02.2011 Сообщения: 26 Откуда: Закарпатье, Хуст
Авто: Fiat Scudo 1.9 td
|
Добавлено: Вт Мар 29, 2011 23:44 Заголовок сообщения: |
|
|
| Теж лише універсальну в pdf-форматі маю. Але книга нормальна.
|
|
| Вернуться к началу |
|
 |
allsvy Италофан


Возраст: 49 Знак зодиака:  Зарегистрирован: 11.07.2010 Сообщения: 136 Откуда: Черновцы
Авто: Fiat Scudo 1,9TD 1999
|
Добавлено: Чт Мар 31, 2011 00:03 Заголовок сообщения: |
|
|
Кидай
Можна на мыло allsvy@yandex.ru
_________________
 |
|
| Вернуться к началу |
|
 |
Spark Amico

Возраст: 40 Знак зодиака:  Зарегистрирован: 16.08.2011 Сообщения: 5 Откуда: Нововолинськ, Україна
Авто: Fiat Scudo 1997 1,9TD
|
Добавлено: Вт Авг 16, 2011 00:15 Заголовок сообщения: |
|
|
| Усім привіт! Вибачте що знову піднімаю тему, та вчора пропали повороти і не вмикається магнітола, перебрав усі запобіжники, ніби цілі. Аварійка моргає, а поворотів немае. У мене Scudo 1997р.в. 1,9 ТД. Може хтось має схему запобіжників, то викладіть будьласка...
|
|
| Вернуться к началу |
|
 |
alex-lv Италоманьячище


Возраст: 30 Знак зодиака:  Зарегистрирован: 14.09.2009 Сообщения: 1306 Откуда: Львів
Авто: продано
|
|
| Вернуться к началу |
|
 |
Spark Amico

Возраст: 40 Знак зодиака:  Зарегистрирован: 16.08.2011 Сообщения: 5 Откуда: Нововолинськ, Україна
Авто: Fiat Scudo 1997 1,9TD
|
Добавлено: Ср Авг 17, 2011 10:51 Заголовок сообщения: |
|
|
| Дякую шановна громадо за допомогу! А всього лише гніздо на запобіжник підгоріло... І таке буває)
|
|
| Вернуться к началу |
|
 |
Studenttr Италолюбитель


Возраст: 42 Знак зодиака:  Зарегистрирован: 14.06.2011 Сообщения: 85 Откуда: Тернопіль
Авто: Fiat Scudo 2.0jtd
|
Добавлено: Вс Окт 09, 2011 11:35 Заголовок сообщения: |
|
|
| _Mega_Volt_ писал(а): | | Теж лише універсальну в pdf-форматі маю. Але книга нормальна. |
А можна і мені genyatr@gmail.com. Дякую
|
|
| Вернуться к началу |
|
 |
OLEG1969 Amico

Возраст: 56 Знак зодиака:  Зарегистрирован: 17.04.2008 Сообщения: 4 Откуда: виница
Авто: FIAT SCUDO
|
Добавлено: Пт Окт 05, 2012 15:34 Заголовок сообщения: |
|
|
| КНИГУ універсальну в pdf-форматі ПОДІЛІТЬСЯ БУДЬЛАСКА
|
|
| Вернуться к началу |
|
 |
|
|
Вы не можете начинать темы Вы не можете отвечать на сообщения Вы не можете редактировать свои сообщения Вы не можете удалять свои сообщения Вы не можете голосовать в опросах Вы не можете присоединять файлы в этом форуме Вы можете скачивать файлы в этом форуме
|
Powered by phpBB © 2001, 2005 phpBB Group
|