| 
			
		
                                |  | Український клуб фанів FIAT / CLUB UCRAINO TIFOSO DELLA FIAT 
 
 |  |  
 
	
		| Предыдущая тема :: Следующая тема |  
		| Автор | Сообщение |  
		| Зелений Италофан
 
  
 
  
 Возраст: 53
 Знак зодиака:
  Зарегистрирован: 06.05.2010
 Сообщения: 135
 Откуда: Обухів
 
 Авто: Lancia Prisma 1,9ТД; FIAT Doblo 1.3 multijet
 
 | 
			
				|  Добавлено: Ср Окт 20, 2010 14:04    Заголовок сообщения: Потрібна ел. схема на Добло 1,3 |   |  
				| 
 |  
				| Ошень нуженама ел. схема на Добло 1,3 МЖТ на мануалах не знайшов, елерн взагалі жах. |  |  
		| Вернуться к началу |  |  
		|  |  
		| Ігор Италофан
 
  
 
  
 Возраст: 53
 Знак зодиака:
  Зарегистрирован: 21.08.2007
 Сообщения: 281
 Откуда: Kiev
 
 Авто: Fiat Doblo 1,6/16V 2003
 
 | 
			
				|  Добавлено: Ср Окт 20, 2010 21:59    Заголовок сообщения: |   |  
				| 
 |  
				| Что конкретно нужно? _________________
 Поступай с людьми так,как хочешь чтобы поступали с тобой.
 
 Главное ,чтобы главное оставалось главным.
 
 Умение обращаться с техникой это у нас семейное.
 |  |  
		| Вернуться к началу |  |  
		|  |  
		| Зелений Италофан
 
  
 
  
 Возраст: 53
 Знак зодиака:
  Зарегистрирован: 06.05.2010
 Сообщения: 135
 Откуда: Обухів
 
 Авто: Lancia Prisma 1,9ТД; FIAT Doblo 1.3 multijet
 
 | 
			
				|  Добавлено: Ср Окт 20, 2010 22:45    Заголовок сообщения: |   |  
				| 
 |  
				| Потрібно підключення ЦЗ, розпіновка по дротам від дверей та до блоків. _________________
 Нація житиме доти, доки житимуть чоловіки, готові за неї воювати.
 |  |  
		| Вернуться к началу |  |  
		|  |  
		| Ігор Италофан
 
  
 
  
 Возраст: 53
 Знак зодиака:
  Зарегистрирован: 21.08.2007
 Сообщения: 281
 Откуда: Kiev
 
 Авто: Fiat Doblo 1,6/16V 2003
 
 | 
			
				|  Добавлено: Пн Окт 25, 2010 23:39    Заголовок сообщения: |   |  
				| 
 |  
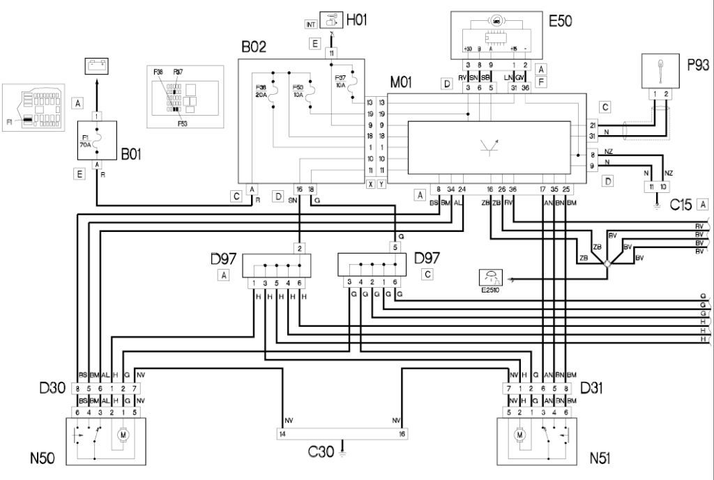
				| Мой Елерн выдал такое. 	  | Зелений писал(а): |  	  | Потрібно підключення ЦЗ, розпіновка по дротам від дверей та до блоків. | 
 
 
 
 
	
		
	 
		| Описание: |  |  
		| Размер: | 112.66 KB |  
		| Просмотрено: | 668 раз(а) |  
		| 
  
 
 |  
 
 
	
		
	 
		| Описание: |  |  
		| Размер: | 61.25 KB |  
		| Просмотрено: | 678 раз(а) |  
		| 
  
 
 |  
 
 
	
		
	 
		| Описание: |  |  
		| Размер: | 90.93 KB |  
		| Просмотрено: | 1727 раз(а) |  
		| 
  
 
 |  
 _________________
 Поступай с людьми так,как хочешь чтобы поступали с тобой.
 
 Главное ,чтобы главное оставалось главным.
 
 Умение обращаться с техникой это у нас семейное.
 |  |  
		| Вернуться к началу |  |  
		|  |  
		| Helpix Италолюбитель
 
  
 
  
 Возраст: 35
 Знак зодиака:
  Зарегистрирован: 05.06.2010
 Сообщения: 82
 Откуда: Харьков
 
 Авто: В ожидании Fiat Doblo 1.4 Cargo, пока что Dacia Logan 1.4
 
 | 
			
				|  Добавлено: Вт Окт 26, 2010 01:17    Заголовок сообщения: |   |  
				| 
 |  
				| доброй ночи, а скажите плиз, универсальные привода центральных замков становятся? если да, до под каким наклоном? быть может кто-то знает? |  |  
		| Вернуться к началу |  |  
		|  |  
		| Stas_Bar Италомафиози
 
  
 
  
 Возраст: 53
 Знак зодиака:
  Зарегистрирован: 02.02.2009
 Сообщения: 967
 Откуда: Киев
 
 Авто: Fiat Doblo Maxi 1,9Multijet
 
 | 
			
				|  Добавлено: Вт Окт 26, 2010 08:26    Заголовок сообщения: |   |  
				| 
 |  
				| Helpix 
  	  | Цитата: |  	  | доброй ночи, а скажите плиз, универсальные привода центральных замков становятся? | 
 Нет. По крайней мере я не встречал еще, что бы кто-то поставил. Тема уже была. Воспльзуйся поиском.
 _________________
 Стас
 |  |  
		| Вернуться к началу |  |  
		|  |  
		| Зелений Италофан
 
  
 
  
 Возраст: 53
 Знак зодиака:
  Зарегистрирован: 06.05.2010
 Сообщения: 135
 Откуда: Обухів
 
 Авто: Lancia Prisma 1,9ТД; FIAT Doblo 1.3 multijet
 
 | 
			
				|  Добавлено: Ср Окт 27, 2010 08:03    Заголовок сообщения: |   |  
				| 
 |  
				| Елерн у мене також є, але такі схемки де взялися, чи може я не повністю роздуплив Елерн? _________________
 Нація житиме доти, доки житимуть чоловіки, готові за неї воювати.
 |  |  
		| Вернуться к началу |  |  
		|  |  
		| =Avtorarytet= Италоманьячище
 
  
 
  
 Возраст: 38
 Знак зодиака:
  Зарегистрирован: 13.05.2008
 Сообщения: 1875
 Откуда: Україна
 
 Авто: Alfa Romeo 155 1.7TS 93' + Fiat Doblo 1.9Mjet 06'
 
 | 
			
				|  Добавлено: Ср Окт 27, 2010 09:51    Заголовок сообщения: |   |  
				| 
 |  
				| Helpix, універсальні ставлять на ура, тільки там є якийсь секрет... Який - не знаю. По-моєму, там окремий трос на тягу і проблема в ньому. здається... Метод тика пробував?
 |  |  
		| Вернуться к началу |  |  
		|  |  
		| Muzzy Италоманьячище
 
  
 
  
 Возраст: 49
 Знак зодиака:
  Зарегистрирован: 30.09.2008
 Сообщения: 2005
 Откуда: Киев
 
 Авто: Doblo 1.4i 06, Doblo 1.4i 08,Doblo 1.3d 06,Doblo 1.9 d 07
 
 | 
			
				|  Добавлено: Ср Окт 27, 2010 10:31    Заголовок сообщения: |   |  
				| 
 |  
				| =Avtorarytet= Ставлять то ставлять але я з наскоку не зрозумів як)
 _________________
 Начальник автопарка)))
 |  |  
		| Вернуться к началу |  |  
		|  |  
		| =Avtorarytet= Италоманьячище
 
  
 
  
 Возраст: 38
 Знак зодиака:
  Зарегистрирован: 13.05.2008
 Сообщения: 1875
 Откуда: Україна
 
 Авто: Alfa Romeo 155 1.7TS 93' + Fiat Doblo 1.9Mjet 06'
 
 | 
			
				|  Добавлено: Ср Окт 27, 2010 14:27    Заголовок сообщения: |   |  
				| 
 |  
				| Да я не знаю. Бачив одним оком, що в дверях тяги стояли знизу і тросік як заводський (я про Добло без штатного ЦЗ). Власник казав, що проблема була з цими тросами, але зробили... Нуно глянути на сам замок, може готове місце для троса вже є, залишається тягу примудрувати...
 ХЗ!
 |  |  
		| Вернуться к началу |  |  
		|  |  
		| Helpix Италолюбитель
 
  
 
  
 Возраст: 35
 Знак зодиака:
  Зарегистрирован: 05.06.2010
 Сообщения: 82
 Откуда: Харьков
 
 Авто: В ожидании Fiat Doblo 1.4 Cargo, пока что Dacia Logan 1.4
 
 | 
			
				|  Добавлено: Ср Окт 27, 2010 23:06    Заголовок сообщения: |   |  
				| 
 |  
				| Я уже и замок вынимал притулял привод к нему, там вся хитрость в тяге (если не тросик, а пруток с привода идет) ее под каким то углом ставить нужно и выгнуть еще своеобразно, ну в общем день пропарился, не помогло. |  |  
		| Вернуться к началу |  |  
		|  |  
		| Helpix Италолюбитель
 
  
 
  
 Возраст: 35
 Знак зодиака:
  Зарегистрирован: 05.06.2010
 Сообщения: 82
 Откуда: Харьков
 
 Авто: В ожидании Fiat Doblo 1.4 Cargo, пока что Dacia Logan 1.4
 
 | 
			
				|  Добавлено: Ср Окт 27, 2010 23:08    Заголовок сообщения: |   |  
				| 
 |  
				| А место есть и по моему я даже два нашел, но одно реально заводское, там дырочка на язычке  под тросик походу... |  |  
		| Вернуться к началу |  |  
		|  |  
		| =Avtorarytet= Италоманьячище
 
  
 
  
 Возраст: 38
 Знак зодиака:
  Зарегистрирован: 13.05.2008
 Сообщения: 1875
 Откуда: Україна
 
 Авто: Alfa Romeo 155 1.7TS 93' + Fiat Doblo 1.9Mjet 06'
 
 | 
			
				|  Добавлено: Ср Окт 27, 2010 23:28    Заголовок сообщения: |   |  
				| 
 |  
				| Helpix, напрям правильний, тільки тяга до ду..и, треба саме трос. Якщо тягу, то електропривод треба ставити безпосередньо біля замка...
 Гемор, короч
 |  |  
		| Вернуться к началу |  |  
		|  |  
		| Muzzy Италоманьячище
 
  
 
  
 Возраст: 49
 Знак зодиака:
  Зарегистрирован: 30.09.2008
 Сообщения: 2005
 Откуда: Киев
 
 Авто: Doblo 1.4i 06, Doblo 1.4i 08,Doblo 1.3d 06,Doblo 1.9 d 07
 
 | 
			
				|  Добавлено: Чт Окт 28, 2010 00:41    Заголовок сообщения: |   |  
				| 
 |  
				| цікаво якщо купити на розборці рідний електрозамок важко вставити ? _________________
 Начальник автопарка)))
 |  |  
		| Вернуться к началу |  |  
		|  |  
		| =Avtorarytet= Италоманьячище
 
  
 
  
 Возраст: 38
 Знак зодиака:
  Зарегистрирован: 13.05.2008
 Сообщения: 1875
 Откуда: Україна
 
 Авто: Alfa Romeo 155 1.7TS 93' + Fiat Doblo 1.9Mjet 06'
 
 | 
			
				|  Добавлено: Чт Окт 28, 2010 13:11    Заголовок сообщения: |   |  
				| 
 |  
				| Ледь визвонив майстра. Казав, що ориг електротяга з тросом просто защолкується в замок.
 ХЗ, нуно спочатку подивитися на сам замок
 |  |  
		| Вернуться к началу |  |  
		|  |  
		|  |  
  
	| 
 
 | Вы не можете начинать темы Вы не можете отвечать на сообщения
 Вы не можете редактировать свои сообщения
 Вы не можете удалять свои сообщения
 Вы не можете голосовать в опросах
 Вы не можете присоединять файлы в этом форуме
 Вы можете скачивать файлы в этом форуме
 
 |  
 
 
 
 
 Powered by phpBB © 2001, 2005 phpBB Group
 |