Сайт Українського клуба фанів FIAT Український клуб фанів FIAT / CLUB UCRAINO TIFOSO DELLA FIAT

 
ФотогалереяФотогалерея   FAQFAQ   ПоискПоиск   ПользователиПользователи   ГруппыГруппы   РегистрацияРегистрация 
 ПрофильПрофиль   Войти и проверить личные сообщенияВойти и проверить личные сообщения   ВходВход 

Глюк В Темпрі
На страницу Пред.  1, 2
 
Начать новую тему   Ответить на тему    Список форумов Український клуб фанів FIAT / CLUB UCRAINO TIFOSO DELLA FIAT -> FIAT Tipo, FIAT Tempra
Предыдущая тема :: Следующая тема  
Автор Сообщение
RomanLviv
Италомафиози


Италомафиози

Возраст: 37
Знак зодиака: Овен
Зарегистрирован: 25.08.2009
Сообщения: 891
Откуда: Львов

Авто: Fiat UNOІІ 1.7D. Renault Grand Scenic3

СообщениеДобавлено: Чт Дек 31, 2009 17:33    Заголовок сообщения: Ответить с цитатой

karasoff
Я провыряв але не тестером, а лампою і двома дротами напруга туди не поступає. підігрів зеркал є томущо на кожне зеркало йдуть проводки.
Вернуться к началу
Посмотреть профиль Отправить личное сообщение
karasoff
Италоманьячище


Италоманьячище

Возраст: 36
Знак зодиака: Водолей
Зарегистрирован: 09.03.2009
Сообщения: 1387
Откуда: Львов

Авто: Fiat Croma 1.9m-jet 2010г.

СообщениеДобавлено: Чт Дек 31, 2009 17:44    Заголовок сообщения: Ответить с цитатой

якщо реле і запобыжник добрі значить десь проводка має обрив. розбирати салон и перевіряти дроти на цілісність. Так само на дзеркалах перевір чи йде напруга.

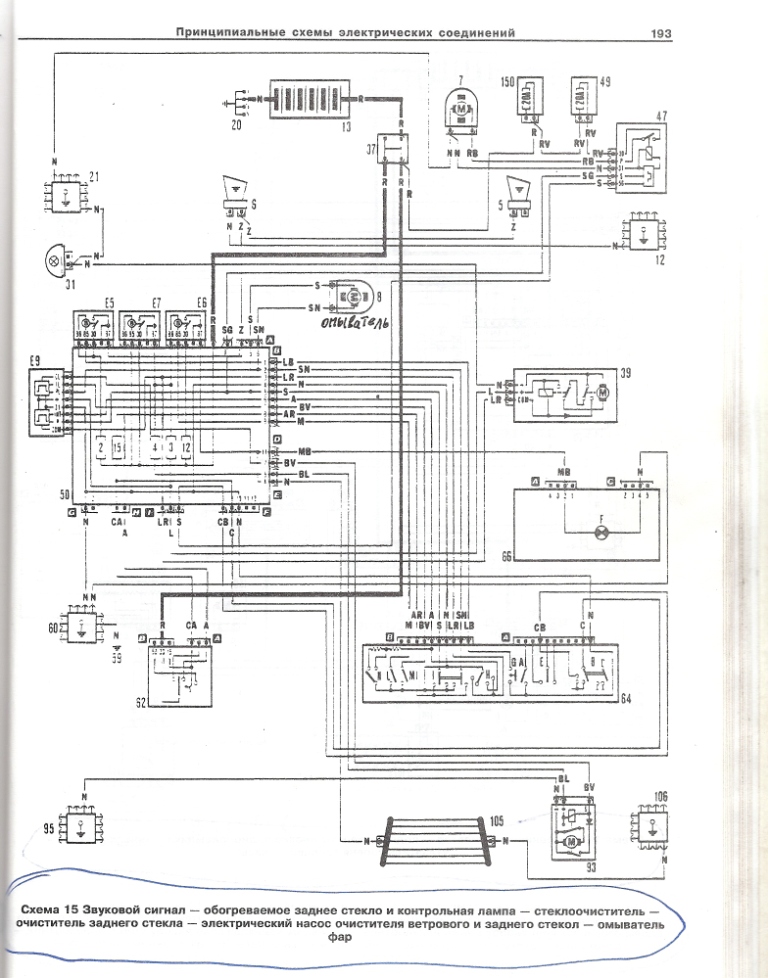
Схемка



025.jpg
 Описание:
 Размер:  313.56 KB
 Просмотрено:  214 раз(а)

025.jpg



011.jpg
 Описание:
 Размер:  295.67 KB
 Просмотрено:  218 раз(а)

011.jpg



_________________
Fiat Tempra 2.0i.e.cat DGT/SX 1992г.--->Alfa romeo 164 3.0 QV 1992г.--->Alfa romeo 33 1,4 Boxer---> Fiat Tempra 1.6i.e. 1992г.--->Fiat Tipo 1.4i.e. 3D 1995г.--->Fiat Croma 1.9m-jet 2010г.
Вернуться к началу
Посмотреть профиль Отправить личное сообщение
RomanLviv
Италомафиози


Италомафиози

Возраст: 37
Знак зодиака: Овен
Зарегистрирован: 25.08.2009
Сообщения: 891
Откуда: Львов

Авто: Fiat UNOІІ 1.7D. Renault Grand Scenic3

СообщениеДобавлено: Чт Дек 31, 2009 17:48    Заголовок сообщения: Ответить с цитатой

karasoff
Дякую! Буду розбиратись але вже після святкувань! З Наступаючим Новим Роком! Drinks or Beer
Вернуться к началу
Посмотреть профиль Отправить личное сообщение
karasoff
Италоманьячище


Италоманьячище

Возраст: 36
Знак зодиака: Водолей
Зарегистрирован: 09.03.2009
Сообщения: 1387
Откуда: Львов

Авто: Fiat Croma 1.9m-jet 2010г.

СообщениеДобавлено: Чт Дек 31, 2009 17:50    Заголовок сообщения: Ответить с цитатой

Drinks or Beer
_________________
Fiat Tempra 2.0i.e.cat DGT/SX 1992г.--->Alfa romeo 164 3.0 QV 1992г.--->Alfa romeo 33 1,4 Boxer---> Fiat Tempra 1.6i.e. 1992г.--->Fiat Tipo 1.4i.e. 3D 1995г.--->Fiat Croma 1.9m-jet 2010г.
Вернуться к началу
Посмотреть профиль Отправить личное сообщение
Показать сообщения:   
Начать новую тему   Ответить на тему    Список форумов Український клуб фанів FIAT / CLUB UCRAINO TIFOSO DELLA FIAT -> FIAT Tipo, FIAT Tempra Часовой пояс: GMT + 3
На страницу Пред.  1, 2
Страница 2 из 2

 
Перейти:  
Вы не можете начинать темы
Вы не можете отвечать на сообщения
Вы не можете редактировать свои сообщения
Вы не можете удалять свои сообщения
Вы не можете голосовать в опросах
Вы не можете присоединять файлы в этом форуме
Вы можете скачивать файлы в этом форуме






Powered by phpBB © 2001, 2005 phpBB Group
З питань розміщення реклами писати на цю адресу