Сайт Українського клуба фанів FIAT Український клуб фанів FIAT / CLUB UCRAINO TIFOSO DELLA FIAT

 
ФотогалереяФотогалерея   FAQFAQ   ПоискПоиск   ПользователиПользователи   ГруппыГруппы   РегистрацияРегистрация 
 ПрофильПрофиль   Войти и проверить личные сообщенияВойти и проверить личные сообщения   ВходВход 

Не работает заслонка рециркуляции
На страницу Пред.  1, 2
 
Начать новую тему   Ответить на тему    Список форумов Український клуб фанів FIAT / CLUB UCRAINO TIFOSO DELLA FIAT -> FIAT Brava, FIAT Bravo, FIAT Marea, FIAT Linea
Предыдущая тема :: Следующая тема  
Автор Сообщение
t309
Италоманьячище


Италоманьячище

Возраст: 42
Знак зодиака: Телец
Зарегистрирован: 10.01.2009
Сообщения: 1335
Откуда: Львов

Авто: dedra

СообщениеДобавлено: Вт Июн 23, 2009 04:02    Заголовок сообщения: Ответить с цитатой

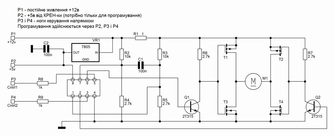
короч я в ентом механизме розбіралсо оч углубленно, релє там дійсно нема, напруга знімаєтся прямо з мікрухи, якийсь там операційник тому якщо її напруги нема тре міняти мікрухц у блоці кліми, тепер про шестерню, якщо зняти бардачок і ослабити болти які кріплять всю печку тоді всі 3 самореза відкрутити хоть і геморно но можливо, саму шестерню я пробував робити з епоксидки, не особо вийшло тому реставрував ту що була, добавив металу, але рано радуватись, принцип дії там ну вже дуже тупий, є фіксований час протягом якого подаєтся напруга на моторчик, і нема кінцевиків тобто мозк незнає в якому положенні зараз заслонка, відповідно кожного разу коли заслонка впираєтся в крайне положення на неї ще кілька секунд подаєтся напруга, редуктор там доволі серйозний і зусилля на пластмасові деталі надто велике, тому і ламаєтся, щоб цей механізм победить було вирішено замутити контроллер моторчика який би вирубав його при зростанні струму(в крайнйому положенні) і знову включав би коли полярність змінилась, прошивка для дівайса вже готова а сам дівайс ніяк нема часу зпаяти. от його схема кому цікаво.
А і ще, кому тут зробили шестерню з титана? ціна? мож там ще зроблять, думаю тут багато кого зацікавить!!!



car.gif
 Описание:
 Размер:  34 KB
 Просмотрено:  530 раз(а)

car.gif


Вернуться к началу
Посмотреть профиль Отправить личное сообщение
shaitano
Amico


Amico

Возраст: 45
Знак зодиака: Рак
Зарегистрирован: 22.06.2009
Сообщения: 3
Откуда: Германия

Авто: Fiat Marea Weekend 1.6 (185)

СообщениеДобавлено: Ср Июн 24, 2009 12:00    Заголовок сообщения: Ответить с цитатой

Разобрался! Моторчик в приводе у меня залип. Разобрал, отдельно погонял, смазал, собрал - работает! Вот только как теперь назад это все надежно прикрепить, ведь отломал я два уха.
Вернуться к началу
Посмотреть профиль Отправить личное сообщение
t309
Италоманьячище


Италоманьячище

Возраст: 42
Знак зодиака: Телец
Зарегистрирован: 10.01.2009
Сообщения: 1335
Откуда: Львов

Авто: dedra

СообщениеДобавлено: Ср Июн 24, 2009 15:17    Заголовок сообщения: Ответить с цитатой

епоксидка тебе в помощ!!!
_________________
฿:1C6gircuFWS6oE6ivUiHrxvafbjJQ3MbS5
Ніяких хабарів, відкатів, порушень законів та ПДР!
Yootube https://goo.gl/TcJrkr
Продам https://goo.gl/vxIwZB
Вернуться к началу
Посмотреть профиль Отправить личное сообщение
Yurii23
Amico


Amico

Возраст: 39
Знак зодиака: Рыбы
Зарегистрирован: 29.03.2017
Сообщения: 17
Откуда: Украина

Авто: Fiat Marea

СообщениеДобавлено: Пт Сен 15, 2017 12:23    Заголовок сообщения: Ответить с цитатой

t309 писал(а):

А і ще, кому тут зробили шестерню з титана? ціна? мож там ще зроблять, думаю тут багато кого зацікавить!!!


Добрый день!
Сколько будет стоить?
Вернуться к началу
Посмотреть профиль Отправить личное сообщение
Андрей К
Италоманьячище


Италоманьячище

Возраст: 53
Знак зодиака: Стрелец
Зарегистрирован: 19.06.2006
Сообщения: 6990
Откуда: Кривой Рог

Авто: Tempra 1.9TDs DGT & AR145TD (когда-то Uno D & "зубило")

СообщениеДобавлено: Пт Сен 15, 2017 13:50    Заголовок сообщения: Ответить с цитатой

Ну не перемелет шестерню (бо она ж теперь титановая), перемелет еще чего-то. Есть варианты поставить два микрика и два диода, тогда все будет по концевикам.
А по цене изготовления шестерни, думаю будет проще купить привод на разборке.

_________________
Вернуться к началу
Посмотреть профиль Отправить личное сообщение Отправить e-mail
Yurii23
Amico


Amico

Возраст: 39
Знак зодиака: Рыбы
Зарегистрирован: 29.03.2017
Сообщения: 17
Откуда: Украина

Авто: Fiat Marea

СообщениеДобавлено: Пт Сен 15, 2017 14:47    Заголовок сообщения: Ответить с цитатой

Андрей К писал(а):
Ну не перемелет шестерню (бо она ж теперь титановая), перемелет еще чего-то. Есть варианты поставить два микрика и два диода, тогда все будет по концевикам.
А по цене изготовления шестерни, думаю будет проще купить привод на разборке.


Так так , а можно поподробней, что за микрики что за диодики) можно поподробней , как это все спаять?
Вернуться к началу
Посмотреть профиль Отправить личное сообщение
Показать сообщения:   
Начать новую тему   Ответить на тему    Список форумов Український клуб фанів FIAT / CLUB UCRAINO TIFOSO DELLA FIAT -> FIAT Brava, FIAT Bravo, FIAT Marea, FIAT Linea Часовой пояс: GMT + 3
На страницу Пред.  1, 2
Страница 2 из 2

 
Перейти:  
Вы не можете начинать темы
Вы не можете отвечать на сообщения
Вы не можете редактировать свои сообщения
Вы не можете удалять свои сообщения
Вы не можете голосовать в опросах
Вы не можете присоединять файлы в этом форуме
Вы можете скачивать файлы в этом форуме






Powered by phpBB © 2001, 2005 phpBB Group
З питань розміщення реклами писати на цю адресу