| 
			
		
                                |  | Український клуб фанів FIAT / CLUB UCRAINO TIFOSO DELLA FIAT 
 
 |  |  
 
	
		| Предыдущая тема :: Следующая тема |  
		| Автор | Сообщение |  
		| Владимир Сергеевич Италолюбитель
 
 
 
  
 Возраст: 35
 Знак зодиака:
  Зарегистрирован: 16.11.2009
 Сообщения: 65
 Откуда: Воронеж
 
 Авто: Fiat Regata 100 S/1986/1.6
 
 | 
			
				|  Добавлено: Вс Мар 07, 2010 23:47    Заголовок сообщения: Стеклоподъёмники |   |  
				| 
 |  
				| А пробывал ли кто ставить с русскова автопрома типа с Вазов электростеклоподъёмники?? если пробывали то от каова ваза? трудности с установкой какие могут возникнуть???? _________________
 
  |  |  
		| Вернуться к началу |  |  
		|  |  
		| Do_Sancho Италоманьячище
 
  
 
  
 Возраст: 35
 Знак зодиака:
  Зарегистрирован: 08.06.2009
 Сообщения: 2185
 Откуда: Одесса
 
 Авто: Dedra Integrale AR 155 Q4
 
 | 
			
				|  Добавлено: Пн Мар 08, 2010 12:06    Заголовок сообщения: |   |  
				| 
 |  
				| Ув.Владимир Сергеевич,ничего не мудрите,у нас стоит реечный стеклоподьёмник,довольно таки не плохой...что с вашим случилось то? _________________
 ***In SNAIL we Trust***
 Fiat Regata 105 TC Full MPI>Dedra Integrale GT28RS 380 hp 1.6 bar ;  AR 155 Q4 ; Alfa romeo 166 3.0 V6 sporttronic ; Subaru Forester S-edition 260 h.p.
 |  |  
		| Вернуться к началу |  |  
		|  |  
		| jack74 Италоманьячище
 
  
 
  
 Возраст: 51
 Знак зодиака:
  Зарегистрирован: 11.08.2006
 Сообщения: 1656
 Откуда: Україна, м. Луцьк
 
 Авто: Была Регата 1988 гв, 1,9DS
 
 | 
			
				|  Добавлено: Пн Мар 08, 2010 14:26    Заголовок сообщения: |   |  
				| 
 |  
				| неправильно. У Регат "трос" (плотно навитая пружина, как резьба) внутри направляющей трубки, а та уже просто прикреплена к мёртвозакреплённой планке (типа рейке), но это не значит, что механизм реечный. А вот у ВАЗ 04/05/07 действительно реечный, там зубчатая рейка. 	  | Do_Sancho писал(а): |  	  | ...у нас стоит реечный стеклоподьёмник... | 
 Но конечно, желательно отремонтировать по возможности родной, а уж если не получится (сгнила трубка например) и негде достать б/у - придётся колхозить...
 
 
 
 
	
		
	 
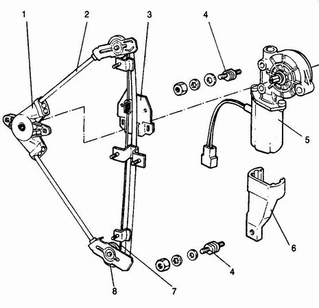
		| Описание: | 
			
				| Эллектростеклоподъёмник ВАЗ 2104,2105,2107 |  |  
		| Размер: | 19.72 KB |  
		| Просмотрено: | 292 раз(а) |  
		| 
  
 
 |  
 _________________
 "Правильно заданый вопрос - половина ответа!..."
 |  |  
		| Вернуться к началу |  |  
		|  |  
		| Dimmos Италомафиози
 
 
 
  
 Возраст: 51
 Знак зодиака:
  Зарегистрирован: 10.08.2007
 Сообщения: 1044
 Откуда: Кострома
 
 Авто: Регата 75, Марея 1.6
 
 | 
			
				|  Добавлено: Пн Мар 08, 2010 16:06    Заголовок сообщения: |   |  
				| 
 |  
				| jack74,ну это вопрос спорный, что там стоит. У Регат принцип  реечного механизма, просто рейка гибкая, в виде спирали, а никак не трос (трос сплетение продольных проволок или их групп) Никогда не забуду, как ремонтировал самарский  тросовый стеклоподъёмник, сколько эта штука весит по сравнению с регатовским и как говняно сделана.
 |  |  
		| Вернуться к началу |  |  
		|  |  
		| jack74 Италоманьячище
 
  
 
  
 Возраст: 51
 Знак зодиака:
  Зарегистрирован: 11.08.2006
 Сообщения: 1656
 Откуда: Україна, м. Луцьк
 
 Авто: Была Регата 1988 гв, 1,9DS
 
 | 
			
				|  Добавлено: Пн Мар 08, 2010 18:30    Заголовок сообщения: |   |  
				| 
 |  
				|  	  | Dimmos писал(а): |  	  | jack74,ну это вопрос спорный, что там стоит. У Регат принцип  реечного механизма, просто рейка гибкая, в виде спирали, а никак не трос (трос сплетение продольных проволок или их групп)... | 
  ты трос спидометра разбирал когда-нибудь?  , там не только "сплетение продольных проволок"   я тоже сначала думал, как бы ЭТО назвать, но потом глянул - в книге написано "трос"
   или ты хочешь сказать, что на рейку оно больше смахивает?
   гибкий винт
  и червячная передача _________________
 "Правильно заданый вопрос - половина ответа!..."
 
 Последний раз редактировалось: jack74 (Вт Мар 09, 2010 00:40), всего редактировалось 2 раз(а)
 |  |  
		| Вернуться к началу |  |  
		|  |  
		| Do_Sancho Италоманьячище
 
  
 
  
 Возраст: 35
 Знак зодиака:
  Зарегистрирован: 08.06.2009
 Сообщения: 2185
 Откуда: Одесса
 
 Авто: Dedra Integrale AR 155 Q4
 
 |  |  
		| Вернуться к началу |  |  
		|  |  
		| Do_Sancho Италоманьячище
 
  
 
  
 Возраст: 35
 Знак зодиака:
  Зарегистрирован: 08.06.2009
 Сообщения: 2185
 Откуда: Одесса
 
 Авто: Dedra Integrale AR 155 Q4
 
 | 
			
				|  Добавлено: Пн Мар 08, 2010 23:18    Заголовок сообщения: |   |  
				| 
 |  
				|  	  | jack74 писал(а): |  	  | я тоже сначала думал, как бы ЭТО назвать, но потом глянул - в книге написано "трос" 	  | Dimmos писал(а): |  	  | jack74,ну это вопрос спорный, что там стоит. У Регат принцип  реечного механизма, просто рейка гибкая, в виде спирали, а никак не трос (трос сплетение продольных проволок или их групп)... | 
   или ты хочешь сказать, что на рейку оно больше смахивает?
   гибкий винт
  и червячная передача | 
 на БМВ с 90-х годов,3 серии подобный стеклоподьёмник,который называется реечный...или я чего-то не знаю.
 _________________
 ***In SNAIL we Trust***
 Fiat Regata 105 TC Full MPI>Dedra Integrale GT28RS 380 hp 1.6 bar ;  AR 155 Q4 ; Alfa romeo 166 3.0 V6 sporttronic ; Subaru Forester S-edition 260 h.p.
 |  |  
		| Вернуться к началу |  |  
		|  |  
		| Do_Sancho Италоманьячище
 
  
 
  
 Возраст: 35
 Знак зодиака:
  Зарегистрирован: 08.06.2009
 Сообщения: 2185
 Откуда: Одесса
 
 Авто: Dedra Integrale AR 155 Q4
 
 | 
			
				|  Добавлено: Пн Мар 08, 2010 23:33    Заголовок сообщения: |   |  
				| 
 |  
				|  	  | jack74 писал(а): |  	  | неправильно. У Регат "трос" (плотно навитая пружина, как резьба) внутри направляющей трубки, а та уже просто прикреплена к мёртвозакреплённой планке (типа рейке), но это не значит, что механизм реечный. А вот у ВАЗ 04/05/07 действительно реечный, там зубчатая рейка. 	  | Do_Sancho писал(а): |  	  | ...у нас стоит реечный стеклоподьёмник... | 
 Но конечно, желательно отремонтировать по возможности родной, а уж если не получится (сгнила трубка например) и негде достать б/у - придётся колхозить...
 | 
 Кстати,вот это что на вашем фото, называется шарнирно-связанные рычаги...
   _________________
 ***In SNAIL we Trust***
 Fiat Regata 105 TC Full MPI>Dedra Integrale GT28RS 380 hp 1.6 bar ;  AR 155 Q4 ; Alfa romeo 166 3.0 V6 sporttronic ; Subaru Forester S-edition 260 h.p.
 |  |  
		| Вернуться к началу |  |  
		|  |  
		| jack74 Италоманьячище
 
  
 
  
 Возраст: 51
 Знак зодиака:
  Зарегистрирован: 11.08.2006
 Сообщения: 1656
 Откуда: Україна, м. Луцьк
 
 Авто: Была Регата 1988 гв, 1,9DS
 
 | 
			
				|  Добавлено: Вт Мар 09, 2010 00:06    Заголовок сообщения: |   |  
				| 
 |  
				| Слушай, не морочи людям голову. Почитай сначала внимательно литературу. Задай хотя бы в поисковике свои "шарнирно-связанные рычаги" и увидишь, что это. А эта картинка, которую ты выше выложил, не от Регаты, а от "Десятки". У Кромы, например, тоже такие бывают, а бывают и такие, как у Регаты. 	  | Do_Sancho писал(а): |  	  | Кстати,вот это что на вашем фото, называется шарнирно-связанные рычаги...  | 
 Я сейчас не могу выложить фотку Регатовских, завтра.
 
 Кстати, Владимир Сергеевич, а вопрос то был о передних эллектростеклоподьёмниках, я правильно понимаю?
  а то мы тут спорим, спорим...   _________________
 "Правильно заданый вопрос - половина ответа!..."
 |  |  
		| Вернуться к началу |  |  
		|  |  
		| Viper_umf Италомафиози
 
  
 
  
 Возраст: 38
 Знак зодиака:
  Зарегистрирован: 01.05.2009
 Сообщения: 1137
 Откуда: Lviv
 
 Авто: кетайпаркет
 
 | 
			
				|  Добавлено: Вт Мар 09, 2010 10:08    Заголовок сообщения: |   |  
				| 
 |  
				|   _________________
 Fiat Regata weekend -> Lancia Dedra -> кетайпаркет
 |  |  
		| Вернуться к началу |  |  
		|  |  
		| iDle Италомафиози
 
  
 
  
 Возраст: 36
 Знак зодиака:
  Зарегистрирован: 19.11.2009
 Сообщения: 617
 Откуда: Харьков, Николаев, Одесса
 
 Авто: Fiat Ducato 1991 г.в., 2.5D, 8144.67(продал)
 
 | 
			
				|  Добавлено: Вт Мар 09, 2010 10:25    Заголовок сообщения: |   |  
				| 
 |  
				|  	  | Viper_umf писал(а): |  	  |  | 
 
 у меня такие же на дукато 91 г.в.
 
 но стекло само не держится - где то сломан стопор - есть какие соображения?
 и какие эсп можно поставить?
 |  |  
		| Вернуться к началу |  |  
		|  |  
		| Книголюб Италоманьячище
 
  
 
  
 Возраст: 41
 Знак зодиака:
  Зарегистрирован: 21.04.2009
 Сообщения: 5776
 Откуда: г.Кременчук/Горішні Плавні
 
 Авто: Fiat Crоma 2.0.i.e 1988 г.в.
 
 | 
			
				|  Добавлено: Вт Мар 09, 2010 13:49    Заголовок сообщения: |   |  
				| 
 |  
				| jack74 Скажу за Крому: в ней стеклоподъемник с навитой спиралью (типа пружины). А в двигателе стоит гайка которая толкает пружину. Бывает в той гайке еще есть шарики как в подшипнике. Мы с братом такой рабочий разобрали а теперь не может сложить назад ибо потеряли несколько шариков.
 _________________
 YOUTUBE про Croma та Linea
 |  |  
		| Вернуться к началу |  |  
		|  |  
		| jack74 Италоманьячище
 
  
 
  
 Возраст: 51
 Знак зодиака:
  Зарегистрирован: 11.08.2006
 Сообщения: 1656
 Откуда: Україна, м. Луцьк
 
 Авто: Была Регата 1988 гв, 1,9DS
 
 | 
			
				|  Добавлено: Вт Мар 09, 2010 15:29    Заголовок сообщения: |   |  
				| 
 |  
				| точно такой же и у  Регат. 	  | Книголюб писал(а): |  	  | Скажу за Крому: в ней стеклоподъемник с навитой спиралью (типа пружины). А в двигателе стоит гайка которая толкает пружину. Бывает в той гайке еще есть шарики как в подшипнике... | 
 
  	  | Книголюб писал(а): |  	  | ...Мы с братом такой рабочий разобрали а теперь не может сложить назад ибо потеряли несколько шариков. | 
  сочуствую, в первый раз была та же история   _________________
 "Правильно заданый вопрос - половина ответа!..."
 |  |  
		| Вернуться к началу |  |  
		|  |  
		| jack74 Италоманьячище
 
  
 
  
 Возраст: 51
 Знак зодиака:
  Зарегистрирован: 11.08.2006
 Сообщения: 1656
 Откуда: Україна, м. Луцьк
 
 Авто: Была Регата 1988 гв, 1,9DS
 
 |  |  
		| Вернуться к началу |  |  
		|  |  
		| Do_Sancho Италоманьячище
 
  
 
  
 Возраст: 35
 Знак зодиака:
  Зарегистрирован: 08.06.2009
 Сообщения: 2185
 Откуда: Одесса
 
 Авто: Dedra Integrale AR 155 Q4
 
 | 
			
				|  Добавлено: Вт Мар 09, 2010 17:42    Заголовок сообщения: |   |  
				| 
 |  
				| [quote="jack74"] Слушай, не морочи людям голову. Почитай сначала внимательно литературу. Задай хотя бы в поисковике свои "шарнирно-связанные рычаги" и увидишь, что это. А эта картинка, которую ты выше выложил, не от Регаты, а от "Десятки". У Кромы, например, тоже такие бывают, а бывают и такие, как у Регаты. 	  | Do_Sancho писал(а): |  	  | Кстати,вот это что на вашем фото, называется шарнирно-связанные рычаги...  | 
 Я сейчас не могу выложить фотку Регатовских, завтра.
 
 Именно с интернета я и читал,могу вам даже ссылки дать...Второе,от куда вы взяли что я выложил фото регатовских стеклоподьёмников?я выложил фото Вазовских(для особо внимательных подскажу что на топе фотографии есть надпись vaz 2110,так что регата там не при чём) в ответ на то,что они не реечные,и что там есть трос...
 _________________
 ***In SNAIL we Trust***
 Fiat Regata 105 TC Full MPI>Dedra Integrale GT28RS 380 hp 1.6 bar ;  AR 155 Q4 ; Alfa romeo 166 3.0 V6 sporttronic ; Subaru Forester S-edition 260 h.p.
 
 Последний раз редактировалось: Do_Sancho (Вт Мар 09, 2010 17:49), всего редактировалось 1 раз
 |  |  
		| Вернуться к началу |  |  
		|  |  
		|  |  
  
	| 
 
 | Вы не можете начинать темы Вы не можете отвечать на сообщения
 Вы не можете редактировать свои сообщения
 Вы не можете удалять свои сообщения
 Вы не можете голосовать в опросах
 Вы не можете присоединять файлы в этом форуме
 Вы можете скачивать файлы в этом форуме
 
 |  
 
 
 
 
 Powered by phpBB © 2001, 2005 phpBB Group
 |