Сайт Українського клуба фанів FIAT Український клуб фанів FIAT / CLUB UCRAINO TIFOSO DELLA FIAT

 
ФотогалереяФотогалерея   FAQFAQ   ПоискПоиск   ПользователиПользователи   ГруппыГруппы   РегистрацияРегистрация 
 ПрофильПрофиль   Войти и проверить личные сообщенияВойти и проверить личные сообщения   ВходВход 

геометрические размеры кузова фиат темпра 1.6 1996год

 
Начать новую тему   Ответить на тему    Список форумов Український клуб фанів FIAT / CLUB UCRAINO TIFOSO DELLA FIAT -> FIAT Tipo, FIAT Tempra
Предыдущая тема :: Следующая тема  
Автор Сообщение
kuzima-86
Amico


Amico

Возраст: 39
Знак зодиака: Стрелец
Зарегистрирован: 27.09.2012
Сообщения: 1
Откуда: Одесса

Авто: фиат темпра 1.6

СообщениеДобавлено: Чт Сен 27, 2012 11:17    Заголовок сообщения: геометрические размеры кузова фиат темпра 1.6 1996год Ответить с цитатой

геометрические размеры кузова фиат темпра 1.6 1996год
Вернуться к началу
Посмотреть профиль Отправить личное сообщение
Trek192
Италоманьячище


Италоманьячище

Возраст: 33
Знак зодиака: Скорпион
Зарегистрирован: 26.02.2010
Сообщения: 1403
Откуда: Черкаська обл.

Авто: Fiat Croma 2.0 i.e.-Tempra 2.0 i.e.-Citroen XM-Dacia SuperNova-Touareg

СообщениеДобавлено: Пт Сен 28, 2012 17:15    Заголовок сообщения: Ответить с цитатой

Very Happy
_________________
Запчастини на Fiat Croma
Запчастини КПП Fiat Croma
Вернуться к началу
Посмотреть профиль Отправить личное сообщение
ru8la
Италомафиози


Италомафиози

Возраст: 48
Знак зодиака: Стрелец
Зарегистрирован: 23.10.2009
Сообщения: 505
Откуда: Киев

Авто: Fiat Tempra 1.6 SPI Jetronic A2.2

СообщениеДобавлено: Пт Сен 28, 2012 17:28    Заголовок сообщения: Ответить с цитатой

kuzima-86
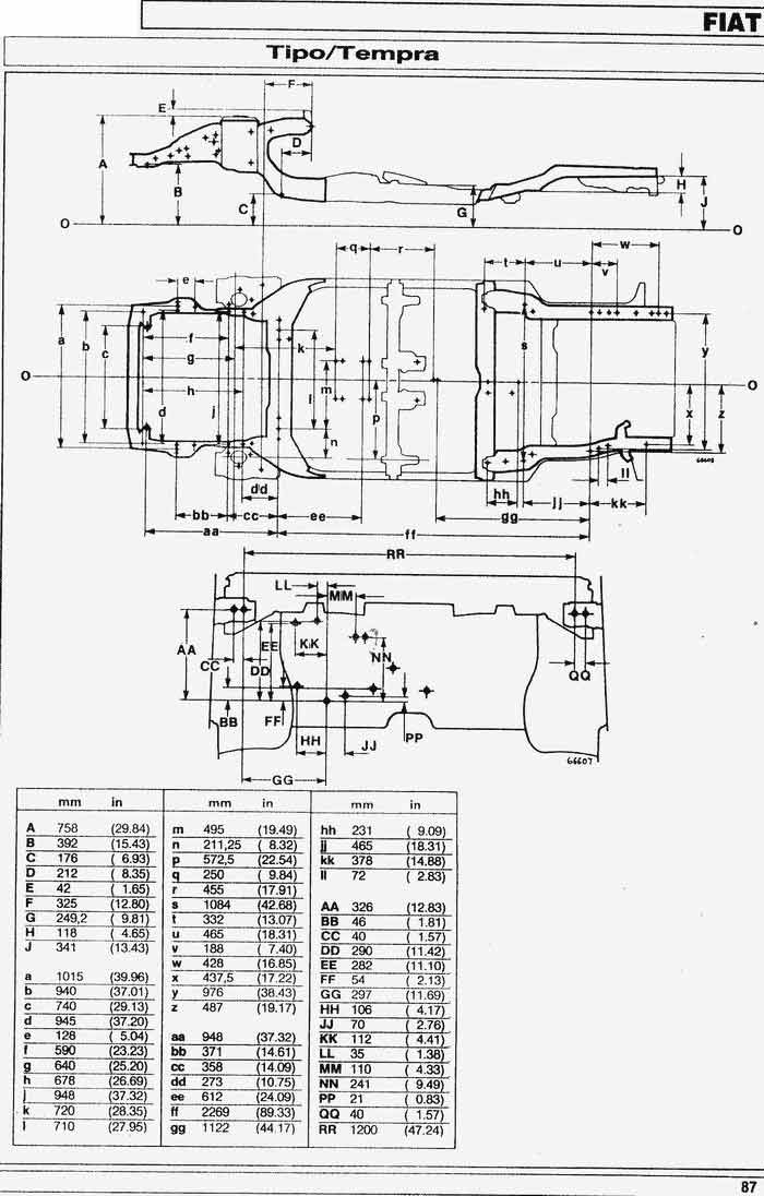
Масштаб основных несущих кузова Fiat Tipo c http://www.fiat-tipo.ru
http://fs40.www.ex.ua/get/fa65759c6cde26459c953887a7c9e391/26216980/kuzov%20%D1%82%D0%B8%D0%BF%D0%BE%20%D1%80%D0%B0%D0%B7%D0%BC%D0%B5%D1%80%D1%8B.pdf



87.jpg
 Описание:
 Размер:  76.51 KB
 Просмотрено:  845 раз(а)

87.jpg


Вернуться к началу
Посмотреть профиль Отправить личное сообщение
Показать сообщения:   
Начать новую тему   Ответить на тему    Список форумов Український клуб фанів FIAT / CLUB UCRAINO TIFOSO DELLA FIAT -> FIAT Tipo, FIAT Tempra Часовой пояс: GMT + 3
Страница 1 из 1

 
Перейти:  
Вы не можете начинать темы
Вы не можете отвечать на сообщения
Вы не можете редактировать свои сообщения
Вы не можете удалять свои сообщения
Вы не можете голосовать в опросах
Вы не можете присоединять файлы в этом форуме
Вы можете скачивать файлы в этом форуме






Powered by phpBB © 2001, 2005 phpBB Group
З питань розміщення реклами писати на цю адресу