 |
Український клуб фанів FIAT / CLUB UCRAINO TIFOSO DELLA FIAT
|
 |
Предыдущая тема :: Следующая тема |
Автор |
Сообщение |
djemileo Италомафиози


Возраст: 40 Знак зодиака:  Зарегистрирован: 09.07.2010 Сообщения: 659 Откуда: Симферополь
Авто: Fiat Brava SX 1.4
|
Добавлено: Чт Апр 19, 2012 22:18 Заголовок сообщения: Подключение бортового компьютера |
|
|
Всем доброго дня суток. Осенью поменял приборку аналоговую с одним спидометром на аналоговую с тахометром и бортовым компьютером. Вопс как подключить БК чтобы все на нем функционировало. Что для этого надо? Может отдельно мозги какие-нибудь? Или просто найти разьем на БК и поводами подключить их к датчикам?
|
|
Вернуться к началу |
|
 |
kolomiec1980 Италолюбитель


Возраст: 45 Знак зодиака:  Зарегистрирован: 18.02.2012 Сообщения: 73 Откуда: Симферополь
Авто: Фиат Темпра 1.6 SX 159B9.000
|
Добавлено: Пт Апр 20, 2012 10:21 Заголовок сообщения: |
|
|
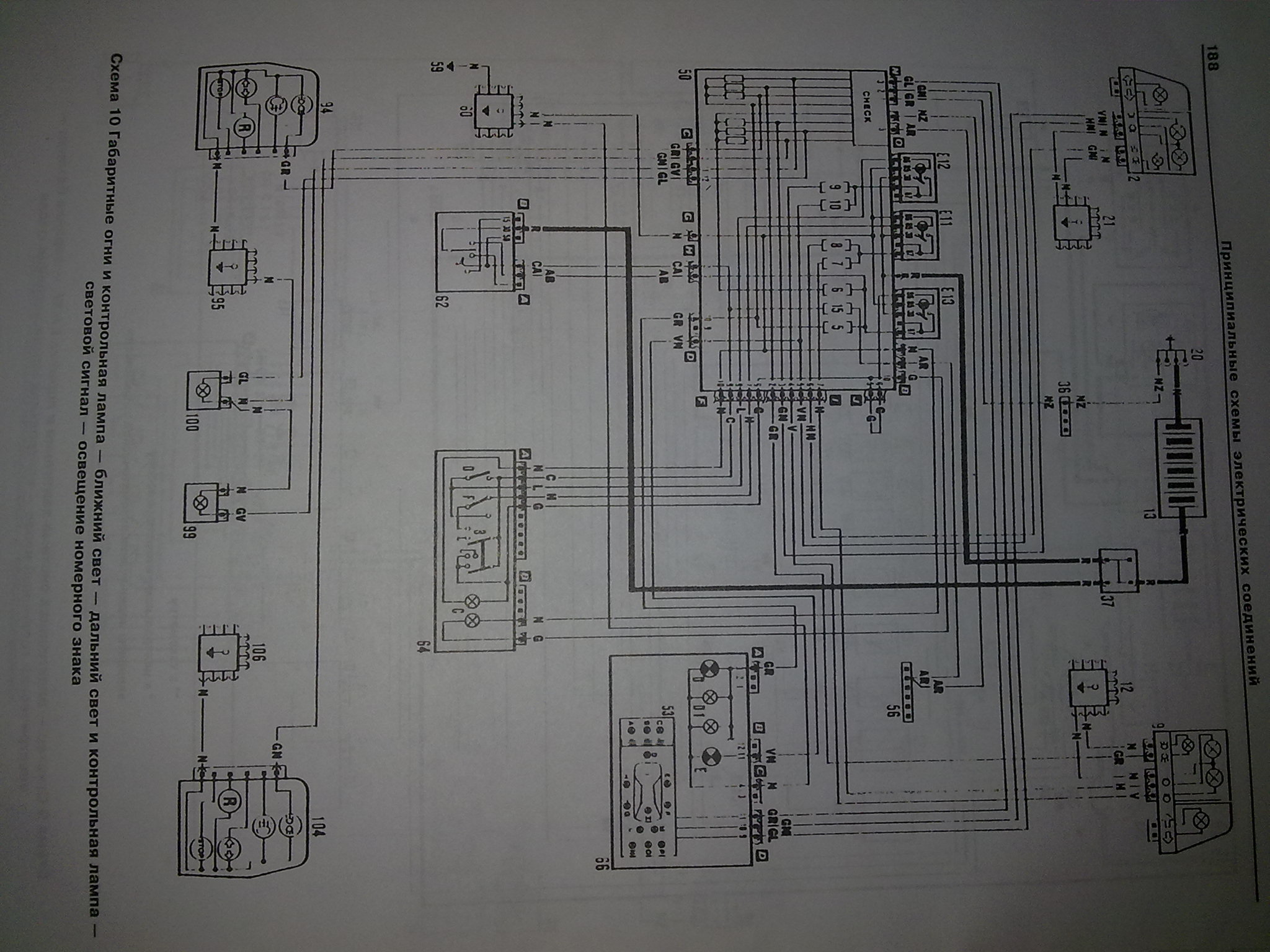
Мозги ненужны! Нужно подсоединится к CHECK согласно схемы - Это колодка предов и реле под рулевой колонкой. Я так делал на типо 1,4 моноинжектор при смене на цифровую панель. и ещё нужен датчик скорости если его нет.
Описание: |
|
Размер: |
459.69 KB |
Просмотрено: |
609 раз(а) |

|
Описание: |
|
Размер: |
468.84 KB |
Просмотрено: |
562 раз(а) |

|
Последний раз редактировалось: kolomiec1980 (Пт Апр 20, 2012 11:03), всего редактировалось 1 раз |
|
Вернуться к началу |
|
 |
kolomiec1980 Италолюбитель


Возраст: 45 Знак зодиака:  Зарегистрирован: 18.02.2012 Сообщения: 73 Откуда: Симферополь
Авто: Фиат Темпра 1.6 SX 159B9.000
|
Добавлено: Пт Апр 20, 2012 10:25 Заголовок сообщения: |
|
|
кстати, это не бортовой компьютер а сигнализатор дверей и неисправности ламп световой сигнализации. Бортовой компьютер можно подсоединить только на инжектор к датчикам или K-LINE разъём с преобразователем в OBD2.
|
|
Вернуться к началу |
|
 |
tair Италофан

Возраст: 47 Знак зодиака:  Зарегистрирован: 09.03.2012 Сообщения: 208 Откуда: днепродзержинск
Авто: фиат регата 1986
|
Добавлено: Пт Апр 20, 2012 10:44 Заголовок сообщения: |
|
|
kolomiec1980 писал(а): | Мозги ненужны! Нужно подсоединится к CHECK согласно схемы - Это колодка предов и реле под рулевой колонкой. Я так делал на типо 1,4 моноинжектор при смене на цифровую панель. | если можеш выложи фото панели
|
|
Вернуться к началу |
|
 |
svitalias Италолюбитель

Возраст: 39 Знак зодиака:  Зарегистрирован: 02.03.2012 Сообщения: 69 Откуда: Черкаси
Авто: Fiat Tipo 1.4 solex 92г.
|
Добавлено: Пт Апр 20, 2012 13:01 Заголовок сообщения: |
|
|
у меня не работает панелька сигнализатор дверей и неисправности ламп световой сигнализации, куда надо лезть или ето блок управления надо?
|
|
Вернуться к началу |
|
 |
djemileo Италомафиози


Возраст: 40 Знак зодиака:  Зарегистрирован: 09.07.2010 Сообщения: 659 Откуда: Симферополь
Авто: Fiat Brava SX 1.4
|
Добавлено: Пт Апр 20, 2012 13:31 Заголовок сообщения: |
|
|
Да вы правы! Это Сигнализатор дверей и лампочек. Так он просто подсоединяется к блоку реле? А там есть спецгнездо для этого?
_________________ My name is Brava....Fiat Brava |
|
Вернуться к началу |
|
 |
svitalias Италолюбитель

Возраст: 39 Знак зодиака:  Зарегистрирован: 02.03.2012 Сообщения: 69 Откуда: Черкаси
Авто: Fiat Tipo 1.4 solex 92г.
|
Добавлено: Пт Апр 20, 2012 19:34 Заголовок сообщения: |
|
|
разкажите че куда надо чтоб работало
|
|
Вернуться к началу |
|
 |
kolomiec1980 Италолюбитель


Возраст: 45 Знак зодиака:  Зарегистрирован: 18.02.2012 Сообщения: 73 Откуда: Симферополь
Авто: Фиат Темпра 1.6 SX 159B9.000
|
Добавлено: Пт Апр 20, 2012 21:12 Заголовок сообщения: |
|
|
djemileo ты завтра работаешь? (099)087-1000 телефон у тебя есть, позвони и подъедь, я завтра весь день свободен. Показывать надо на железе.
|
|
Вернуться к началу |
|
 |
djemileo Италомафиози


Возраст: 40 Знак зодиака:  Зарегистрирован: 09.07.2010 Сообщения: 659 Откуда: Симферополь
Авто: Fiat Brava SX 1.4
|
Добавлено: Пт Апр 20, 2012 21:29 Заголовок сообщения: |
|
|
А встретится можно где, в городе или октябрьском?
_________________ My name is Brava....Fiat Brava |
|
Вернуться к началу |
|
 |
kolomiec1980 Италолюбитель


Возраст: 45 Знак зодиака:  Зарегистрирован: 18.02.2012 Сообщения: 73 Откуда: Симферополь
Авто: Фиат Темпра 1.6 SX 159B9.000
|
Добавлено: Пт Апр 20, 2012 21:38 Заголовок сообщения: |
|
|
я в полтавке сейчас живу! темпру что не видел?
|
|
Вернуться к началу |
|
 |
kolomiec1980 Италолюбитель


Возраст: 45 Знак зодиака:  Зарегистрирован: 18.02.2012 Сообщения: 73 Откуда: Симферополь
Авто: Фиат Темпра 1.6 SX 159B9.000
|
Добавлено: Пт Апр 20, 2012 21:40 Заголовок сообщения: |
|
|
можно и в октябрьском
|
|
Вернуться к началу |
|
 |
kolomiec1980 Италолюбитель


Возраст: 45 Знак зодиака:  Зарегистрирован: 18.02.2012 Сообщения: 73 Откуда: Симферополь
Авто: Фиат Темпра 1.6 SX 159B9.000
|
|
Вернуться к началу |
|
 |
|
|
Вы не можете начинать темы Вы не можете отвечать на сообщения Вы не можете редактировать свои сообщения Вы не можете удалять свои сообщения Вы не можете голосовать в опросах Вы не можете присоединять файлы в этом форуме Вы можете скачивать файлы в этом форуме
|
Powered by phpBB © 2001, 2005 phpBB Group
|