Возраст: 42 Знак зодиака: Зарегистрирован: 10.01.2009 Сообщения: 1335 Откуда: Львов
Авто: dedra
Добавлено: Вт Авг 11, 2009 14:47 Заголовок сообщения: изучение спроса
решая всем извесную проблему поломки шестерни в приводе управляющем заслонкой подачи воздуха (салон/улица) я дошол до создания електронного блочка сделанного на контроллере ПСОК которий просто включаєтся в разрив розєма соединяющего блок управления климатом с приводом заслонки и контролирует процес ее закривания и откривания отталкиваясь от потребляємого тока привода, главная проблема в том что напряжение на привод подается гдето на 10 секунд дольше чем необходимо для смени положения, когда заслонка оказивается в одном из крайних положений редуктор в приводе создает довольно большой момент достаточний чтоб сламать шестеренку, етот блочек интелектуально управляєт всем процесом включая и запоминание текущего положения, дело в том что когда ви включаете зажигание блок климата каждий раз подает напряжение чтоб поставить заслонку в одно из крайних положений хотя как правил оона уже там находится и ето создает бешеную нагрузку на елементи редуктора.
Установка девайса очень проста, в идеале просто разомкнул разєм и втикнул в разрив блочек, максимум ето разрезал 2 провода зачистил и прикрутил к блочку.
Короче для себя я проблему решил, и подумал что могу помоч другим поставив ето дело на конвеер так сказать, цена девайса 25у.е
теперь вопрос, оно вам надо или нет???
Думаю стоящая весчь - у мну редуктор уже щёлкает сломанными шестернями, хотя с улицы воздух подаёт в полной мере.
По цене... мне кажется дороговастенько... _________________
решая всем извесную проблему поломки шестерни в приводе управляющем заслонкой подачи воздуха (салон/улица) я дошол до создания електронного блочка сделанного на контроллере ПСОК которий просто включаєтся в разрив розєма соединяющего блок управления климатом с приводом заслонки и контролирует процес ее закривания и откривания отталкиваясь от потребляємого тока привода, главная проблема в том что напряжение на привод подается гдето на 10 секунд дольше чем необходимо для смени положения, когда заслонка оказивается в одном из крайних положений редуктор в приводе создает довольно большой момент достаточний чтоб сламать шестеренку, етот блочек интелектуально управляєт всем процесом включая и запоминание текущего положения, дело в том что когда ви включаете зажигание блок климата каждий раз подает напряжение чтоб поставить заслонку в одно из крайних положений хотя как правил оона уже там находится и ето создает бешеную нагрузку на елементи редуктора.
Установка девайса очень проста, в идеале просто разомкнул разєм и втикнул в разрив блочек, максимум ето разрезал 2 провода зачистил и прикрутил к блочку.
Короче для себя я проблему решил, и подумал что могу помоч другим поставив ето дело на конвеер так сказать, цена девайса 25у.е
теперь вопрос, оно вам надо или нет???
Чуть глаза не сломал...., а где знаки препинания и т.д. _________________ Морква на городi, У саду бджола.
Жаба на болотi Крила розвела.
Хоче полетiти, Тихо каже "Ква!"
Але в небо взмити Hе дає Москва.
ХЗ
Я климат вывел на ручное включение.
Нужен - включил тумблерок, работает. Не нужен, выключил.
Теперь от зажигания не зависит и не бесится, когда стартёр крутишь.
Как по мне, этого вполне достаточно.
И как правило, когда включаю климат вручную, сразу жму необходимую кнопку, посему заслонка вероятно не уходит на старт)
Переделал на ручное, не из соображений что заслока гуляет, об этом я совсем не думал
Меня просто кумарило, что при повороте ключа всегда включается климат, приходилось выключать и плюс когда стартёр крутишь - бесится всеми светодиодами. Нах он нать?
ЗЫ ни чего не имею против вышеописаного девайса.
14 нога на колодке климата, красный провод.
Если смотреть на колодку со стороны разъёмов, (не проводов)то верхний ряд, крайняя справа.
Со стороны проводов, соответственно крайняя слева.
Но разъёмы подписаны. 14
Схему не выкладываю, влом фоткать.
Да и на пальцах даже понятнее
тю,а не проще до вытаскивания ключа просто выключить климат(кнопка оф).У меня вообще с этим проблем нет.Даже если климат включен сохраняются последние установки.
ну чтож пока вижу спрос почти нулевой, ждемс еще мнений!
термореле, попробуй а потом раскажеш, не в обиду, просто много чего пробовал типа попроще все до одного места!!! _________________ ฿:1C6gircuFWS6oE6ivUiHrxvafbjJQ3MbS5
Ніяких хабарів, відкатів, порушень законів та ПДР!
Yootube
Продам
Дык а какие обиды? просто на штатных стеклоподъёмниках работает, и не один десяток лет, тока там падение на резисторе меряется, а для этого простой компаратор и релюха нужны.
А чё накидывать, возьми за базу хотяб схемку РЧВ кассетного мафона, дальше сам додумывай. А рисовать схемку к сожалению не есть цель в жизни на ближайшее время, работы и проблем и без этого хватает.
тю,а не проще до вытаскивания ключа просто выключить климат(кнопка оф).У меня вообще с этим проблем нет.Даже если климат включен сохраняются последние установки.
У меня климат в памяти ни чего не держит.
При включении зажигания, включался всегда.
Посему и поставил в разрыв, тумблерок врезал в торпедо, оч прилично выглядит)
И кстати оч удобно.
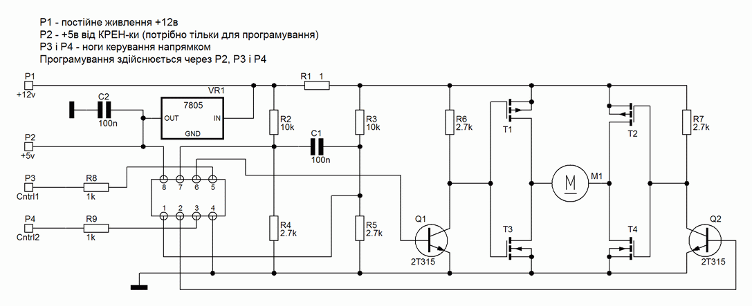
уже как 3 года прошло а я таки зделал етот девайс прошивку 2 дня напролет оттачивал і поставил на машинку теперь все пашет как надо, довольний как слон _________________ ฿:1C6gircuFWS6oE6ivUiHrxvafbjJQ3MbS5
Ніяких хабарів, відкатів, порушень законів та ПДР!
Yootube
Продам
Вы не можете начинать темы Вы не можете отвечать на сообщения Вы не можете редактировать свои сообщения Вы не можете удалять свои сообщения Вы не можете голосовать в опросах Вы не можете присоединять файлы в этом форуме Вы можете скачивать файлы в этом форуме