Сайт Українського клуба фанів FIAT Український клуб фанів FIAT / CLUB UCRAINO TIFOSO DELLA FIAT

 
ФотогалереяФотогалерея   FAQFAQ   ПоискПоиск   ПользователиПользователи   ГруппыГруппы   РегистрацияРегистрация 
 ПрофильПрофиль   Войти и проверить личные сообщенияВойти и проверить личные сообщения   ВходВход 

Круиз-контроль Fiat Albea

 
Начать новую тему   Ответить на тему    Список форумов Український клуб фанів FIAT / CLUB UCRAINO TIFOSO DELLA FIAT -> FIAT Stilo, FIAT Palio, FIAT Siena, FIAT Albea, FIAT Coupe, Fiat Barchetta
Предыдущая тема :: Следующая тема  
Автор Сообщение
Petr1980
Италолюбитель


Италолюбитель

Возраст: 45
Знак зодиака: Скорпион
Зарегистрирован: 13.02.2012
Сообщения: 51
Откуда: UKR Kiev

Авто: FIAT ALBEA

СообщениеДобавлено: Пт Май 29, 2015 22:36    Заголовок сообщения: Круиз-контроль Fiat Albea Ответить с цитатой

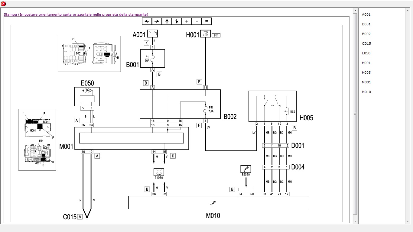
Сделал себе КК. Видео+схема.
https://www.youtube.com/watch?v=LSGibkdPYXg
https://www.youtube.com/watch?v=iVBLfd6bDVk



schemat148v.jpg
 Описание:
 Размер:  2.38 KB
 Просмотрено:  5484 раз(а)

schemat148v.jpg



schemat148v.jpg
 Описание:
 Размер:  142.95 KB
 Просмотрено:  783 раз(а)

schemat148v.jpg




Последний раз редактировалось: Petr1980 (Пт Май 29, 2015 22:41), всего редактировалось 1 раз
Вернуться к началу
Посмотреть профиль Отправить личное сообщение
Rorik
Италоманьячище


Италоманьячище

Возраст: 45
Знак зодиака: Козерог
Зарегистрирован: 21.06.2010
Сообщения: 5081
Откуда: Киев

Авто: GP 1.4 МТ / SX4 New МТ

СообщениеДобавлено: Пт Май 29, 2015 22:40    Заголовок сообщения: Ответить с цитатой

Petr1980
схемку бы побольше Rolling Eyes

_________________
не надо "змінювати країну"
НАЧНИ МЕНЯТЬСЯ САМ
Вернуться к началу
Посмотреть профиль Отправить личное сообщение
Petr1980
Италолюбитель


Италолюбитель

Возраст: 45
Знак зодиака: Скорпион
Зарегистрирован: 13.02.2012
Сообщения: 51
Откуда: UKR Kiev

Авто: FIAT ALBEA

СообщениеДобавлено: Пт Май 29, 2015 22:41    Заголовок сообщения: Ответить с цитатой

Rorik писал(а):
Petr1980
схемку бы побольше Rolling Eyes

упс
Вернуться к началу
Посмотреть профиль Отправить личное сообщение
Petr1980
Италолюбитель


Италолюбитель

Возраст: 45
Знак зодиака: Скорпион
Зарегистрирован: 13.02.2012
Сообщения: 51
Откуда: UKR Kiev

Авто: FIAT ALBEA

СообщениеДобавлено: Сб Май 30, 2015 08:31    Заголовок сообщения: Ответить с цитатой

Информацию брал отсюда http://www.lineaklubpolska.pl/viewtopic.php?f=38&t=2857
Вернуться к началу
Посмотреть профиль Отправить личное сообщение
Показать сообщения:   
Начать новую тему   Ответить на тему    Список форумов Український клуб фанів FIAT / CLUB UCRAINO TIFOSO DELLA FIAT -> FIAT Stilo, FIAT Palio, FIAT Siena, FIAT Albea, FIAT Coupe, Fiat Barchetta Часовой пояс: GMT + 3
Страница 1 из 1

 
Перейти:  
Вы не можете начинать темы
Вы не можете отвечать на сообщения
Вы не можете редактировать свои сообщения
Вы не можете удалять свои сообщения
Вы не можете голосовать в опросах
Вы не можете присоединять файлы в этом форуме
Вы можете скачивать файлы в этом форуме






Powered by phpBB © 2001, 2005 phpBB Group
З питань розміщення реклами писати на цю адресу