 |
Український клуб фанів FIAT / CLUB UCRAINO TIFOSO DELLA FIAT
|
 |
| Предыдущая тема :: Следующая тема |
| Автор |
Сообщение |
zaremaal Италофан


Возраст: 43 Знак зодиака:  Зарегистрирован: 07.09.2010 Сообщения: 173 Откуда: Севастополь
Авто: Фиат Tipo 1,4i 1990
|
Добавлено: Вс Фев 06, 2011 21:20 Заголовок сообщения: Помогите с печкой |
|
|
Народ помогите советом и табличкой. потекла печка, что делать вытекает антифриз. Какая у неё схема?
_________________
изготовление ключей |
|
| Вернуться к началу |
|
 |
zaremaal Италофан


Возраст: 43 Знак зодиака:  Зарегистрирован: 07.09.2010 Сообщения: 173 Откуда: Севастополь
Авто: Фиат Tipo 1,4i 1990
|
Добавлено: Вс Фев 06, 2011 21:27 Заголовок сообщения: |
|
|
И такой ещё вопрос что именно могло потечь? Капает из отверстий откуда вздух дует. При чём только когда включена печка.
_________________
изготовление ключей |
|
| Вернуться к началу |
|
 |
Pustynnikov Италоманьячище


Возраст: 50 Знак зодиака:  Зарегистрирован: 28.07.2007 Сообщения: 2881 Откуда: Бобруйск Беларусь
Авто: Peugeot 405 II Break (4E) 1.8 LFZ (XU7JP)
|
Добавлено: Вс Фев 06, 2011 21:36 Заголовок сообщения: |
|
|
радиатор
_________________ Fiat Tipo 1.4 i.e. (160A1046) DGT 90 г.в. Продан. Разбит новой хозяйкой Восстановлен!!! Перепродан другой хозяйке. Убит... Мне так его жаль! |
|
| Вернуться к началу |
|
 |
zaremaal Италофан


Возраст: 43 Знак зодиака:  Зарегистрирован: 07.09.2010 Сообщения: 173 Откуда: Севастополь
Авто: Фиат Tipo 1,4i 1990
|
Добавлено: Вс Фев 06, 2011 21:40 Заголовок сообщения: |
|
|
Pustynnikov
Это хорошо, а как до него добраться?
_________________
изготовление ключей |
|
| Вернуться к началу |
|
 |
Pustynnikov Италоманьячище


Возраст: 50 Знак зодиака:  Зарегистрирован: 28.07.2007 Сообщения: 2881 Откуда: Бобруйск Беларусь
Авто: Peugeot 405 II Break (4E) 1.8 LFZ (XU7JP)
|
Добавлено: Вс Фев 06, 2011 21:41 Заголовок сообщения: |
|
|
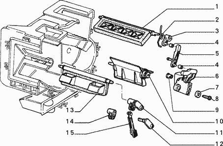
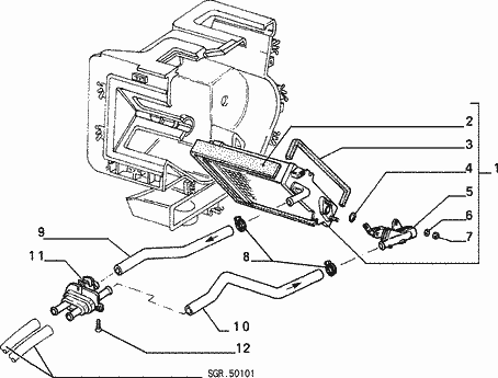
веселые картинки
| Описание: |
|
| Размер: |
14.97 KB |
| Просмотрено: |
306 раз(а) |

|
| Описание: |
|
| Размер: |
11.49 KB |
| Просмотрено: |
277 раз(а) |

|
| Описание: |
|
| Размер: |
13.68 KB |
| Просмотрено: |
337 раз(а) |

|
| Описание: |
|
| Размер: |
11.68 KB |
| Просмотрено: |
310 раз(а) |

|
_________________ Fiat Tipo 1.4 i.e. (160A1046) DGT 90 г.в. Продан. Разбит новой хозяйкой Восстановлен!!! Перепродан другой хозяйке. Убит... Мне так его жаль! |
|
| Вернуться к началу |
|
 |
zaremaal Италофан


Возраст: 43 Знак зодиака:  Зарегистрирован: 07.09.2010 Сообщения: 173 Откуда: Севастополь
Авто: Фиат Tipo 1,4i 1990
|
Добавлено: Вс Фев 06, 2011 22:06 Заголовок сообщения: |
|
|
Завтра буду разбирать
_________________
изготовление ключей |
|
| Вернуться к началу |
|
 |
AnSI Италофан


Возраст: 42 Знак зодиака:  Зарегистрирован: 25.06.2009 Сообщения: 231 Откуда: Россия, Нижний Новгород
Авто: Suzuki SX4 4WD GLX
|
Добавлено: Пн Фев 07, 2011 11:34 Заголовок сообщения: |
|
|
1. Разбираешь всю бороду
2. С водительской стороны увидишь патрубки, подходящие к радиатору. Подставь кастрюльку, сними сначала один патрубок, заткни подходящим болтом и затяни хомут, потом второй патрубок (промаркируй, что бы не перепутать).
3. Радиатор крепится по-моему тремя болтами. Откручиваешь их и пробуешь вынимать радиатор НЕ ПЕРЕКАШИВАЯ его относительно дырки, иначе весь его помнешь.
4. В моем случае пришлось опустить рулевую колонку максимально вниз, ибо радиатор упирался в колонку, а так же пришлось открутить блок предохранителей и реле, ибо в него тоже он упирался.
5. С радиатором идешь домой, там его отмываешь и ревизируешь.
6. Перед установкой радиатора рекомендую засунуть руку туда где он стоял и выгрести каку/листья/мусор и шлифануть там внутри тряпочкой
Установка думаю вопросов не вызовет
_________________ Не дай Бог война.... |
|
| Вернуться к началу |
|
 |
Андрей К Италоманьячище


Возраст: 53 Знак зодиака:  Зарегистрирован: 19.06.2006 Сообщения: 6990 Откуда: Кривой Рог
Авто: Tempra 1.9TDs DGT & AR145TD (когда-то Uno D & "зубило")
|
Добавлено: Пн Фев 07, 2011 22:10 Заголовок сообщения: |
|
|
zaremaal
Не надо разбирать "бороду"!
Как правило течет кран печки!
Снимаешь нижнюю панель торпеды, под рулем.
Откручиваешь щиток на воздуховоде над педалью газа.
Снимаешь кожух с крана печки, часто его уже нет, но он над педалью газа выше.
Течет шток крана печки - кран под замену.
Течет по посадке крана на радиатор печки - снимаешь, промазываешь хорошим герметиком и на место.
Течет радиатор (ну это редко и не похоже на твой случай) - снимаешь патрубки, кран печки, откручиваешь два болтика и вытаскиваешь весь радиатор в сторону педале под руль.
Полик стелишь целофаном, под краник тару, вытечет литра 2-3 охлаждайки из патрубков и радиатора, дальше все по описанному выше.
_________________
 |
|
| Вернуться к началу |
|
 |
Pustynnikov Италоманьячище


Возраст: 50 Знак зодиака:  Зарегистрирован: 28.07.2007 Сообщения: 2881 Откуда: Бобруйск Беларусь
Авто: Peugeot 405 II Break (4E) 1.8 LFZ (XU7JP)
|
Добавлено: Пн Фев 07, 2011 22:56 Заголовок сообщения: |
|
|
Андрей К
от текущего краника антифриз ну никак не может попасть в дефлекторы...
_________________ Fiat Tipo 1.4 i.e. (160A1046) DGT 90 г.в. Продан. Разбит новой хозяйкой Восстановлен!!! Перепродан другой хозяйке. Убит... Мне так его жаль! |
|
| Вернуться к началу |
|
 |
Андрей К Италоманьячище


Возраст: 53 Знак зодиака:  Зарегистрирован: 19.06.2006 Сообщения: 6990 Откуда: Кривой Рог
Авто: Tempra 1.9TDs DGT & AR145TD (когда-то Uno D & "зубило")
|
Добавлено: Вт Фев 08, 2011 13:00 Заголовок сообщения: |
|
|
Pustynnikov
Никто не уточнил в какие дефлекторы, их в самом низу два и именно туда течет с краника.
А что б попасть в верхние, ну не знаю, это не течь, а фонтанирующая дыра должна быть.
_________________
 |
|
| Вернуться к началу |
|
 |
Pustynnikov Италоманьячище


Возраст: 50 Знак зодиака:  Зарегистрирован: 28.07.2007 Сообщения: 2881 Откуда: Бобруйск Беларусь
Авто: Peugeot 405 II Break (4E) 1.8 LFZ (XU7JP)
|
Добавлено: Вт Фев 08, 2011 13:34 Заголовок сообщения: |
|
|
Андрей К
да не, достаточно чтоб капало. Потоком воздуха от карлсона расфигачит по всему салону
| zaremaal писал(а): | | Капает из отверстий откуда вздух дует. |
врядли речь о нижних дырках, хотя может быть. Но! На типе в эти отверстия жижа попасть не может НИКАК. Как на уно и темпре - хз
_________________ Fiat Tipo 1.4 i.e. (160A1046) DGT 90 г.в. Продан. Разбит новой хозяйкой Восстановлен!!! Перепродан другой хозяйке. Убит... Мне так его жаль! |
|
| Вернуться к началу |
|
 |
sheva70 Италоманьячище


Возраст: 55 Знак зодиака:  Зарегистрирован: 23.02.2008 Сообщения: 1401 Откуда: юг
Авто: Была: LANCIA Dedra 1.8i.e.
|
Добавлено: Вт Фев 08, 2011 14:27 Заголовок сообщения: |
|
|
Та в любом случае нужно вытаскивать радиатор и на месте смотреть
_________________

 |
|
| Вернуться к началу |
|
 |
Pustynnikov Италоманьячище


Возраст: 50 Знак зодиака:  Зарегистрирован: 28.07.2007 Сообщения: 2881 Откуда: Бобруйск Беларусь
Авто: Peugeot 405 II Break (4E) 1.8 LFZ (XU7JP)
|
Добавлено: Вт Фев 08, 2011 17:40 Заголовок сообщения: |
|
|
sheva70 - Вы сам Капитан Очевидность!
_________________ Fiat Tipo 1.4 i.e. (160A1046) DGT 90 г.в. Продан. Разбит новой хозяйкой Восстановлен!!! Перепродан другой хозяйке. Убит... Мне так его жаль! |
|
| Вернуться к началу |
|
 |
Андрей К Италоманьячище


Возраст: 53 Знак зодиака:  Зарегистрирован: 19.06.2006 Сообщения: 6990 Откуда: Кривой Рог
Авто: Tempra 1.9TDs DGT & AR145TD (когда-то Uno D & "зубило")
|
Добавлено: Вт Фев 08, 2011 19:32 Заголовок сообщения: |
|
|
Pustynnikov
Если х.з., то не спорь, Типо-Темпра-Дедра одно и то же авто и если все платмаски вокруг печки на месте, то шурует как раз из левого нижнего сопла на правую ногу водилы, если сильно то и в правое сопло достает.
_________________
 |
|
| Вернуться к началу |
|
 |
zaremaal Италофан


Возраст: 43 Знак зодиака:  Зарегистрирован: 07.09.2010 Сообщения: 173 Откуда: Севастополь
Авто: Фиат Tipo 1,4i 1990
|
Добавлено: Вт Фев 08, 2011 19:48 Заголовок сообщения: |
|
|
Всем спасибо за советы, победил!!!! Разобрал весь салон (торпеду), рулевую колонку снял (как оказалось зря) и достал радиатор!
Тёк и радиатор и краник, а ещё краник не закрывал подачу воды.
Итог радиатор новый 220грн, краник 25 грн.
_________________
изготовление ключей |
|
| Вернуться к началу |
|
 |
|
|
Вы не можете начинать темы Вы не можете отвечать на сообщения Вы не можете редактировать свои сообщения Вы не можете удалять свои сообщения Вы не можете голосовать в опросах Вы не можете присоединять файлы в этом форуме Вы можете скачивать файлы в этом форуме
|
Powered by phpBB © 2001, 2005 phpBB Group
|