 |
Український клуб фанів FIAT / CLUB UCRAINO TIFOSO DELLA FIAT
|
 |
| Предыдущая тема :: Следующая тема |
| Автор |
Сообщение |
black hawk Италоманьячище


Возраст: 54 Знак зодиака:  Зарегистрирован: 03.11.2010 Сообщения: 10589 Откуда: Украина
Авто: пешеход
|
Добавлено: Пн Май 25, 2015 12:21 Заголовок сообщения: |
|
|
| TroF_911 писал(а): | https://youtu.be/cRLZt65hU-w
где-то так |
стрёмное видео. мне никогда не меняли на заведённой машине.
насос будет маслать в полусухую- износ крыльчатки .
помню вывешивали передние колёса и крутили руль...
_________________ Кто понял жизнь, тот больше не спешит,
Смакует каждый миг и наблюдает -
Как спит ребёнок, молится старик,
Как дождь идёт, и как снежинка тает.
(с)О.Х. |
|
| Вернуться к началу |
|
 |
black hawk Италоманьячище


Возраст: 54 Знак зодиака:  Зарегистрирован: 03.11.2010 Сообщения: 10589 Откуда: Украина
Авто: пешеход
|
Добавлено: Пн Май 25, 2015 12:23 Заголовок сообщения: |
|
|
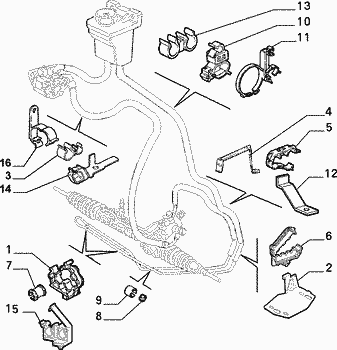
CreAtoR
на фото обратка слева ?
| Описание: |
|
| Размер: |
163.15 KB |
| Просмотрено: |
452 раз(а) |

|
_________________ Кто понял жизнь, тот больше не спешит,
Смакует каждый миг и наблюдает -
Как спит ребёнок, молится старик,
Как дождь идёт, и как снежинка тает.
(с)О.Х. |
|
| Вернуться к началу |
|
 |
CreAtoR Италоманьячище


Возраст: 45 Знак зодиака:  Зарегистрирован: 05.11.2010 Сообщения: 25283 Откуда: Одеса
Авто: Fiat Ritmo60L(138В3.048) Lancia Dedra(835A8.046)
|
Добавлено: Пн Май 25, 2015 12:50 Заголовок сообщения: |
|
|
обратка - это шланг от рейки на бачок.
слева оно или справа - для меня нет существенной разницы.
_________________ СТО [:ІЖАК] - діагностика, ремонт і кава ^-^
FIAT, Lancia, AR та не італійські авто.
т. О9З-О64-28-О6
т. О99-ОЧI-ЧЧ-Ч2 |
|
| Вернуться к началу |
|
 |
black hawk Италоманьячище


Возраст: 54 Знак зодиака:  Зарегистрирован: 03.11.2010 Сообщения: 10589 Откуда: Украина
Авто: пешеход
|
Добавлено: Пн Май 25, 2015 12:59 Заголовок сообщения: |
|
|
| CreAtoR писал(а): | обратка - это шланг от рейки на бачок.
слева оно или справа - для меня нет существенной разницы. |
для тебя - понимаю. для меня пока нет.
оба шланга к рейке и бачку. какой из них?
| Описание: |
|
| Размер: |
10.9 KB |
| Просмотрено: |
473 раз(а) |

|
_________________ Кто понял жизнь, тот больше не спешит,
Смакует каждый миг и наблюдает -
Как спит ребёнок, молится старик,
Как дождь идёт, и как снежинка тает.
(с)О.Х. |
|
| Вернуться к началу |
|
 |
TroF_911 Италоманьячище


Возраст: 35 Знак зодиака:  Зарегистрирован: 12.08.2007 Сообщения: 5104 Откуда: Київ (Святошино)
Авто: Fiat Tipo 1.6 m.i. DGT "92
|
Добавлено: Пн Май 25, 2015 13:01 Заголовок сообщения: |
|
|
black hawk
так на картинке, тот который левый, перед тем как зайти в рейку он заходит в насос.
| Цитата: | мне никогда не меняли на заведённой машине.
насос будет маслать в полусухую- износ крыльчатки . |
С чего в сухую? Если в подачу заливать масло.
_________________ Ми всі однакові давно
Вам зрозуміти не дано
Що схід і захід за одно
Дайте пожити спокійно |
|
| Вернуться к началу |
|
 |
black hawk Италоманьячище


Возраст: 54 Знак зодиака:  Зарегистрирован: 03.11.2010 Сообщения: 10589 Откуда: Украина
Авто: пешеход
|
Добавлено: Пн Май 25, 2015 13:06 Заголовок сообщения: |
|
|
| TroF_911 писал(а): | black hawk
так на картинке, тот который левый, перед тем как зайти в рейку он заходит в насос.
| Цитата: | мне никогда не меняли на заведённой машине.
насос будет маслать в полусухую- износ крыльчатки . |
С чего в сухую? Если в подачу заливать масло. |
тогда для замены нужен целый отряд. один крутит. другой сливает. третий доливает.
да и не бюджетно получается. литр- два на промывку только уйдёт.
_________________ Кто понял жизнь, тот больше не спешит,
Смакует каждый миг и наблюдает -
Как спит ребёнок, молится старик,
Как дождь идёт, и как снежинка тает.
(с)О.Х. |
|
| Вернуться к началу |
|
 |
black hawk Италоманьячище


Возраст: 54 Знак зодиака:  Зарегистрирован: 03.11.2010 Сообщения: 10589 Откуда: Украина
Авто: пешеход
|
Добавлено: Пн Май 25, 2015 13:07 Заголовок сообщения: |
|
|
TroF_911
значит обратка правая?
_________________ Кто понял жизнь, тот больше не спешит,
Смакует каждый миг и наблюдает -
Как спит ребёнок, молится старик,
Как дождь идёт, и как снежинка тает.
(с)О.Х. |
|
| Вернуться к началу |
|
 |
CreAtoR Италоманьячище


Возраст: 45 Знак зодиака:  Зарегистрирован: 05.11.2010 Сообщения: 25283 Откуда: Одеса
Авто: Fiat Ritmo60L(138В3.048) Lancia Dedra(835A8.046)
|
Добавлено: Пн Май 25, 2015 13:10 Заголовок сообщения: |
|
|
| black hawk писал(а): | | CreAtoR писал(а): | обратка - это шланг от рейки на бачок.
слева оно или справа - для меня нет существенной разницы. |
для тебя - понимаю. для меня пока нет.
оба шланга к рейке и бачку. какой из них? |
а насос у тебя там для антуража на мотор прикручен? чисто вхолостую для покрутить шкивами?
и это вроде взрослый и неглупый парень..
_________________ СТО [:ІЖАК] - діагностика, ремонт і кава ^-^
FIAT, Lancia, AR та не італійські авто.
т. О9З-О64-28-О6
т. О99-ОЧI-ЧЧ-Ч2 |
|
| Вернуться к началу |
|
 |
black hawk Италоманьячище


Возраст: 54 Знак зодиака:  Зарегистрирован: 03.11.2010 Сообщения: 10589 Откуда: Украина
Авто: пешеход
|
Добавлено: Пн Май 25, 2015 13:13 Заголовок сообщения: |
|
|
| CreAtoR писал(а): | | black hawk писал(а): | | CreAtoR писал(а): | обратка - это шланг от рейки на бачок.
слева оно или справа - для меня нет существенной разницы. |
для тебя - понимаю. для меня пока нет.
оба шланга к рейке и бачку. какой из них? |
а насос у тебя там для антуража на мотор прикручен? чисто вхолостую для покрутить шкивами?
и это вроде взрослый и неглупый парень.. |
я понимаю, что ты не можешь чтобы не жечь...))
но поверь я раньше и не задумывался и не заглядывал как оно там устроено...
справа? ))
_________________ Кто понял жизнь, тот больше не спешит,
Смакует каждый миг и наблюдает -
Как спит ребёнок, молится старик,
Как дождь идёт, и как снежинка тает.
(с)О.Х. |
|
| Вернуться к началу |
|
 |
CreAtoR Италоманьячище


Возраст: 45 Знак зодиака:  Зарегистрирован: 05.11.2010 Сообщения: 25283 Откуда: Одеса
Авто: Fiat Ritmo60L(138В3.048) Lancia Dedra(835A8.046)
|
Добавлено: Пн Май 25, 2015 13:17 Заголовок сообщения: |
|
|
black hawk
пришло время задуматься - а ты не смог
тут негде "жечь" - не смешно ни разу.
есть "подача" и "обратка": почему "подача"? бо НА рейку, а "обратка" - бо С рейки.
а у нас уже страница заканчивается, выясняем "справа" или "слева".
сними оба шланга, заведи машину: с какого струя ибанёт - то и есть обратка.
_________________ СТО [:ІЖАК] - діагностика, ремонт і кава ^-^
FIAT, Lancia, AR та не італійські авто.
т. О9З-О64-28-О6
т. О99-ОЧI-ЧЧ-Ч2 |
|
| Вернуться к началу |
|
 |
black hawk Италоманьячище


Возраст: 54 Знак зодиака:  Зарегистрирован: 03.11.2010 Сообщения: 10589 Откуда: Украина
Авто: пешеход
|
Добавлено: Пн Май 25, 2015 13:21 Заголовок сообщения: |
|
|
| CreAtoR писал(а): | black hawk
пришло время задуматься - а ты не смог
тут негде "жечь" - не смешно ни разу.
есть "подача" и "обратка": почему "подача"? бо НА рейку, а "обратка" - бо С рейки.
а у нас уже страница заканчивается, выясняем "справа" или "слева".
сними оба шланга, заведи машину: с какого струя ибанёт - то и есть обратка. |
так и сделаю. сразу бы так.
и видео в ютюб выложу , как правильно менять...
зы. сильно нужно газовать? до семи хватит?
_________________ Кто понял жизнь, тот больше не спешит,
Смакует каждый миг и наблюдает -
Как спит ребёнок, молится старик,
Как дождь идёт, и как снежинка тает.
(с)О.Х. |
|
| Вернуться к началу |
|
 |
paravozik Amico

Возраст: 33 Знак зодиака:  Зарегистрирован: 25.09.2010 Сообщения: 2 Откуда: Киев
Авто: АР 75
|
Добавлено: Вт Июл 14, 2015 14:08 Заголовок сообщения: |
|
|
| Тоже пригодится
|
|
| Вернуться к началу |
|
 |
vvcf Amico

Возраст: 33 Знак зодиака:  Зарегистрирован: 14.07.2015 Сообщения: 4 Откуда: Киев
Авто: AR 75
|
Добавлено: Вт Июл 14, 2015 14:12 Заголовок сообщения: |
|
|
Тоже пригодится
|
|
| Вернуться к началу |
|
 |
zanski Член клуба


Возраст: 43 Знак зодиака:  Зарегистрирован: 03.04.2007 Сообщения: 6607 Откуда: Киев
Авто: Шальоный хаврашок... Не турбувати))) УАЗ 31512 Rob Zombie
|
Добавлено: Вт Июл 14, 2015 14:14 Заголовок сообщения: |
|
|
Под бампером есть радиатор жидкости гур на быстросьемных фиттингах. Нижний отщелкиваешь, с него вытекает почти вся жидкость. Покрутишь рулем- и выбежит вся. Ниче не нужно заводить и умываться атфкой.
_________________ Давите пешеходов. Они должны усвоить, что раз они не платят дорожный налог, то не имеют права шляться по тому, что им не принадлежит.
(ц) Дж. Кларксон.
Zanski's Garage O6ЗЗЧIOI8I |
|
| Вернуться к началу |
|
 |
black hawk Италоманьячище


Возраст: 54 Знак зодиака:  Зарегистрирован: 03.11.2010 Сообщения: 10589 Откуда: Украина
Авто: пешеход
|
Добавлено: Пт Июл 13, 2018 18:06 Заголовок сообщения: |
|
|
много букафф. кому лень можно не читать.)
трындец.
пятница 13- и солнечное затмение.))
короче, проверил я сегодня на себе. оказывается работают приметы...
в кои веки, решил вырваться в столицу на машине.
порешать кой какие дела и посмотреть как она живет и чем дышит...))
и пошли приключения. на теремках в бок, чуть не вьехала одна дама на хюндае. как она остановилась в 20 см от бочины . х.з.
на метро святошино с второстепенной, вылетел очередной гонщик - теперь чудом остановился я.
тысяча извинений от него мол попутало что-то. ладно думаю бывает. мысленно похвалил ласточку за тормоза.
порешал вопросы . пора на выезд в сторну теремков.
запрвился возле лавина мол . еду по окружной в строну одесской трассы.... и тут альфа преподносит сюрпрайз.
лопнул (от тарости или перетерся ) шланг жидкости гидроусилителя. в том месте , где в него входит одна из трубок охладителя жидкости. акурат наверху над хомутом.
звук на руле как будто вырвало пробку из вина. сразу тяжелый руль. а я в потоке машин, да еще пробка и ряд левый крайний. пздц.
по обеим сторонам посадки . шо сцуко делать?
ехать ведь нельзя. заглянул под машину залито все от скорости . но в районе рейки сухо.
это обнадёжило. сразу понял , что какой-то шланг. думаю нужно доехать до ближайшего сто , там парни глянут , что к чему.
вернулся на заправку купил литрушку декстрона . залил пол литра .
поехал.
успел доехать до житомирской трассы под мостом.
чувствую снова пипец. глянул в бачок пусто.
все приехали. смысл доливать если вылетает мгновенно.
отгоняю на обочину. беру домкрат. подымаю, зырю где оно...
и о счастье под бампером, шланг на трубке охладителя. ..
искать кого-то, ехать не вариант. жара . насосу или рейке , а может обоим сразу может статься кердык...
но владение альфой, дало одну полезную привычку. инструмент и всякие мелочевки , хомуты , шурупы, болты , гайки и т.д должны быть в машине по умолчанию.
отганяю машину на обочину .раздеваюсь до трусов - я серьезно. )) одежда вся чистая. стелю красивое пляжное покрывало.)) и лезу разбираться , что к чему.
а забыл сказать . хорошо что рыдом был мой штурман и напарник - жена. подавала патроны...)
дыра была найдена. снят старый хомут. отрезан на 5 см шланг.
одет обратно и зажат новым хомутом. долил жидкость. покрутил колеса на незаведенной машине. для этого пришлось поднять оба передних колеса. вылил жидкость. завел. все гут. проехал около киллометра. увидел магаз. купил ещё литруху. долил до уровня. приехал домой все гуд. ))
зы. прикольно наверное смотрелось , как красивая девушка , возле дороги моет под деревом мужчину. .. роллик для ютюба огонь. ))
зы 2. к чему это я все...? ща накатил на радостях. и делюсь приятным. все хорошо , что хорошо заканчивается...)
и столицу посмотрел и приключения получил.
зы. 3 . но дышать в Киеве реально абсолютно нечем. загазованность просто пздц.
не знаю, как так живут люди ... букеты болезней...
фух. ))
| Описание: |
|
| Размер: |
30.41 KB |
| Просмотрено: |
364 раз(а) |

|
_________________ Кто понял жизнь, тот больше не спешит,
Смакует каждый миг и наблюдает -
Как спит ребёнок, молится старик,
Как дождь идёт, и как снежинка тает.
(с)О.Х.
Последний раз редактировалось: black hawk (Пт Июл 13, 2018 21:49), всего редактировалось 3 раз(а) |
|
| Вернуться к началу |
|
 |
|
|
Вы не можете начинать темы Вы не можете отвечать на сообщения Вы не можете редактировать свои сообщения Вы не можете удалять свои сообщения Вы не можете голосовать в опросах Вы не можете присоединять файлы в этом форуме Вы можете скачивать файлы в этом форуме
|
Powered by phpBB © 2001, 2005 phpBB Group
|