 |
Український клуб фанів FIAT / CLUB UCRAINO TIFOSO DELLA FIAT
|
 |
| Предыдущая тема :: Следующая тема |
| Автор |
Сообщение |
Trek192 Италоманьячище


Возраст: 33 Знак зодиака:  Зарегистрирован: 26.02.2010 Сообщения: 1403 Откуда: Черкаська обл.
Авто: Fiat Croma 2.0 i.e.-Tempra 2.0 i.e.-Citroen XM-Dacia SuperNova-Touareg
|
Добавлено: Вс Авг 26, 2012 22:49 Заголовок сообщения: Питання по проводкі |
|
|
Сьогодні вирішив прозвонить фішки від датчиків. Так як стала ще хуже заводитись на холодну.
Врубив зажиганія, взяв тестер, зняв фішку з РХХ, прозвонив-є контакт, аналогічно на ДТОЖ, пікнуло. Взяв зняв фішку на датчику темп. воздуха що на колєкторі стоїть - мовчить Це так і нада, чи десь обрив в проводкі? Як сильно цей датчик впливає на роботу двигуна?
_________________ Запчастини на Fiat Croma
Запчастини КПП Fiat Croma |
|
| Вернуться к началу |
|
 |
Веталь Италоманьячище


Возраст: 49 Знак зодиака:  Зарегистрирован: 14.06.2008 Сообщения: 4983 Откуда: Днепр. обл.
Авто: croma
|
Добавлено: Пн Авг 27, 2012 00:49 Заголовок сообщения: Re: Питання по проводкі |
|
|
| Trek192 писал(а): | | Як сильно цей датчик впливає на роботу двигуна? | фактически никак, влияние крайне малое, а на запуск почти никакое
А за все твои прозвонки, нужно много выпить чтоб понять тебя что и как ты звонил: | Trek192 писал(а): | | зняв фішку з РХХ, прозвонив-є контакт | пойми тебя....
И потом, датчики "на контакт" не звонятся. "Пик" или "Не Пик" не является признаком рабочего, или нерабочего датчика. Например, новый датчик температуры охлаждающей жидкости, никаких пикалок издавать не должен.
_________________
 |
|
| Вернуться к началу |
|
 |
Trek192 Италоманьячище


Возраст: 33 Знак зодиака:  Зарегистрирован: 26.02.2010 Сообщения: 1403 Откуда: Черкаська обл.
Авто: Fiat Croma 2.0 i.e.-Tempra 2.0 i.e.-Citroen XM-Dacia SuperNova-Touareg
|
|
| Вернуться к началу |
|
 |
=aleks= Италоманьячище


Возраст: 49 Знак зодиака:  Зарегистрирован: 06.10.2009 Сообщения: 8633 Откуда: Харьков
Авто: была Tempra2.0 теперьTоyota carina-e 93 1.6
|
Добавлено: Пн Авг 27, 2012 01:12 Заголовок сообщения: |
|
|
Trek192
ты с калодки мозгов звонил и он не звонится??
значит есть обры!
я делал так.
с колодки мозгов тестером и каждый разъём замыкаем.
_________________ Бортовик Темпра |
|
| Вернуться к началу |
|
 |
Веталь Италоманьячище


Возраст: 49 Знак зодиака:  Зарегистрирован: 14.06.2008 Сообщения: 4983 Откуда: Днепр. обл.
Авто: croma
|
Добавлено: Пн Авг 27, 2012 01:32 Заголовок сообщения: |
|
|
| Trek192 писал(а): | | Дак я не датчик прозванював, а фішку, щоб провірить цепь... | ты прозванивал саму фишку на наличие цепи?
_________________
 |
|
| Вернуться к началу |
|
 |
Trek192 Италоманьячище


Возраст: 33 Знак зодиака:  Зарегистрирован: 26.02.2010 Сообщения: 1403 Откуда: Черкаська обл.
Авто: Fiat Croma 2.0 i.e.-Tempra 2.0 i.e.-Citroen XM-Dacia SuperNova-Touareg
|
|
| Вернуться к началу |
|
 |
=aleks= Италоманьячище


Возраст: 49 Знак зодиака:  Зарегистрирован: 06.10.2009 Сообщения: 8633 Откуда: Харьков
Авто: была Tempra2.0 теперьTоyota carina-e 93 1.6
|
Добавлено: Пн Авг 27, 2012 11:27 Заголовок сообщения: |
|
|
Trek192
для начало нужно знать разпиновку колодки на мозгах.
потом всё просто.
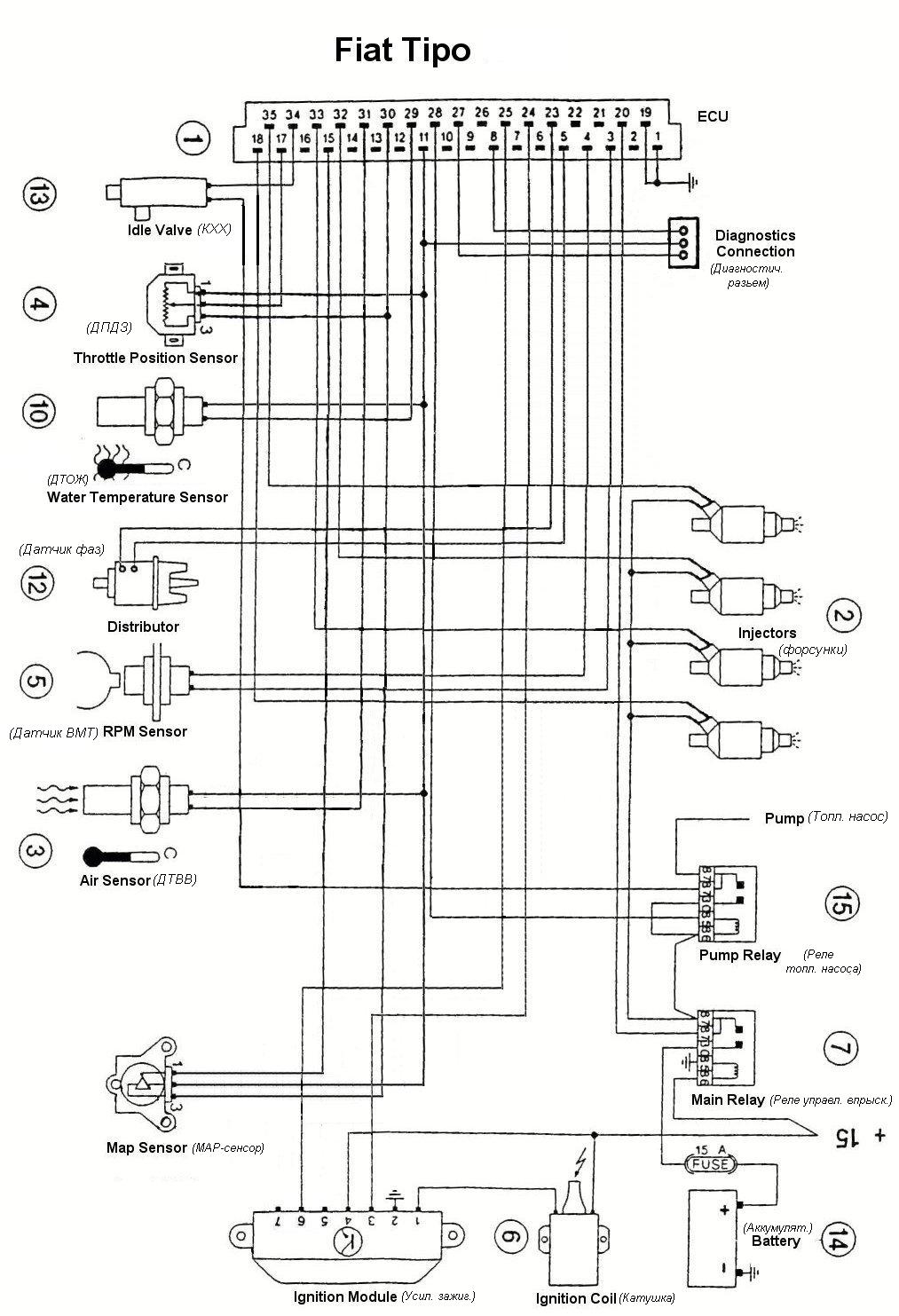
например под номерами 29-11 это датчик ДОЖ.
снимаем с него разъём вставляем в разём кусок проволки,а на колодке тестером звоним!!!
ну или на оборот на штекере звоним,а на колодке замыкаем.
естествено всё надо обесточить!!!
вот нашёл!!
| Описание: |
|
| Размер: |
42.79 KB |
| Просмотрено: |
5152 раз(а) |

|
_________________ Бортовик Темпра |
|
| Вернуться к началу |
|
 |
Андрей К Италоманьячище


Возраст: 53 Знак зодиака:  Зарегистрирован: 19.06.2006 Сообщения: 6990 Откуда: Кривой Рог
Авто: Tempra 1.9TDs DGT & AR145TD (когда-то Uno D & "зубило")
|
Добавлено: Пн Авг 27, 2012 16:38 Заголовок сообщения: |
|
|
=aleks=
Да еще не забудь проверку проводки на пробой на массу и плюс. Всяко бывало...
_________________
 |
|
| Вернуться к началу |
|
 |
Trek192 Италоманьячище


Возраст: 33 Знак зодиака:  Зарегистрирован: 26.02.2010 Сообщения: 1403 Откуда: Черкаська обл.
Авто: Fiat Croma 2.0 i.e.-Tempra 2.0 i.e.-Citroen XM-Dacia SuperNova-Touareg
|
Добавлено: Пн Авг 27, 2012 16:50 Заголовок сообщения: |
|
|
=aleks=
О! Вотета мєгадякую
Андрей К
| Цитата: | =aleks=
Да еще не забудь проверку проводки на пробой на массу и плюс. Всяко бывало...
|
Це живлення на мозги?
_________________ Запчастини на Fiat Croma
Запчастини КПП Fiat Croma |
|
| Вернуться к началу |
|
 |
Trek192 Италоманьячище


Возраст: 33 Знак зодиака:  Зарегистрирован: 26.02.2010 Сообщения: 1403 Откуда: Черкаська обл.
Авто: Fiat Croma 2.0 i.e.-Tempra 2.0 i.e.-Citroen XM-Dacia SuperNova-Touareg
|
Добавлено: Пн Авг 27, 2012 19:36 Заголовок сообщения: |
|
|
Це точно для мого ЭБУ?
У мене WF4S1.07/8SE.HZ
і в мене більша половина не звониться
Наприклад беду для ДПДЗ контакт 11 і 17, не звонить, так як і 30 і 17. Навіть всі 3 пробував замикать, нічого(
Аналогічно для МАР-сенсора
_________________ Запчастини на Fiat Croma
Запчастини КПП Fiat Croma |
|
| Вернуться к началу |
|
 |
=aleks= Италоманьячище


Возраст: 49 Знак зодиака:  Зарегистрирован: 06.10.2009 Сообщения: 8633 Откуда: Харьков
Авто: была Tempra2.0 теперьTоyota carina-e 93 1.6
|
Добавлено: Пн Авг 27, 2012 22:43 Заголовок сообщения: |
|
|
Trek192
это для вебера!!
а ты ещё у КСВ спроси.мож у него есть раскладака!!сверишь
я лично по этой раскладке не чё не проверял!!
эту раскладку вылаживал шева у него лянча дедра 1.8.тоже вебер!
_________________ Бортовик Темпра |
|
| Вернуться к началу |
|
 |
ksv Италоманьячище


Возраст: 46 Знак зодиака:  Зарегистрирован: 21.09.2006 Сообщения: 3352 Откуда: Киев
Авто: Leaf 13 S+/Leaf 19 SV/Chrysler Pacifica 17 LX
|
|
| Вернуться к началу |
|
 |
Хрюкин Италоманьячище

Возраст: 55 Знак зодиака:  Зарегистрирован: 21.03.2009 Сообщения: 2975 Откуда: Россия, Нижний Новгород, Автозавод
Авто: SATURN VUE 2.2
|
Добавлено: Вт Авг 28, 2012 09:09 Заголовок сообщения: |
|
|
| Trek192 писал(а): | Це точно для мого ЭБУ?
У мене WF4S1.07/8SE.HZ
і в мене більша половина не звониться
Наприклад беду для ДПДЗ контакт 11 і 17, не звонить, так як і 30 і 17. Навіть всі 3 пробував замикать, нічого(
Аналогічно для МАР-сенсора  |
У меня такой же ЭБУ, как у тебя.
Алекс дал тебе правильную таблицу- всё совпадает с книгой и реальностью.
|
|
| Вернуться к началу |
|
 |
pog Италомафиози


Возраст: 61 Знак зодиака:  Зарегистрирован: 23.01.2006 Сообщения: 522 Откуда: Kiev, Позняки
Авто: Ford Focus III 2017
|
Добавлено: Вт Авг 28, 2012 09:55 Заголовок сообщения: |
|
|
Дык, все просто. Откидываешь питание от аккума, снимаешь разьем с ЭБУ. Поочередно закорачиваешь на разьеме соответствующие определенному датчику контакты (напр. 5 - 23, 3 - 4, 11 - 29, 11 - 31 и т.д.) и на разьеме, со стороны датчиков, меряешь сопротивление проводки (обычно 2-4 Ома) и на предмет закоротки на землю или на питание. При этом, желательно, слегка!!! , пошатать разьем датчика, чтобы выявить наличие "гуляющего" обрыва старых проводов.
Затем, при подсоединенных датчиках, на разьеме со стороны ЭБУ замерять заземление, сопротивления (при разных температурах) ДТВВ, ДТОЖ, ДПДЗ и т.д. Сравнить показания с мануалом. При помощи дополнительного длинного провода не мешает проверить целостность проводки лямда-зонда (контакт 2). Короче, дофига еще чего можно напридумывать .
Успехов!
| Описание: |
|
| Размер: |
194.37 KB |
| Просмотрено: |
186 раз(а) |

|
|
|
| Вернуться к началу |
|
 |
=aleks= Италоманьячище


Возраст: 49 Знак зодиака:  Зарегистрирован: 06.10.2009 Сообщения: 8633 Откуда: Харьков
Авто: была Tempra2.0 теперьTоyota carina-e 93 1.6
|
Добавлено: Вт Авг 28, 2012 20:47 Заголовок сообщения: |
|
|
ksv
я так понял он проверяет на предмет обрыва проводки,а не сопротивление датчиков!
_________________ Бортовик Темпра |
|
| Вернуться к началу |
|
 |
|
|
Вы не можете начинать темы Вы не можете отвечать на сообщения Вы не можете редактировать свои сообщения Вы не можете удалять свои сообщения Вы не можете голосовать в опросах Вы не можете присоединять файлы в этом форуме Вы можете скачивать файлы в этом форуме
|
Powered by phpBB © 2001, 2005 phpBB Group
|