Сайт Українського клуба фанів FIAT Український клуб фанів FIAT / CLUB UCRAINO TIFOSO DELLA FIAT

 
ФотогалереяФотогалерея   FAQFAQ   ПоискПоиск   ПользователиПользователи   ГруппыГруппы   РегистрацияРегистрация 
 ПрофильПрофиль   Войти и проверить личные сообщенияВойти и проверить личные сообщения   ВходВход 

Куплю тяги

 
Начать новую тему   Ответить на тему    Список форумов Український клуб фанів FIAT / CLUB UCRAINO TIFOSO DELLA FIAT -> FIAT Ritmo, FIAT Regata, FIAT Croma, FIAT Croma Nuova
Предыдущая тема :: Следующая тема  
Автор Сообщение
вован0000
Amico


Amico

Возраст: 45
Знак зодиака: Телец
Зарегистрирован: 01.05.2010
Сообщения: 45
Откуда: Россия, Санкт-Петербург

Авто: Croma 2000 turbo i.e. 87,Croma 2000 turbo i.e. 92 Punto 3. 04

СообщениеДобавлено: Пн Фев 14, 2011 19:53    Заголовок сообщения: Куплю тяги Ответить с цитатой

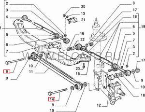
Куплю задние поперечные нерегулируемые тяги, новые или б/у в хорошем состоянии. На картинке они под номером 11. Живу в Санкт-Петербурге.


ImageUnitHandler.jpg
 Описание:
 Размер:  27.75 KB
 Просмотрено:  227 раз(а)

ImageUnitHandler.jpg


Вернуться к началу
Посмотреть профиль Отправить личное сообщение
Показать сообщения:   
Начать новую тему   Ответить на тему    Список форумов Український клуб фанів FIAT / CLUB UCRAINO TIFOSO DELLA FIAT -> FIAT Ritmo, FIAT Regata, FIAT Croma, FIAT Croma Nuova Часовой пояс: GMT + 3
Страница 1 из 1

 
Перейти:  
Вы не можете начинать темы
Вы не можете отвечать на сообщения
Вы не можете редактировать свои сообщения
Вы не можете удалять свои сообщения
Вы не можете голосовать в опросах
Вы не можете присоединять файлы в этом форуме
Вы можете скачивать файлы в этом форуме






Powered by phpBB © 2001, 2005 phpBB Group
З питань розміщення реклами писати на цю адресу