Сайт Українського клуба фанів FIAT Український клуб фанів FIAT / CLUB UCRAINO TIFOSO DELLA FIAT

 
ФотогалереяФотогалерея   FAQFAQ   ПоискПоиск   ПользователиПользователи   ГруппыГруппы   РегистрацияРегистрация 
 ПрофильПрофиль   Войти и проверить личные сообщенияВойти и проверить личные сообщения   ВходВход 

где найти и оно это или нет Lancia DeltaII2.0 turbo 94 г.в.

 
Начать новую тему   Ответить на тему    Список форумов Український клуб фанів FIAT / CLUB UCRAINO TIFOSO DELLA FIAT -> Ремонт та обслуговування Lancia
Предыдущая тема :: Следующая тема  
Автор Сообщение
Санёк
Италофан


Италофан

Возраст: 45
Знак зодиака: Стрелец
Зарегистрирован: 15.04.2008
Сообщения: 349
Откуда: Россия - Белгород

Авто: Opel Vectra B

СообщениеДобавлено: Пн Июн 28, 2010 14:29    Заголовок сообщения: где найти и оно это или нет Lancia DeltaII2.0 turbo 94 г.в. Ответить с цитатой

добрый день помогите определиться.

в прошлых темах писал про свою проблема - отсечка на 4 000 об.мин.

мой Vin ZLA83600005030244

нашел я все же хорошего электрика по своей авто... программы у него для диагностики нет - но он с помощью осцилографа нашел все что у меня не в порядке. Итак:

1. датчик положения фаз - на оборотах ниже 4К - все нормально при повышении к 4К оборотам начинает подниматься нижнее напряжение, которое должно быть "0" и короче кривая на осилографе не такая как должна быть - вообщем под замену.
Сразу мне этот мастер сказал что можно ставить любой по конструкции подходящий ВАЗ (правда корпус прийдеться дорабатывать).. Сразу прошу не ругаться за колхоз - датчик этот стоит 300 евро это перебор... по параметрам они одинаковые. этот мастер и на ауди ставил и на какие то другие иномарки.

2. провода свечные под замену - один вообще не проводит ничего, второй так - частично - вообщем пока катаюсь на 2 х с половиной цилиндрах

3. датчик кислорода врет основательно. - под замену.

4. и наконец последнее. как мне этот мастер сказал приходит неправильный импульс на катушки... но сколько оно не рылся не нашел где находится этот коммутатор... как он мен объяснил - этот коммутатор должен быть около катушек и к нему подходить 5 проводов, должен быть выполнен на радиаторах - т.к. там мощные транзисторы стоят.
провода от катушки уходят в общий пучок и в салон. около компьютера основного искали - нет...
И вот решил я сам поискать по приметам, и нашел нечто похожее - выполнено сразу на радиаторе, подходит 2 фишки из семи проводов на каждую (но реально может просто все не задействованы) и находится около левой фары, крепиться на площадку аккумулятора..
Перерыл по фину и www.detali.ru и http://www.elcats.ru
нашел только одну деталь похожую на то что у меня стоит (см. на рисунке). называется он правда в exist.ru "Электронный блок управления впрыска" и стоит 700 у.е.

теперь подскажите - это то что я ищу - коммутатор или усилитель зажигания???
где его можно приобрести? и сколько денег?
Если все же это его реальная цена, то возможно ли его заменить на какой либо аналог от других машин по реальной цене????
Опять не ругайтесь видел от инжекторных вазов ну не прямо такую штуку но похожую может от вазов подходит...

заранее всем спасибо.



2.JPG
 Описание:
вот еще этот модуль
 Размер:  35.61 KB
 Просмотрено:  281 раз(а)

2.JPG



1.JPG
 Описание:
 Размер:  23.54 KB
 Просмотрено:  265 раз(а)

1.JPG


Вернуться к началу
Посмотреть профиль Отправить личное сообщение Отправить e-mail
Letun
Италоманьячище


Италоманьячище

Возраст: 55
Знак зодиака: Весы
Зарегистрирован: 16.11.2005
Сообщения: 2643
Откуда: Киев

Авто: Maserati GranSport

СообщениеДобавлено: Вт Июн 29, 2010 11:58    Заголовок сообщения: Ответить с цитатой

датчик холла или проводка к нему - причина отсечки на 4000. єто правда.
то, что ті нашел - коммутаторі. их там 2, оба Марелли. бош не пойдет.
у нас такого добра хватает, у вас не знаю, где искать.
Вернуться к началу
Посмотреть профиль Отправить личное сообщение
iggi1711
Италомафиози


Италомафиози

Возраст: 48
Знак зодиака: Скорпион
Зарегистрирован: 11.03.2009
Сообщения: 972
Откуда: Киев

Авто: Lancia Delta Nova 1,6 i.e. 160 км/ч больше не пробовал->Пешкарус 5-10 км\ч->Renault Laguna II\2.0\140hp\260км\ч на приборке

СообщениеДобавлено: Вт Июн 29, 2010 12:21    Заголовок сообщения: Re: где найти и оно это или нет Lancia DeltaII2.0 turbo 94 г Ответить с цитатой

Санёк писал(а):
называется он правда в exist.ru "Электронный блок управления впрыска" и стоит 700 у.е.
теперь подскажите - это то что я ищу - коммутатор или усилитель зажигания???
где его можно приобрести? и сколько денег?
Если все же это его реальная цена, то возможно ли его заменить на какой либо аналог от других машин по реальной цене????
Опять не ругайтесь видел от инжекторных вазов ну не прямо такую штуку но похожую может от вазов подходит...

Эсли почитать схемки то есть такой блочок и называется правильно он электронный блок управления зажиганием, а "Электронный блок управления впрыска" в твоей машине нет, IAW сам напрямую управляет форсунками. По поводу колхоза от ВАЗа не скажу, практики такой не было. Позаимстовать можно от Типка 2-х литрового и от Купе , там ставились такие же движки.

_________________
Вернуться к началу
Посмотреть профиль Отправить личное сообщение
Санёк
Италофан


Италофан

Возраст: 45
Знак зодиака: Стрелец
Зарегистрирован: 15.04.2008
Сообщения: 349
Откуда: Россия - Белгород

Авто: Opel Vectra B

СообщениеДобавлено: Ср Июн 30, 2010 11:51    Заголовок сообщения: Ответить с цитатой

Letun писал(а):
датчик холла или проводка к нему - причина отсечки на 4000. єто правда.
то, что ті нашел - коммутаторі. их там 2, оба Марелли. бош не пойдет.
у нас такого добра хватает, у вас не знаю, где искать.


про коммутаторы - их 2-а но они я так понимаю в одном корпусе и подходят 2-е фишки - это такие как у меня изображенны? и они типа формируют правильно импульс на катушки?

а за сколько можно ее у вас приобрести???
Вернуться к началу
Посмотреть профиль Отправить личное сообщение Отправить e-mail
iggi1711
Италомафиози


Италомафиози

Возраст: 48
Знак зодиака: Скорпион
Зарегистрирован: 11.03.2009
Сообщения: 972
Откуда: Киев

Авто: Lancia Delta Nova 1,6 i.e. 160 км/ч больше не пробовал->Пешкарус 5-10 км\ч->Renault Laguna II\2.0\140hp\260км\ч на приборке

СообщениеДобавлено: Ср Июн 30, 2010 12:54    Заголовок сообщения: Ответить с цитатой

Санёк писал(а):
про коммутаторы - их 2-а но они я так понимаю в одном корпусе и подходят 2-е фишки - это такие как у меня изображенны? и они типа формируют правильно импульс на катушки?

В коране(мануал на Купе) они обзываются "катушки зажигания" и до них стоит "блок питания" тот к которому подходят два 7-ми штырьковых разьёма (перевод с англицкого).
На разборках есть и то и то - остатки с 2-х литровых Типарей и Купех, по ценам Letun сориентирует, ибо сейчас даленко от места постоянной дислокации.

_________________
Вернуться к началу
Посмотреть профиль Отправить личное сообщение
Санёк
Италофан


Италофан

Возраст: 45
Знак зодиака: Стрелец
Зарегистрирован: 15.04.2008
Сообщения: 349
Откуда: Россия - Белгород

Авто: Opel Vectra B

СообщениеДобавлено: Ср Июн 30, 2010 13:47    Заголовок сообщения: Ответить с цитатой

iggi1711 писал(а):
Санёк писал(а):
про коммутаторы - их 2-а но они я так понимаю в одном корпусе и подходят 2-е фишки - это такие как у меня изображенны? и они типа формируют правильно импульс на катушки?

В коране(мануал на Купе) они обзываются "катушки зажигания" и до них стоит "блок питания" тот к которому подходят два 7-ми штырьковых разьёма (перевод с англицкого).
На разборках есть и то и то - остатки с 2-х литровых Типарей и Купех, по ценам Letun сориентирует, ибо сейчас даленко от места постоянной дислокации.


понял... а если брать как определиться нормально ли эта приблуда работает? т.к. у меня работает - но этот мастер который меня диагностировал -сказал что у меня эта приблуда работает - но не правильные импульсы дает или неправильно формирует сигнал..
Вернуться к началу
Посмотреть профиль Отправить личное сообщение Отправить e-mail
iggi1711
Италомафиози


Италомафиози

Возраст: 48
Знак зодиака: Скорпион
Зарегистрирован: 11.03.2009
Сообщения: 972
Откуда: Киев

Авто: Lancia Delta Nova 1,6 i.e. 160 км/ч больше не пробовал->Пешкарус 5-10 км\ч->Renault Laguna II\2.0\140hp\260км\ч на приборке

СообщениеДобавлено: Ср Июн 30, 2010 16:05    Заголовок сообщения: Ответить с цитатой

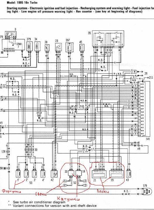
Смотря где спец смотрел импульсы, на свечах ,на выходе с катушек, на выходе "блока питания"(он же электронный блок управления зажиганием)? Проблема может быть намного шире:
1. прошивает свеча,
2. прошивает высоковольтный провод,
3. прошивает внутри катушки,
4. барахлит один канал электронного блока.
Лично я б начал с замены свечей и высоковольных проводов, а дальше всё смотреть хотя бы осцилорафом если нет мотортестера.
Чтоб точно сказать что не работает, нужно знать где он смотрел сигналы, если один из каналов блока - то хандрить должны 2 горшка (по схеме 1 канал на 2 гошка), если проблема по одному горшку то свеча или провода ну и т.д. Замена на б\у - ни какой гарантии что проблема решиться. Если есть возможность то лучше договариваться чтоб с возвратом. А то можно заиметь кучу дорогих девайсов а проблема останется.
По поводу неправильного импульса - у меня товарищ на Теме имеет уже 2 комплекта всех датчиков(новых) что в подкапотном пространстве, 2 катушки, 3 комплекта высоковольтных проводов, 2 мозга, заменил всю проводку ну и т.д. а "не правильный импульс" так и не победил.



2_0_turbo.JPG
 Описание:
 Размер:  92.39 KB
 Просмотрено:  281 раз(а)

2_0_turbo.JPG



_________________
Вернуться к началу
Посмотреть профиль Отправить личное сообщение
iggi1711
Италомафиози


Италомафиози

Возраст: 48
Знак зодиака: Скорпион
Зарегистрирован: 11.03.2009
Сообщения: 972
Откуда: Киев

Авто: Lancia Delta Nova 1,6 i.e. 160 км/ч больше не пробовал->Пешкарус 5-10 км\ч->Renault Laguna II\2.0\140hp\260км\ч на приборке

СообщениеДобавлено: Ср Июн 30, 2010 16:51    Заголовок сообщения: Ответить с цитатой

Лови нарезку, переводи и разбирайся, а лучше найди книжки есть по Купехе очень подробные, мотор то твой и ходовка почти полностью.


1.JPG
 Описание:
 Размер:  86.81 KB
 Просмотрено:  213 раз(а)

1.JPG



2.JPG
 Описание:
 Размер:  101.43 KB
 Просмотрено:  199 раз(а)

2.JPG



3.JPG
 Описание:
 Размер:  124.19 KB
 Просмотрено:  192 раз(а)

3.JPG



4.JPG
 Описание:
 Размер:  137.42 KB
 Просмотрено:  179 раз(а)

4.JPG



5.JPG
 Описание:
 Размер:  92.98 KB
 Просмотрено:  203 раз(а)

5.JPG



_________________
Вернуться к началу
Посмотреть профиль Отправить личное сообщение
Показать сообщения:   
Начать новую тему   Ответить на тему    Список форумов Український клуб фанів FIAT / CLUB UCRAINO TIFOSO DELLA FIAT -> Ремонт та обслуговування Lancia Часовой пояс: GMT + 3
Страница 1 из 1

 
Перейти:  
Вы не можете начинать темы
Вы не можете отвечать на сообщения
Вы не можете редактировать свои сообщения
Вы не можете удалять свои сообщения
Вы не можете голосовать в опросах
Вы не можете присоединять файлы в этом форуме
Вы можете скачивать файлы в этом форуме






Powered by phpBB © 2001, 2005 phpBB Group
З питань розміщення реклами писати на цю адресу