 |
Український клуб фанів FIAT / CLUB UCRAINO TIFOSO DELLA FIAT
|
 |
| Предыдущая тема :: Следующая тема |
| Автор |
Сообщение |
puper Италофан


Возраст: 50 Знак зодиака:  Зарегистрирован: 20.08.2009 Сообщения: 140 Откуда: Казань
Авто: Marea 1.6
|
Добавлено: Чт Фев 25, 2010 11:06 Заголовок сообщения: Фонари заднего хода |
|
|
Короче, ТО не смог пройти на днях, грят фонари заднего хода не горят.
Приехал домой, стал разбираться:
Проверил лампочки - рабочие.
Предохранитель проверять полез. В инструкции написано, что за это 15А отвечает... нашел три таких - все нормальные.
куда теперь рыть?
|
|
| Вернуться к началу |
|
 |
yurik Оргкомитет клуба


Возраст: 51 Знак зодиака:  Зарегистрирован: 24.05.2008 Сообщения: 1378 Откуда: Буча Киевская обл
Авто: E320 4 Matic W210 Avangarde
|
Добавлено: Чт Фев 25, 2010 11:20 Заголовок сообщения: |
|
|
На коробке найди датчик с двумя проводами(жабка) и при вкл зажигании перемкни их меж собой. если фонари загорятся - меняй жабку
_________________
FiatTipo-LanciaThema-FiatTipo-LanciaThema-FiatPunto176-FiatPunto176- Fiat Punto188-Fiat Tipo3D |
|
| Вернуться к началу |
|
 |
puper Италофан


Возраст: 50 Знак зодиака:  Зарегистрирован: 20.08.2009 Сообщения: 140 Откуда: Казань
Авто: Marea 1.6
|
Добавлено: Чт Фев 25, 2010 11:21 Заголовок сообщения: |
|
|
| yurik писал(а): | | На коробке найди датчик с двумя проводами(жабка) и при вкл зажигании перемкни их меж собой. если фонари загорятся - меняй жабку |
эту жабку без ямы не увидеть, я так понимаю?
|
|
| Вернуться к началу |
|
 |
yurik Оргкомитет клуба


Возраст: 51 Знак зодиака:  Зарегистрирован: 24.05.2008 Сообщения: 1378 Откуда: Буча Киевская обл
Авто: E320 4 Matic W210 Avangarde
|
Добавлено: Чт Фев 25, 2010 11:26 Заголовок сообщения: |
|
|
ща гляну
_________________
FiatTipo-LanciaThema-FiatTipo-LanciaThema-FiatPunto176-FiatPunto176- Fiat Punto188-Fiat Tipo3D |
|
| Вернуться к началу |
|
 |
yurik Оргкомитет клуба


Возраст: 51 Знак зодиака:  Зарегистрирован: 24.05.2008 Сообщения: 1378 Откуда: Буча Киевская обл
Авто: E320 4 Matic W210 Avangarde
|
Добавлено: Чт Фев 25, 2010 11:30 Заголовок сообщения: |
|
|
Со стороны радиатора по центру КПП
_________________
FiatTipo-LanciaThema-FiatTipo-LanciaThema-FiatPunto176-FiatPunto176- Fiat Punto188-Fiat Tipo3D |
|
| Вернуться к началу |
|
 |
puper Италофан


Возраст: 50 Знак зодиака:  Зарегистрирован: 20.08.2009 Сообщения: 140 Откуда: Казань
Авто: Marea 1.6
|
Добавлено: Чт Фев 25, 2010 11:39 Заголовок сообщения: |
|
|
| yurik писал(а): | | Со стороны радиатора по центру КПП |
так я не понял, датчик этот можно сменить без загона машины на яму?
|
|
| Вернуться к началу |
|
 |
Arken Италофан


Возраст: 40 Знак зодиака:  Зарегистрирован: 10.02.2009 Сообщения: 166 Откуда: KIEV
Авто: Tipo 1.6 саrb
|
Добавлено: Чт Фев 25, 2010 11:44 Заголовок сообщения: |
|
|
| Так не датчик менять надо а сам разьем,у меня к примеру перегнили провода у основания разьема,5мин дела,если есть доступ или подомкрать и все ок.
|
|
| Вернуться к началу |
|
 |
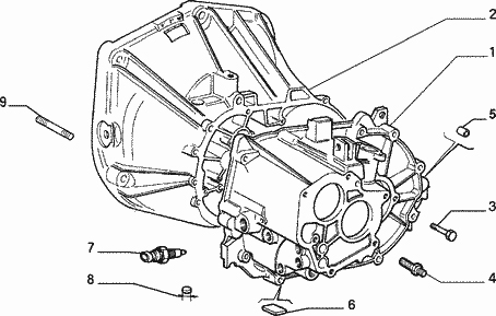
yurik Оргкомитет клуба


Возраст: 51 Знак зодиака:  Зарегистрирован: 24.05.2008 Сообщения: 1378 Откуда: Буча Киевская обл
Авто: E320 4 Matic W210 Avangarde
|
|
| Вернуться к началу |
|
 |
puper Италофан


Возраст: 50 Знак зодиака:  Зарегистрирован: 20.08.2009 Сообщения: 140 Откуда: Казань
Авто: Marea 1.6
|
Добавлено: Чт Фев 25, 2010 12:10 Заголовок сообщения: |
|
|
| Arken писал(а): | | Так не датчик менять надо а сам разьем,у меня к примеру перегнили провода у основания разьема,5мин дела,если есть доступ или подомкрать и все ок. |
и че поддомкрачу я?
Капот если открою рукой дотянусь до этого разьема?
Последний раз редактировалось: puper (Чт Фев 25, 2010 12:12), всего редактировалось 1 раз |
|
| Вернуться к началу |
|
 |
puper Италофан


Возраст: 50 Знак зодиака:  Зарегистрирован: 20.08.2009 Сообщения: 140 Откуда: Казань
Авто: Marea 1.6
|
Добавлено: Чт Фев 25, 2010 12:11 Заголовок сообщения: |
|
|
спасибо за схему. Рукой дотянусь до него?
|
|
| Вернуться к началу |
|
 |
yurik Оргкомитет клуба


Возраст: 51 Знак зодиака:  Зарегистрирован: 24.05.2008 Сообщения: 1378 Откуда: Буча Киевская обл
Авто: E320 4 Matic W210 Avangarde
|
Добавлено: Чт Фев 25, 2010 12:17 Заголовок сообщения: |
|
|
да
_________________
FiatTipo-LanciaThema-FiatTipo-LanciaThema-FiatPunto176-FiatPunto176- Fiat Punto188-Fiat Tipo3D |
|
| Вернуться к началу |
|
 |
puper Италофан


Возраст: 50 Знак зодиака:  Зарегистрирован: 20.08.2009 Сообщения: 140 Откуда: Казань
Авто: Marea 1.6
|
Добавлено: Чт Фев 25, 2010 12:18 Заголовок сообщения: |
|
|
Это очень хорошие новости. Спасибо тебе, yurik!
|
|
| Вернуться к началу |
|
 |
puper Италофан


Возраст: 50 Знак зодиака:  Зарегистрирован: 20.08.2009 Сообщения: 140 Откуда: Казань
Авто: Marea 1.6
|
Добавлено: Чт Фев 25, 2010 15:14 Заголовок сообщения: |
|
|
Сейчас снял штекер с датчика перемычку поставил, фонари загорели.
имхо лягушке хана... в связи с этим вопрос, если менять лягушку, надо ли сливать масло с КПП ?
|
|
| Вернуться к началу |
|
 |
yurik Оргкомитет клуба


Возраст: 51 Знак зодиака:  Зарегистрирован: 24.05.2008 Сообщения: 1378 Откуда: Буча Киевская обл
Авто: E320 4 Matic W210 Avangarde
|
Добавлено: Чт Фев 25, 2010 15:46 Заголовок сообщения: |
|
|
нет. но для верности поставь машину под уклоном мордой повыше.
_________________
FiatTipo-LanciaThema-FiatTipo-LanciaThema-FiatPunto176-FiatPunto176- Fiat Punto188-Fiat Tipo3D |
|
| Вернуться к началу |
|
 |
|
|
Вы не можете начинать темы Вы не можете отвечать на сообщения Вы не можете редактировать свои сообщения Вы не можете удалять свои сообщения Вы не можете голосовать в опросах Вы не можете присоединять файлы в этом форуме Вы можете скачивать файлы в этом форуме
|
Powered by phpBB © 2001, 2005 phpBB Group
|