 |
Український клуб фанів FIAT / CLUB UCRAINO TIFOSO DELLA FIAT
|
 |
| Предыдущая тема :: Следующая тема |
| Автор |
Сообщение |
localchap Amico

Возраст: 54 Знак зодиака:  Зарегистрирован: 10.04.2007 Сообщения: 4
|
Добавлено: Вт Апр 10, 2007 00:09 Заголовок сообщения: Fiat Punto Selecta 60, нужна електрическая схема подскажите |
|
|
| подскажите где скачать электрическую схему для фиат пунто селекта 60 1996 года, не работает спидометр, хочу попробовать починить, может хоть кто подскажет где найти эл.датчик спидометра на коробке автомате???
|
|
| Вернуться к началу |
|
 |
vesko.t Amico


Возраст: 72 Знак зодиака:  Зарегистрирован: 01.11.2006 Сообщения: 31 Откуда: Бургас / Болгария
Авто: GP-1.4/16V-95
|
Добавлено: Ср Апр 11, 2007 16:34 Заголовок сообщения: |
|
|
Схема ни при чем-привод спидометра механический...
Датчик на КП подают сигнал на БУД и отношение к спидометру не имеет.
Эл.схемы можно посмотреть здесь
http://punto.mysteria.cz/schema.htm
_________________ GP-1.4/16V-95 199A6000 |
|
| Вернуться к началу |
|
 |
localchap Amico

Возраст: 54 Знак зодиака:  Зарегистрирован: 10.04.2007 Сообщения: 4
|
Добавлено: Чт Апр 12, 2007 21:07 Заголовок сообщения: |
|
|
| да в том то и дело что датчик спидометра электронный, коробка автомат, датчик где то на ней, не могу найти, обращаться к дилеру бешенные бабки
|
|
| Вернуться к началу |
|
 |
Aleksei Amico


Возраст: 53 Знак зодиака:  Зарегистрирован: 01.02.2008 Сообщения: 33 Откуда: Israel
Авто: Fiat pynto2002
|
Добавлено: Вт Фев 05, 2008 00:05 Заголовок сообщения: Re: Fiat Punto Selecta 60, нужна електрическая схема подскаж |
|
|
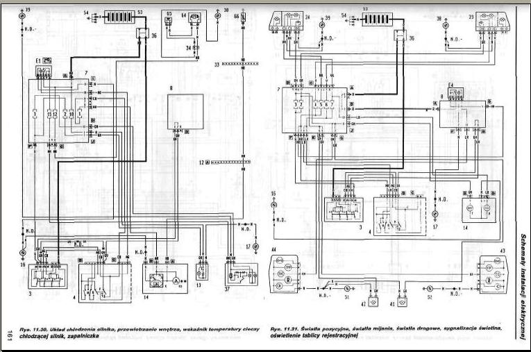
вот все схемы
| Описание: |
|
| Размер: |
81.63 KB |
| Просмотрено: |
1572 раз(а) |

|
| Описание: |
|
| Размер: |
76.92 KB |
| Просмотрено: |
1850 раз(а) |

|
| Описание: |
|
| Размер: |
64.28 KB |
| Просмотрено: |
1173 раз(а) |

|
_________________ Скуп : Aleksej |
|
| Вернуться к началу |
|
 |
Pers 989 Amico

Возраст: 37 Знак зодиака:  Зарегистрирован: 29.09.2008 Сообщения: 2 Откуда: г.Казань
Авто: fiat gp
|
Добавлено: Пн Сен 29, 2008 22:32 Заголовок сообщения: |
|
|
| Доброго времени суток!!! а для фиат гранде пунто случайно схемы электро оборудования нету?
|
|
| Вернуться к началу |
|
 |
|
|
Вы не можете начинать темы Вы не можете отвечать на сообщения Вы не можете редактировать свои сообщения Вы не можете удалять свои сообщения Вы не можете голосовать в опросах Вы не можете присоединять файлы в этом форуме Вы можете скачивать файлы в этом форуме
|
Powered by phpBB © 2001, 2005 phpBB Group
|