 |
Український клуб фанів FIAT / CLUB UCRAINO TIFOSO DELLA FIAT
|
 |
| Предыдущая тема :: Следующая тема |
| Автор |
Сообщение |
sudvit Италофан


Возраст: 61 Знак зодиака:  Зарегистрирован: 04.10.2010 Сообщения: 186 Откуда: Крым
Авто: Fiat Croma 1,9 TDi 1992
|
Добавлено: Вс Июн 12, 2011 10:08 Заголовок сообщения: |
|
|
| vova_shkvarovski писал(а): | | junior писал(а): |
А как ведет себя авто на ХХ при 500 об? Если не троит и работает ровно, |
троит и пытается постоянно заглохнуть |
Это значит, что еще какой то цилиндр не работает.
|
|
| Вернуться к началу |
|
 |
Croma Италоманьячище


Возраст: 68 Знак зодиака:  Зарегистрирован: 30.11.2009 Сообщения: 6091 Откуда: Окупированный Харьков
Авто: Fiat Croma TURBO IE
|
Добавлено: Вс Июн 12, 2011 10:51 Заголовок сообщения: |
|
|
| sudvit писал(а): | | vova_shkvarovski писал(а): | | junior писал(а): |
А как ведет себя авто на ХХ при 500 об? Если не троит и работает ровно, |
троит и пытается постоянно заглохнуть |
Это значит, что еще какой то цилиндр не работает. |
Если там действительно 500 об то и не мудрено.
И значит это всего лишь, что для поношенного двигателя
удержать без перебоев нерасчетные обороты непосильная задача.
То есть ничего не значит.
|
|
| Вернуться к началу |
|
 |
vova_shkvarovski Италофан


Возраст: 40 Знак зодиака:  Зарегистрирован: 19.01.2011 Сообщения: 245 Откуда: Тернополь
Авто: Croma 2.0 T.i.e. 1992
|
Добавлено: Вт Июн 14, 2011 10:14 Заголовок сообщения: |
|
|
| ДПДЗ разбирается, чистится?
|
|
| Вернуться к началу |
|
 |
vova_shkvarovski Италофан


Возраст: 40 Знак зодиака:  Зарегистрирован: 19.01.2011 Сообщения: 245 Откуда: Тернополь
Авто: Croma 2.0 T.i.e. 1992
|
Добавлено: Чт Июн 16, 2011 16:20 Заголовок сообщения: |
|
|
смотрел сегодня свечи,норма.
Выкрутил винт для регулировки ХХ на дросзаслонке, грязный был, вытер и пробывал регулировать.
ХХ не поднимается(чуть-чуть), а с выхлопной белый дым шел.
Скрутил назад
|
|
| Вернуться к началу |
|
 |
Lexville Италоманьячище


Возраст: 39 Знак зодиака:  Зарегистрирован: 08.12.2010 Сообщения: 1458 Откуда: Ташкент, Узбекистан
Авто: Fiat Croma 16V Turbo (продан), SAAB 9000CS M92, ВАЗ 2101
|
Добавлено: Чт Июн 16, 2011 22:08 Заголовок сообщения: |
|
|
| vova_shkvarovski писал(а): | смотрел сегодня свечи,норма.
Выкрутил винт для регулировки ХХ на дросзаслонке, грязный был, вытер и пробывал регулировать.
ХХ не поднимается(чуть-чуть), а с выхлопной белый дым шел.
Скрутил назад
 |
Извини, но зачем как не знаю кто бегать от одной системы к другой? У тебя после чего ХХ упали резко - после чистки форсунок. Вот и копать надо в том направлении, главное знать, что от неисправности в системе подачи топлива такая проблема может возникнуть. ЧТО может быть, это уже вопрос почти философский, поэтому проверять надо ВСЁ, и первым делом ДАВЛЕНИЕ на входе в топливную рампу. Даже контакты к форсункам надо проверять, т.к. и там собака может быть зарыта (ой как знакомо то...)
|
|
| Вернуться к началу |
|
 |
vova_shkvarovski Италофан


Возраст: 40 Знак зодиака:  Зарегистрирован: 19.01.2011 Сообщения: 245 Откуда: Тернополь
Авто: Croma 2.0 T.i.e. 1992
|
Добавлено: Пн Июн 20, 2011 21:08 Заголовок сообщения: |
|
|
Заежал на комп диагностику, посмотрел тип и сказал что не работает
датчик вакума, он искал его и не нашол,Потом сказал что он в ЭБУ, и надо менять весь ЭБУ.Я очень "обрадовался".
Потом закрутил винт СО(был сильно выкручен).ХХ вырос .
Потом настроил как надо.Вроде все ОК.Я давно думал СО покрутить но боялся растроить.А он и так был растроен
|
|
| Вернуться к началу |
|
 |
Vettal Италофан

Возраст: 59 Знак зодиака:  Зарегистрирован: 09.06.2009 Сообщения: 327 Откуда: харьков
Авто: Fiat Croma 2.0ie ВАЗ 21093
|
Добавлено: Вт Июн 21, 2011 00:36 Заголовок сообщения: |
|
|
| vova_shkvarovski писал(а): | Заежал на комп диагностику, посмотрел тип и сказал что не работает
датчик вакума, он искал его и не нашол,Потом сказал что он в ЭБУ, и надо менять весь ЭБУ.Я очень "обрадовался".
Потом закрутил винт СО(был сильно выкручен).ХХ вырос .
Потом настроил как надо.Вроде все ОК.Я давно думал СО покрутить но боялся растроить.А он и так был растроен | Одуреть мастера
|
|
| Вернуться к началу |
|
 |
vova_shkvarovski Италофан


Возраст: 40 Знак зодиака:  Зарегистрирован: 19.01.2011 Сообщения: 245 Откуда: Тернополь
Авто: Croma 2.0 T.i.e. 1992
|
Добавлено: Чт Июл 07, 2011 22:30 Заголовок сообщения: |
|
|
Наша песня хороша - начинай сначала))))))
На рис №1 шо это за электроклапан?На что влияет?Кто-то менял его или он не ломается?
| Описание: |
|
| Размер: |
33.8 KB |
| Просмотрено: |
150 раз(а) |

|
|
|
| Вернуться к началу |
|
 |
audio-terrorist Италоманьячище


Возраст: 44 Знак зодиака:  Зарегистрирован: 21.01.2009 Сообщения: 3477 Откуда: Россия - Москва
Авто: Lancia Thema 16V Turbo + Chevrolet Astro VAN 4.3 AWD
|
Добавлено: Чт Июл 07, 2011 23:57 Заголовок сообщения: |
|
|
сломать нереально его
биметаллический элемент двигает заслонку
на холодную открыт (в мороз полностью)
на горячую ЗАКРЫТ и на ХХ НЕ ВЛИЯЕТ НИКАК !!!
сколько уже ждать замеров ДАВЛЕНИЯ топлива в рейке ?
напоминаю 2.2-2.5 на хх с подключенной трубкой вакуума и 2.9-3.2 со снятой трубкой вакуума
_________________ Езжу как все, на автобусе
Купил и езжу ) |
|
| Вернуться к началу |
|
 |
vova_shkvarovski Италофан


Возраст: 40 Знак зодиака:  Зарегистрирован: 19.01.2011 Сообщения: 245 Откуда: Тернополь
Авто: Croma 2.0 T.i.e. 1992
|
Добавлено: Пт Июл 08, 2011 09:30 Заголовок сообщения: |
|
|
| audio-terrorist писал(а): | сломать нереально его
биметаллический элемент двигает заслонку
на холодную открыт (в мороз полностью)
на горячую ЗАКРЫТ и на ХХ НЕ ВЛИЯЕТ НИКАК !!!
сколько уже ждать замеров ДАВЛЕНИЯ топлива в рейке ?
напоминаю 2.2-2.5 на хх с подключенной трубкой вакуума и 2.9-3.2 со снятой трубкой вакуума |
Это ты пишеш про клапан ХХ.С ним понятно.
У меня под расходомером внизу к крылу крепится датчик с тонкими вакуумными трубками,я о нем спрашивал.На рис значит не он.
сколько уже ждать замеров ДАВЛЕНИЯ топлива в рейке ?
В понедельник.
с подключенной трубкой вакуума и со снятой трубкой вакуума
Это та трубка что под регулятором давления топлива?
|
|
| Вернуться к началу |
|
 |
vova_shkvarovski Италофан


Возраст: 40 Знак зодиака:  Зарегистрирован: 19.01.2011 Сообщения: 245 Откуда: Тернополь
Авто: Croma 2.0 T.i.e. 1992
|
Добавлено: Пт Июл 08, 2011 16:32 Заголовок сообщения: |
|
|
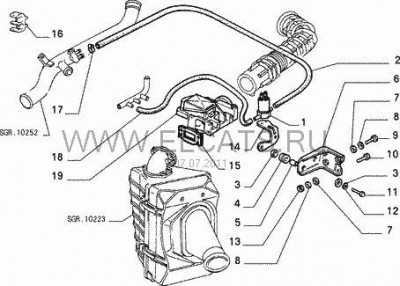
А это что за датчик(длиная стрелка)?
Там где короткая - у меня тот датчик про который ренее спрашивал
| Описание: |
|
| Размер: |
50.07 KB |
| Просмотрено: |
166 раз(а) |

|
|
|
| Вернуться к началу |
|
 |
Lexville Италоманьячище


Возраст: 39 Знак зодиака:  Зарегистрирован: 08.12.2010 Сообщения: 1458 Откуда: Ташкент, Узбекистан
Авто: Fiat Croma 16V Turbo (продан), SAAB 9000CS M92, ВАЗ 2101
|
Добавлено: Пт Июл 08, 2011 22:55 Заголовок сообщения: |
|
|
| А теперь гадаю по словам - одна трубка имеет своё начало до датчика расхода воздуха, а другая идет в корпус дроссельной заслонки? Тогда это клапан доп.подачи воздуха (хотя и странный, мааааленький). Если нет, то эт датчик абсолютного давления воздуха, который по идее должен стоять на турбодвиге (не на турбо он стоит только на Лянчевком 834B000, насколько я знаю, чему был весьма удивлен).
|
|
| Вернуться к началу |
|
 |
Este Италоманьячище


Возраст: 37 Знак зодиака:  Зарегистрирован: 12.02.2011 Сообщения: 1224 Откуда: Днепропетровск
Авто: fiat croma, lancia kappa
|
Добавлено: Пт Июл 08, 2011 23:03 Заголовок сообщения: |
|
|
у меня такой же двигатель.. но проблема противоположная... резко поднялись обороты до 1500 ... закрутил винт воздуха холостого хода.... через км при переходе на нейтральную снова 1500... закрутил еще... стала 1000... ниже не куда крутить тот винт... проехался по трассе 120... минут так 20 - 25.... выросли до 2000... и не хотели опускаться.. пару раз прогазовал на нейтральной 1500... че делать не знаю...
_________________ +38 (099) 143 3586
Олег
Lancia Kappa <-- Fiat Croma |
|
| Вернуться к началу |
|
 |
vova_shkvarovski Италофан


Возраст: 40 Знак зодиака:  Зарегистрирован: 19.01.2011 Сообщения: 245 Откуда: Тернополь
Авто: Croma 2.0 T.i.e. 1992
|
Добавлено: Пт Июл 08, 2011 23:04 Заголовок сообщения: |
|
|
| у меня турбо
|
|
| Вернуться к началу |
|
 |
Este Италоманьячище


Возраст: 37 Знак зодиака:  Зарегистрирован: 12.02.2011 Сообщения: 1224 Откуда: Днепропетровск
Авто: fiat croma, lancia kappa
|
Добавлено: Пт Июл 08, 2011 23:04 Заголовок сообщения: |
|
|
кстати снял защитную резинку на контактах к ЭБУ... крайний правый, если смотреть сверху на соплях висит... в середине всех проводов тоже какой то оголенный... завтра поеду к электрику....
_________________ +38 (099) 143 3586
Олег
Lancia Kappa <-- Fiat Croma |
|
| Вернуться к началу |
|
 |
|
|
Вы не можете начинать темы Вы не можете отвечать на сообщения Вы не можете редактировать свои сообщения Вы не можете удалять свои сообщения Вы не можете голосовать в опросах Вы не можете присоединять файлы в этом форуме Вы можете скачивать файлы в этом форуме
|
Powered by phpBB © 2001, 2005 phpBB Group
|