 |
Український клуб фанів FIAT / CLUB UCRAINO TIFOSO DELLA FIAT
|
 |
| Предыдущая тема :: Следующая тема |
| Автор |
Сообщение |
СергАл Италомафиози


Возраст: 50 Знак зодиака:  Зарегистрирован: 10.09.2008 Сообщения: 756 Откуда: г.Дружковка
Авто: Tempra 1.6 159В9.000SW метан ЛУАЗ 969
|
Добавлено: Ср Авг 18, 2010 23:24 Заголовок сообщения: |
|
|
=aleks=
Да, Леха.Это наш кран-у меня такой же на электонной печке.
_________________ Дареному автомобилю в кузов не смотрят |
|
| Вернуться к началу |
|
 |
=aleks= Италоманьячище


Возраст: 49 Знак зодиака:  Зарегистрирован: 06.10.2009 Сообщения: 8633 Откуда: Харьков
Авто: была Tempra2.0 теперьTоyota carina-e 93 1.6
|
Добавлено: Вс Авг 22, 2010 18:03 Заголовок сообщения: |
|
|
на днях было похолодание и по моему всё гуд.не чё не дует горячим.
_________________ Бортовик Темпра |
|
| Вернуться к началу |
|
 |
Master Почетный кидала

Возраст: 38 Знак зодиака:  Зарегистрирован: 12.10.2006 Сообщения: 7747 Откуда: Киев
Авто: VW Transporter T5 2.5TDI 2007гв,Fiat Tempra 1.9TDs DGT+clima 96г.в(бешеный трактор)
|
Добавлено: Вс Авг 22, 2010 19:04 Заголовок сообщения: |
|
|
При жаре и полностью закрытом кране всеравно будет дуть теплый воздух так как забор воздуха идет от моторного и как не крути а воздух гарячий
_________________ Безумие-это наш запасной Выход!!!©Street NRG
VW Transporter T5 2.5TDI 2007гв(174л.с)(большoй Икарус)
Fiat Tempra 1.6 ie=>Fiat Tempra 1.9TDs DGT+clima,96г.в(TURBO трактор)
067 763 30 38 |
|
| Вернуться к началу |
|
 |
audio-terrorist Италоманьячище


Возраст: 44 Знак зодиака:  Зарегистрирован: 21.01.2009 Сообщения: 3477 Откуда: Россия - Москва
Авто: Lancia Thema 16V Turbo + Chevrolet Astro VAN 4.3 AWD
|
Добавлено: Вс Авг 22, 2010 20:05 Заголовок сообщения: |
|
|
от моторного воздух забираться ну никак не может
там перегородка с уплотнителем
_________________ Езжу как все, на автобусе
Купил и езжу ) |
|
| Вернуться к началу |
|
 |
Андрей К Италоманьячище


Возраст: 53 Знак зодиака:  Зарегистрирован: 19.06.2006 Сообщения: 6990 Откуда: Кривой Рог
Авто: Tempra 1.9TDs DGT & AR145TD (когда-то Uno D & "зубило")
|
Добавлено: Вс Авг 22, 2010 21:41 Заголовок сообщения: |
|
|
Master
audio-terrorist
Реально кран абсолютно рабочий, реально заслонка двигается правильно и реально воздух идет теплее чем в окно.
Хотя возможно при длительной езде воздуховоды и остынут.
По крайней мере на Уно так и есть, но там короткий проход воздуха и минут за пять все остывает, а сразу в жару прет кипяток и все тут.
_________________
 |
|
| Вернуться к началу |
|
 |
=aleks= Италоманьячище


Возраст: 49 Знак зодиака:  Зарегистрирован: 06.10.2009 Сообщения: 8633 Откуда: Харьков
Авто: была Tempra2.0 теперьTоyota carina-e 93 1.6
|
Добавлено: Вс Авг 22, 2010 21:50 Заголовок сообщения: |
|
|
Андрей К
| Цитата: | | а сразу в жару прет кипяток и все тут |
так чего я и начал беспокоится.ночером температура ну гдето 26г и я гдето пол часа ехал и не хера не остывал.а вот не давно реально градусо 18 и я даже стёкла по закрывал и открыл фоздуходувы не включая вентелятор и класно.
_________________ Бортовик Темпра |
|
| Вернуться к началу |
|
 |
Алексей Италомафиози


Возраст: 37 Знак зодиака:  Зарегистрирован: 03.10.2009 Сообщения: 1064 Откуда: Россия, Вязьма
Авто: fiat tipo 1.4SPI=> Mitsubishi Lancer 9
|
Добавлено: Вс Сен 19, 2010 11:40 Заголовок сообщения: |
|
|
| кто знает? попробовал патрубки там где краник- оба горячие не дотронешься, а воздух всё равно чуть тёплый идёт
|
|
| Вернуться к началу |
|
 |
Алексей Италомафиози


Возраст: 37 Знак зодиака:  Зарегистрирован: 03.10.2009 Сообщения: 1064 Откуда: Россия, Вязьма
Авто: fiat tipo 1.4SPI=> Mitsubishi Lancer 9
|
Добавлено: Вс Сен 19, 2010 11:53 Заголовок сообщения: |
|
|
да! вот ещё что заметил: когда переводишь регулятор в положение "дуть на ноги", то воздух становится намного теплее, а вот в положениях "в морду" и "на стекло" вообще еле-еле.
щас ездить вообще неудобно, стекло вечером потеет просто ужас
|
|
| Вернуться к началу |
|
 |
Pustynnikov Италоманьячище


Возраст: 50 Знак зодиака:  Зарегистрирован: 28.07.2007 Сообщения: 2881 Откуда: Бобруйск Беларусь
Авто: Peugeot 405 II Break (4E) 1.8 LFZ (XU7JP)
|
Добавлено: Вс Сен 19, 2010 12:06 Заголовок сообщения: |
|
|
наверное, что-то с заслонками...
_________________ Fiat Tipo 1.4 i.e. (160A1046) DGT 90 г.в. Продан. Разбит новой хозяйкой Восстановлен!!! Перепродан другой хозяйке. Убит... Мне так его жаль! |
|
| Вернуться к началу |
|
 |
Алексей Италомафиози


Возраст: 37 Знак зодиака:  Зарегистрирован: 03.10.2009 Сообщения: 1064 Откуда: Россия, Вязьма
Авто: fiat tipo 1.4SPI=> Mitsubishi Lancer 9
|
Добавлено: Вс Сен 19, 2010 12:24 Заголовок сообщения: |
|
|
| Pustynnikov писал(а): | | наверное, что-то с заслонками... |
какой там принцип работы и что может сломаться знаешь?
|
|
| Вернуться к началу |
|
 |
Pustynnikov Италоманьячище


Возраст: 50 Знак зодиака:  Зарегистрирован: 28.07.2007 Сообщения: 2881 Откуда: Бобруйск Беларусь
Авто: Peugeot 405 II Break (4E) 1.8 LFZ (XU7JP)
|
Добавлено: Вс Сен 19, 2010 12:31 Заголовок сообщения: |
|
|
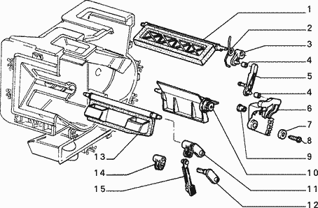
могли с осей слететь или тяжки
| Описание: |
|
| Размер: |
11.49 KB |
| Просмотрено: |
195 раз(а) |

|
| Описание: |
|
| Размер: |
13.68 KB |
| Просмотрено: |
196 раз(а) |

|
|
|
| Вернуться к началу |
|
 |
Алексей Италомафиози


Возраст: 37 Знак зодиака:  Зарегистрирован: 03.10.2009 Сообщения: 1064 Откуда: Россия, Вязьма
Авто: fiat tipo 1.4SPI=> Mitsubishi Lancer 9
|
Добавлено: Чт Сен 23, 2010 10:27 Заголовок сообщения: |
|
|
короче всё я наврал
тяга крана ходит нормально, а более теплый воздух объясняется скорее близостью руки к радиатору печки.
А причина проста: кран завис в одном промежуточном положении (при регулировке ничего не меняется). Что теперь делать с ним?
|
|
| Вернуться к началу |
|
 |
Mraker Италолюбитель

Возраст: 41 Знак зодиака:  Зарегистрирован: 04.06.2008 Сообщения: 92 Откуда: Россия, Пермь
Авто: Fiat Tempra
|
Добавлено: Чт Сен 23, 2010 11:49 Заголовок сообщения: |
|
|
| Я, например, отвёрткой пододвинул внутреннюю заслонку краника в открытое положение, затем тыкнул по ней паяльником (зафиксировал), и усё щас постоянно открыт, переключается холодный\горячий воздух так же (если воздушные заслонки в нормальном состоянии)! Единственный минус - от постоянной циркуляции через печку антифриза - нога начинает потеть при длительной поездке!
|
|
| Вернуться к началу |
|
 |
Алексей Италомафиози


Возраст: 37 Знак зодиака:  Зарегистрирован: 03.10.2009 Сообщения: 1064 Откуда: Россия, Вязьма
Авто: fiat tipo 1.4SPI=> Mitsubishi Lancer 9
|
Добавлено: Чт Сен 23, 2010 12:52 Заголовок сообщения: |
|
|
| Чето не пойму. Как там заслонками температура регулируется?
|
|
| Вернуться к началу |
|
 |
DEMOKPAT Италоманьячище


Возраст: 53 Знак зодиака:  Зарегистрирован: 06.05.2009 Сообщения: 2097 Откуда: Киев - Яготин
Авто: Бензин кончился
|
Добавлено: Чт Сен 23, 2010 12:58 Заголовок сообщения: |
|
|
Так же как и у тебя в водопроводе дома, холодная вода с горячей смешивается.
Путём смешивания холодного и горячего потоков воздуха.
Термодатчик отвечает за температуру и положение заслонок. Эт если климат стоит. Но и при механики тоже самое просто руками регулируешь заслонку.
ЗЫ
У самого тяга отвалилась на воздухораспределении по салону.
А торпеду снимать, ой как не хочу чтобы до печки добраться
|
|
| Вернуться к началу |
|
 |
|
|
Вы не можете начинать темы Вы не можете отвечать на сообщения Вы не можете редактировать свои сообщения Вы не можете удалять свои сообщения Вы не можете голосовать в опросах Вы не можете присоединять файлы в этом форуме Вы можете скачивать файлы в этом форуме
|
Powered by phpBB © 2001, 2005 phpBB Group
|